Скачать РД 34.35.408-66 Инструкция по наладке и проверке дистанционной защиты типа ПЗ-152Дата актуализации: 01.01.2021
|
| Обозначение: | РД 34.35.408-66 |
| Обозначение англ: | RD 34.35.408-66 |
| Статус: | действует |
| Название рус.: | Инструкция по наладке и проверке дистанционной защиты типа ПЗ-152 |
| Название англ.: | Guidelines for Adjustment and Testing of Remote Protective Means Type PZ-152 |
| Дата добавления в базу: | 01.01.2019 |
| Дата актуализации: | 01.01.2021 |
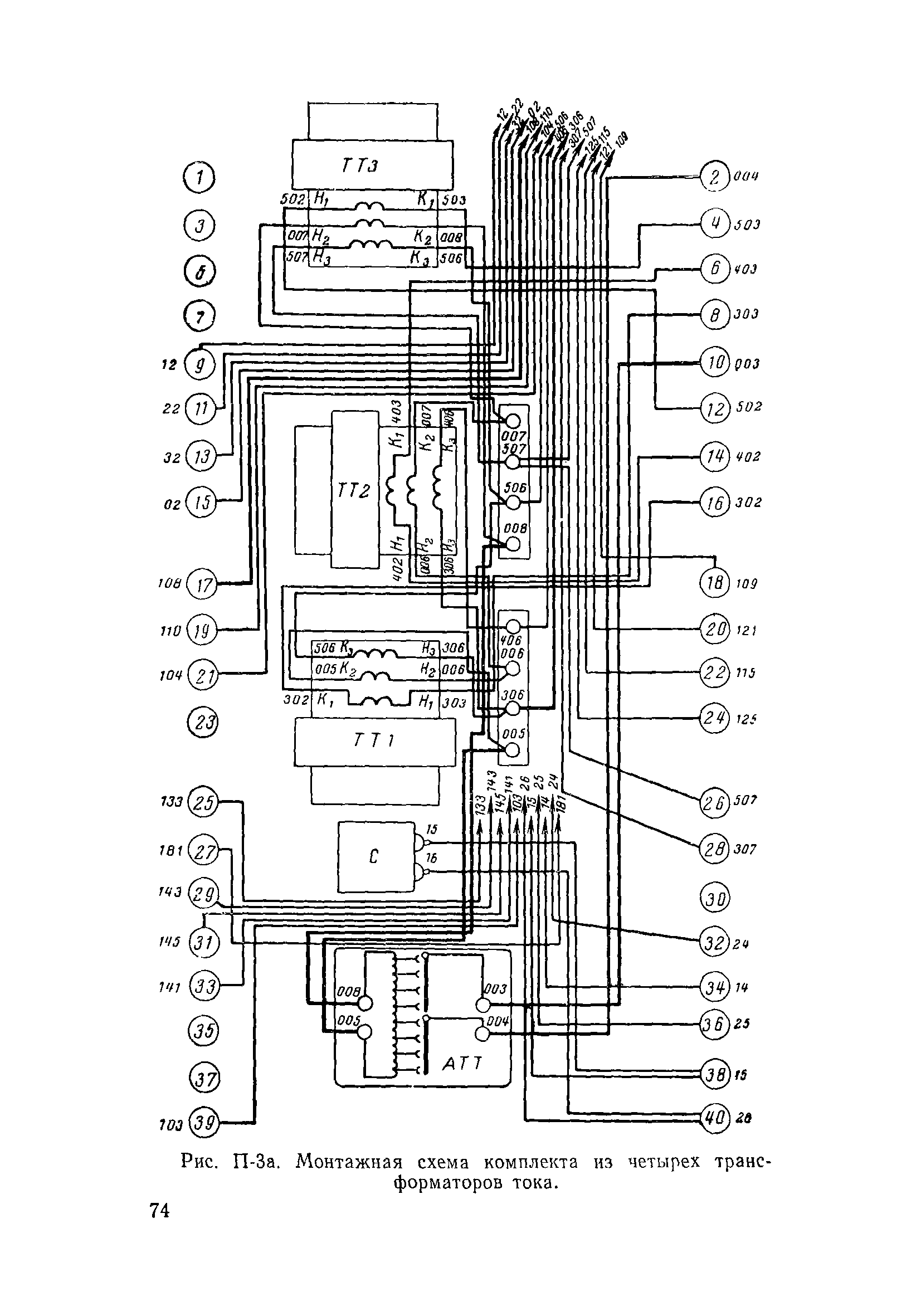
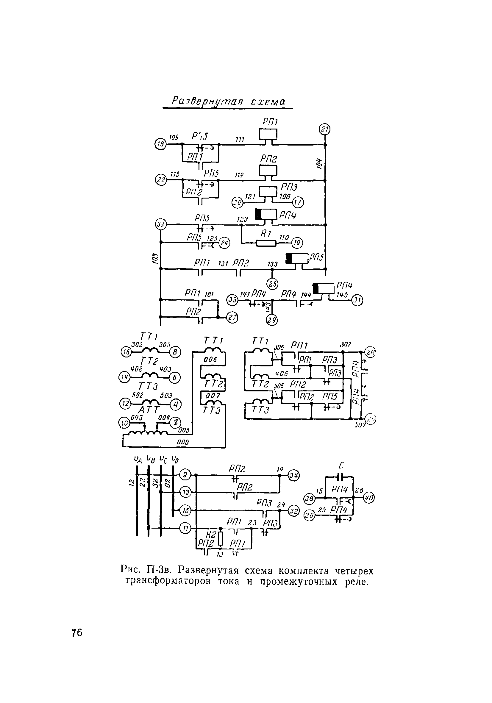
| Область применения: | В документе приведены объемы проверок реле всех типов, входящих в защиту ПЗ-152, объем и последовательность проверки реле сопротивления установлены такими же, как и для всех реле сопротивления, порядок проверки отсутствия самоходов реле сопротивления. Составлен новый паспорт-протокол проверки защиты. Приведены монтажные схемы реле и защиты. Объем полной плановой проверки защиты сокращен с учетом опыта эксплуатации, Приведен рекомендуемый объем частичной проверки. |
| Оглавление: | Предисловие Глава первая. Описание защиты 1-1. Характеристика защиты 1-2. Цепи переменного тока 1-3. Цепи переменного напряжения 1-4. Дистанционный орган защиты 1-5. Схема оперативных цепей 1-6. Действие защиты при различных видах повреждения Глава вторая. Наладка и проверка защиты 2-1. Общие указания 2-2. Объемы эксплуатационных проверок 2-3. Внешний и внутренний осмотр элементов панели, проверка механической части реле и вспомогательных устройств 2-4. Проверка состояния изоляции 2-5. Проверка аппаратуры постоянного тока 2-6. Проверка аппаратуры переменного тока и регулировка уставок 2-7. Проверка схемы постоянного тока 2-8. Комплексная проверка панели защиты с питанием от постороннего источника 2-9. Проверка защиты рабочим током и напряжением 2-10. Проверка правильности действия защиты на отключение выключателя и устройства сигнализации. Подготовка к включению Приложение 1. Паспорт-протокол на дистанционную за щиту П3-152 Приложение 2. Основные технические данные элементов защиты П3-152 Приложение 3. Изменение схемы защиты ПЗ-152 для сети с малым током замыкания на землю Приложение 4. Монтажные схемы элементов защиты П3-152 Приложение 5. Монтажная схема панели защиты П3-152 |
| Разработан: | ОРГРЭС |
| Утверждён: | Минэнерго СССР (USSR Minenergo ) |
| Издан: | Энергия (1966 г. ) |












































































