Скачать РД 34.35.602-81 Руководство по капитальному ремонту полупроводниковых усилителей типов У и УПДДата актуализации: 01.01.2021
|
| Обозначение: | РД 34.35.602-81 |
| Обозначение англ: | RD 34.35.602-81 |
| Статус: | действует |
| Название рус.: | Руководство по капитальному ремонту полупроводниковых усилителей типов У и УПД |
| Название англ.: | Guide to Overhaul of Semiconductor Amplifiers Types U and UPD |
| Дата добавления в базу: | 01.01.2019 |
| Дата актуализации: | 01.01.2021 |
| Дата введения: | 01.01.1985 |
| Область применения: | Документ предназначается для использования в качестве основного технического документа при ремонте усилителей на предприятиях Минэнерго СССР. |
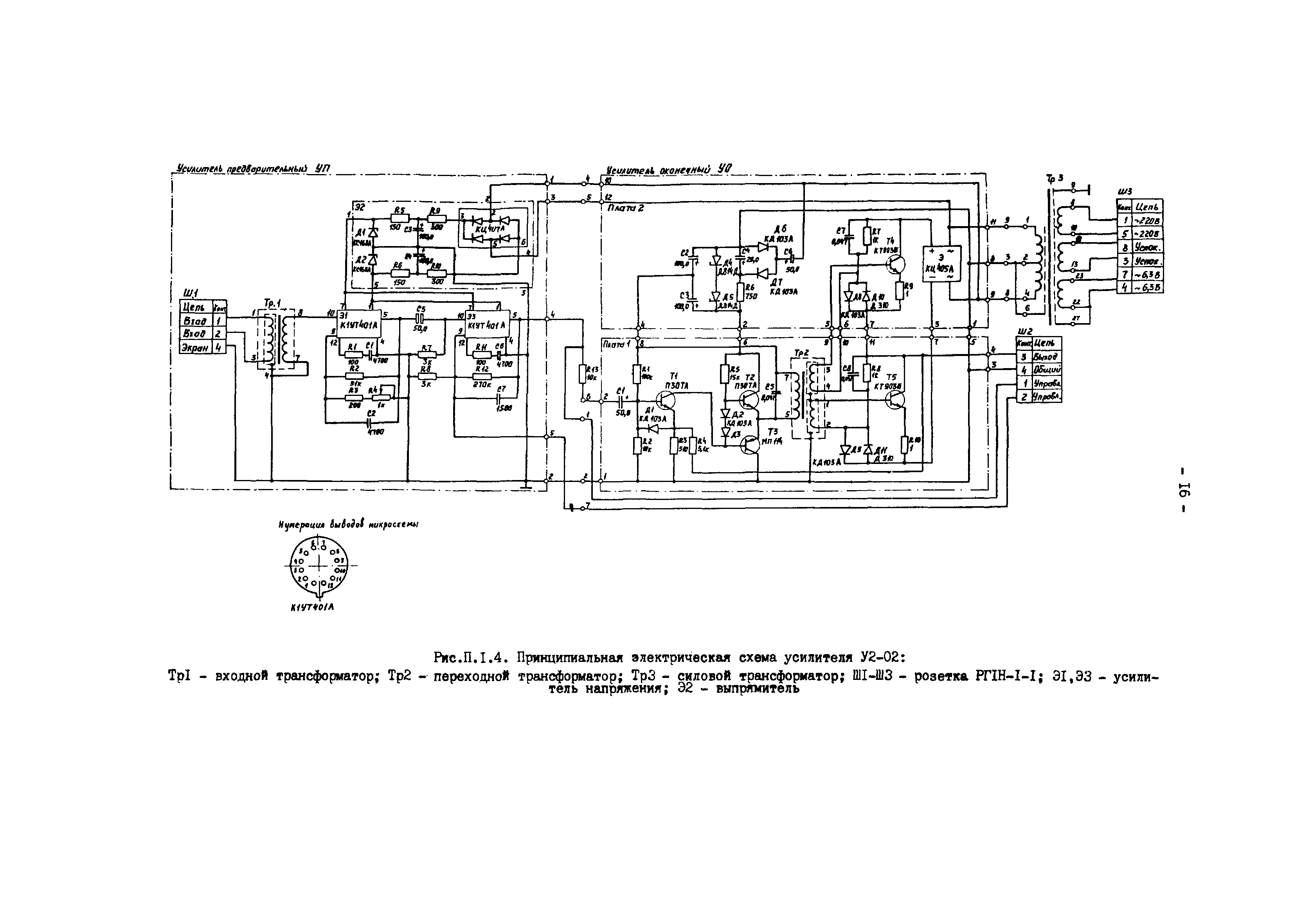
| Оглавление: | 1 Введение 2 Общие технические требования к дефектации и ремонту усилителя и его составных частей 3 Технические требования к дефектации и ремонту усилителей типа У 4 Технические требования к дефектации и ремонту усилителей типа УПД 5 Технические требования к дефектации и ремонту составных частей 6 Технические требования к отремонтированному усилителю 7 Проверка усилителей типа У 8 Проверка усилителей типа УОД Приложение 1. Схемы и основные технические данные усилителей типа У Приложение 2. Схемы и основные технические данные усилителей типа Приложение 3. Перечень установок и приборов, рекомендуемых для применения при ремонте и проверке усилителей Лист регистрации изменений |
| Разработан: | ЦКБ Главэнергоремонт |
| Утверждён: | 17.12.1981 Главэнергоремонт (Glavenergoremont ) |
| Принят: | 17.12.1981 Главтехуправление |
| Издан: | СПО Союзтехэнерго (1985 г. ) |
| Нормативные ссылки: |


























