Скачать РД 34.30.103 Руководящие указания по проектированию, наладке и эксплуатации установок непрерывной очистки конденсаторов паровых турбин резиновыми шарикамиДата актуализации: 01.01.2021
|
| Обозначение: | РД 34.30.103 |
| Обозначение англ: | RD 34.30.103 |
| Статус: | действует |
| Название рус.: | Руководящие указания по проектированию, наладке и эксплуатации установок непрерывной очистки конденсаторов паровых турбин резиновыми шариками |
| Название англ.: | Guidelines for Design, Adjustment and Operation of Units for Continuous Cleaning of Steam Turbine Condensers Using Rubber Balls |
| Дата добавления в базу: | 01.09.2013 |
| Дата актуализации: | 01.01.2021 |
| Область применения: | Изложены требования к проектированию, монтажу, наладке и эксплуатации установок непрерывной очистки конденсаторов паровых турбин резиновыми шариками. |
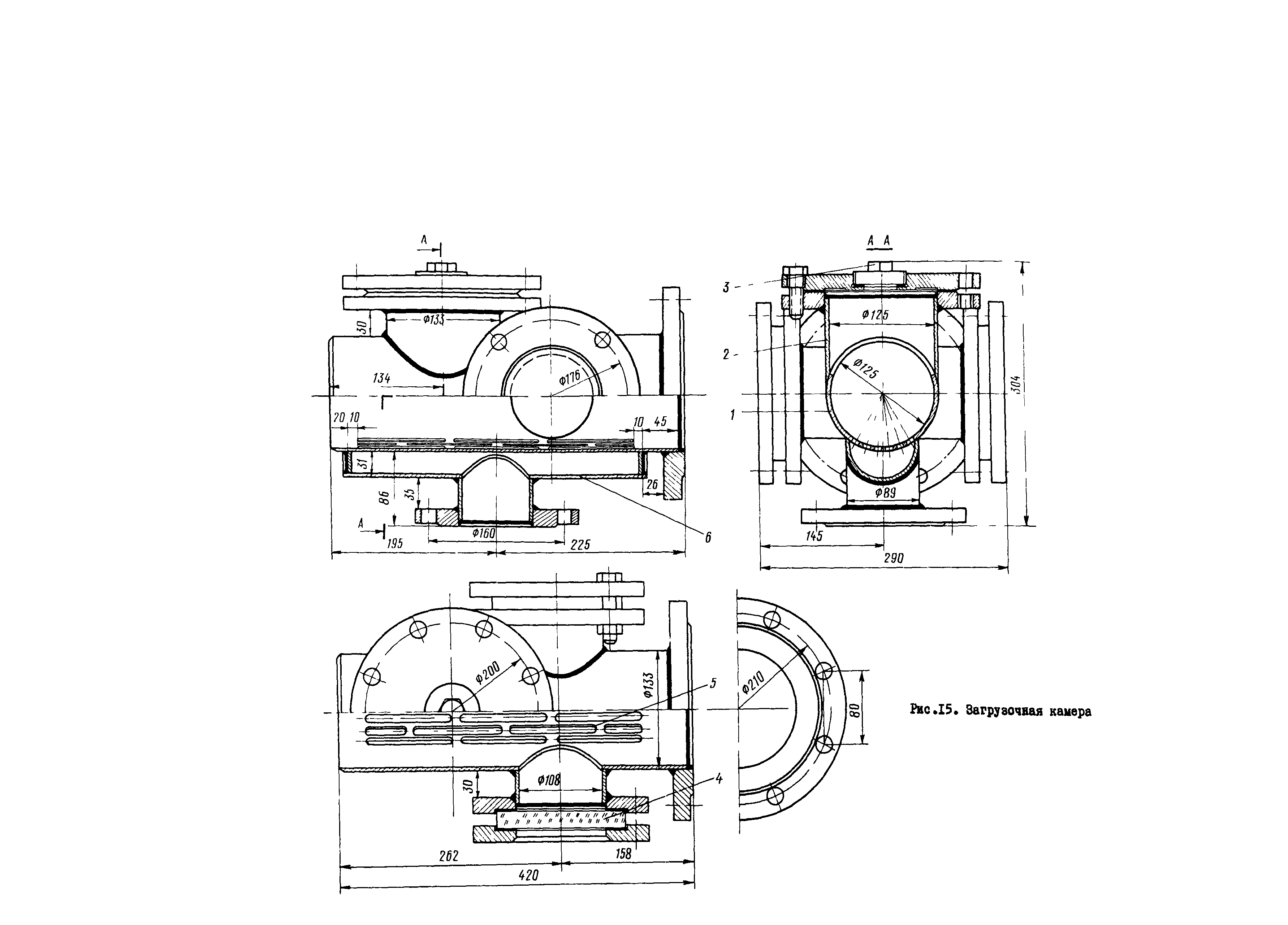
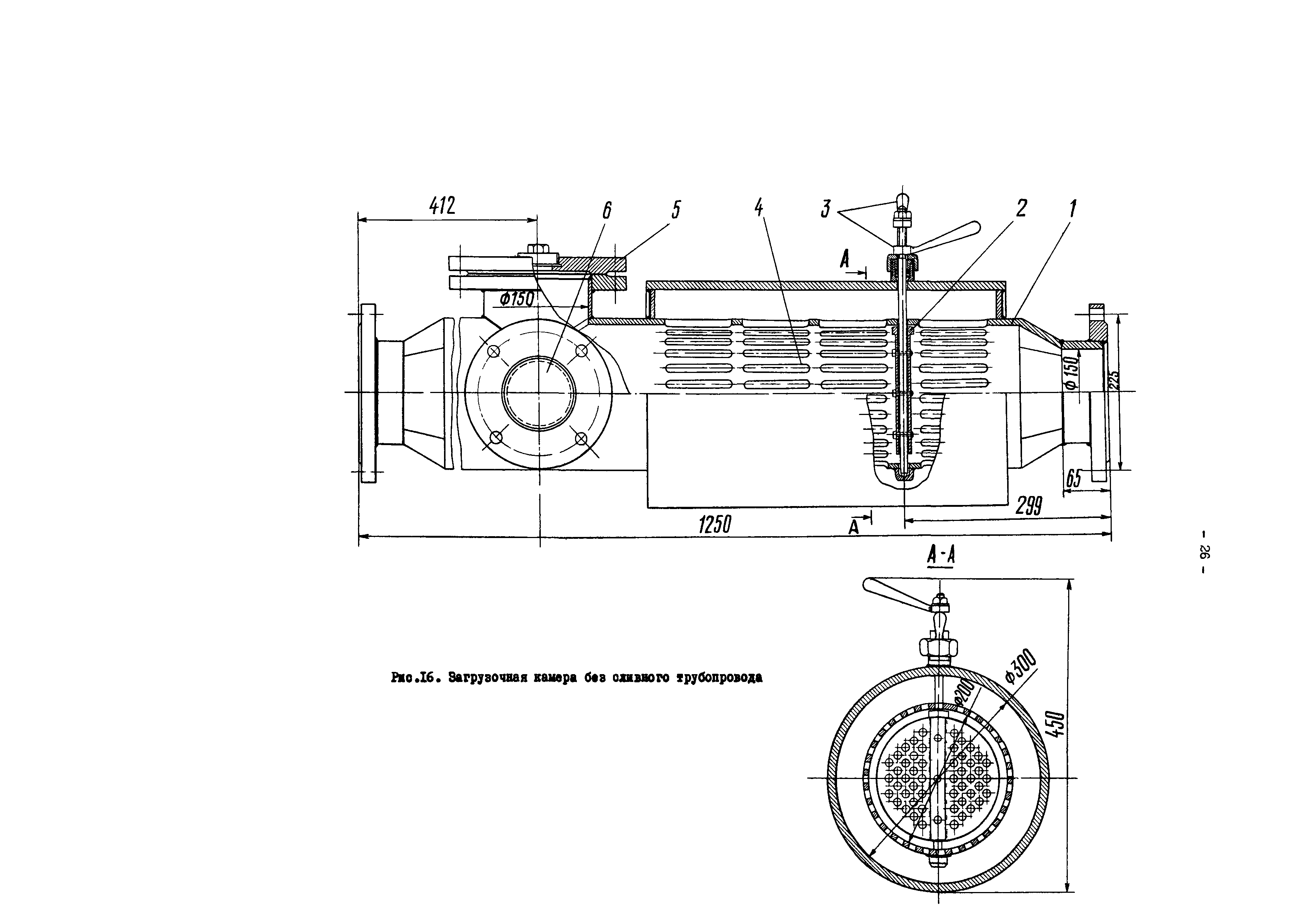
| Оглавление: | Введение 1 Эффективность установок и область их применения 2 Схемы установок 3 Шарикоулавливающие сетки 4 Струйный насос 5 Загрузочная камера 6 Резиновые шарики и пресс-формы для их изготовления 7 Подготовительные мероприятия перед пуском установок 8 Наладка и эксплуатация установок |
| Разработан: | Донтехэнерго |
| Утверждён: | 04.10.1971 Минэнерго СССР (USSR Minenergo ) |
| Издан: | СЦНТИ ОРГРЭС (1974 г. ) |









































