Скачать РД 34.25.510 Типовая инструкция по пуску из различных тепловых состояний и останову дубль - блока мощностью 200 МВт с прямоточным котлом (для работы в режиме регулирования нагрузки энергосистем)Дата актуализации: 01.01.2021
|
| Обозначение: | РД 34.25.510 |
| Обозначение англ: | RD 34.25.510 |
| Статус: | действует |
| Название рус.: | Типовая инструкция по пуску из различных тепловых состояний и останову дубль - блока мощностью 200 МВт с прямоточным котлом (для работы в режиме регулирования нагрузки энергосистем) |
| Название англ.: | Model Guidelines for Startup from Various Thermal States and Shutdown of Two-Boiler, Single-Turbine Unit with Power of 200 MW with Once-Through Boilers (for Operation in Energy System Variable Load Mode) |
| Дата добавления в базу: | 01.09.2013 |
| Дата актуализации: | 01.01.2021 |
| Дата введения: | 30.09.1976 |
| Область применения: | Инструкция предназначена для дубль-блоков мощностью 200 МВт с прямоточными котлами, переводимых в режим работы с частными пусками и остановами. |
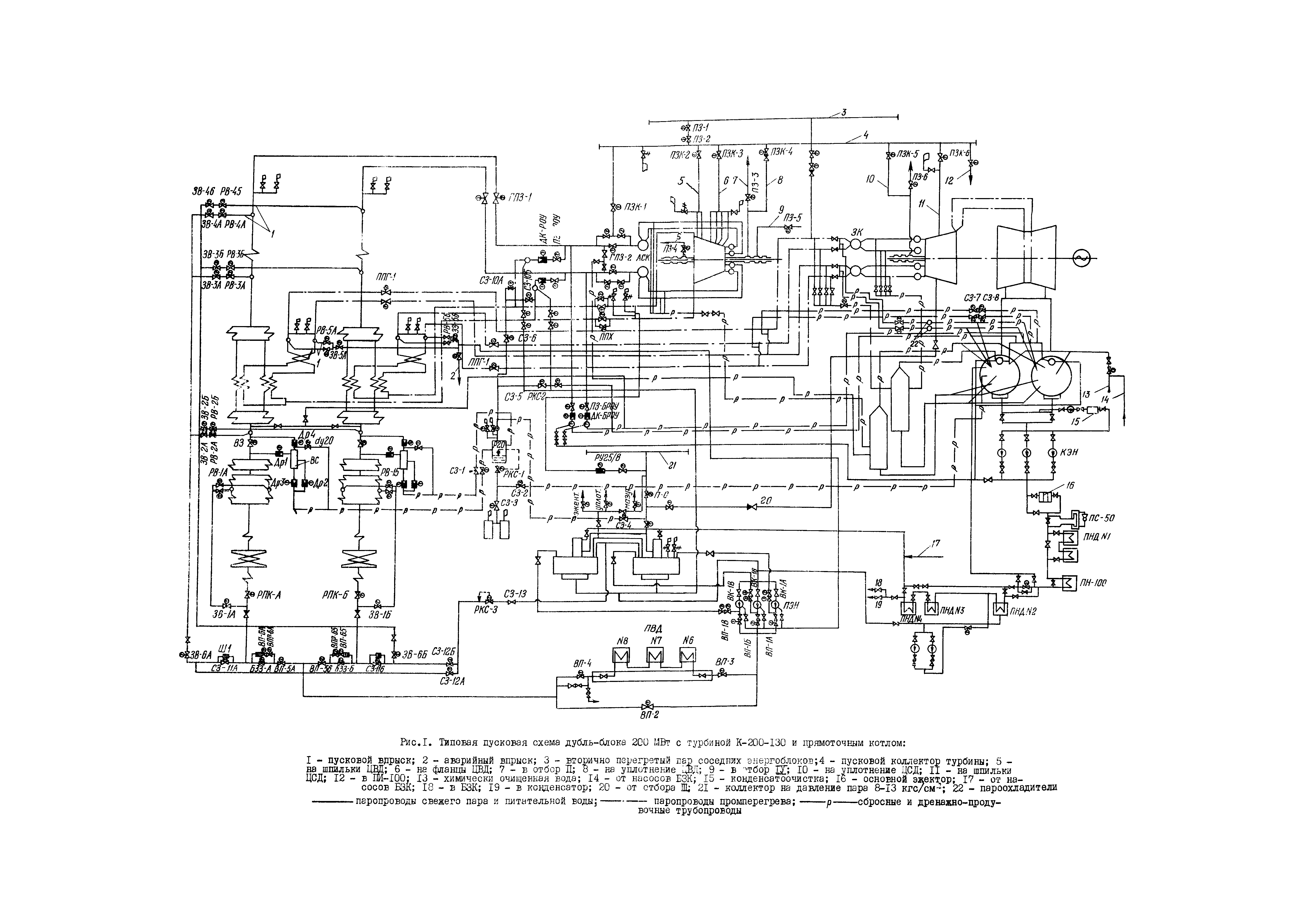
| Оглавление: | 1 Общие положения 2 Пуск дубль-блока из неостывшего состояния 3 Растопка и подключение второго корпуса котла при пусках из неостывшего состояния 4 Пуск дубль-блока из горячего состояния 5 Растопка и подключение второго корпуса котла при пусках из горячего состояния 6 Пуск дубль-блока из состояния горячего резерва 7 Пуск дубль-блока после простоя продолжительностью 70-90 ч 8 Пуск дубль-блока из холодного состояния 9 Останов дубль-блока Приложение 1 Порядок включения технологических защит при пуске дубль-блока Приложение 2 Порядок включения автоматических регуляторов при пуске дубль-блока Приложение 3 Основные принципы организации режимов пуска и останов дубль-блока Приложение 4 Штатный контроль при пуске и останове дубль-блока Приложение 5 Критерии надежности пуска дубль-блока Приложение 6 Перечень обозначений и параметров, принятых в графиках-заданиях |
| Разработан: | ВТИ |
| Утверждён: | 30.09.1976 Главтехуправление Минэнерго СССР (Glavtekhupravleniye, USSR Minenergo ) |
| Издан: | СПО ОРГРЭС (1977 г. ) |









































