Скачать РД 34.11.308 Методика выполнения измерений температуры холодного воздуха в энергетических котлахДата актуализации: 01.01.2021
|
| Обозначение: | РД 34.11.308 |
| Обозначение англ: | RD 34.11.308 |
| Статус: | действует |
| Название рус.: | Методика выполнения измерений температуры холодного воздуха в энергетических котлах |
| Название англ.: | Method for Measurements of Cold Air Temperature in Boilers |
| Дата добавления в базу: | 01.09.2013 |
| Дата актуализации: | 01.01.2021 |
| Дата введения: | 01.01.1987 |
| Область применения: | Методика предназначена для применения на тЭС в целях обеспечения достоверных измерений температуры холодного воздуха в энергетических котлах и устанавливает метод и средства измерений, алгоритм процедур подготовки и проведения измерений и обработки результатов измерений, количественные показатели точности и способы их выражения. |
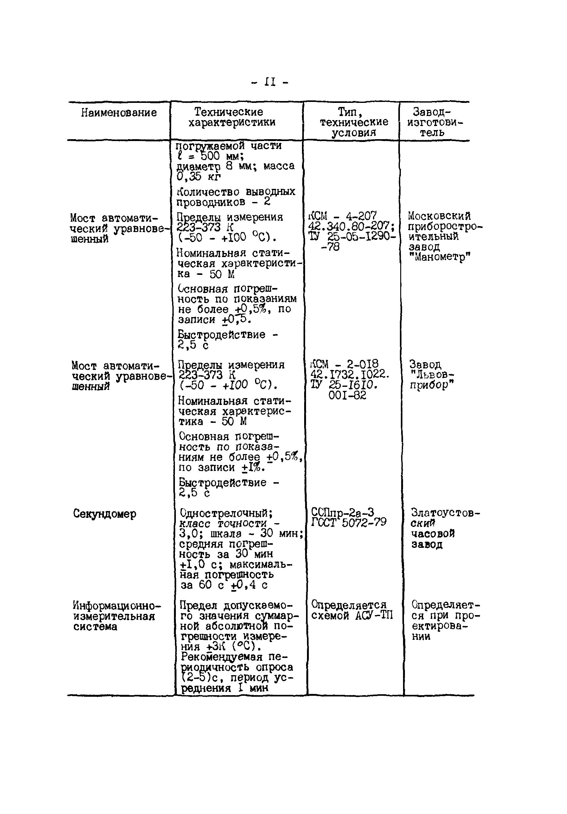
| Оглавление: | 1 Назначение и область применения 2 Нормы на показатели точности измерений 3 Измеряемый параметр и условия измерения 4 Метод и средства измерения параметра 5 Условия применения средств измерения 6 Алгоритм операций подготовки и выполнение измерений 7 Показатели точности измерений и формы их представления 8 Алгоритм обработки результатов измерений и оценка показателей точности 9 Требования к квалификации операторов 10 Требования техники безопасности Приложение 1 Номенклатура рекомендуемых средств имерений Приложение 2 Пример определения суммарной абсолютной погрешности измерения температуры холодного воздуха на входе в энергетический котел Приложение 3 Пример определения среднемассовой температуры холодного воздуха на входе в котел по данным штатных измерений |
| Разработан: | ВТИ ПО Союзтехэнерго |
| Утверждён: | 30.12.1985 Минэнерго СССР (USSR Minenergo ) |
| Издан: | СПО Союзтехэнерго (1986 г. ) |
| Список изменений: |
|
| Нормативные ссылки: |
















Текстовое изменение № 1 от 01.01.1992