Скачать Технологическая карта Типовая технологическая карта на клеевую окраску стен и потолковДата актуализации: 01.01.2021
|
| Обозначение: | Технологическая карта |
| Статус: | не установлен срок действия |
| Название рус.: | Типовая технологическая карта на клеевую окраску стен и потолков |
| Дата добавления в базу: | 01.09.2013 |
| Дата актуализации: | 01.01.2021 |
| Дата введения: | 01.01.1983 |
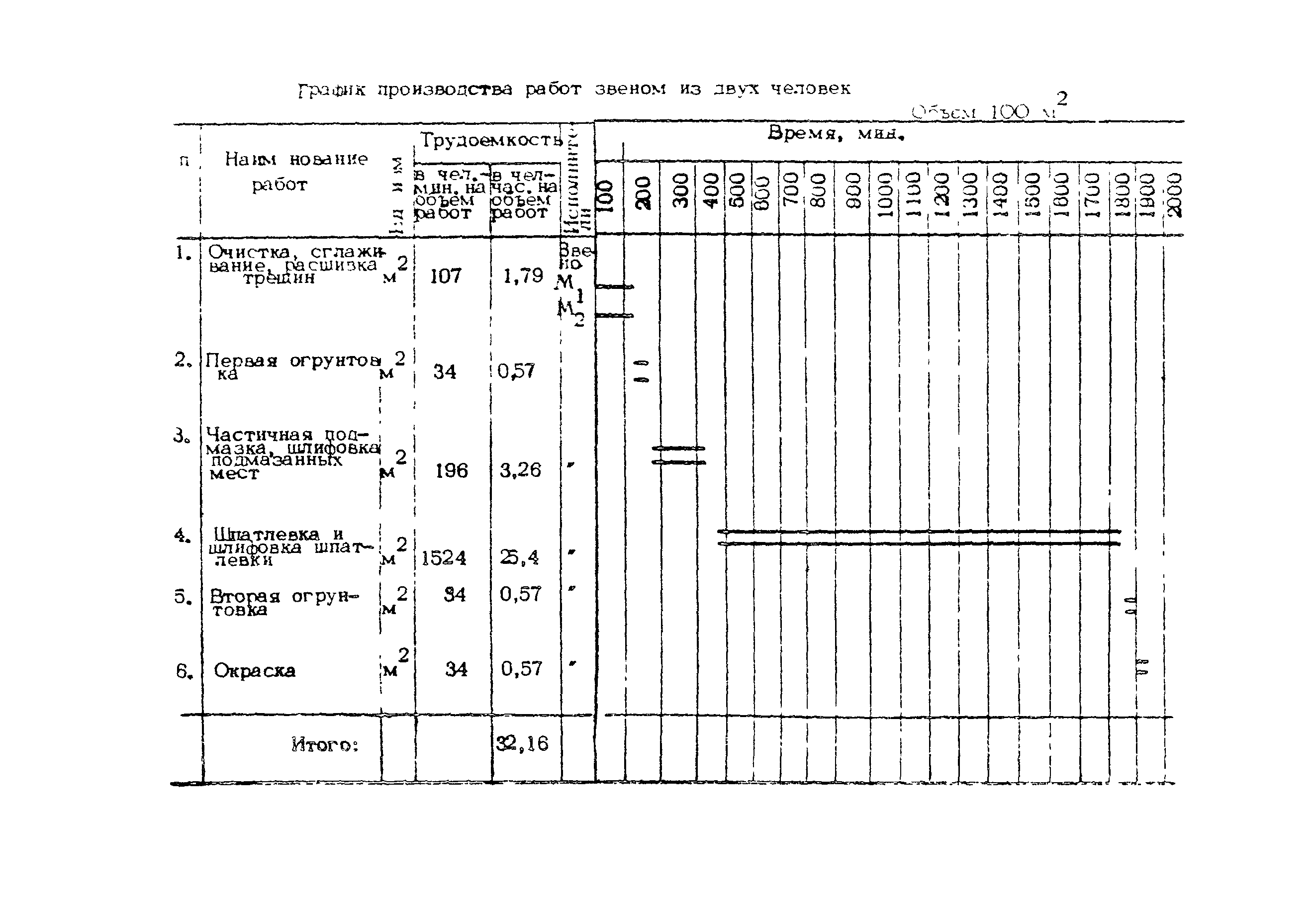
| Область применения: | Технологическая карта разработана на клеевую окраску стен и потолков, применяемую при отделке жилых, гражданских и промышленных зданий и сооружений. |
| Оглавление: | 1 Область применения 2 Организация и технология строительного процесса 3 Технико-экономические показатели 4 Материально-технические ресурсы |
| Разработан: | Трест Мосоргстрой |
| Утверждён: | 01.01.1983 Трест Мосоргстрой Главмосстроя |
| Принят: | Главмосстрой (Glavmosstroy ) |
| Издан: | Мосоргстрой (1983 г. ) |
| Нормативные ссылки: |




















