Скачать РСТ РСФСР 393-90 Изделия текстильно-галантерейной промышленности. Лоскут мерный и весовой

Дата актуализации: 01.01.2021

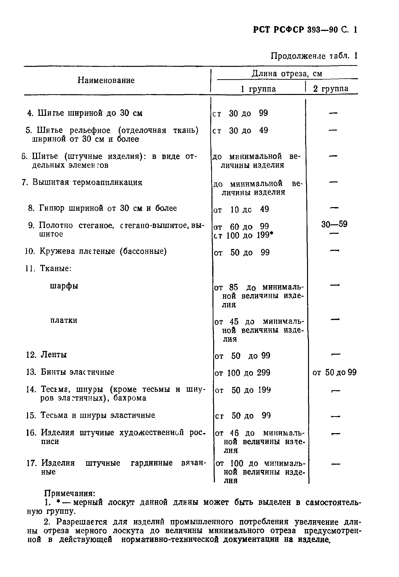
РСТ РСФСР 393-90

Изделия текстильно-галантерейной промышленности. Лоскут мерный и весовой

Обозначение: РСТ РСФСР 393-90
Обозначение англ: RST RSFSR 393-90
Статус:действует
Название рус.:Изделия текстильно-галантерейной промышленности. Лоскут мерный и весовой
Дата добавления в базу:01.09.2013
Дата актуализации:01.01.2021
Дата введения:01.10.1991
Область применения:Стандарт распространяется на лоскут мерный и весовой изделий текстильно-галантерейной промышленности. В розничную торговую сеть весовой лоскут не поставляется.
Оглавление:1. Технические условия
2. Транспортирование и хранение
Разработан: Минтекстильпром РСФСР
Утверждён:19.10.1990 Госплан РСФСР (Russian Federation Gosplan 43)
Издан: Типография госкомэкономики РСФСР (1991 г. )
Заменяет собой:
  • РСТ РСФСР 393-80 «Изделия текстильно-галантерейной промышленности. Лоскут мерный и весовой»
РСТ РСФСР 393-90РСТ РСФСР 393-90РСТ РСФСР 393-90РСТ РСФСР 393-90РСТ РСФСР 393-90РСТ РСФСР 393-90РСТ РСФСР 393-90РСТ РСФСР 393-90