Скачать СО 34.48.524 Методические указания по проверке аппаратуры телемеханики ТМ-512 при новом включенииДата актуализации: 01.01.2021
|
| Обозначение: | СО 34.48.524 |
| Обозначение англ: | SO 34.48.524 |
| Статус: | действует |
| Название рус.: | Методические указания по проверке аппаратуры телемеханики ТМ-512 при новом включении |
| Дата добавления в базу: | 01.09.2013 |
| Дата актуализации: | 01.01.2021 |
| Дата введения: | 13.05.1983 |
| Область применения: | Указания содержат сведения об объеме и методике выполнения работ при вводе в эксплуатацию аппаратуры ТМ-512, а также рекомендации по модернизации отдельных узлов, повышающей надежность и удобство эксплуатации. Предназначены для инженерно-технических работников, занимающихся техническим обслуживанием аппаратуры телемеханики ТМ-512. |
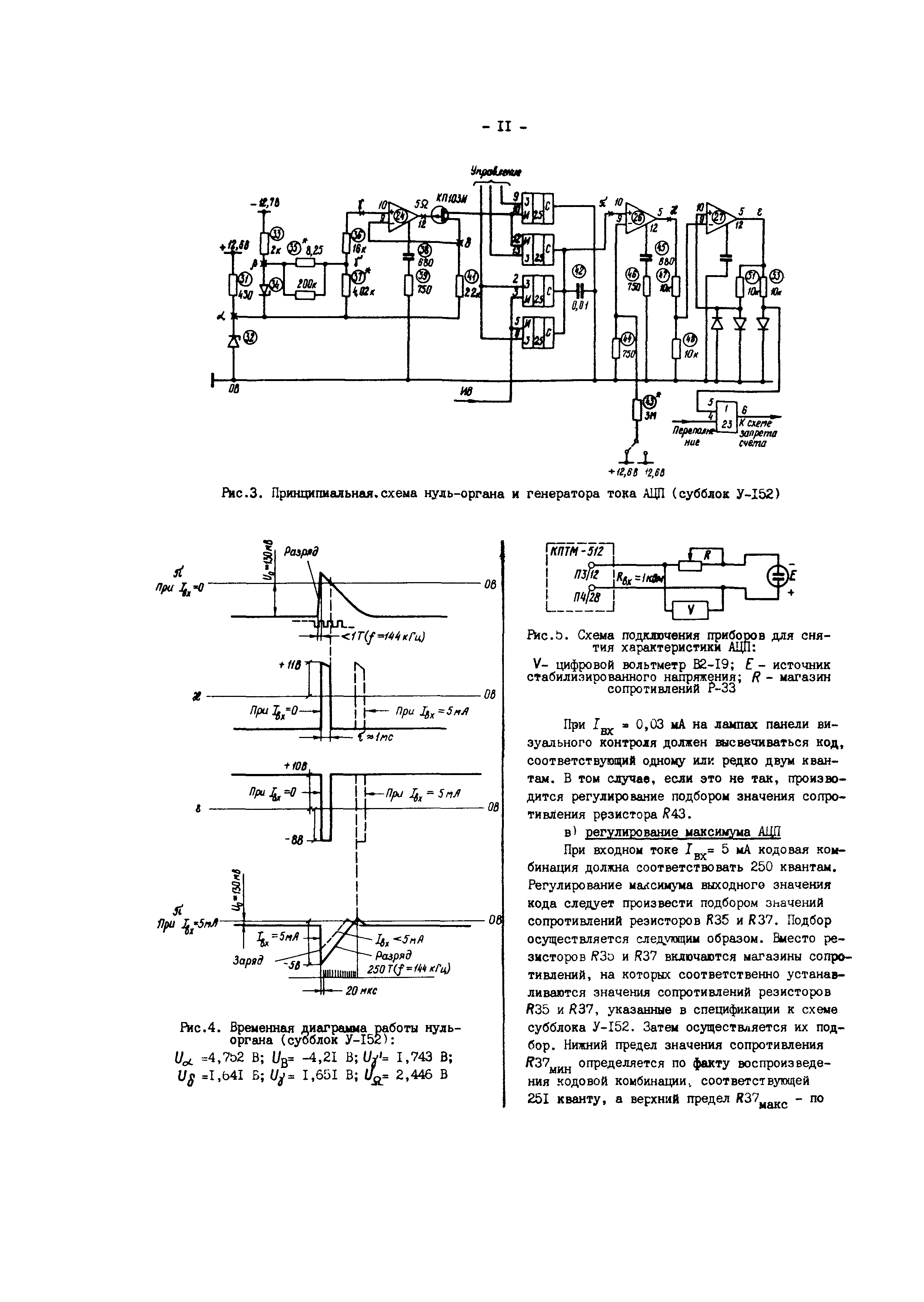
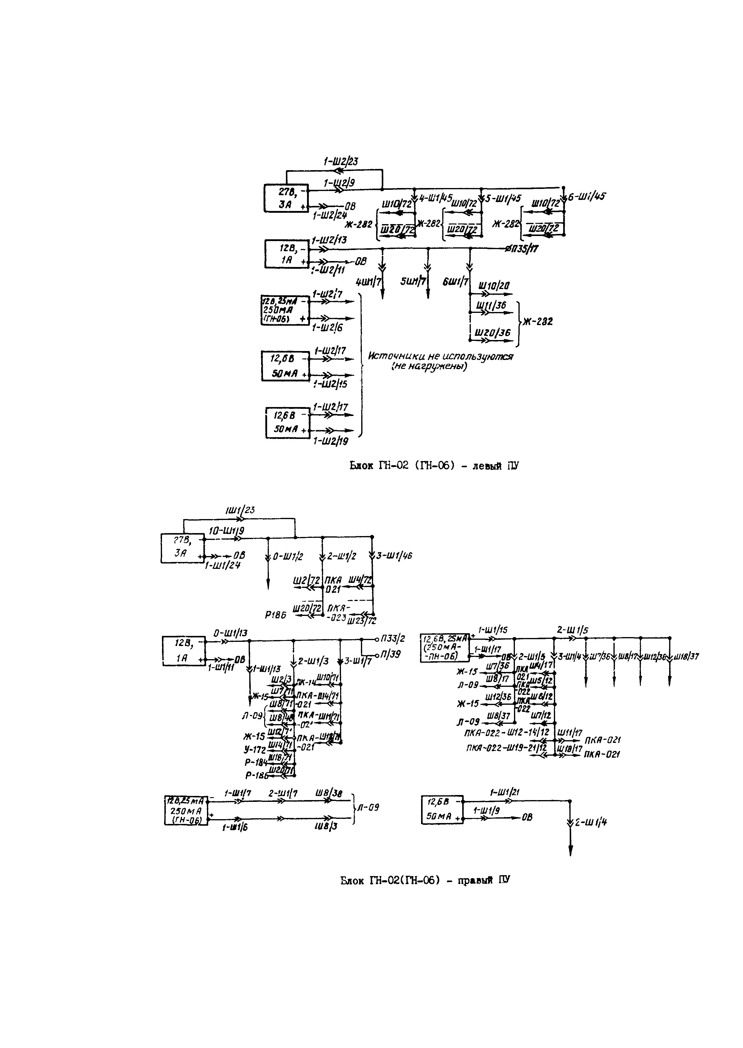
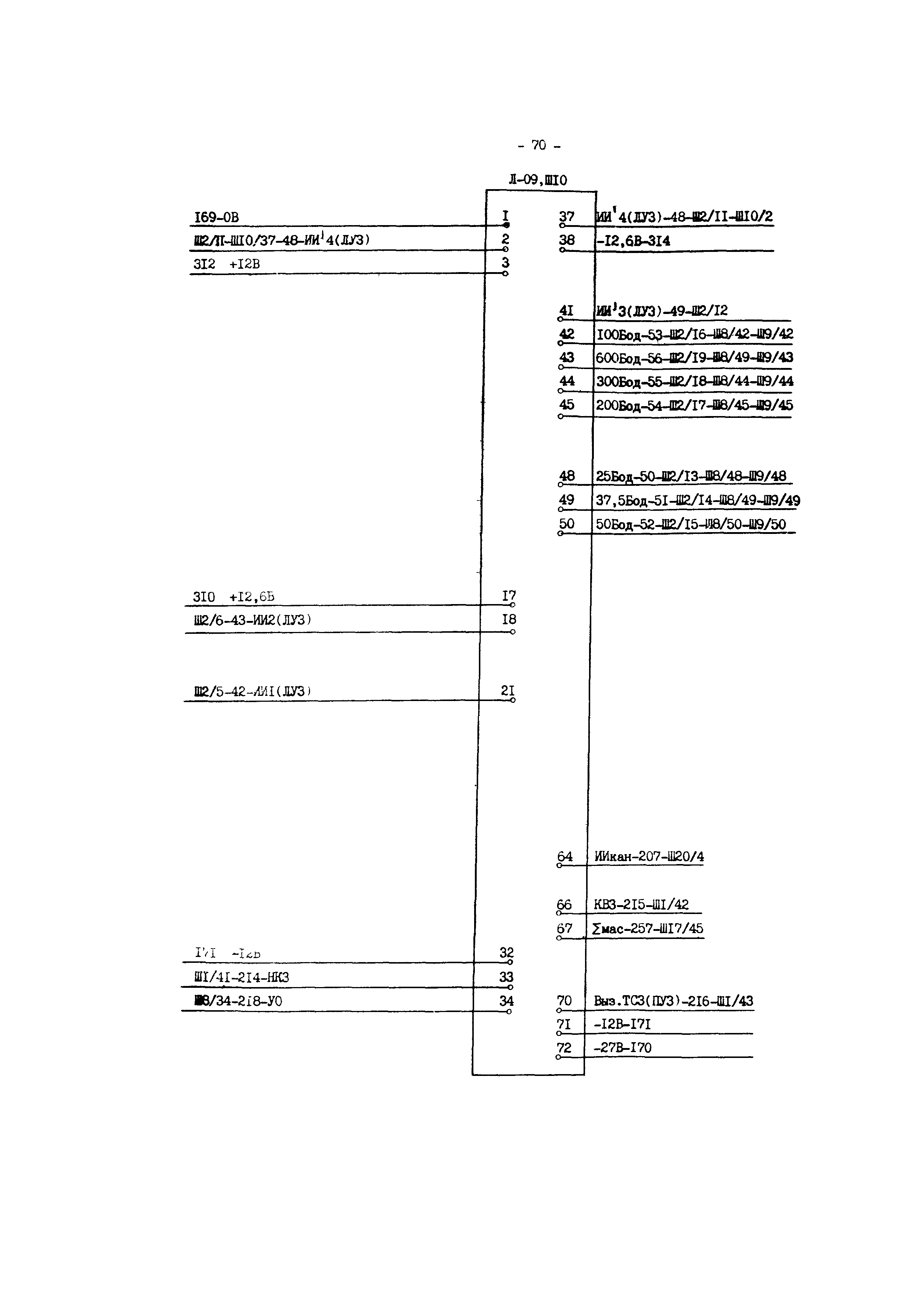
| Оглавление: | Введение 1 Краткое описание аппаратуры 2 Подготовительные работы 3 Меры безопасности 4 Внешний осмотр и установка режимов работы аппаратуры 5 Проверка изоляции внутреннего монтажа 6 Провекра блоков питания 7 Проверка работы аппарата КП 8 Проверка работы аппарата ПУ 9 Комплексная проверка аппаратуры в нормальных условиях 10 Проверка внешних цепей аппаратов КП и ПУ 11 Проверка цепей стыковки аппарата ПУ с ЭВМ 12 Проверка действия защитных и сигнальных узлов аппаратуры в аварийных режимах 13 Проверка функций аппаратов КП и ПУ при изменении напряжения питания 14 Окончательная проверка всех функций аппаратуры 15 Составление исполнительной технической документации Приложение 1 Правила пользования контрольными панелями аппаратов КП и ПУ Приложение 2 Расширение возможностей схемы визуального контроля аппарата КП Приложение 3 Работа аппаратуры на разных скоростях передачи информации в прямом (ПКС) и обратном (ОКС) каналах связи Приложение 4 Реконструкция субблоков Р183, Р185, Р186 для обеспечения возможности сопряжения аппаратуры ТМ-512 с ЭВМ Приложение 5 Таблицы внешних соединений интерфейсной карты (субблок Р186) блока режимов аппарата ПУ и реконструированной платы Ж-282 для связи с ЭВМ Приложение 6 Протокол проверки аппаратуры ТМ-512 при новом включении Приложение 7 Режимы функциональных узлов аппарата КП Приложение 8 Режимы функциональных узлов аппарата ПУ Приложение 9 Рекомендации по повышению надежности функционирования аппарата ПУ Приложение 10 Мероприятия, необходимые для организации ретрансляции информации Приложение 11 Указания по работе с микросхемами на основе МОП-транзисторов Приложение 12 Разводка цепей питания аппаратов КП и ПУ Приложение 13 Электрические соединения блока режимов аппарата КП Приложение 14 Электрические соединения блока режимов аппарата ПУ |
| Разработан: | ПО Союзтехэнерго |
| Утверждён: | 13.05.1983 ПО Союзтехэнерго |
| Издан: | СПО Союзтехэнерго (1983 г. ) |






























































































