Скачать РД 50-521-84 Методические указания. Определение экономической эффективности стандартов с перспективными требованиями на группы однородной продукцииДата актуализации: 01.01.2021
|
| Обозначение: | РД 50-521-84 |
| Обозначение англ: | RD 50-521-84 |
| Статус: | отменен |
| Название рус.: | Методические указания. Определение экономической эффективности стандартов с перспективными требованиями на группы однородной продукции |
| Дата добавления в базу: | 12.02.2016 |
| Дата актуализации: | 01.01.2021 |
| Дата введения: | 01.07.1985 |
| Дата окончания срока действия: | 01.01.1988 |
| Область применения: | Методические указания устанавливают единые методические принципы определения экономической эффективности внедрения стандартов вида общих технических требований, разработанных в составе научно-исследовательских работ по определению перспектив развития групп однородной продукции, определяемых в соответствии с РД 50-435-83. На основе настоящих методических указаний министерства (ведомства) СССР могут разрабатывать отраслевые руководящие документы, регламентирующие методы расчета показателей экономической эффективности внедрения стандартов с перспективными требованиями, учитывающие специфику разработки и применения выпускаемой отраслью продукции. |
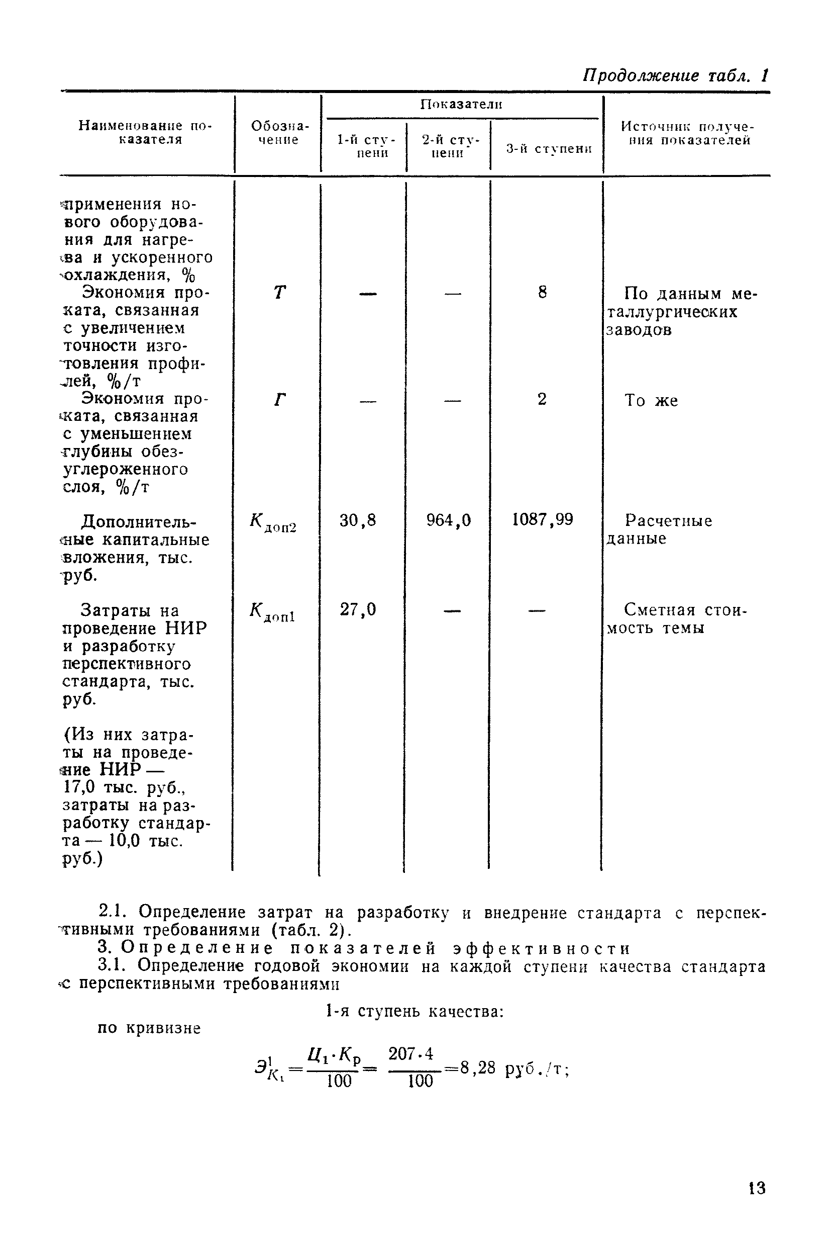
| Оглавление: | 1 Общие положения 2 Принципы определения экономического эффекта Приложение 1 (справочное). Графики зависимости экономии от внедрения стандарта с перспективными требованиями при различных сроках его действия Приложение 2 (справочное). Вывод формулы для расчета экономии от внедрения показателей i-й ступени технического уровня и качества стандарта с перспективными требованиями с учетом фактора времени Приложение 3 (справочное). Пример расчета экономического эффекта от внедрения государственного стандарта "Сталь инструментальная. Общие технические требования" (срок действия равен сроку обновления однородной продукции данной группы) |
| Разработан: | Госстандарт СССР |
| Утверждён: | 19.12.1984 Госстандарт СССР (USSR Gosstandart 4719) |
| Издан: | Издательство стандартов (1985 г. ) |
| Нормативные ссылки: |
|

















