Скачать ГОСТ 3076-55 Канаты стальные. Канат (трос) типа ТК 6 х 17 = 102 проволоки с органическим сердечником. Прядь 1+6+10

Дата актуализации: 01.01.2021

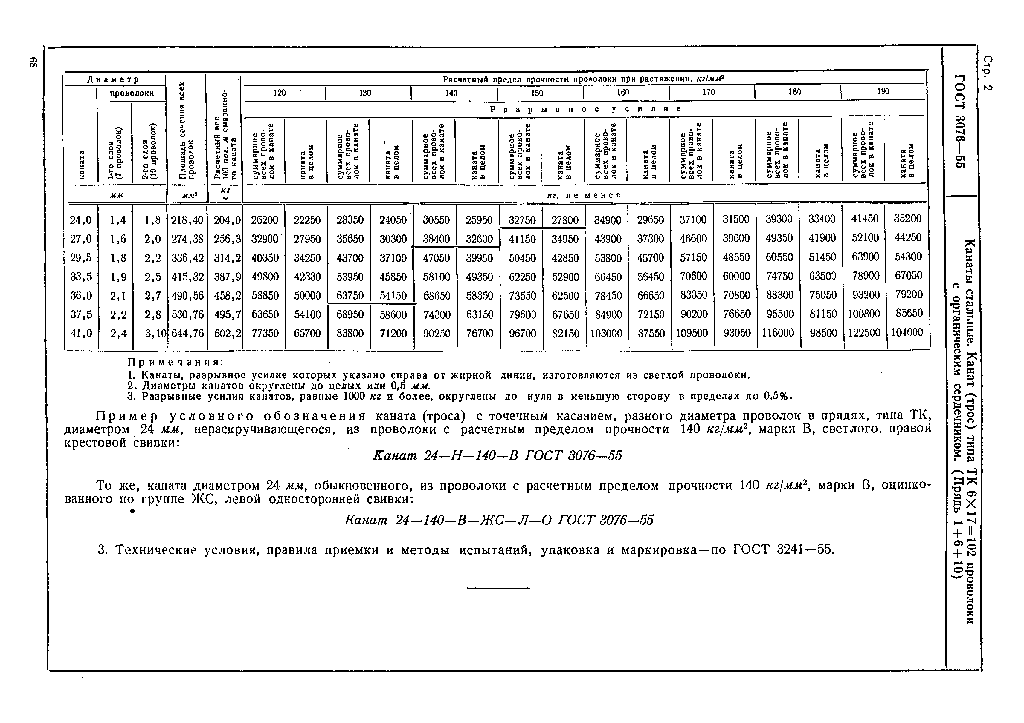
ГОСТ 3076-55

Канаты стальные. Канат (трос) типа ТК 6 х 17 = 102 проволоки с органическим сердечником. Прядь 1+6+10

Обозначение: ГОСТ 3076-55
Обозначение англ: GOST 3076-55
Статус:отменен
Название рус.:Канаты стальные. Канат (трос) типа ТК 6 х 17 = 102 проволоки с органическим сердечником. Прядь 1+6+10
Дата добавления в базу:01.02.2017
Дата актуализации:01.01.2021
Дата введения:01.07.1956
Дата окончания срока действия:01.01.1967
Область применения:Стандарт распространяется на стальные канаты (тросы) с точечным касанием, разного диаметра проволок в прядях, типа ТК, с одним органическим сердечником.
Разработан: Министерство черной металлургии СССР
Утверждён:10.10.1955 Комитет стандартов, мер и измерительных приборов при Совете Министров Союза ССР
Издан: Издательство стандартов (1956 г. )
Заменяет собой:
  • ГОСТ 3076-46 «Канаты стальные. Канат (трос) компаунд 6 х 17 = 102 проволоки и 1 органический сердечник» (Сведения из перечня "Указатель государственных общесоюзных стандартов 1965 г.", Издательство стандартов 1965)
Нормативные ссылки:
ГОСТ 3076-55ГОСТ 3076-55