Скачать ГОСТ 14631-69 Мойки стальные эмалированныеДата актуализации: 01.01.2021
|
| Обозначение: | ГОСТ 14631-69 |
| Обозначение англ: | GOST 14631-69 |
| Статус: | заменен |
| Название рус.: | Мойки стальные эмалированные |
| Название англ.: | Enamelled stell sinks |
| Дата добавления в базу: | 01.01.2018 |
| Дата актуализации: | 01.01.2021 |
| Дата введения: | 01.10.1969 |
| Дата окончания срока действия: | 01.01.1982 |
| Область применения: | Стандарт распространяется на стальные эмалированные мойки, предназначаемые для оборудования кухонь жилых зданий. |
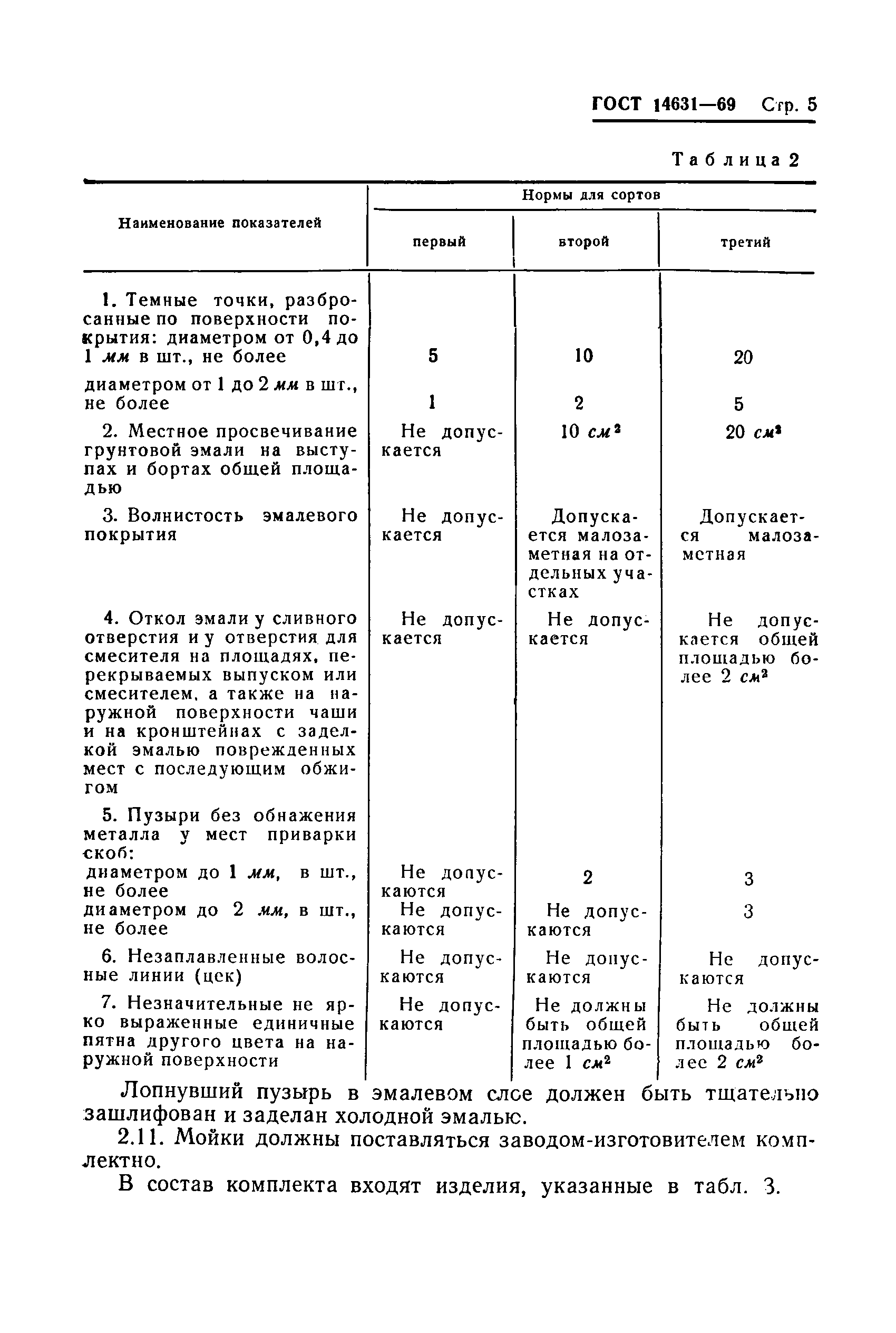
| Оглавление: | 1. Типы и основные размеры 2. Технические требования 3. Методы испытаний 4. Маркировка, упаковка, транспортирование и хранение |
| Разработан: | Научно-исследовательский институт санитарной техники Министерства промышленности строительных материалов СССР |
| Утверждён: | 10.04.1969 Государственный комитет Совета Министров СССР по делам строительства (42) |
| Издан: | Издательство стандартов (1970 г. ) |
| Нормативные ссылки: |











