Скачать ГОСТ 18472-73 Приборы полупроводниковые. Корпуса. Габаритные и присоединительные размеры

Дата актуализации: 01.01.2021

ГОСТ 18472-73

Приборы полупроводниковые. Корпуса. Габаритные и присоединительные размеры

Обозначение: ГОСТ 18472-73
Обозначение англ: GOST 18472-73
Статус:действует
Название рус.:Приборы полупроводниковые. Корпуса. Габаритные и присоединительные размеры
Название англ.:Semiconductor devices. Cases. Overall and connecting dimensions
Дата добавления в базу:01.01.2018
Дата актуализации:01.01.2021
Дата введения:01.07.1974
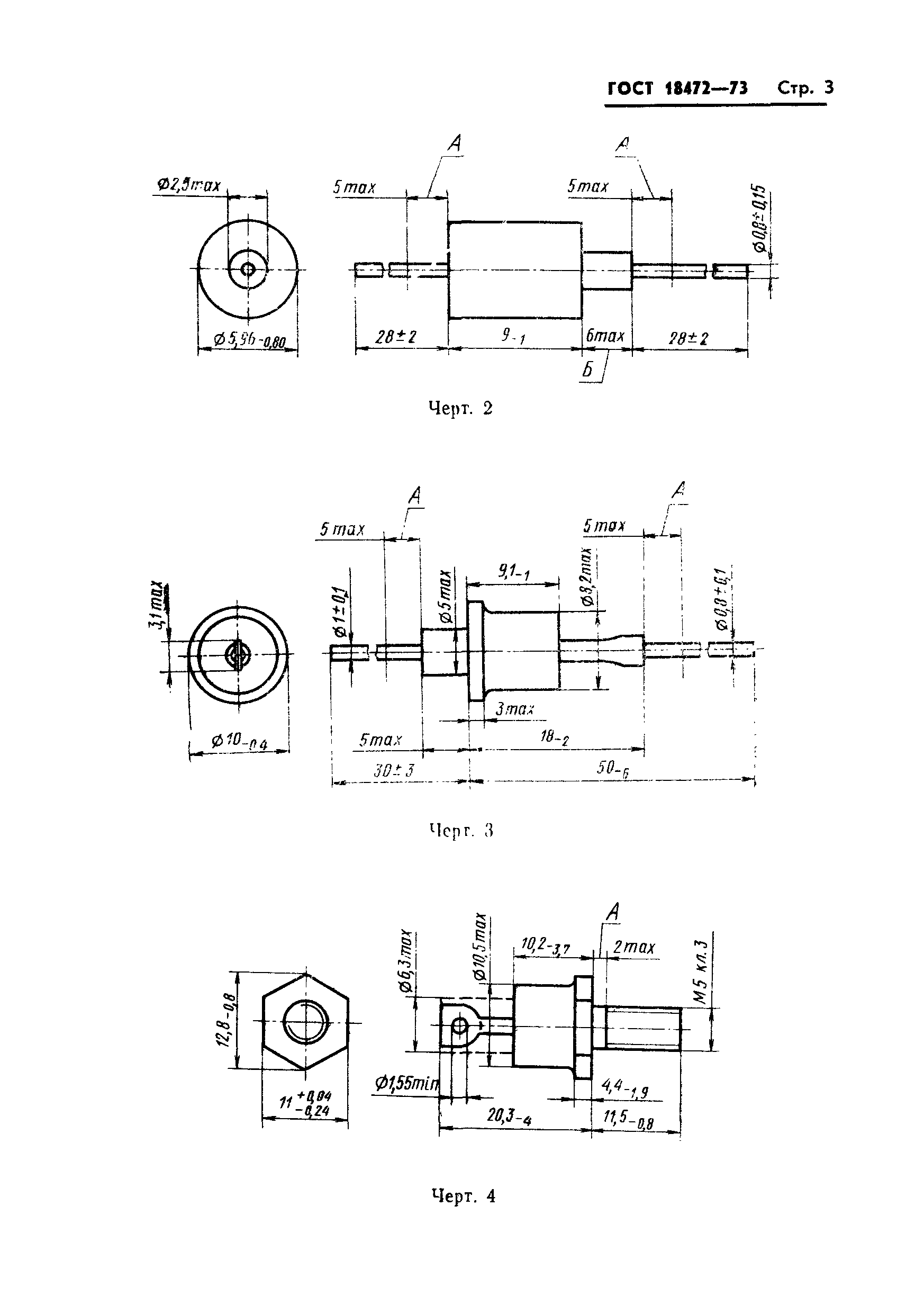
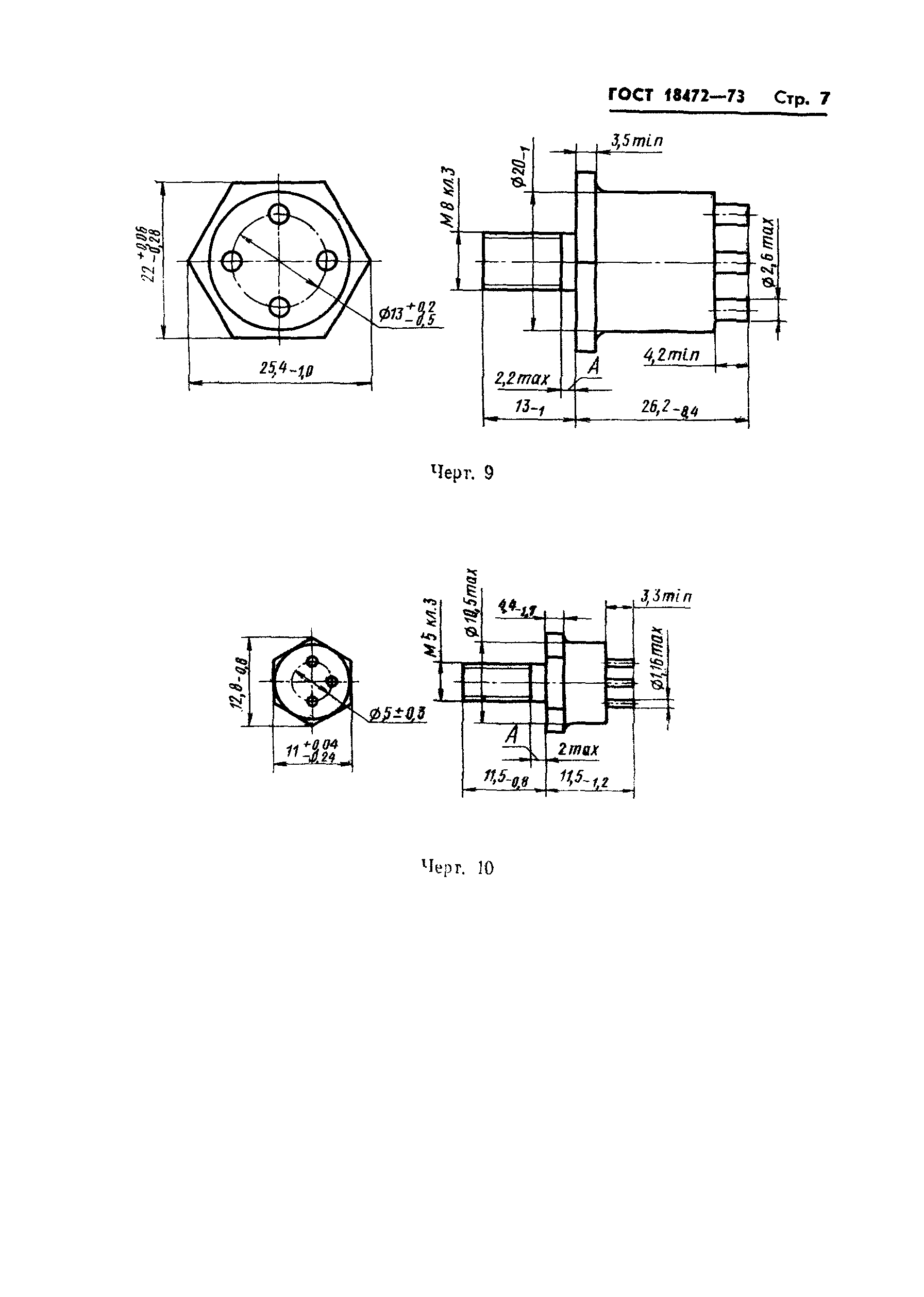
Область применения:Стандарт распространяется на корпуса вновь разрабатываемые полупроводниковых приборов и устанавливает их габаритные и присоединительные размеры.
Утверждён:23.04.1973 Государственный комитет стандартов Совета Министров СССР (USSR National Committee on Standards at the Cabinet of Ministers 997)
Издан: Издательство стандартов (1973 г. )
ГОСТ 18472-73ГОСТ 18472-73ГОСТ 18472-73ГОСТ 18472-73ГОСТ 18472-73ГОСТ 18472-73ГОСТ 18472-73ГОСТ 18472-73ГОСТ 18472-73