Скачать ОСТ 45.85-96 Стеллажи деревянные и металлические для аккумуляторов предприятий связи. Основные требования

Дата актуализации: 01.01.2021

ОСТ 45.85-96

Стеллажи деревянные и металлические для аккумуляторов предприятий связи. Основные требования

Обозначение: ОСТ 45.85-96
Обозначение англ: OST 45.85-96
Статус:не определен законодательством
Название рус.:Стеллажи деревянные и металлические для аккумуляторов предприятий связи. Основные требования
Дата добавления в базу:01.09.2013
Дата актуализации:01.01.2021
Дата введения:01.01.1997
Дата окончания срока действия:30.06.2003
Область применения:Стандарт распространяется на стеллажи деревянные и металлические, предназначенные для стационарной установки свинцово-кислотных аккумуляторов по ГОСТ 26881 и щелочных аккумуляторных батарей по ГОСТ 27174, применяемых на предприятиях связи, и устанавливает основные требования к их изготовлению.
Оглавление:1 Область применения
2 Нормативные ссылки
3 Типы и основные требования
4 Технические требования
5 Комплектность
6 Правила приемки и методы контроля
7 Маркировка. Упаковка. Транспортировка и хранение
8 Указание по сборке и установке стеллажей
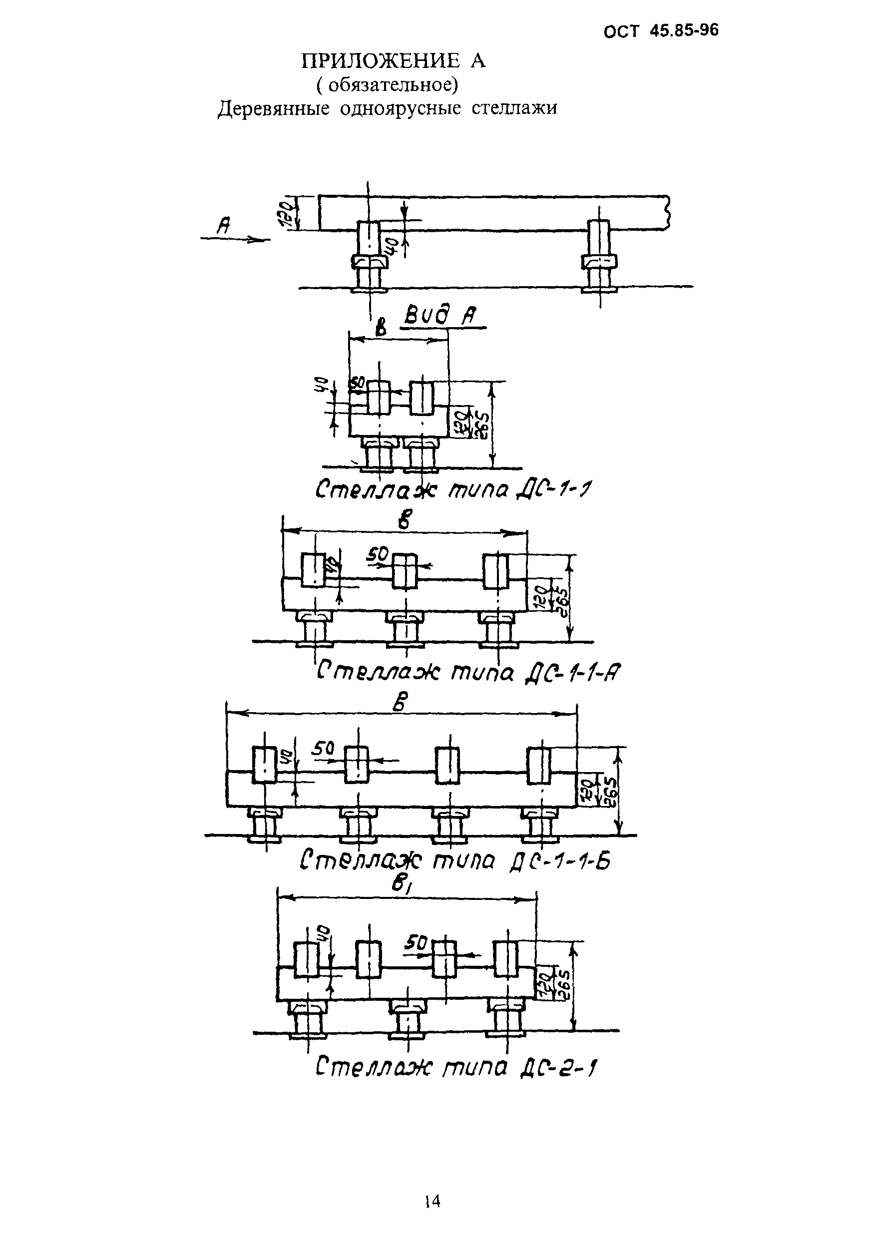
9 Приложение А. Деревянные одноярусные стеллажи
10 Приложения Б-В. Деревянные двухъярусные стеллажи
11 Приложение Г. Металлические одноярусные стеллажи
12 Приложения Д-Е. Металлические двухъярусные стеллажи
13 Приложения Ж-И. Деревянные и металлические стеллажи Х-Ц для аккумуляторов типа СК-1 - СК-16
14 Приложения К-Н. Деревянные и металлические стеллажи Ш-Ю для аккумуляторов типа СК-18 - СК-148
15 Приложения П-С, Деревянные и металлические стеллажи Я-2 для аккумуляторов типа СКЭ-16 - СКЭ-76
16 Приложения Т-Ф. Деревянные и металлические стеллажи 3-4 для аккумуляторов типа СК-1 - СК-5 при двухъярусном расположении аккумуляторов
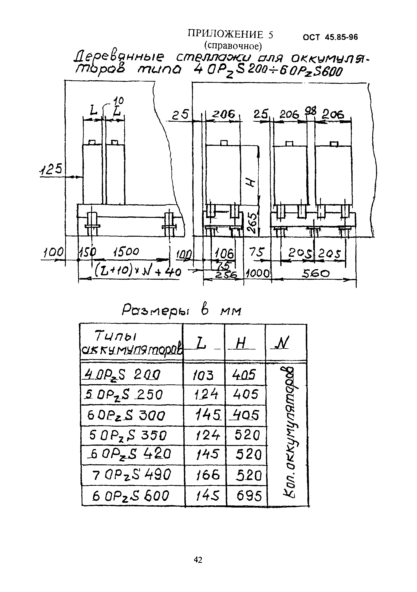
17 Приложения 5-7. Деревянные стеллажи для аккумуляторов типа ОРzS
18 Приложения 8-10. Металлические стеллажи для аккумуляторов типа OPzS
19 Приложение 11. Библиография
Разработан: Государственный институт по изысканиям и проектированию сооружений связи
Утверждён:25.10.1996 Минсвязи России (Russian Federation Minsvyazi 5051)
Издан: ЦНТИ Информсвязь (1998 г. )
Заменяет собой:
  • ТУ 45-87 4ДО.610.236
Нормативные ссылки:
ОСТ 45.85-96ОСТ 45.85-96ОСТ 45.85-96ОСТ 45.85-96ОСТ 45.85-96ОСТ 45.85-96ОСТ 45.85-96ОСТ 45.85-96ОСТ 45.85-96ОСТ 45.85-96ОСТ 45.85-96ОСТ 45.85-96ОСТ 45.85-96ОСТ 45.85-96ОСТ 45.85-96ОСТ 45.85-96ОСТ 45.85-96ОСТ 45.85-96ОСТ 45.85-96ОСТ 45.85-96ОСТ 45.85-96ОСТ 45.85-96ОСТ 45.85-96ОСТ 45.85-96ОСТ 45.85-96ОСТ 45.85-96ОСТ 45.85-96ОСТ 45.85-96ОСТ 45.85-96ОСТ 45.85-96ОСТ 45.85-96ОСТ 45.85-96ОСТ 45.85-96ОСТ 45.85-96ОСТ 45.85-96ОСТ 45.85-96ОСТ 45.85-96ОСТ 45.85-96ОСТ 45.85-96ОСТ 45.85-96ОСТ 45.85-96ОСТ 45.85-96ОСТ 45.85-96ОСТ 45.85-96ОСТ 45.85-96ОСТ 45.85-96ОСТ 45.85-96ОСТ 45.85-96ОСТ 45.85-96ОСТ 45.85-96ОСТ 45.85-96ОСТ 45.85-96ОСТ 45.85-96ОСТ 45.85-96ОСТ 45.85-96ОСТ 45.85-96ОСТ 45.85-96ОСТ 45.85-96