Скачать Технологическая карта Технологическая карта монтажа вентильных разрядников типа РВМК напряжением 330-750 кВДата актуализации: 01.01.2021
|
| Обозначение: | Технологическая карта |
| Статус: | не установлен срок действия |
| Название рус.: | Технологическая карта монтажа вентильных разрядников типа РВМК напряжением 330-750 кВ |
| Дата добавления в базу: | 01.09.2013 |
| Дата актуализации: | 01.01.2021 |
| Дата введения: | 23.10.1989 |
| Область применения: | Карта предназначена для использования при монтаже разрядников на открытых распределительных устройствах, при составлении проектов организации строительства и проектов производства электромонтажных работ. |
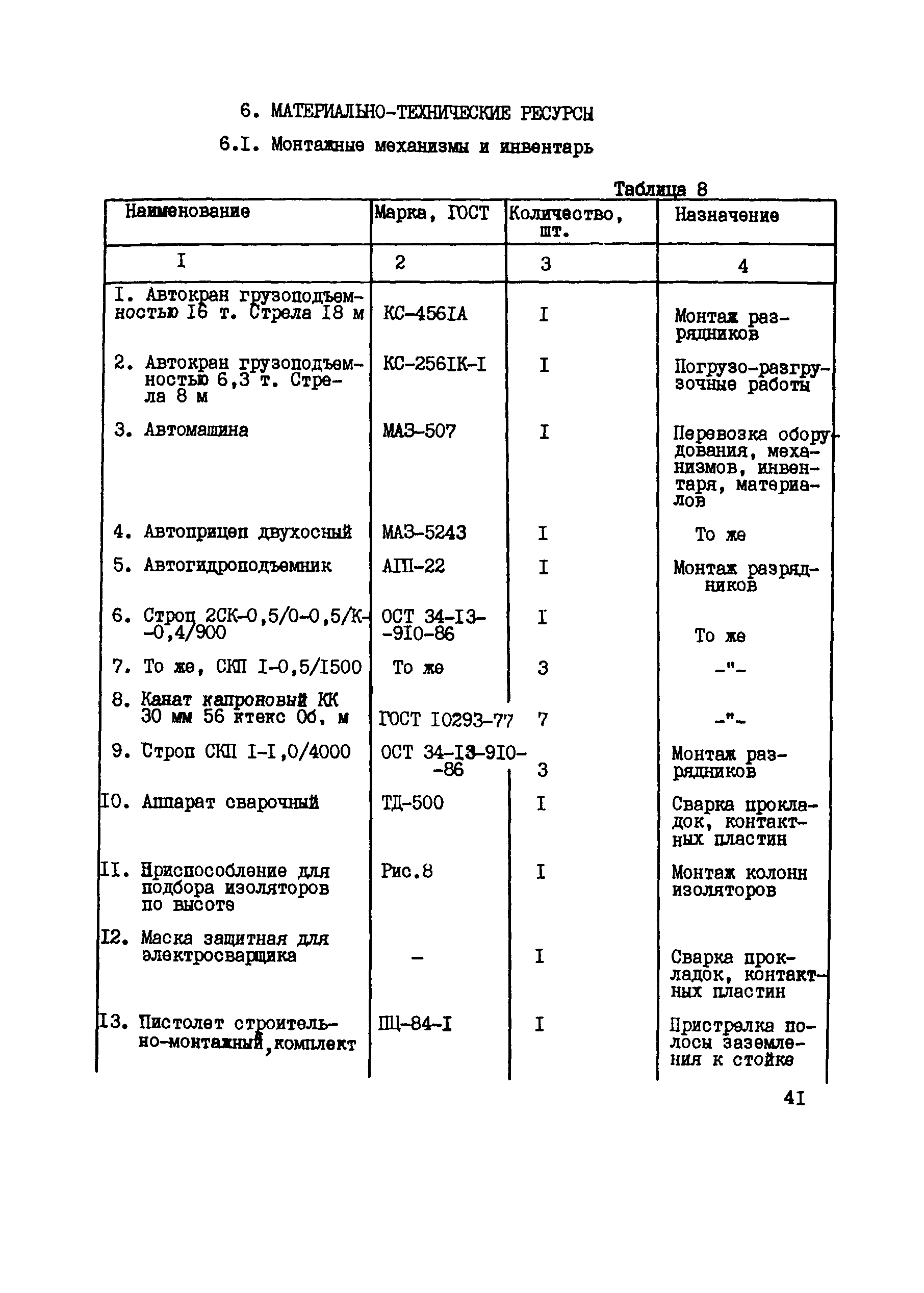
| Оглавление: | 1 Область применения 2 Организация и технология выполнения работ 3 Требования к качеству и приемке работ 4 Калькуляции затрат труда, машинного времени, заработной платы 5 Графики производства работ 6 Материально-технические ресурсы 7 Техника безопасности 8 Технико-экономические показатели Приложение 1 Перечень техзнической и нормативной документации, используемой при монтаже Приложение 2 Перечень приемо-сдаточной документации Приложение 3 Краткая техническая характеристика разрядников (одна фаза) Приложение 4 Масса узлов разрядников |
| Разработан: | Оргэнергострой |
| Утверждён: | 23.10.1989 ССО Электромонтаж |
| Издан: | Информэнерго (1990 г. ) |






















































