Скачать Технологическая карта 5 Нарезка температурных швов в затвердевшем цементобетонном покрытии нарезчиком с алмазными дискамиДата актуализации: 01.01.2021
|
| Обозначение: | Технологическая карта 5 |
| Обозначение англ: | 5 |
| Статус: | не установлен срок действия |
| Название рус.: | Нарезка температурных швов в затвердевшем цементобетонном покрытии нарезчиком с алмазными дисками |
| Дата добавления в базу: | 01.09.2013 |
| Дата актуализации: | 01.01.2021 |
| Дата введения: | 31.10.1977 |
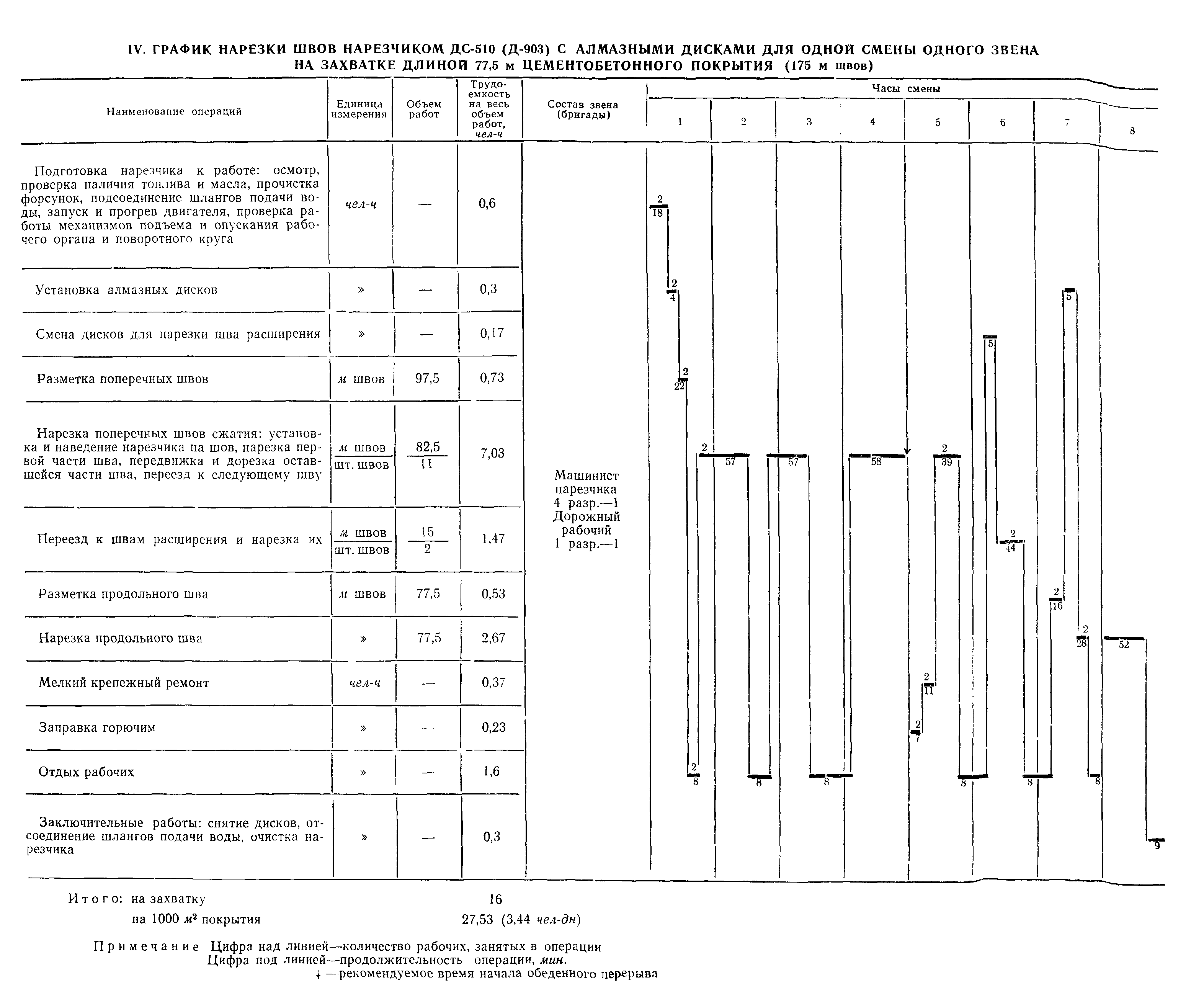
| Область применения: | Карта предусматривает нарезку продольных и поперечных швов в цементобетонном покрытии нарезчиком с алмазными дисками ДС-510 (Д-903) и установкой с длвумя модернизированными нарезчиками КРНША. |
| Оглавление: | I Область применения II Указания по технологии производственного процесса III Указания по организации труда IV График нарезки швов нарезчиком ДС-510 (Д-903) с алмазными дисками для одной смены одного звена на захватке длиной 77,5 м цементобетонного покрытия (175 м швов) V Калькуляция затрат труда на нарезку температурных швов алмазными дисками нарезчиком ДС-510 на сменной захватке длиной 77,5 м цементобетонного покрытия или 175 м швов VI Основные технико-экономические показатели VII Материально-технические ресурсы |
| Разработан: | Оргтрансстрой |
| Утверждён: | 31.10.1977 Оргтрансстрой |
| Издан: | Оргтрансстрой (1977 г. ) |
| Нормативные ссылки: |


















