Скачать Серия 2.440-2 Выпуск 5. Узлы крепления коммуникацийДата актуализации: 01.01.2021
|
| Обозначение: | Серия 2.440-2 |
| Обозначение англ: | Series 2.440-2 |
| Статус: | справочные материалы, мп, тпр |
| Название рус.: | Выпуск 5. Узлы крепления коммуникаций |
| Дата добавления в базу: | 01.09.2013 |
| Дата актуализации: | 01.01.2021 |
| Дата введения: | 01.08.1989 |
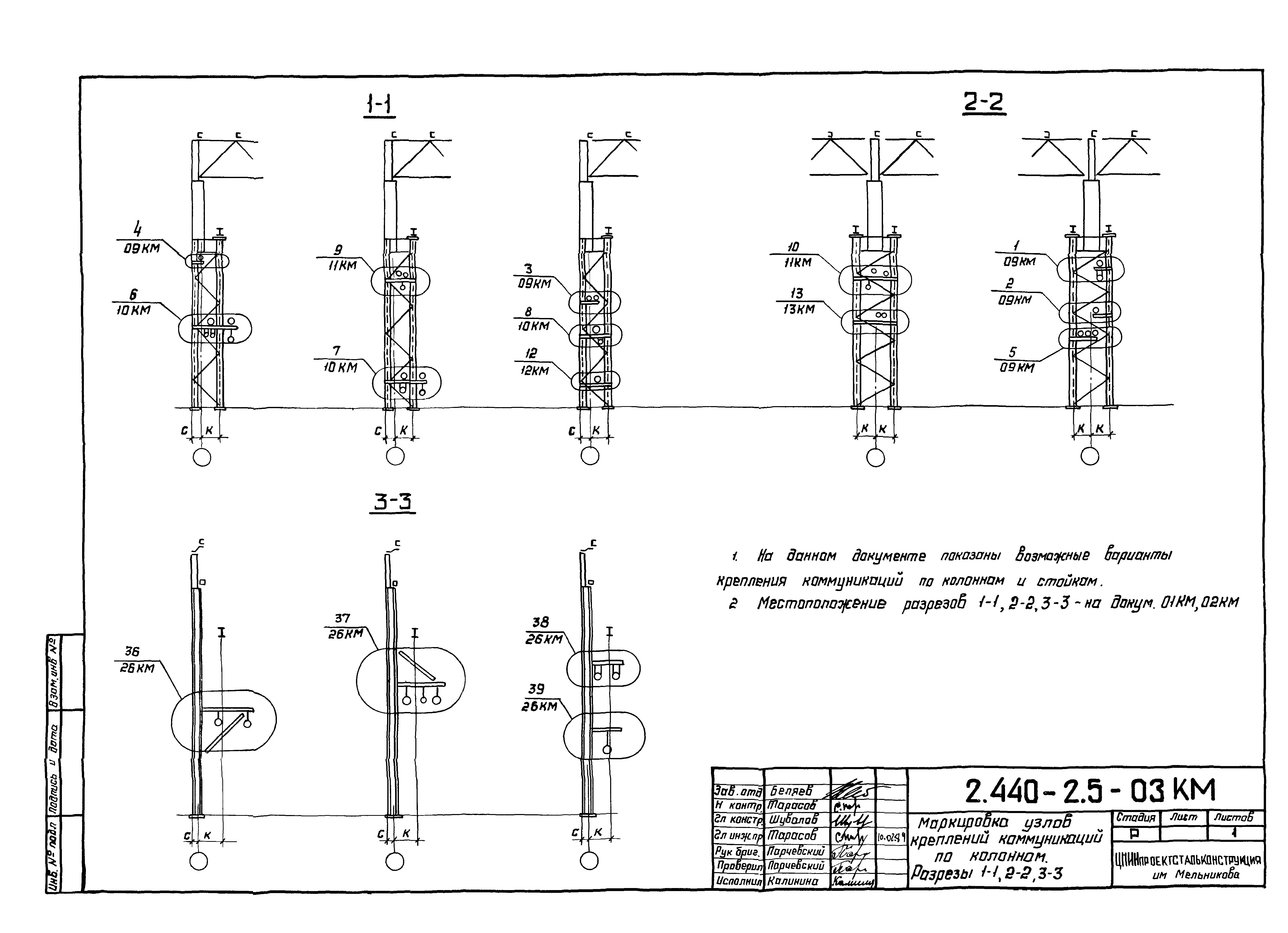
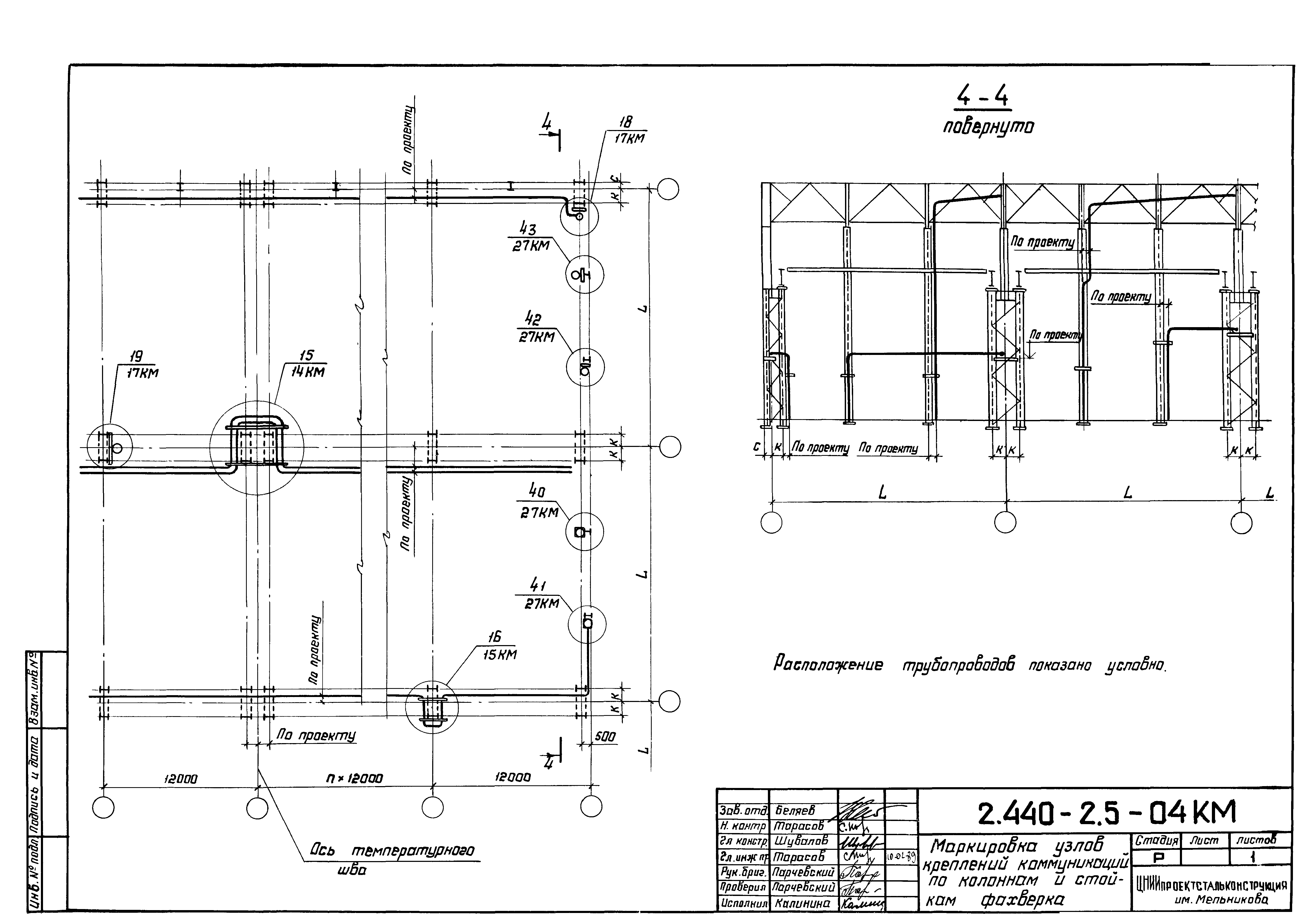
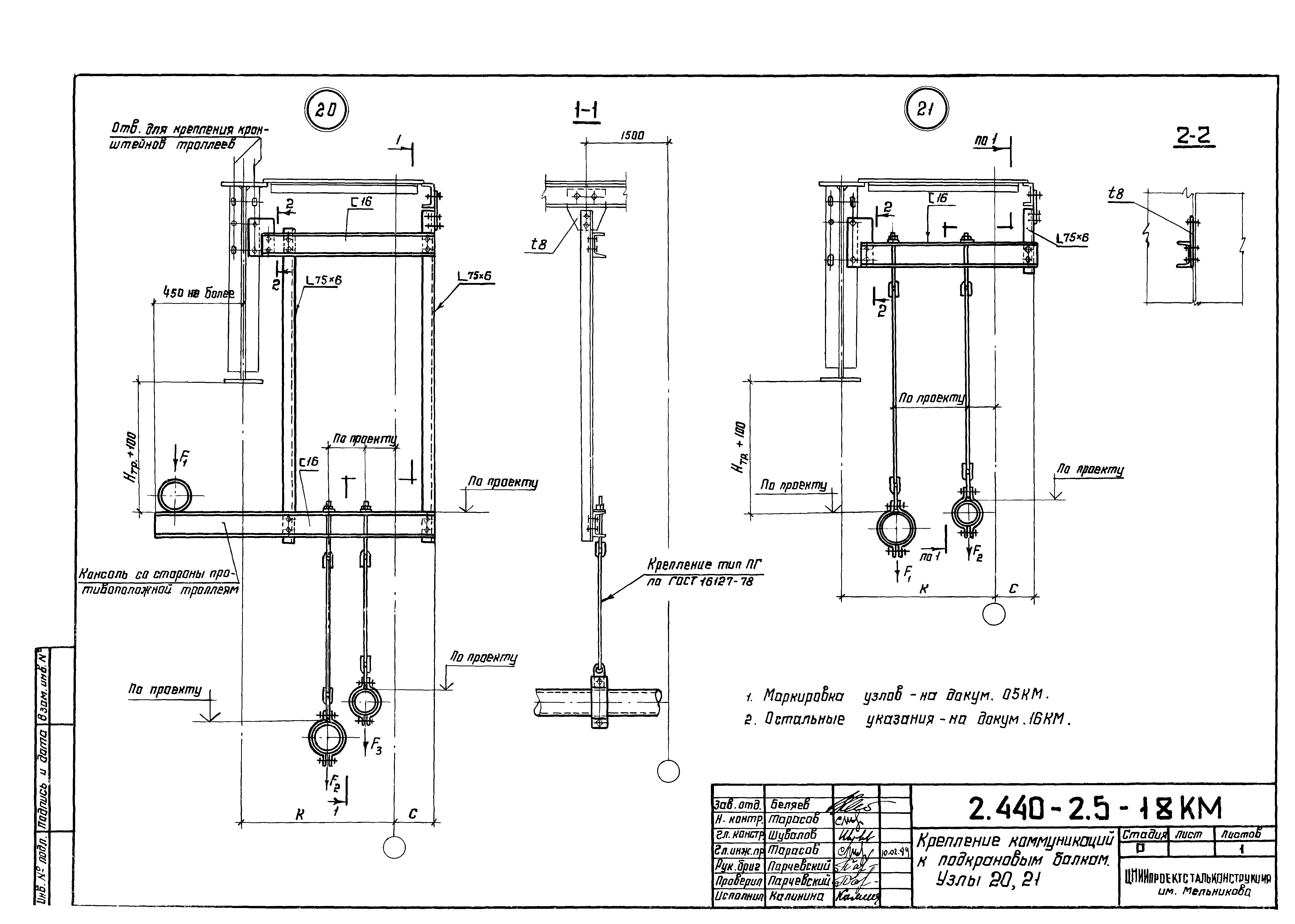
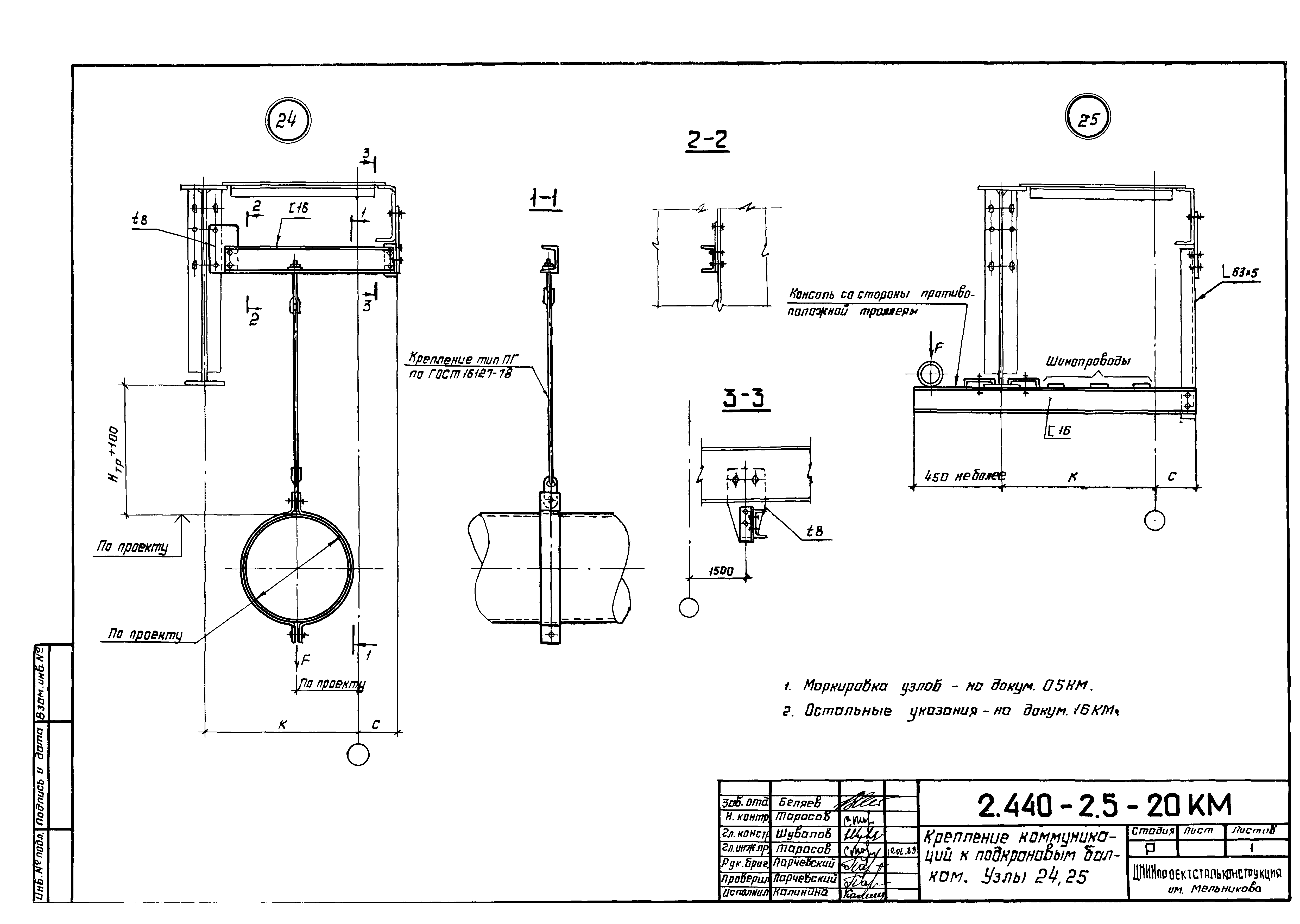
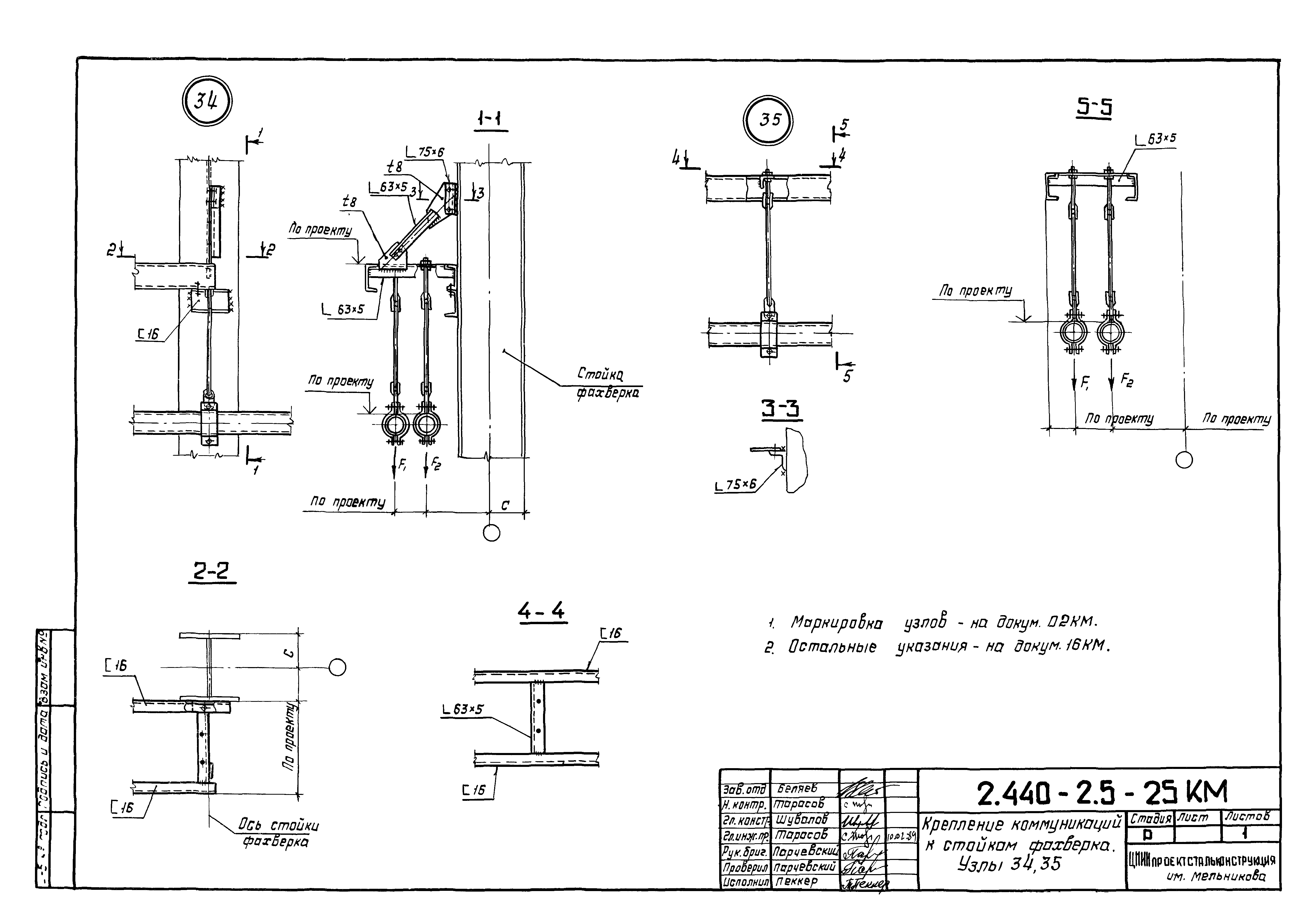
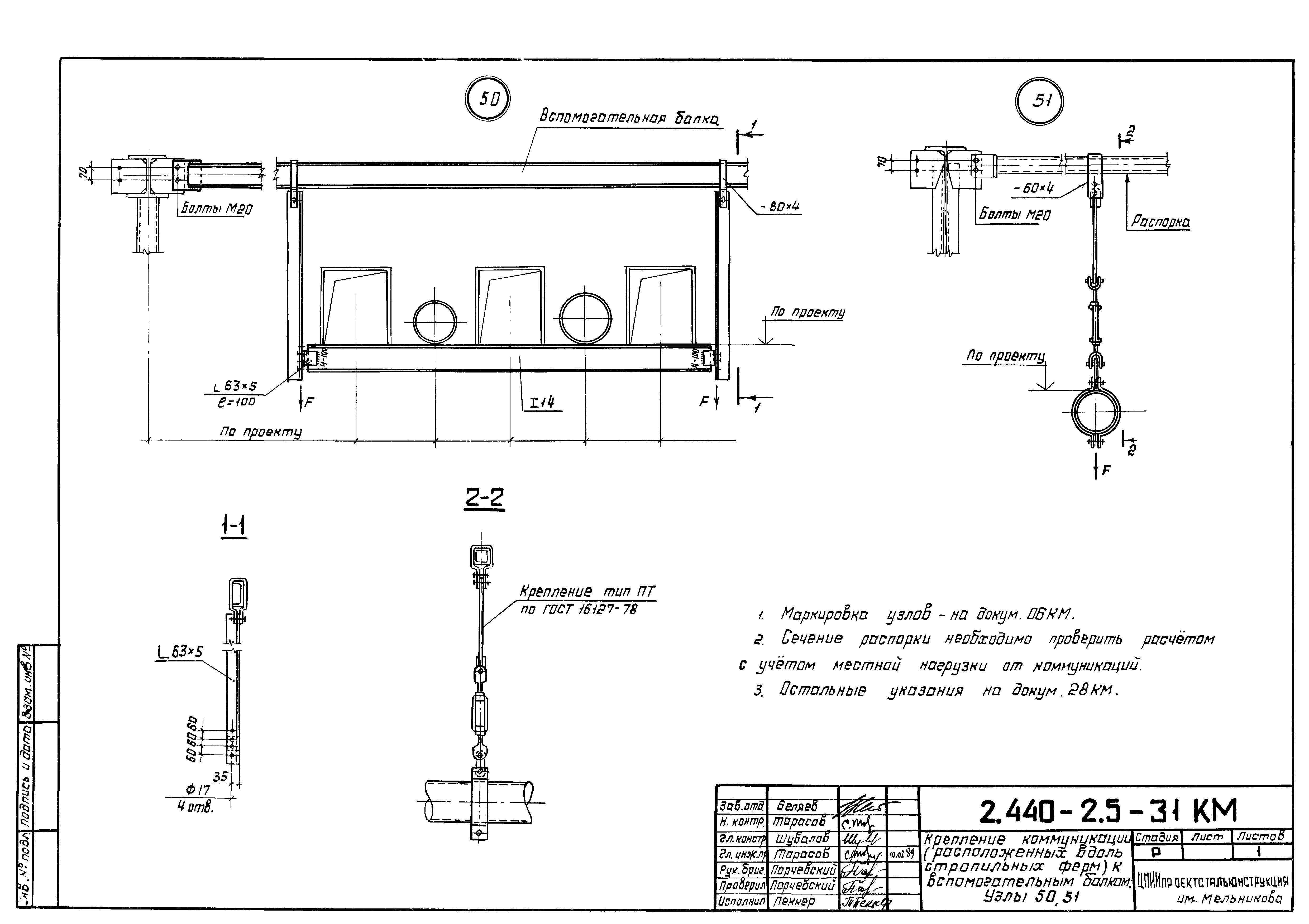
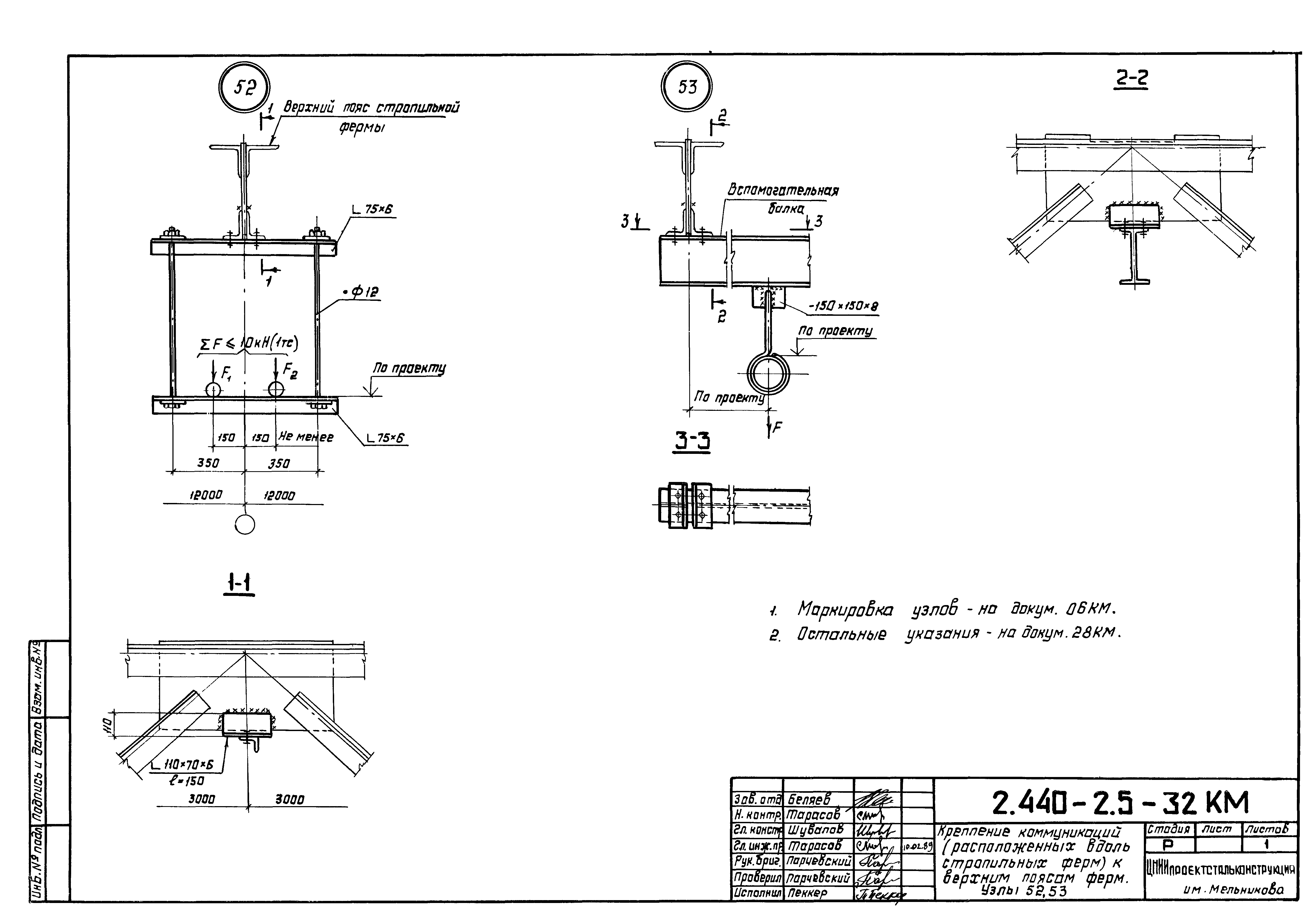
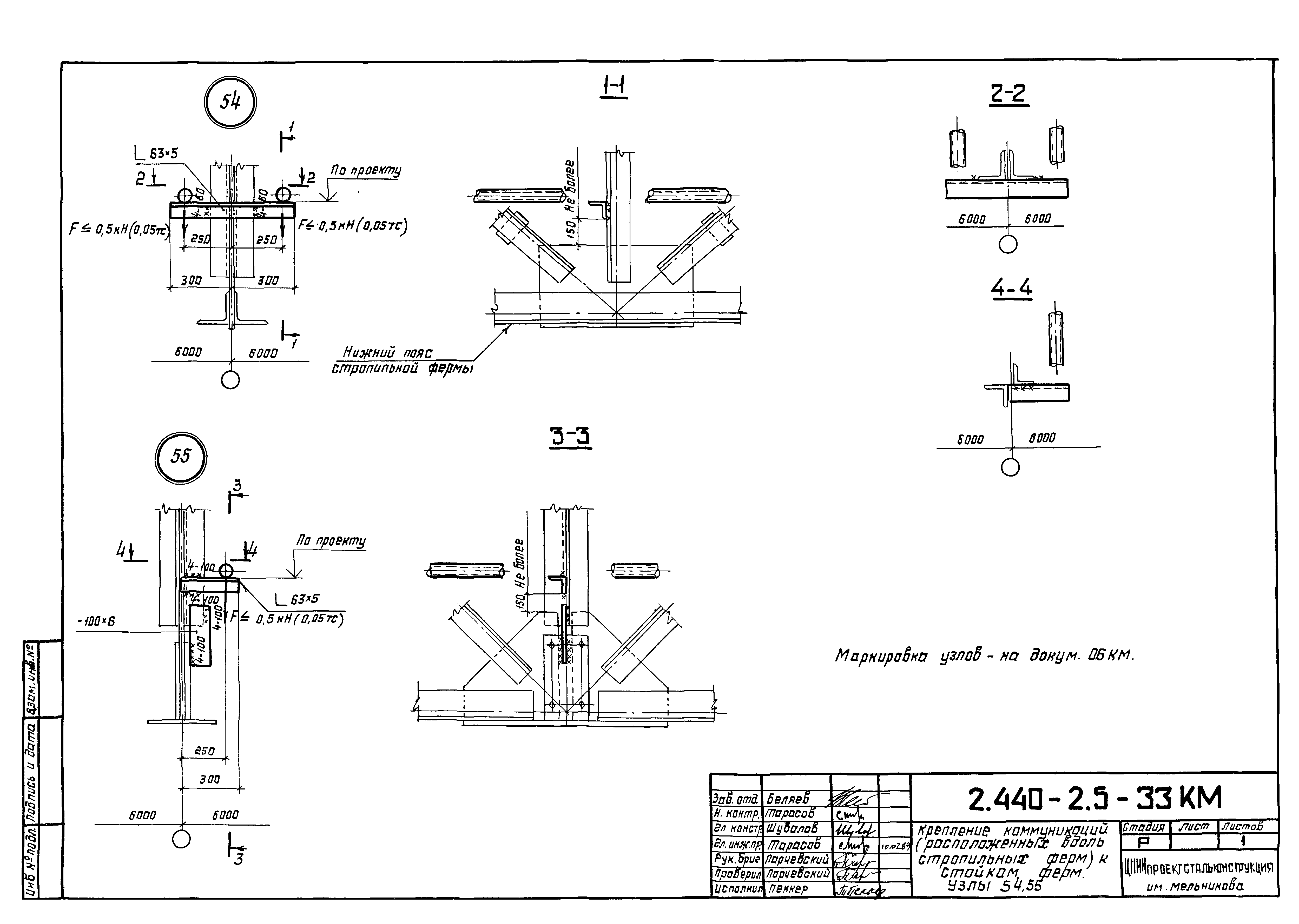
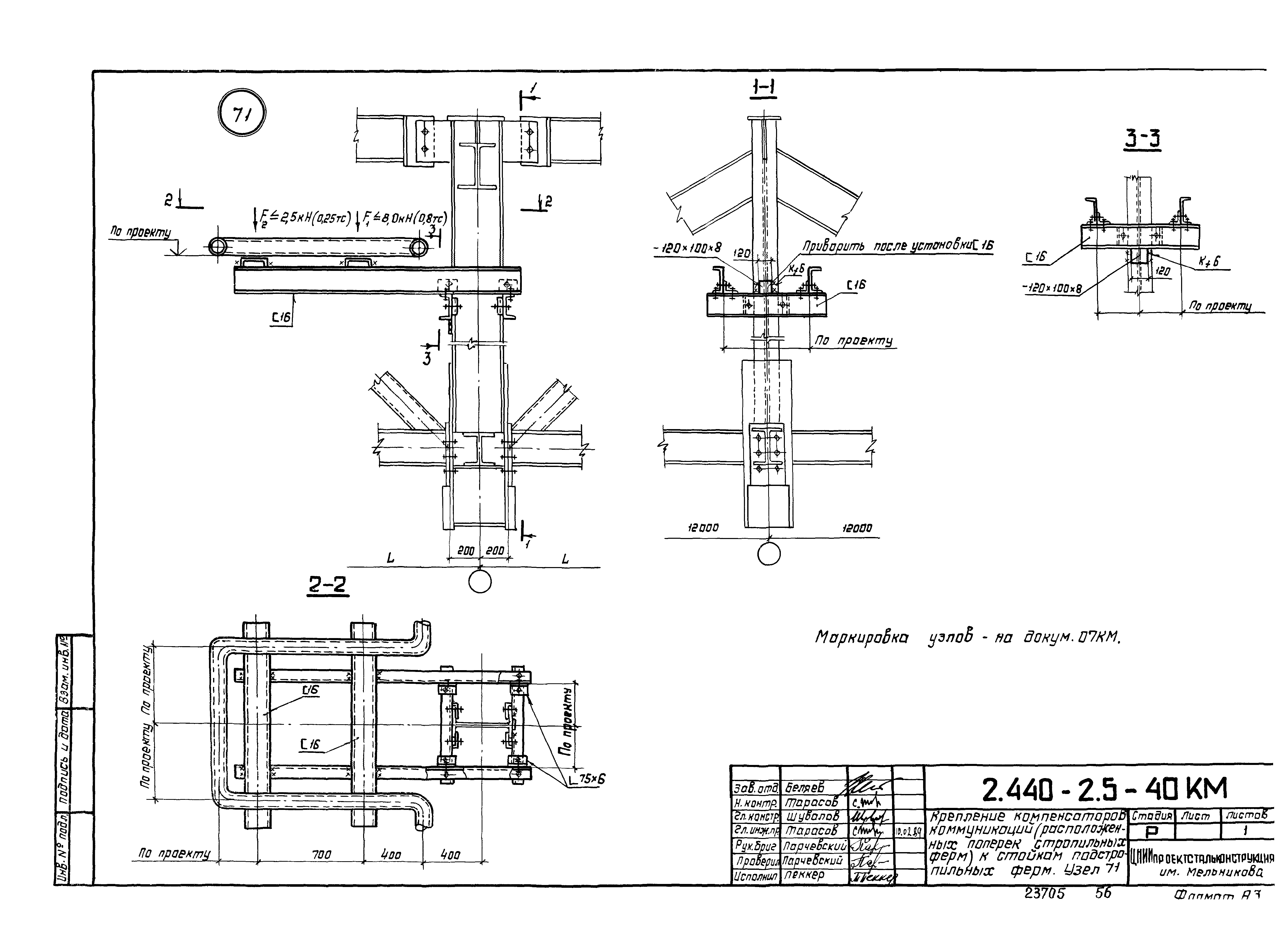
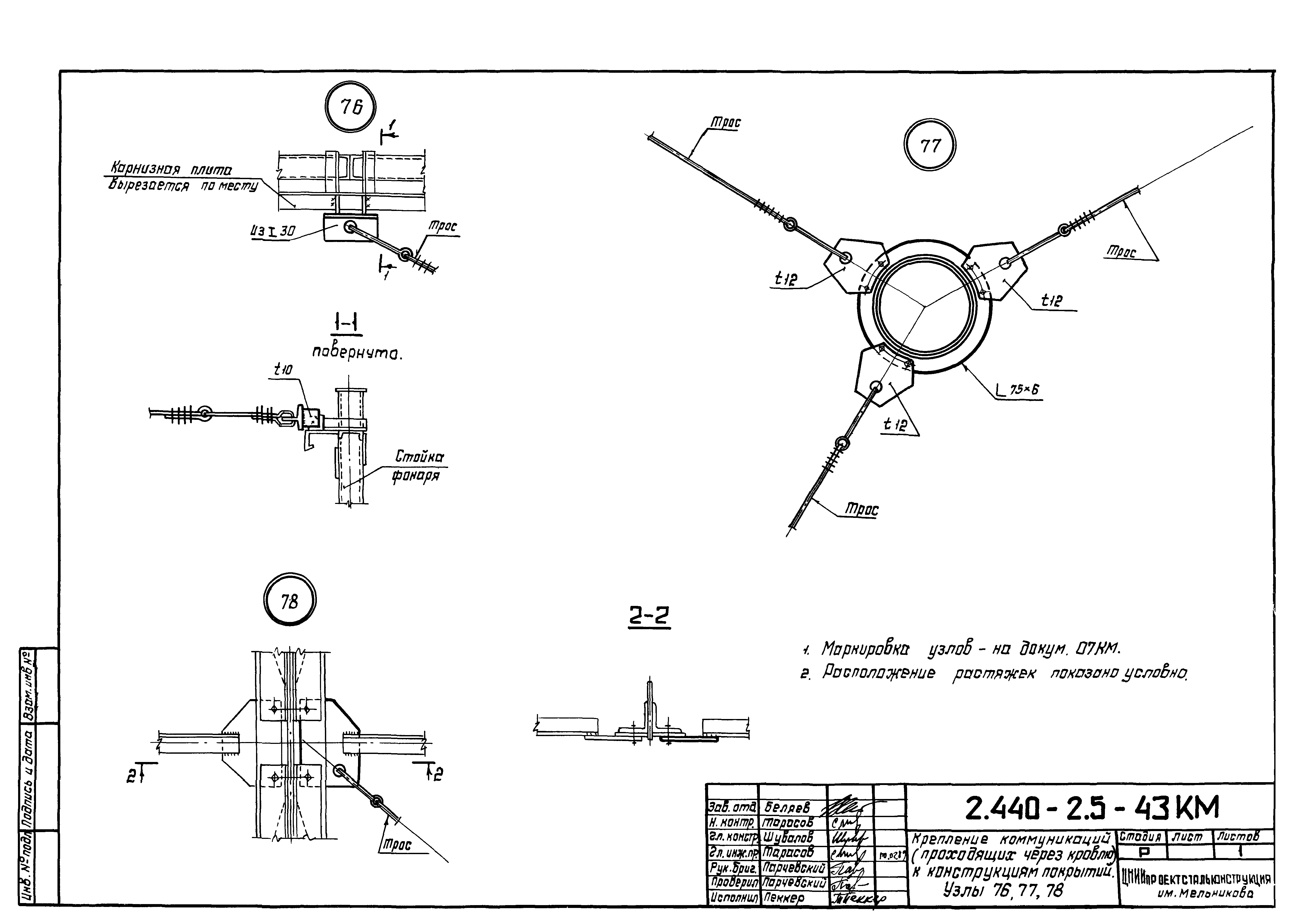
| Оглавление: | 2.440-2.5-00П3КМ Пояснительная записка 2.440-2.5-01КМ Маркировка узлов креплений коммуникаций по колоннам крайнего ряда 2.440-2.5-02КМ Маркировка узлов креплений коммуникаций по колоннам крайнего и среднего рядов 2.440-2.5-03КМ Маркировка узлов креплений коммуникаций по колоннам. Разрезы 1-1, 2-2, 3-3 2.440-2.5-04КМ Маркировка узлов креплений коммуникаций по колоннам и стойкам фахверка 2.440-2.5-05КМ Маркировка узлов креплений коммуникаций по подкрановым балкам крайнего и среднего ряда 2.440-2.5-06КМ Маркировка узлов креплений коммуникаций (расположенных вдоль стропильных ферм) к конструкциям покрытий 2.440-2.5-07КМ Маркировка узлов креплений коммуникаций (расположенных поперек стропильных ферм) к конструкциям покрытий 2.440-2.5-08КМ Маркировка узлов креплений коммуникаций, проходящих через кровлю 2.440-2.5-09КМ Крепление коммуникаций к колоннам. Узлы 1, 2, 3, 4, 5 2.440-2.5-10КМ Крепление коммуникаций к колоннам. Узлы 6, 7, 8 2.440-2.5-11КМ Крепление коммуникаций к колоннам. Узлы 9, 10 2.440-2.5-12КМ Крепление коммуникаций к колоннам. Узлы 11, 12 2.440-2.5-13КМ Крепление коммуникаций к колоннам. Узлы 13, 14 2.440-2.5-14КМ Крепление коммуникаций к колоннам. Узел 15 2.440-2.5-15КМ Крепление коммуникаций к колоннам. Узел 16 2.440-2.5-16КМ Крепление коммуникаций к колоннам. Узел 17 2.440-2.5-17КМ Крепление коммуникаций к колоннам. Узлы 18, 19 2.440-2.5-18КМ Крепление коммуникаций к подкрановым балкам. Узлы 20, 21 2.440-2.5-19КМ Крепление коммуникаций к подкрановым балкам. Узлы 22, 23 2.440-2.5-20КМ Крепление коммуникаций к подкрановым балкам. Узлы 24, 25 2.440-2.5-21КМ Крепление коммуникаций к подкрановым балкам. Узлы 26, 27 2.440-2.5-22КМ Крепление коммуникаций к подкрановым балкам. Узлы 28, 29, 30 2.440-2.5-23КМ Крепление коммуникаций к подкрановым балкам. Узлы 31, 32 2.440-2.5-24КМ Крепление коммуникаций к подкрановым балкам. Узел 33 2.440-2.5-25КМ Крепление коммуникаций к стойкам фахверка. Узлы 34, 35 2.440-2.5-26КМ Крепление коммуникаций к стойкам фахверка и сплошностенчатым колоннам. Узлы 36-39 2.440-2.5-27КМ Крепление коммуникаций к стойкам фахверка. Узлы 40, 41, 42, 43 2.440-2.5-28КМ Крепление коммуникаций (расположенных вдоль стропильных ферм) к вспомогательным балкам. Узлы 44, 45 2.440-2.5-29КМ Крепление коммуникаций (расположенных вдоль стропильных ферм) к вспомогательным балкам. Узлы 46, 47 2.440-2.5-30КМ Крепление коммуникаций (расположенных вдоль стропильных ферм) к прогонам. Узлы 48, 49 2.440-2.5-31КМ Крепление коммуникаций (расположенных вдоль стропильных ферм) к вспомогательным балкам. Узлы 50, 51 2.440-2.5-32КМ Крепление коммуникаций (расположенных вдоль стропильных ферм) к верхним поясам ферм. Узлы 52, 53 2.440-2.5-33КМ Крепление коммуникаций (расположенных вдоль стропильных ферм) к стойкам ферм. Узлы 54, 55 2.440-2.5-34КМ Крепление компенсаторов коммуникаций (расположенных вдоль стропильных ферм) к стойкам подстропильных ферм. Узел 56 2.440-2.5-35КМ Крепление коммуникаций (расположенных поперек стропильных ферм) к поясам ферм. Узлы 57, 58 2.440-2.5-36КМ Крепление коммуникаций (расположенных поперек стропильных ферм) к поясам ферм. Узлы 59, 60, 61 2.440-2.5-37КМ Крепление коммуникаций (расположенных поперек стропильных ферм) к поясам ферм. Узлы 62, 63, 64, 65 2.440-2.5-38КМ Крепление коммуникаций (расположенных поперек стропильных ферм) к опорным стойкам. Узлы 66, 67 2.440-2.5-39КМ Крепление коммуникаций (расположенных поперек стропильных ферм) к опорным стойкам. Узлы 68, 69, 70 2.440-2.5-40КМ Крепление компенсаторов коммуникаций (расположенных поперек стропильных ферм) к стойкам подстропильных ферм. Узел 71 2.440-2.5-41КМ Крепление коммуникаций (расположенных поперек стропильных ферм) к опорным стойкам. Узлы 72, 73 2.440-2.5-42КМ Крепление коммуникаций (расположенных поперек стропильных ферм) к стойкам подстропильных ферм. Узлы 74, 75 2.440-2.5-43КМ Крепление коммуникаций (проходящих через кровлю) к конструкциям покрытий. Узлы 76, 77, 78 2.440-2.5-44КМ Крепление коммуникаций (расположенных поперек стропильных ферм) к поясам ферм типа "Молодечно". Узлы 79, 80 2.440-2.5-45КМ Крепление коммуникаций (расположенных поперек стропильных ферм) к поясам ферм типа "Молодечно". Узлы 81, 82, 83, 84 |
| Разработан: | ЦНИИпроектстальконструкция |
| Утверждён: | 19.12.1988 Госстрой СССР (Государственный комитет Совета Министров СССР по делам строительства) (USSR Gosstroy 6/6-2886) |
| Издан: | ЦИТП Госстроя СССР (CITP, Gosstroy (USSR) 1989 г. ) |





























































