Скачать Серия 5.903-13 Выпуск 3. Установка контрольно-измерительных приборов (термометров, манометров)Дата актуализации: 01.01.2021
|
| Обозначение: | Серия 5.903-13 |
| Обозначение англ: | Series 5.903-13 |
| Статус: | не определен законодательством |
| Название рус.: | Выпуск 3. Установка контрольно-измерительных приборов (термометров, манометров) |
| Дата добавления в базу: | 01.09.2013 |
| Дата актуализации: | 01.01.2021 |
| Дата введения: | 01.07.1990 |
| Дата окончания срока действия: | 30.06.2003 |
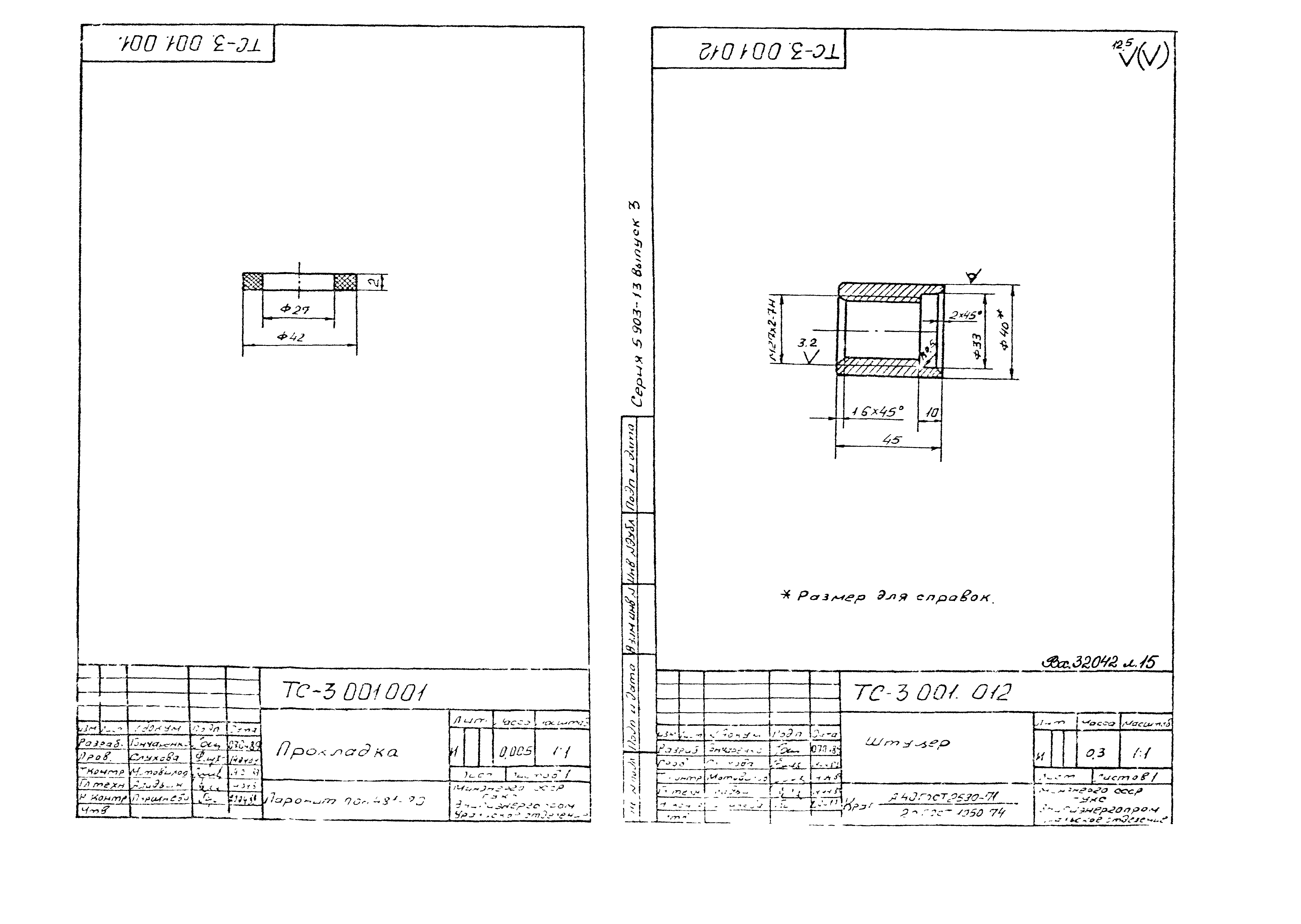
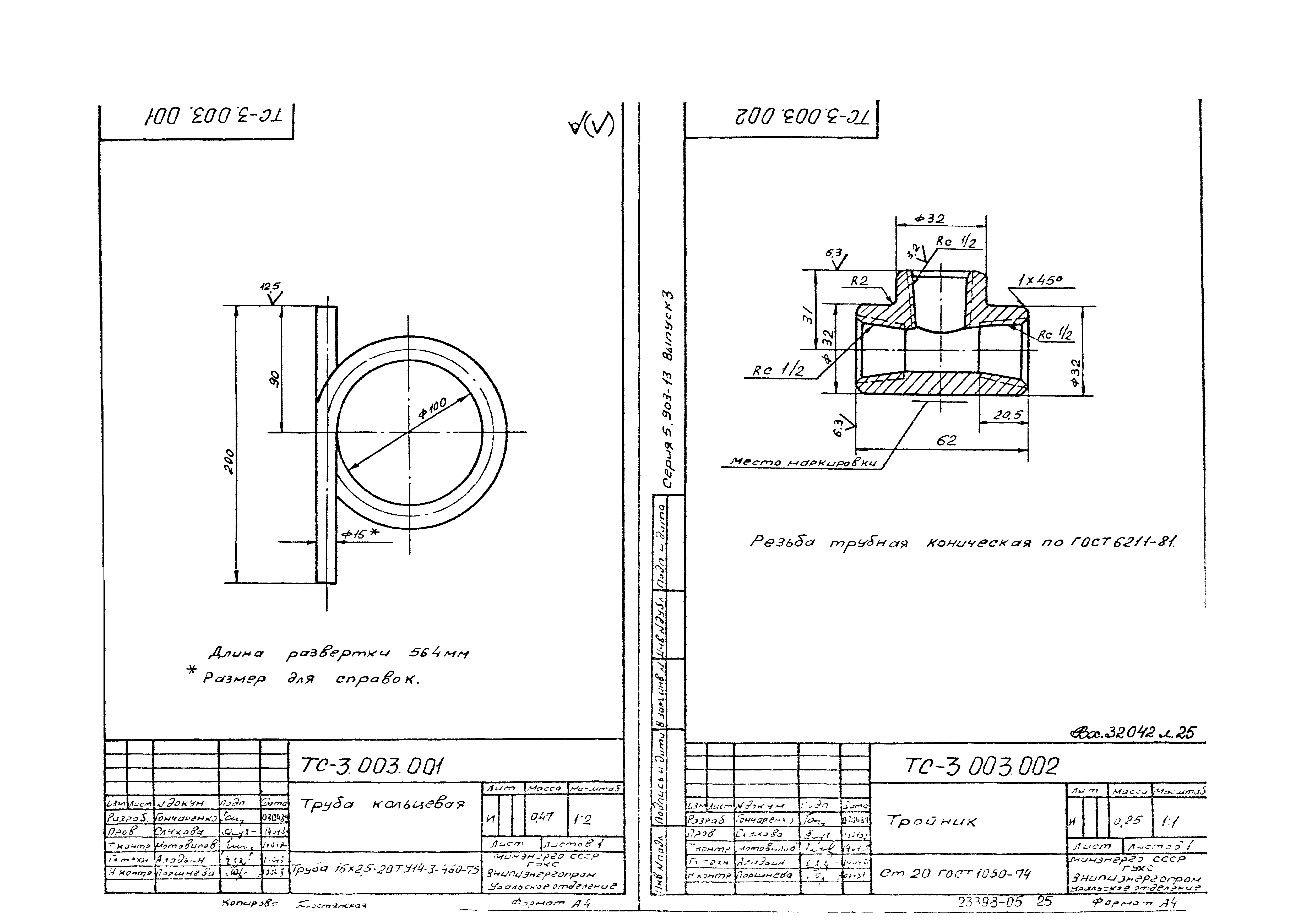
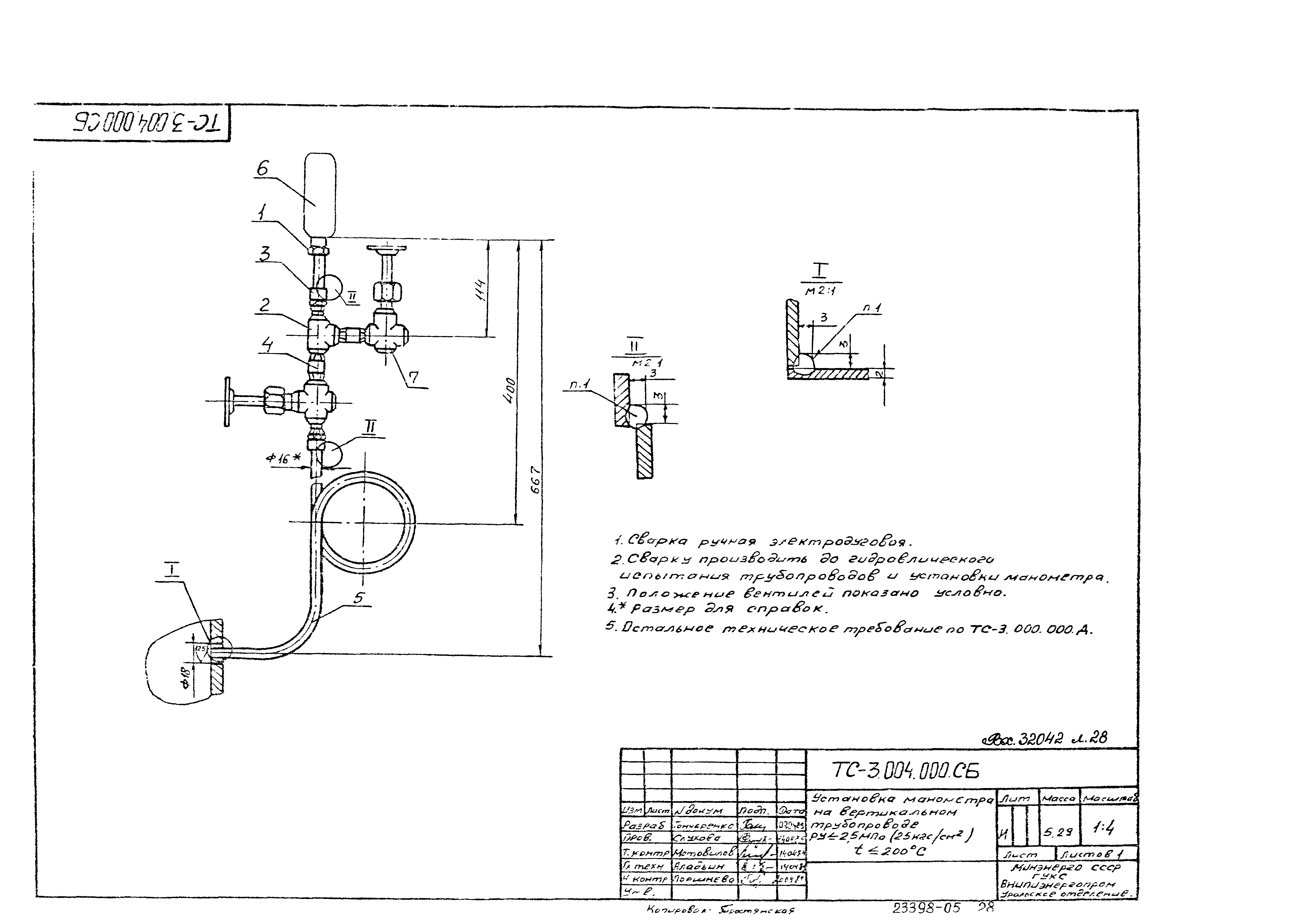
| Оглавление: | ТС-3.000.000 Д Установка контрольно-измерительных приборов. Технические требования ТС-3.000.000 ТБ Установка контрольно-измерительных приборов. Таблица применения ТС-3.001.000 Установка термометра на горизонтальном трубопроводе ТС-3.001.010 Корпус ТС-3.001.000СБ Установка термометра на горизонтальном трубопроводе ТС-3.001.010СБ Корпус ТС-3.001.011 Труба ТС-3.001.001 Прокладка ТС-3.001.012 Штуцер ТС-3.001.002 Пробка ТС-3.002.000 Установка термометра углового с углом поворота 90 градусов на вертикальном и горизонтальном трубопроводах ТС-3.002.010 Корпус ТС-3.002.000СБ Установка термометра углового с углом поворота 90 градусов на вертикальном и горизонтальном трубопроводах ТС-3.003.000 Установка манометра на горизонтальном трубопроводе Ру =< 2,5 МПа (25 кгс/кв. см), t =< 200 градусов Цельсия ТС-3.003.010 Соединение ниппельное навертное с торцевым уплотнением ТС-3.003.000СБ Установка манометра на горизонтальном трубопроводе Ру =< 2,5 МПа (25 кгс/кв. см), t =< 200 градусов Цельсия ТС-3.003.010СБ Соединение ниппельное навертное с торцевым уплотнением ТС-3.003.011 Гайка накидная ТС-3.003.012 Ниппель ТС-3.003.013 Прокладка ТС-3.003.001 Труба кольцевая ТС-3.003.002 Тройник ТС-3.003.003 Штуцер R1/2 ТС-3.003.004 Ниппель H-R1/2 ТС-3.004.000 Установка манометра на вертикальном трубопроводе Ру =< 2,5 МПа (25 кгс/кв. см), t =< 200 градусов Цельсия ТС-3.004.010 Соединение ниппельное навертное с торцевым уплотнением ТС-3.004.000СБ Установка манометра на вертикальном трубопроводе Ру =< 2,5 МПа (25 кгс/кв. см), t =< 200 градусов Цельсия ТС-3.004.001 Труба кольцевая с коленом ТС-3.005.000 Установка манометра на горизонтальном трубопроводе Ру =< 6,2 МПа (62 кгс/кв. см), t =< 440 градусов Цельсия ТС-3.005.010 Соединение ниппельное навертное с торцевым уплотнением ТС-3.005.000СБ Установка манометра на горизонтальном трубопроводе Ру =< 6,2 МПа (62 кгс/кв. см), t =< 440 градусов Цельсия ТС-3.006.000 Установка манометра на вертикальном трубопроводе Ру =< 6,2 МПа (62 кгс/кв. см), t =< 440 градусов Цельсия ТС-3.006.010 Соединение ниппельное навертное с торцевым уплотнением ТС-3.006.000СБ Установка манометра на вертикальном трубопроводе Ру =< 6,2 МПа (62 кгс/кв. см), t =< 440 градусов Цельсия ТС-3.008.000ВД Установка контрольно-измерительных приборов. Ведомость ссылочных документов |
| Разработан: | ВНИПИэнергопром |
| Утверждён: | 30.09.1988 Минэнерго СССР (USSR Minenergo 35) |
| Издан: | ЦИТП Госстроя СССР (CITP, Gosstroy (USSR) 1990 г. ) |
| Заменяет собой: |
|

































