Скачать Серия 5.903-13 Выпуск 5. Часть 2. ГрязевикиДата актуализации: 01.01.2021
|
| Обозначение: | Серия 5.903-13 |
| Обозначение англ: | Series 5.903-13 |
| Статус: | не определен законодательством |
| Название рус.: | Выпуск 5. Часть 2. Грязевики |
| Дата добавления в базу: | 01.09.2013 |
| Дата актуализации: | 01.01.2021 |
| Дата введения: | 01.07.1990 |
| Дата окончания срока действия: | 30.06.2003 |
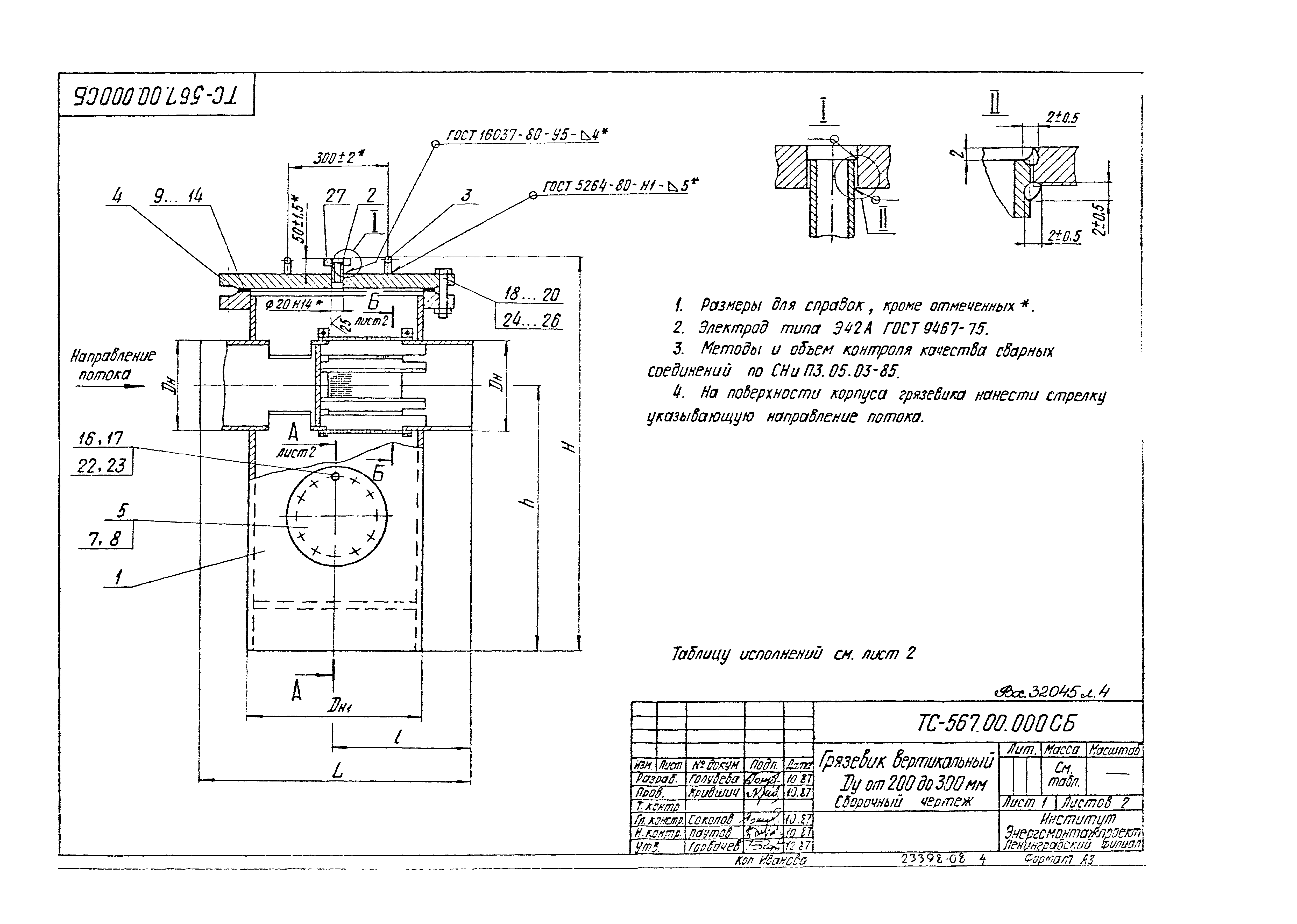
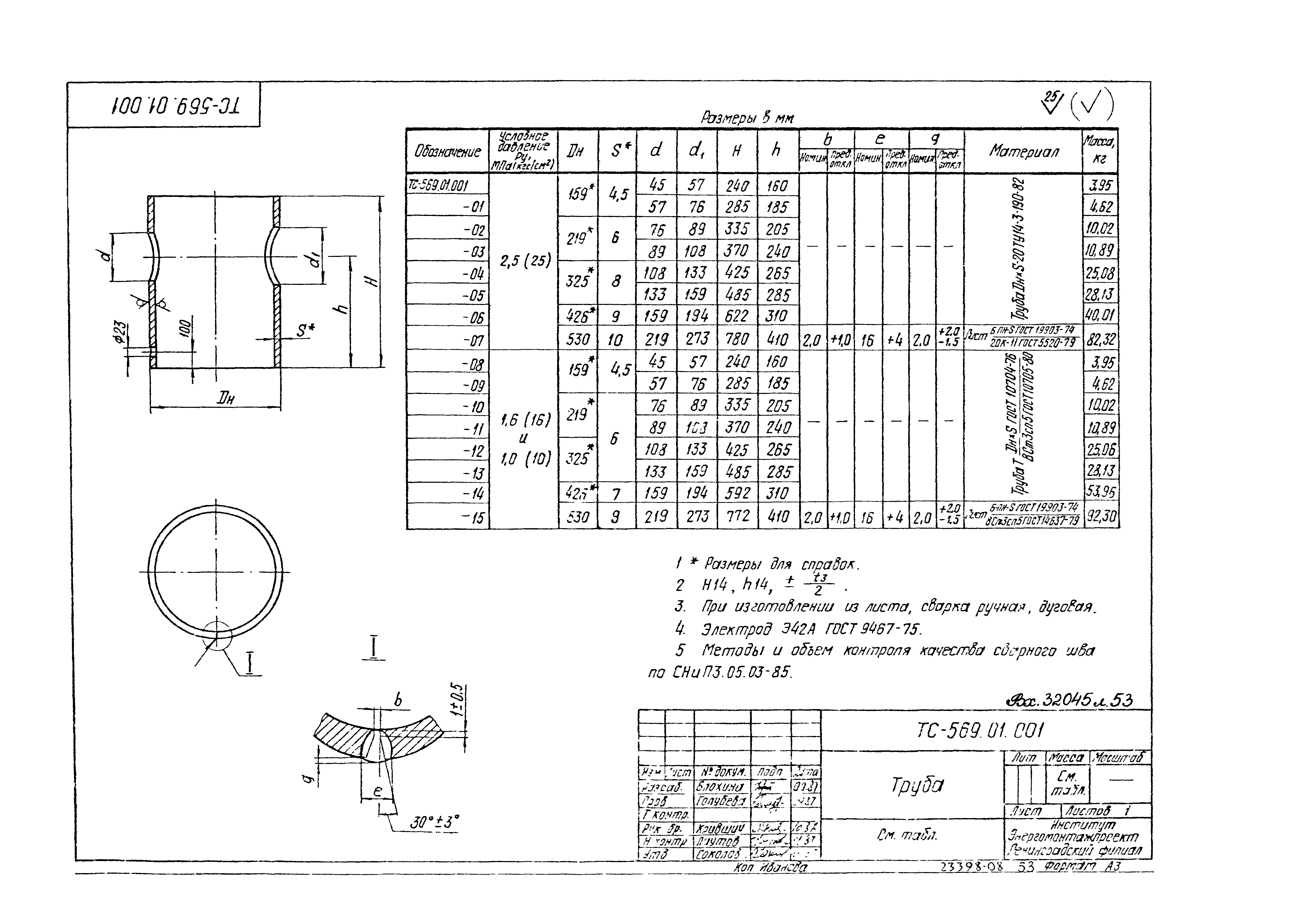
| Оглавление: | ТС-567.00.000 Грязевик вертикальный Dу от 200 до 300 мм ТС-567.00.000СБ Грязевик вертикальный Dу от 200 до 300 мм. Сборочный чертеж ТС-567.01.000 Корпус ТС-567.01.000СБ Корпус. Сборочный чертеж ТС-567.01.100 Фильтр ТС-567.00.002 Сетка ТС-567.01.100СБ Фильтр. Сборочный чертеж ТС-567.01.101 Труба ТС-567.01.102 Труба ТС-567.01.103 Ребро ТС-567.01.104 Донышко ТС-567.01.001 Труба ТС-567.01.002 Диск ТС-567.01.003 Фланец ТС-567.01.004 Хомут ТС-567.01.005 Кольцо ТС-567.01.006 Ребро ТС-567.01.007 Ребро ТС-567.01.008 Труба ТС-567.01.009 Накладка ТС-567.00.001 Заглушка ТС-568.00.000 Грязевик вертикальный Dу от 350 до 1000 мм ТС-568.00.000СБ Грязевик вертикальный Dу от 350 до 1000 мм. Сборочный чертеж ТС-568.01.000 Корпус ТС-568.01.002 Диск ТС-568.01.000СБ Корпус. Сборочный чертеж ТС-568.01.001 Труба ТС-569.00.000 Грязевик тепловых пунктов ТС-569.02.001 Кольцо ТС-569.00.000СБ Грязевик тепловых пунктов. Сборочный чертеж ТС-569.01.000 Корпус ТС-569.01.000СБ Корпус. Сборочный чертеж ТС-569.01.001 Труба ТС-569.01.002 Труба ТС-569.01.003 Днище ТС-569.01.004 Ребро ТС-569.01.005 Корпус ТС-569.01.006 Кольцо ТС-569.01.007 Штуцер ТС-569.01.008 Фланец ТС-569.01.009 Фланец ТС-569.02.000 Фильтр ТС-569.02.000СБ Фильтр. Сборочный чертеж ТС-569.02.002 Труба ТС-569.02.003 Донышко ТС-569.02.004 Сетка ТС-569.00.001 Пробка ТС-569.00.002 Прокладка |
| Разработан: | ВНИПИэнергопром Энергомонтажпроект ВГНИПИИ Теплоэлектропроект |
| Утверждён: | 30.09.1988 Минэнерго СССР (USSR Minenergo 35) |
| Издан: | ЦИТП Госстроя СССР (CITP, Gosstroy (USSR) 1990 г. ) |
| Заменяет собой: |































































