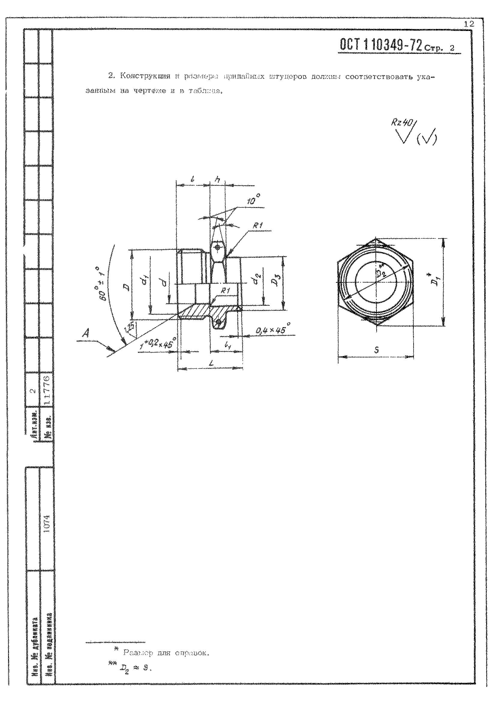
Скачать ОСТ 1 10349-72 Штуцера припайные. Конструкции и размерыДата актуализации: 01.01.2021
|
| Обозначение: | ОСТ 1 10349-72 |
| Обозначение англ: | 10349-72 |
| Статус: | действует |
| Название рус.: | Штуцера припайные. Конструкции и размеры |
| Дата добавления в базу: | 01.09.2013 |
| Дата актуализации: | 01.01.2021 |
| Дата введения: | 01.01.1974 |
| Утверждён: | 22.12.1972 Министерство (Ministry 087-16) |



