Скачать ОСТ 1 03584-78 Заделки изоляции и оплетки на концах электрических проводов. Типы, основные размеры и технические требованияДата актуализации: 01.01.2021
|
| Обозначение: | ОСТ 1 03584-78 |
| Обозначение англ: | 03584-78 |
| Статус: | действует |
| Название рус.: | Заделки изоляции и оплетки на концах электрических проводов. Типы, основные размеры и технические требования |
| Дата добавления в базу: | 01.09.2013 |
| Дата актуализации: | 01.01.2021 |
| Дата введения: | 01.01.1980 |
| Область применения: | Стандарт распространяется на заделки неэкранированных электрических проводов с пластмассовой и комбинированной волокнисто-пластмассовой изоляцией и экранированных проводов, применяемых в электрической сети летательных аппаратов, приборов и агрегатов, а также средств их наземного обслуживания. |
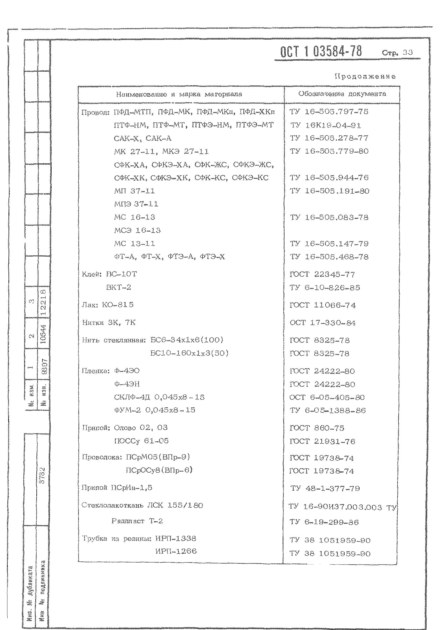
| Оглавление: | 1. Типы и основные размеры 2. Технические требования Приложение (справочное). Перечень документов на провода и материалы |
| Утверждён: | 28.09.1978 Министерство (Ministry 087-16) |
| Заменяет собой: |
|
































