Скачать ОСТ 1 76816-83 Концы оправок сверлильно-расточных и фрезерных станков. Размеры и технические требования. (ограничение ГОСТ 24644-81)

Дата актуализации: 01.01.2021

ОСТ 1 76816-83

Концы оправок сверлильно-расточных и фрезерных станков. Размеры и технические требования. (ограничение ГОСТ 24644-81)

Обозначение: ОСТ 1 76816-83
Обозначение англ: 76816-83
Статус:действует
Название рус.:Концы оправок сверлильно-расточных и фрезерных станков. Размеры и технические требования. (ограничение ГОСТ 24644-81)
Дата добавления в базу:01.09.2013
Дата актуализации:01.01.2021
Дата введения:01.01.1985
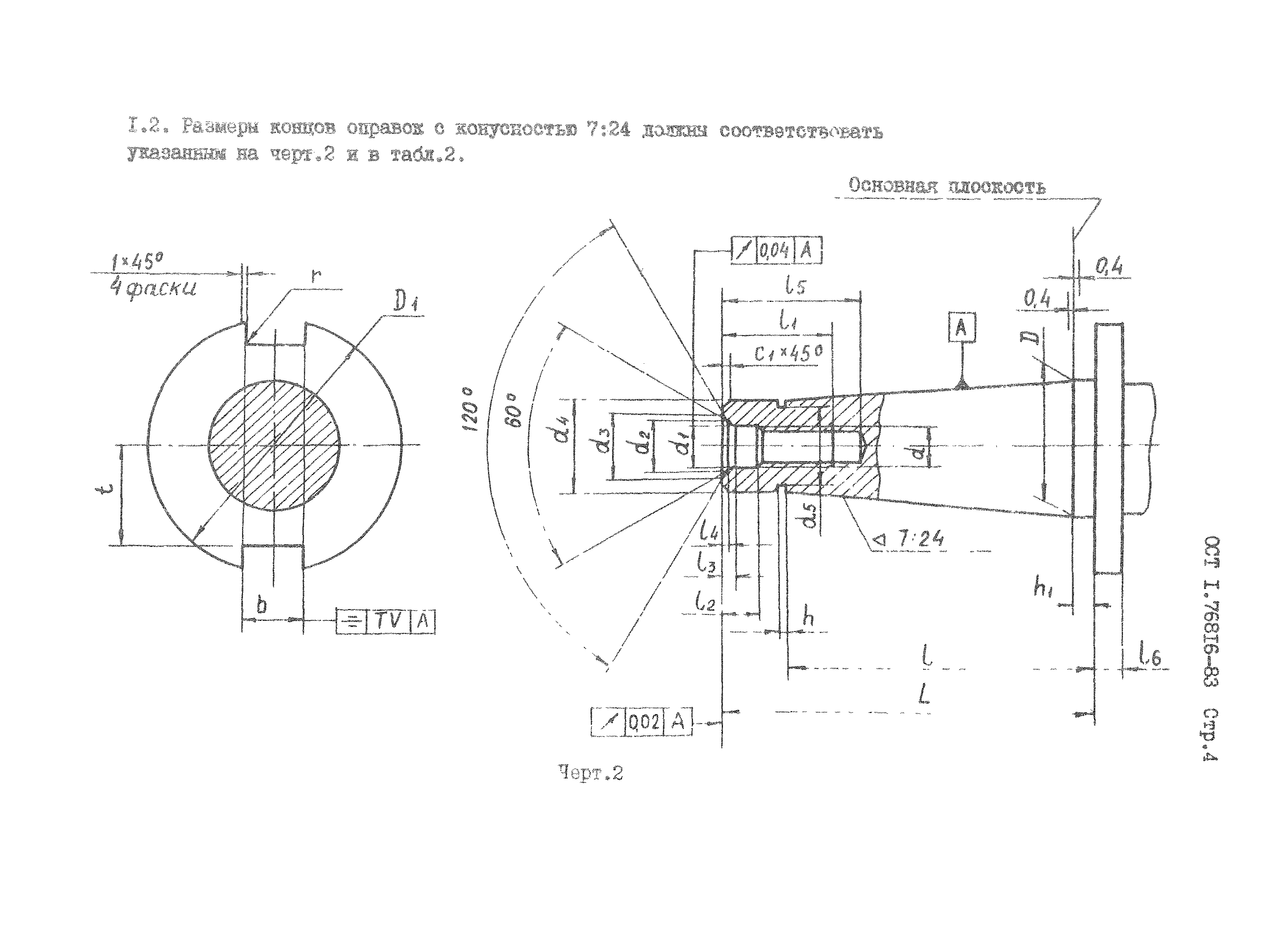
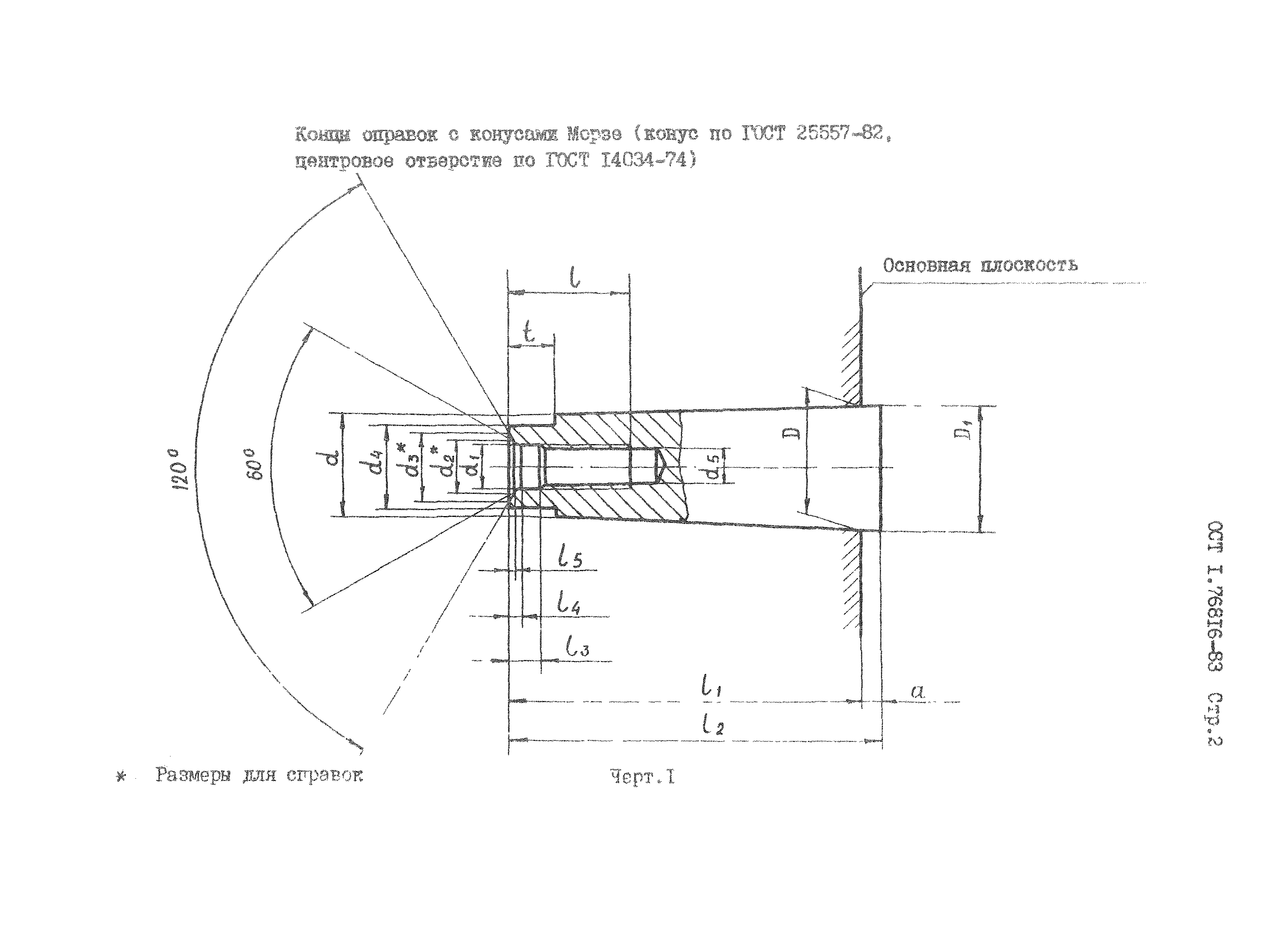
Область применения:Стандарт распространяется на концы оправок для сверлильных, расточных и фрезерных станков, в том числе с ЧПУ при ручной смене инструмента.
Оглавление:Приложение (справочное). Предельные отклонения угла конуса и формы конических поверхностей концов оправок
Утверждён:25.11.1984 Министерство (Ministry 087-16)
Заменяет собой:
  • ОСТ 1 76585-77
Нормативные ссылки:
ОСТ 1 76816-83ОСТ 1 76816-83ОСТ 1 76816-83ОСТ 1 76816-83ОСТ 1 76816-83ОСТ 1 76816-83ОСТ 1 76816-83ОСТ 1 76816-83