Скачать ОСТ 1 31122-80 Болты с шестигранной головкой уменьшенного размеры под ключ и укороченной резьбовой частью. Конструкция и размерыДата актуализации: 01.01.2021 ОСТ 1 31122-80
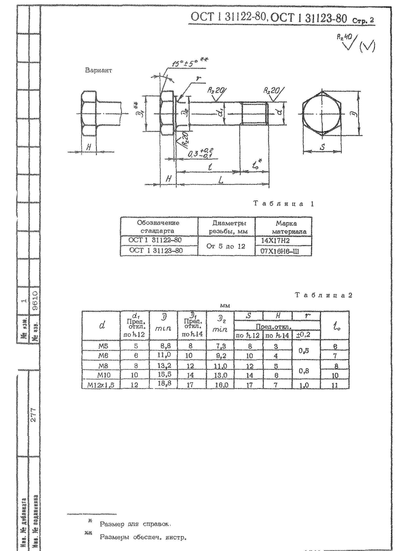
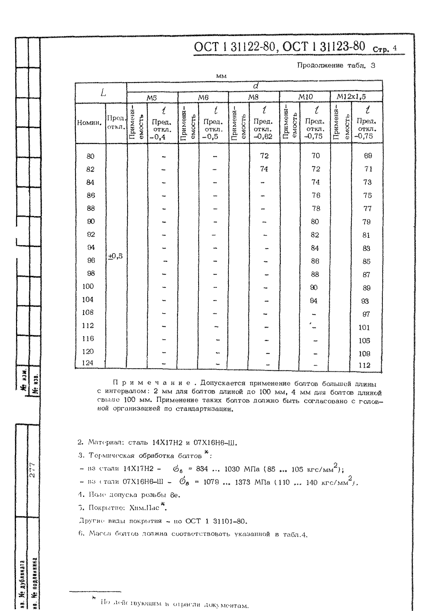
Болты с шестигранной головкой уменьшенного размеры "под ключ" и укороченной резьбовой частью. Конструкция и размеры| Обозначение: | ОСТ 1 31122-80 | | Обозначение англ: | 31122-80 | | Статус: | действует | | Название рус.: | Болты с шестигранной головкой уменьшенного размеры "под ключ" и укороченной резьбовой частью. Конструкция и размеры | | Дата добавления в базу: | 01.09.2013 | | Дата актуализации: | 01.01.2021 | | Дата введения: | 01.01.1982 | | Оглавление: | Приложение (обязательное). Коды ОКП болтов | | Утверждён: | 30.10.1980 Министерство (Ministry 087-16)
| | Заменяет собой: | |
      
|