Скачать ОСТ 1 31582-91 Винты с потайной головкой углом 90 градусов самонарезающие. КонструкцияДата актуализации: 01.01.2021
|
| Обозначение: | ОСТ 1 31582-91 |
| Обозначение англ: | 31582-91 |
| Статус: | действует |
| Название рус.: | Винты с потайной головкой углом 90 градусов самонарезающие. Конструкция |
| Дата добавления в базу: | 01.09.2013 |
| Дата актуализации: | 01.01.2021 |
| Дата введения: | 01.01.1992 |
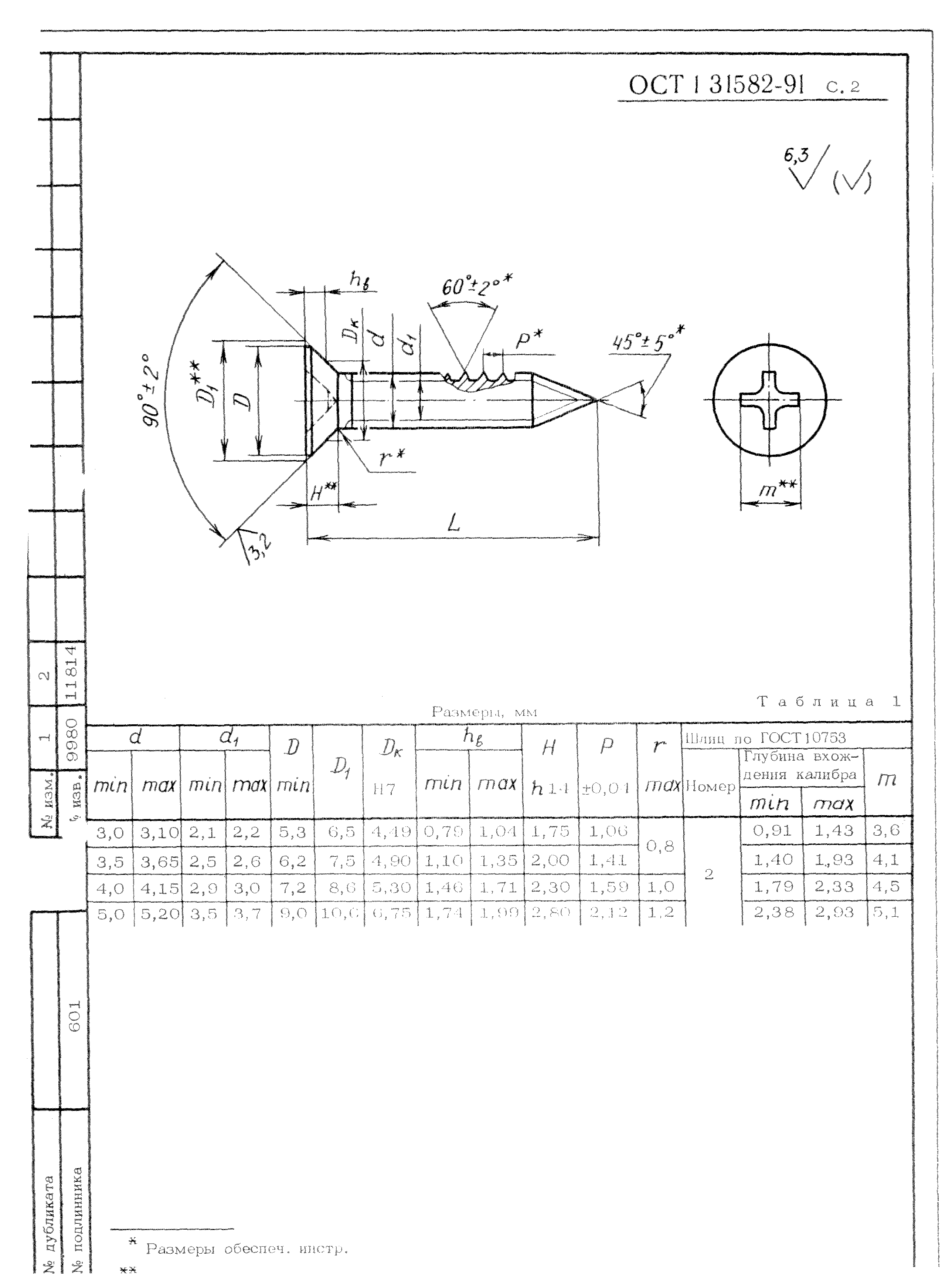
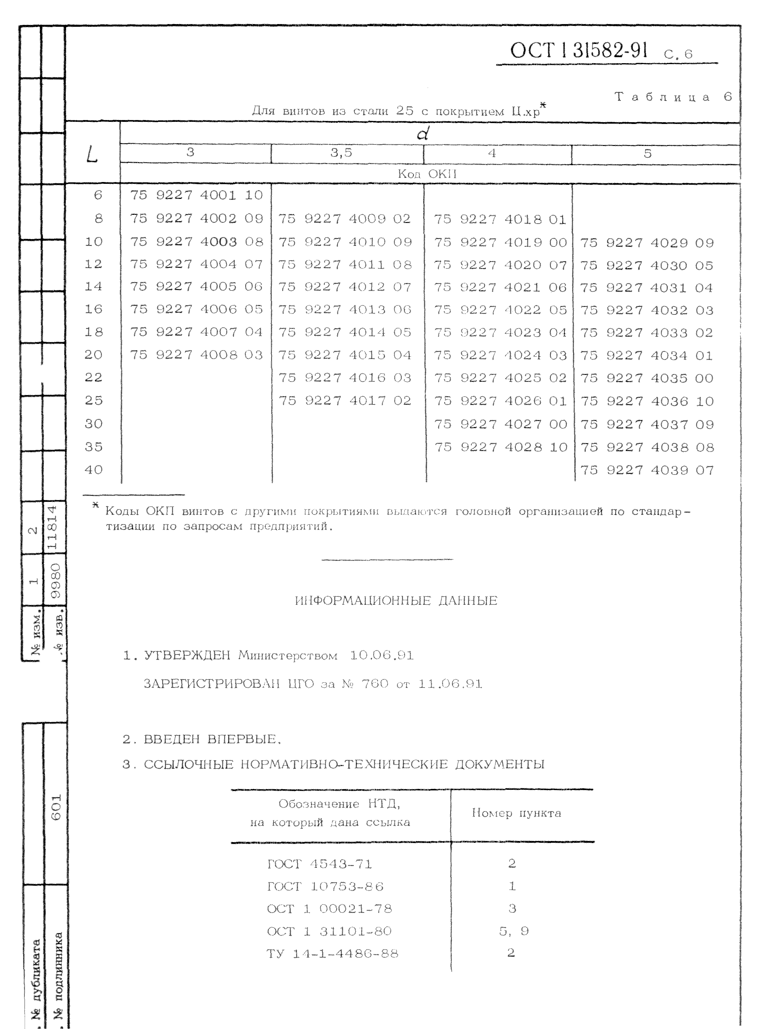
| Оглавление: | Приложение 1 (обязательное). Диаметры отверстий под винты Приложение 2 (обязательное). Коды ОКП |
| Утверждён: | 10.06.1991 Министерство (Ministry ) |
| Нормативные ссылки: |






