Скачать ОСТ 1 90246-77 Листы конструкционные из алюминиевых сплавовДата актуализации: 01.01.2021
|
| Обозначение: | ОСТ 1 90246-77 |
| Обозначение англ: | 90246-77 |
| Статус: | действует |
| Название рус.: | Листы конструкционные из алюминиевых сплавов |
| Дата добавления в базу: | 01.09.2013 |
| Дата актуализации: | 01.01.2021 |
| Дата введения: | 01.07.1977 |
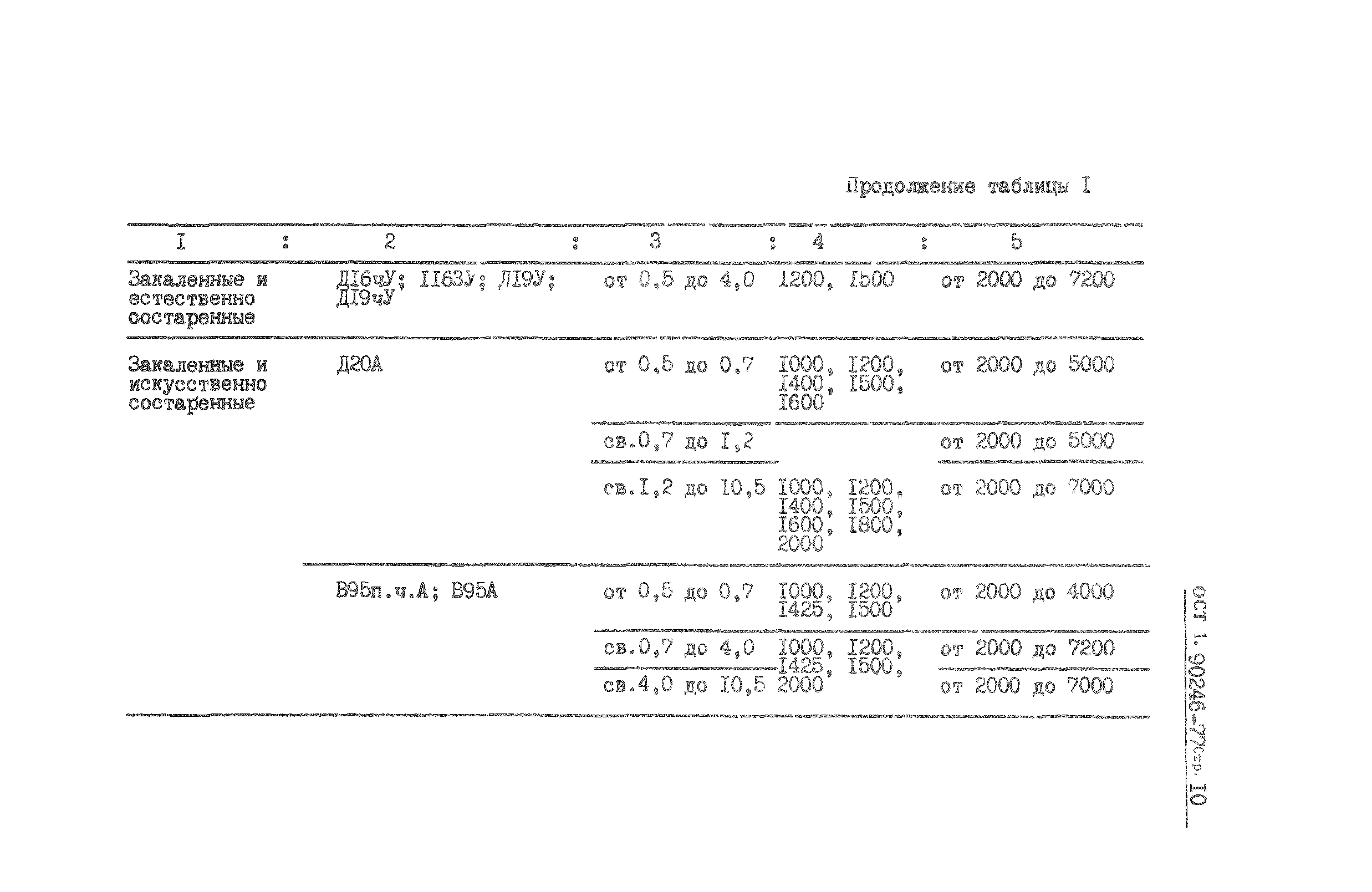
| Область применения: | Стандарт распространяется на конструкционные листы из алюминиевых сплавов марок Д16ч, Д19, Д19ч, Д20, В95 и В95п.ч., В95о.ч., 1163, предназначенные для авиационной техники. |
| Оглавление: | 1. Классификация 2. Сортамент 3. Технические требования 4. Правила приемки 5. Методы испытаний 6. Маркировка, упаковка и транспортирование |
| Утверждён: | 18.02.1977 МАП |
| Заменяет собой: |
|


























