Скачать Серия 1.020-1/87 Выпуск 4-1. Диафрагмы жесткости. Рабочие чертежиДата актуализации: 01.01.2021
|
| Обозначение: | Серия 1.020-1/87 |
| Обозначение англ: | Series 1.020-1/87 |
| Статус: | не определен законодательством |
| Название рус.: | Выпуск 4-1. Диафрагмы жесткости. Рабочие чертежи |
| Дата добавления в базу: | 01.09.2013 |
| Дата актуализации: | 01.01.2021 |
| Дата введения: | 25.12.1991 |
| Дата окончания срока действия: | 30.06.2003 |
| Область применения: | Выпуск содержит рабочие чертежи железобетонных диафрагм жесткости для зданий с высотами этажей 3.0, 3.6, 4.2, 4.8 м и техподпольем высотой 2.0 м, при расстоянии между осями зданий 3.0, 6.0, 7.2 и 9.0 м. |
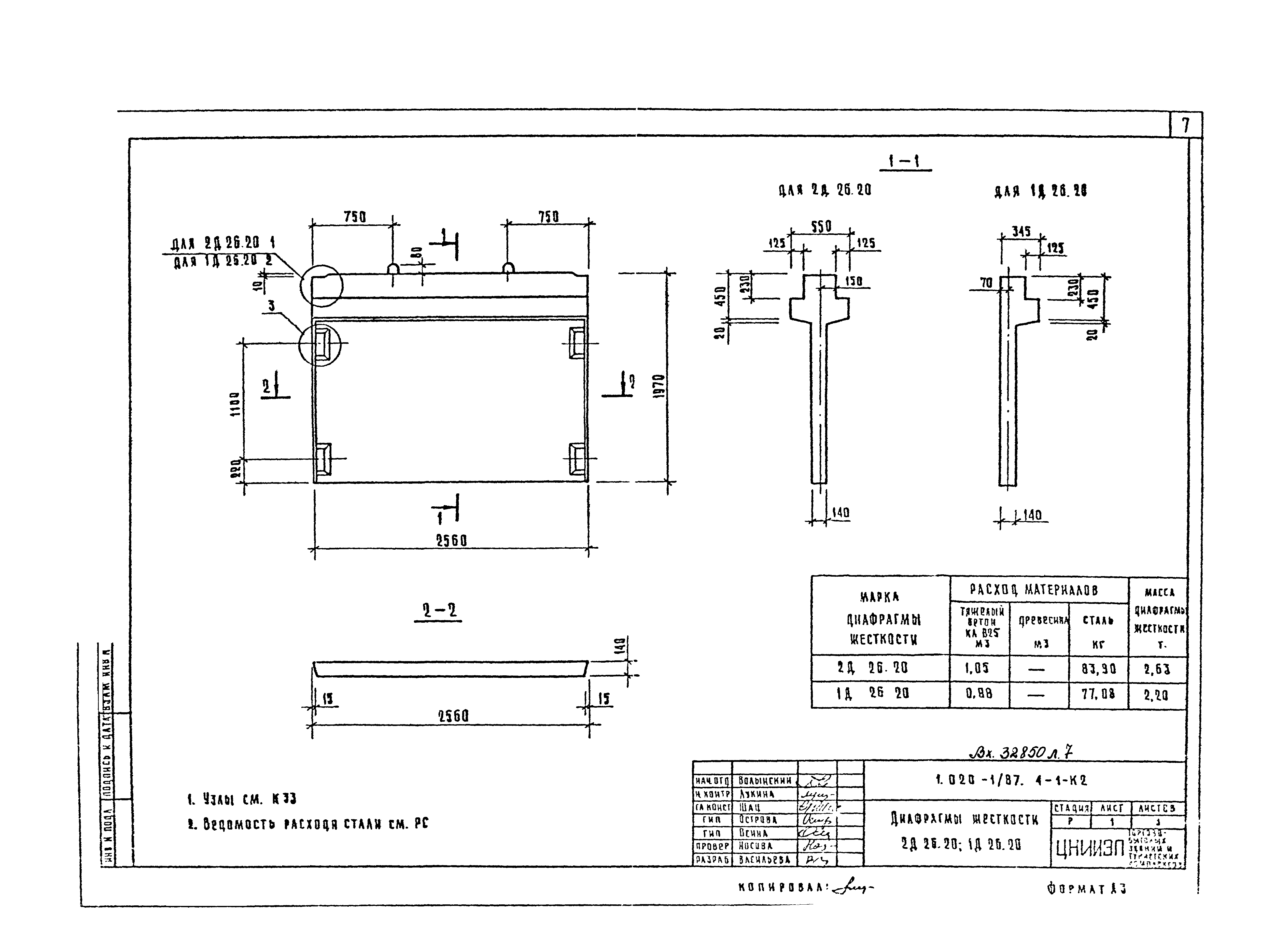
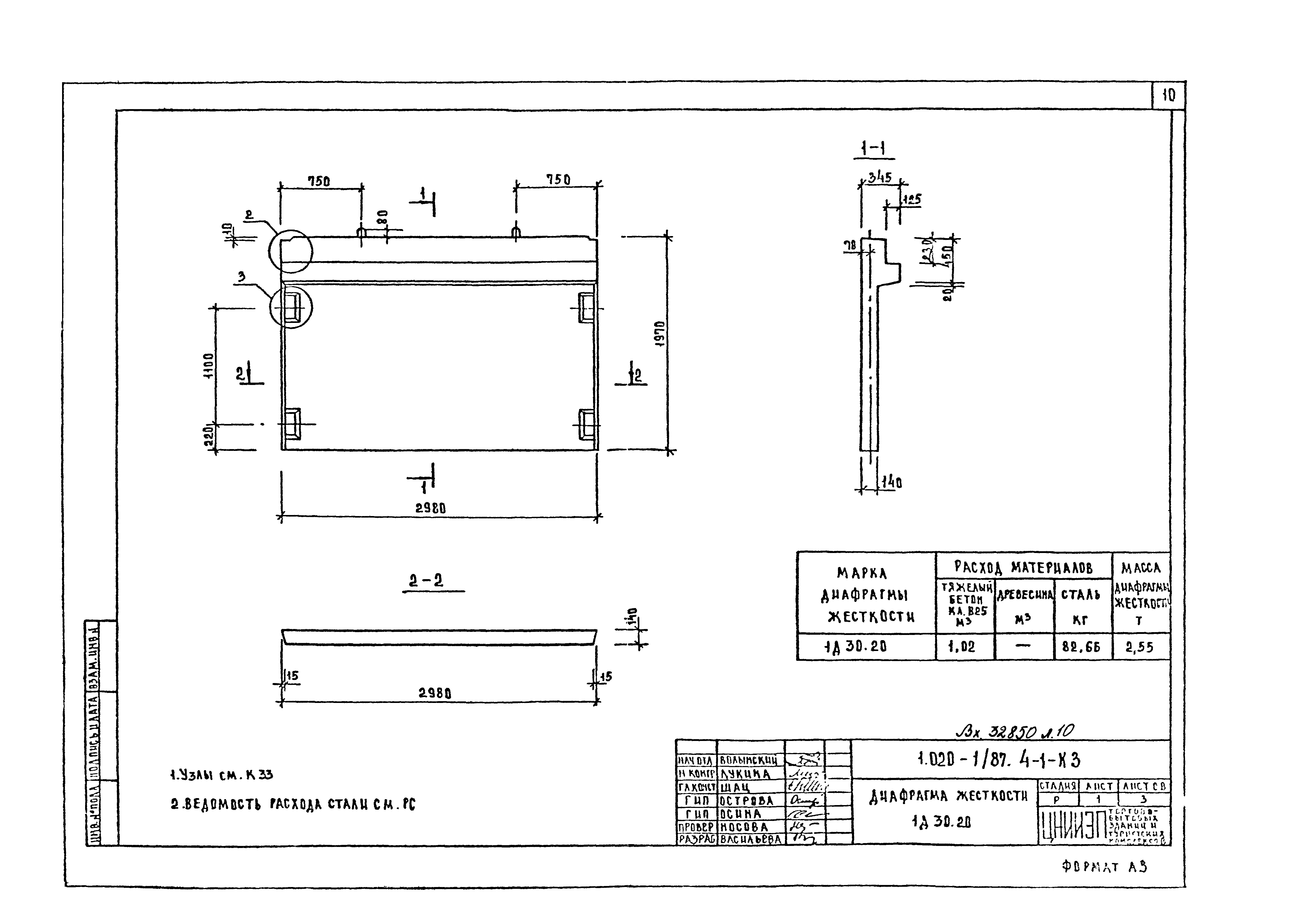
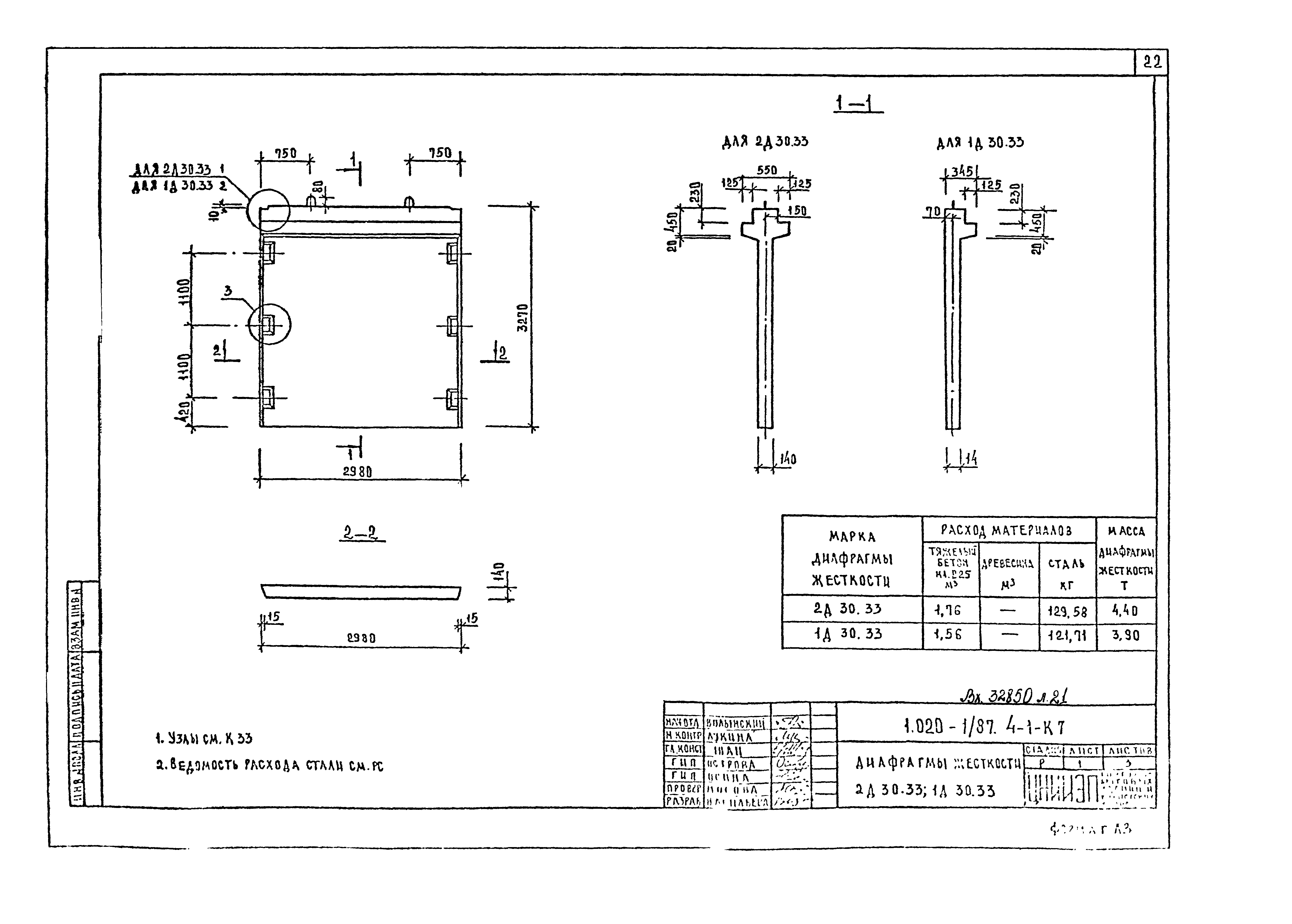
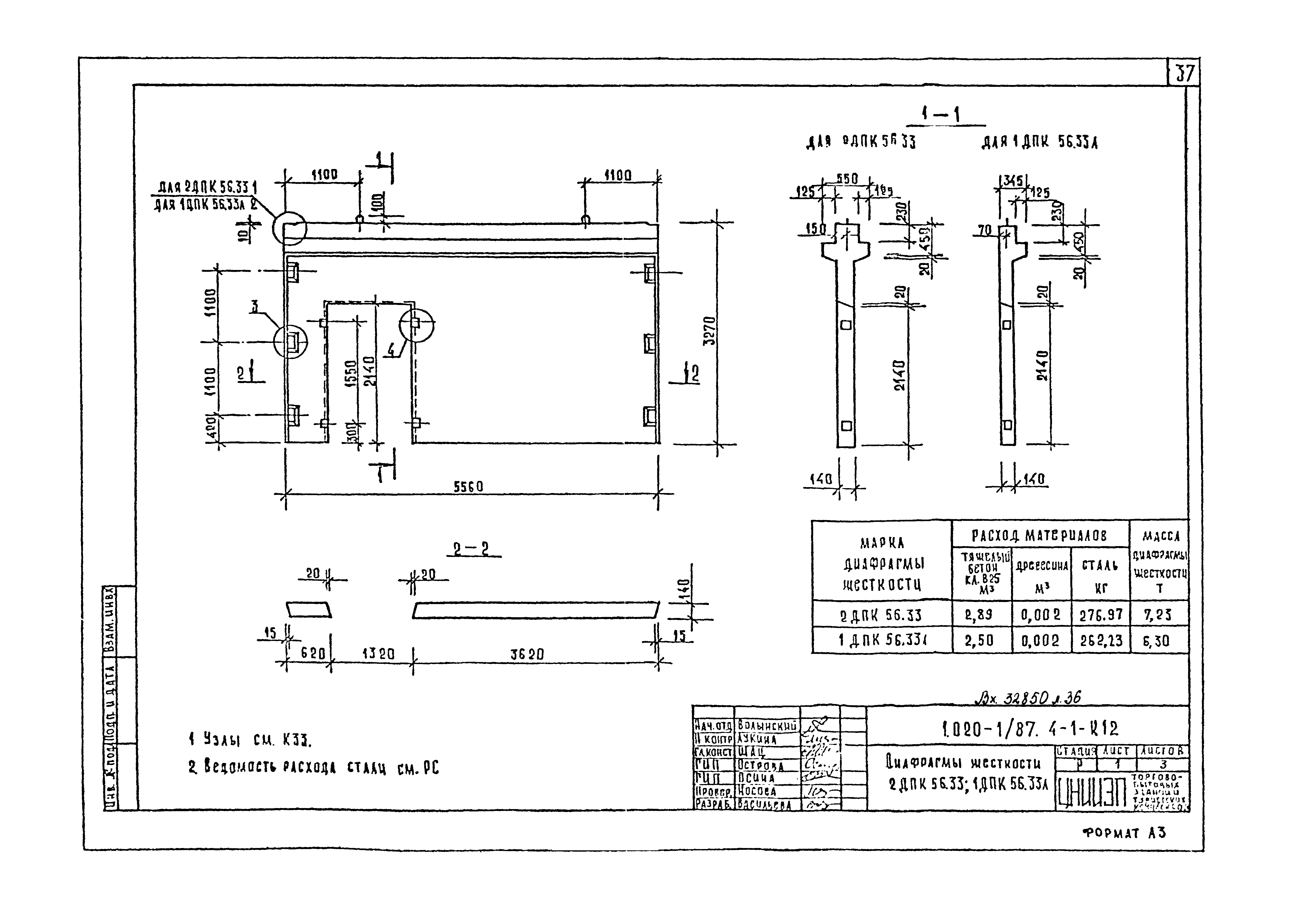
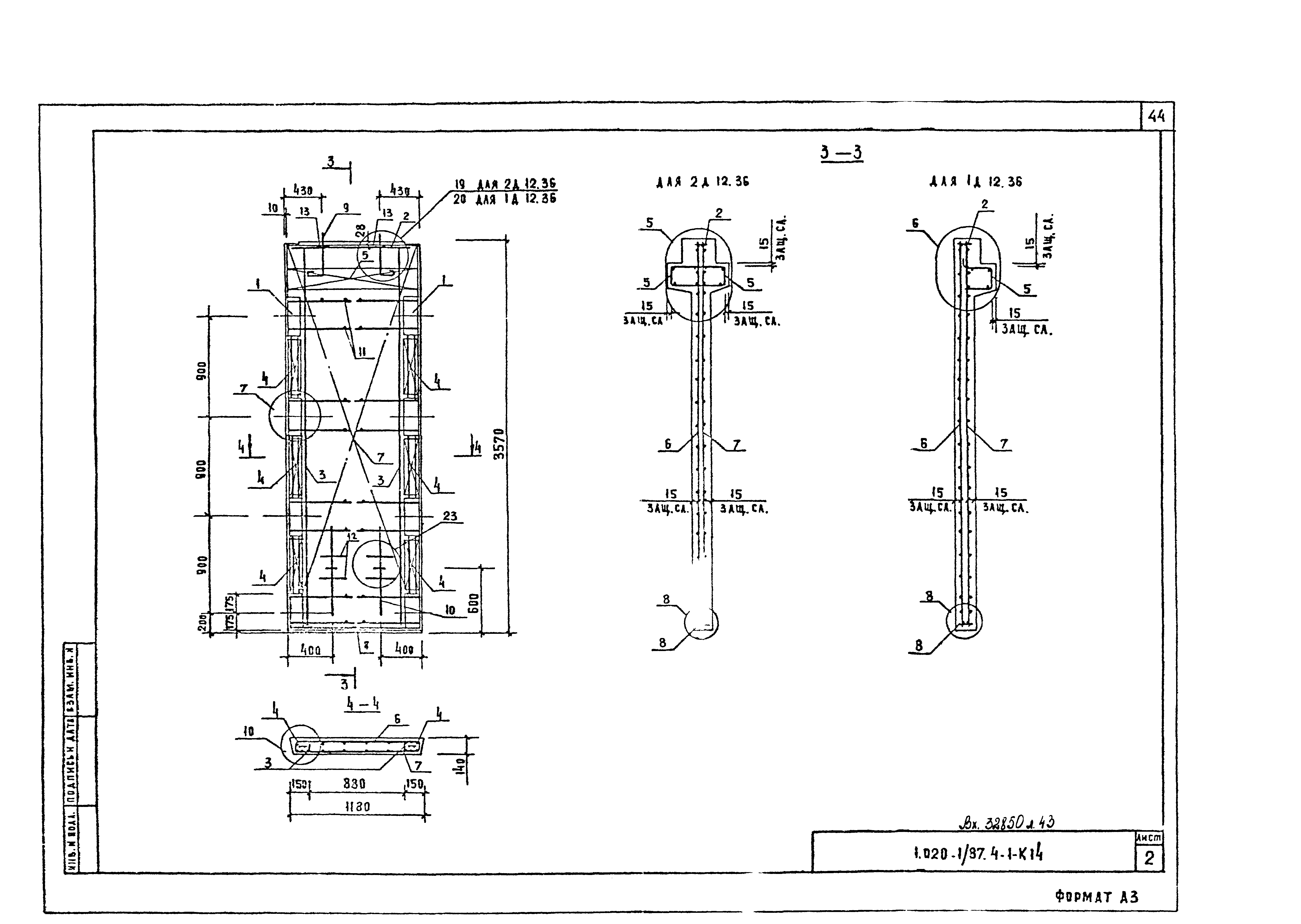
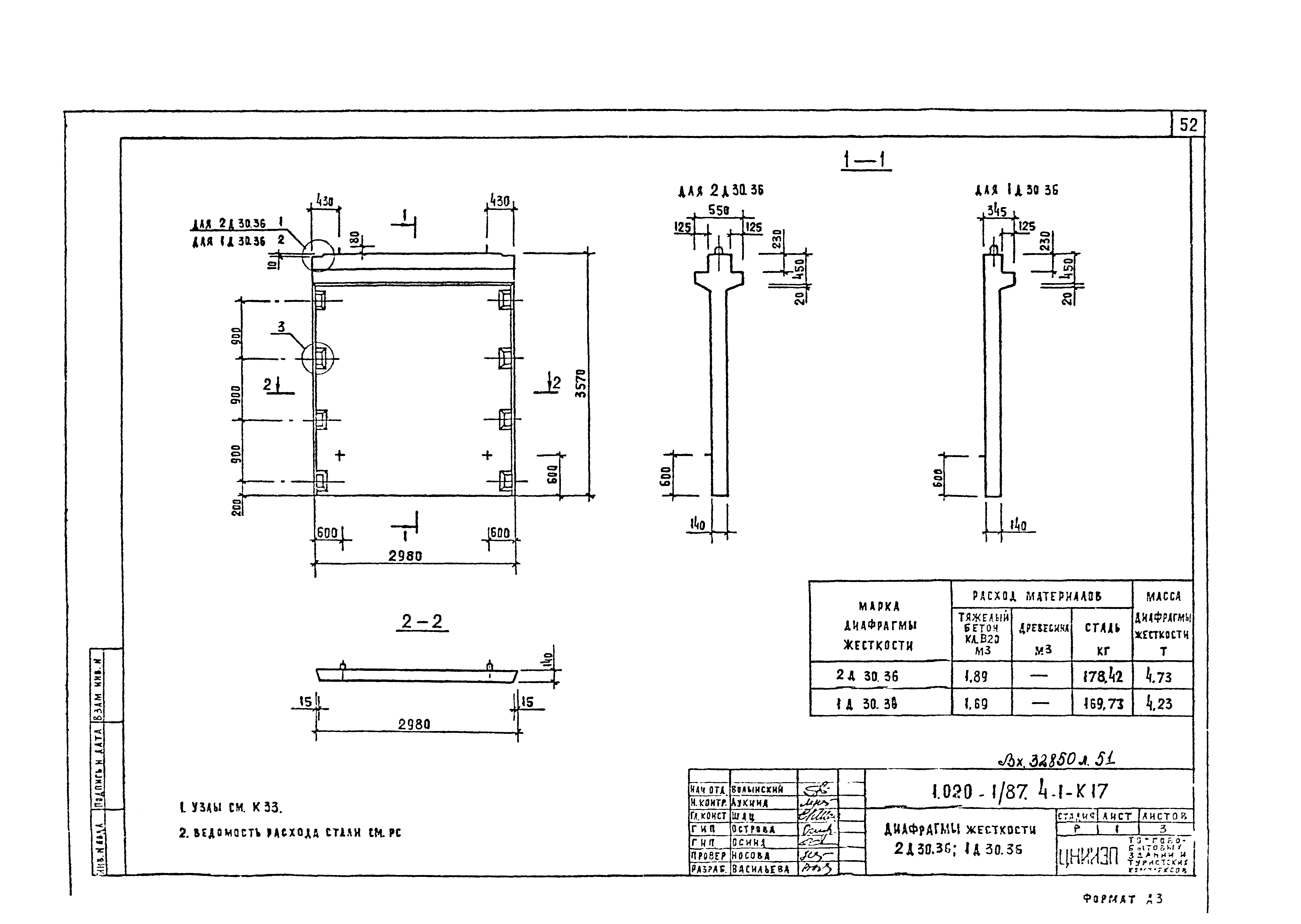
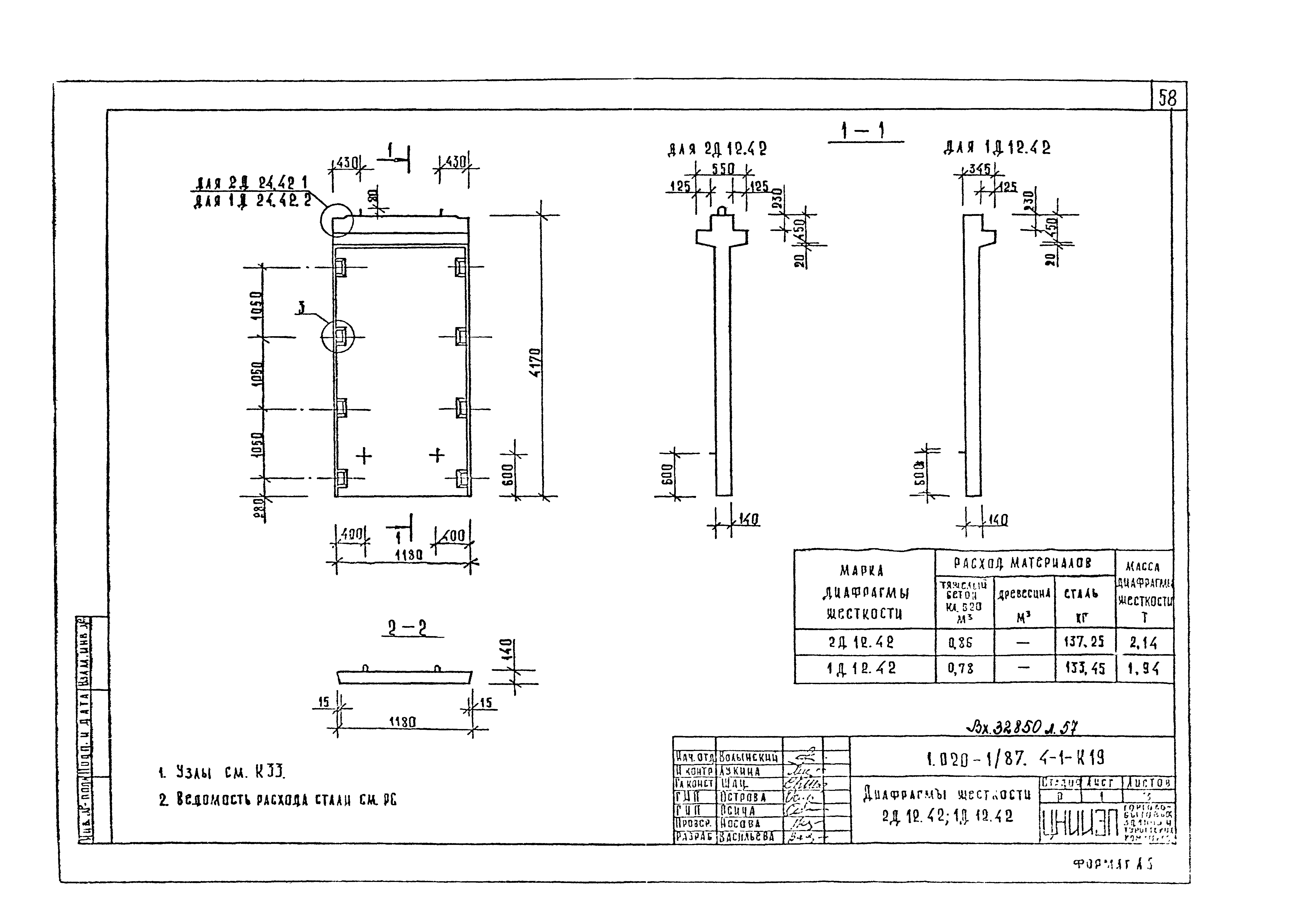
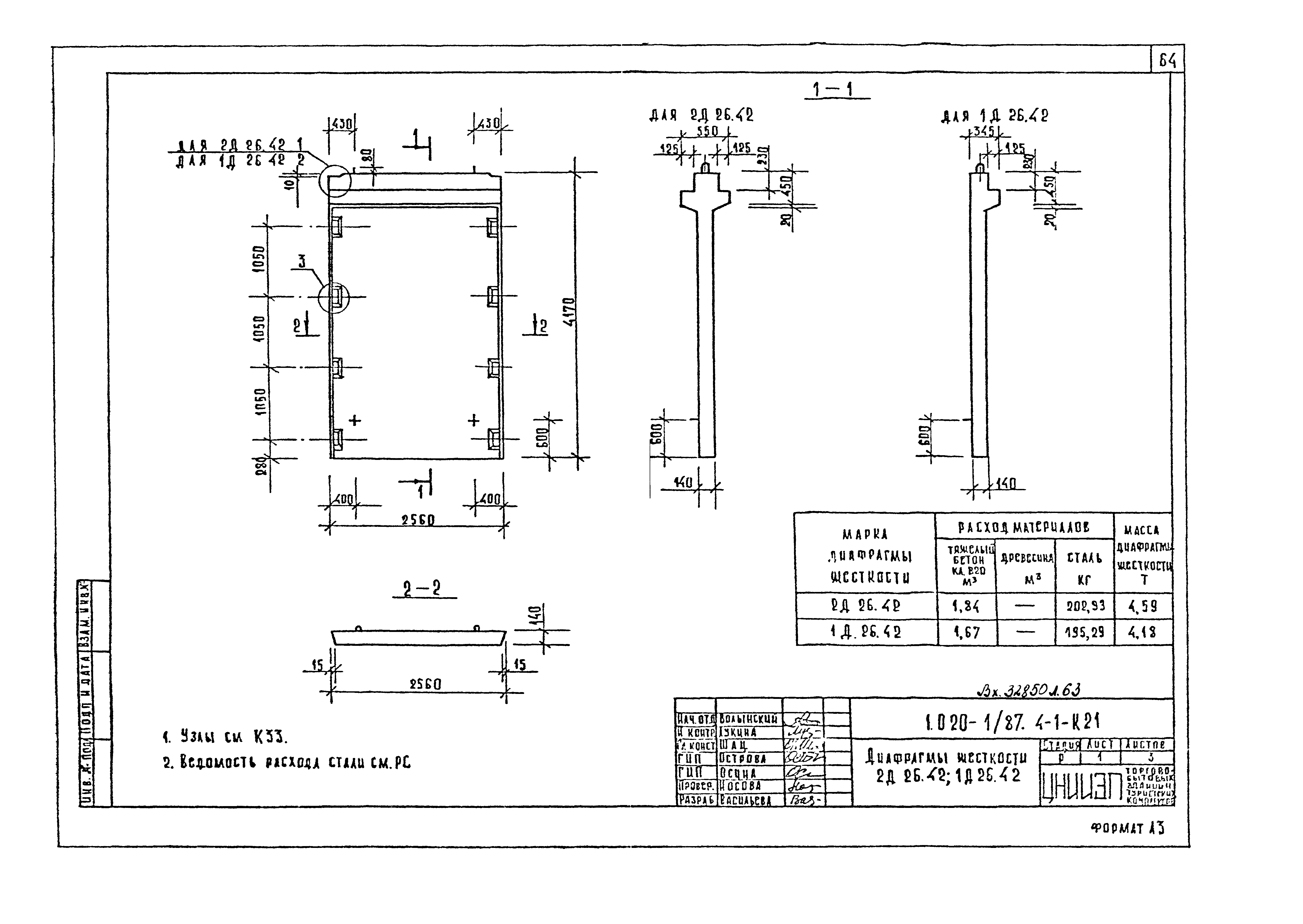
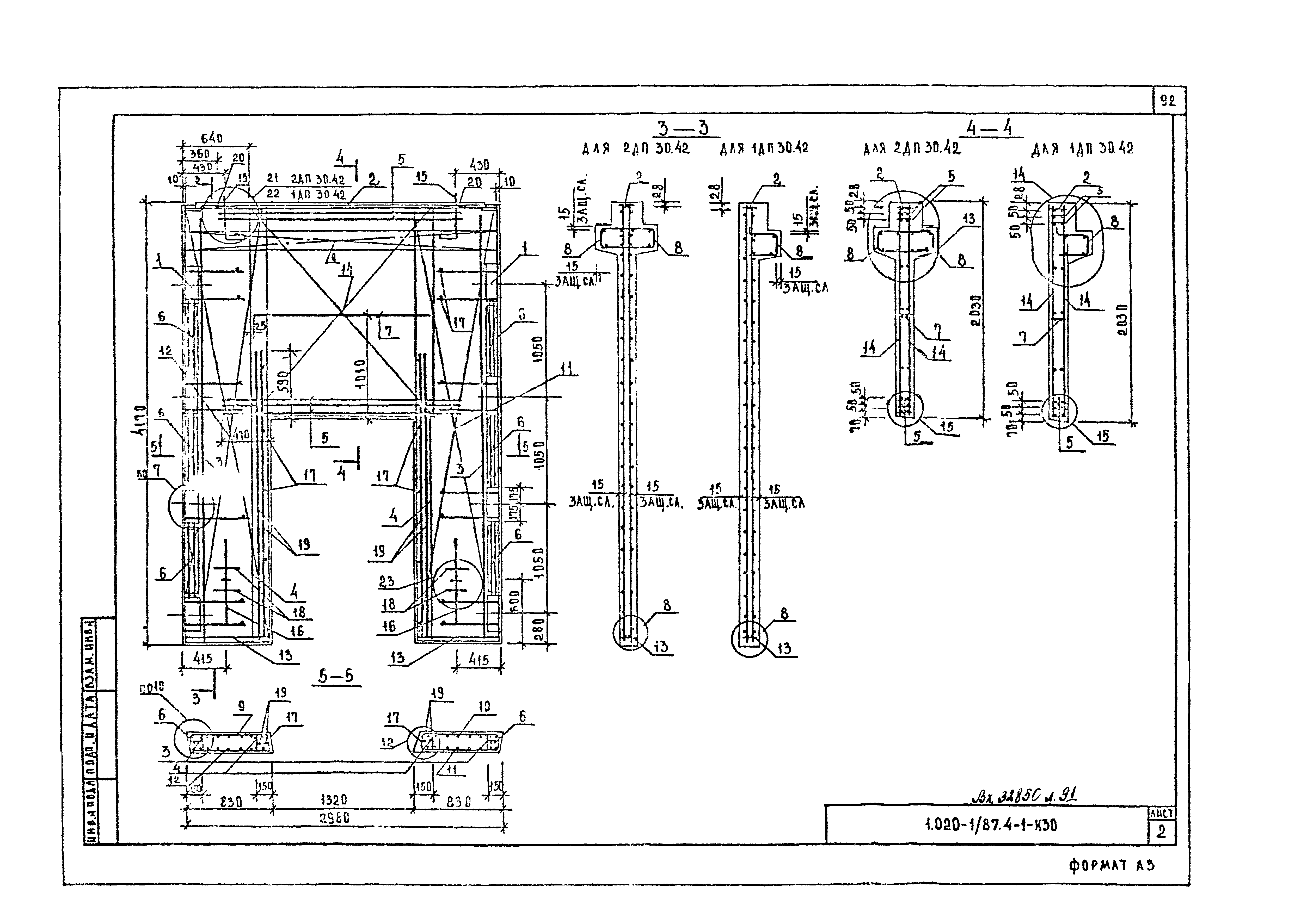
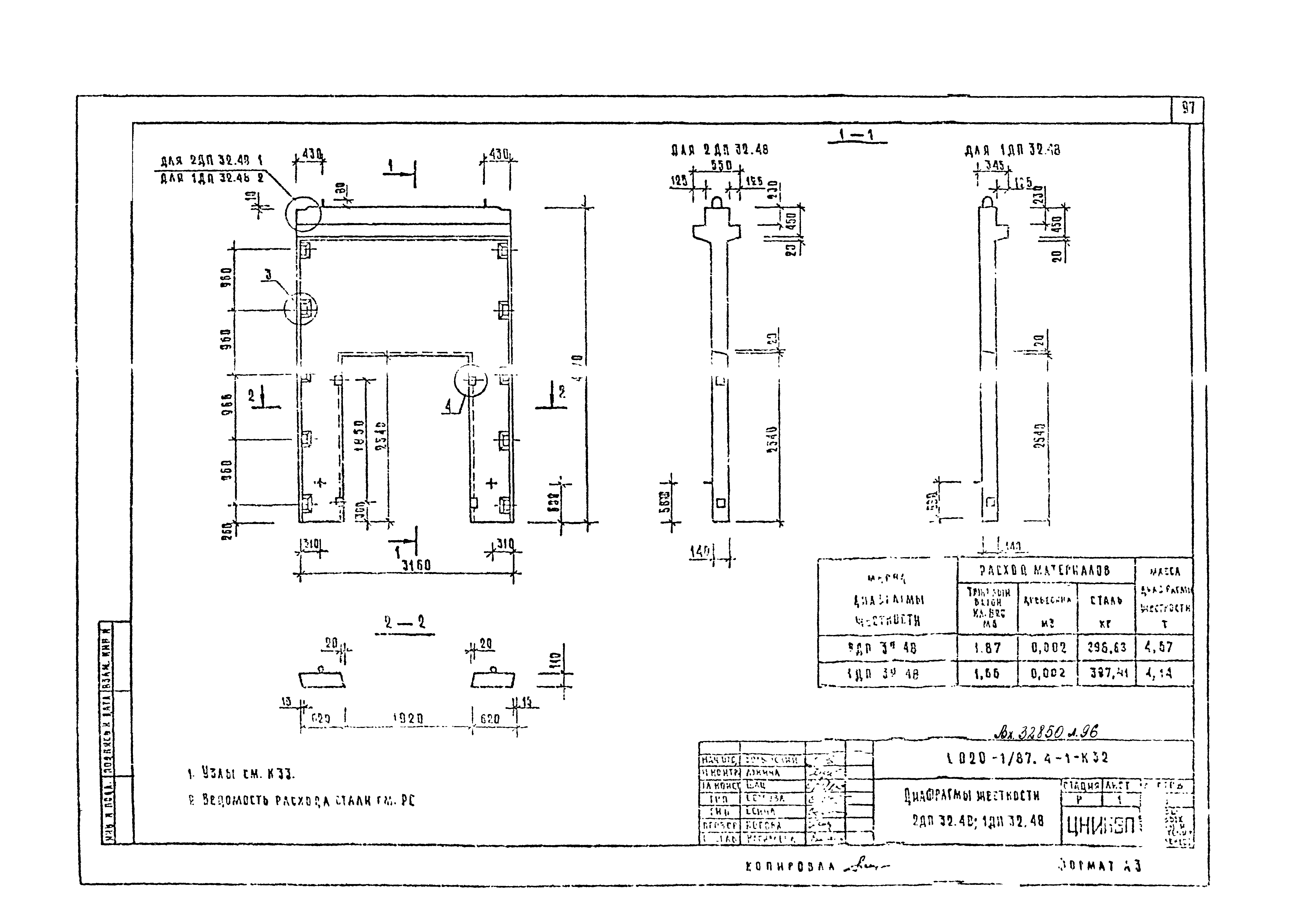
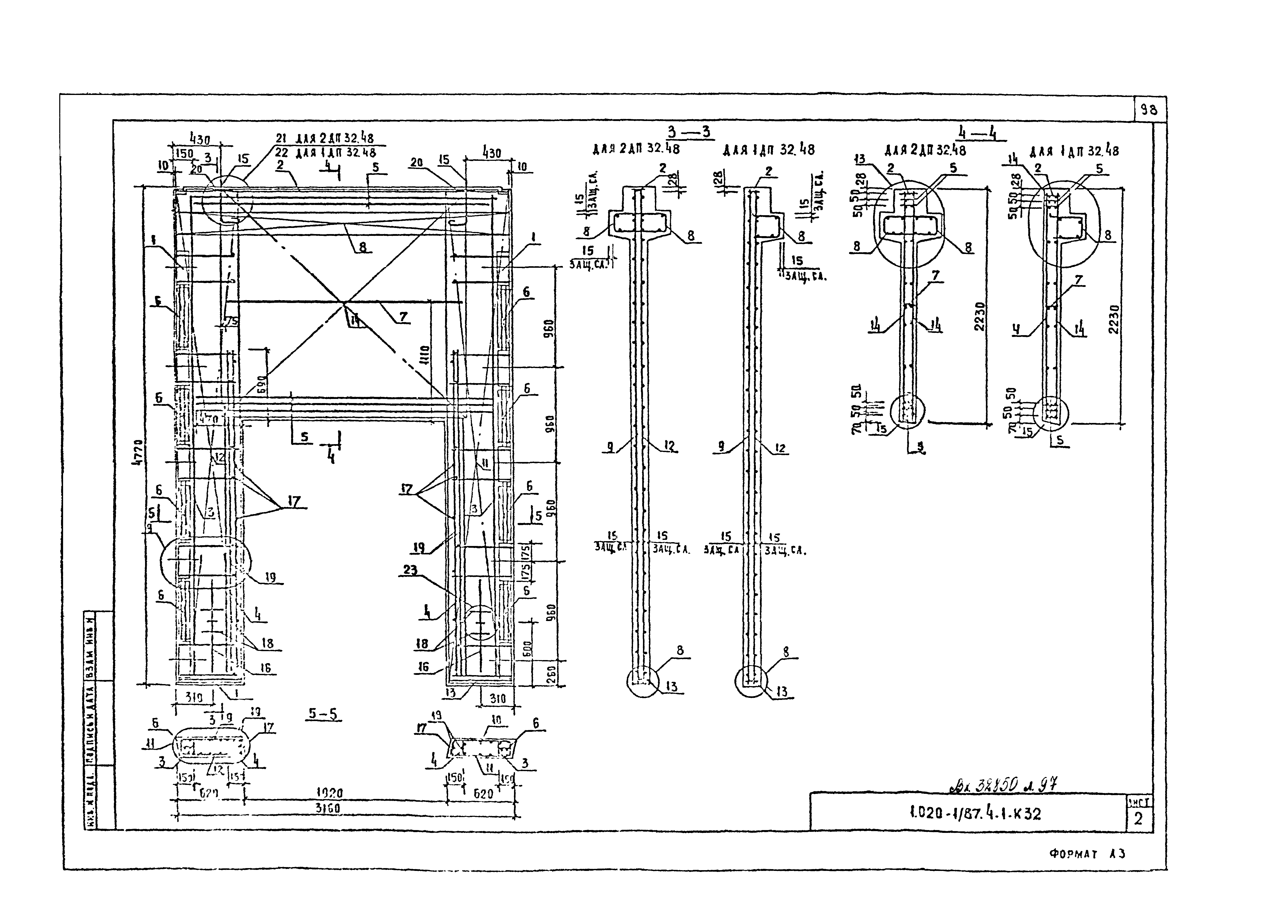
| Оглавление: | 1.020-1/87.4-1-ТТ Технические требования 1.020-1/87.4-1-К1 Диафрагмы жесткости 2Д 12.20; 1Д 12.20 1.020-1/87.4-1-К2 Диафрагмы жесткости 2Д 26.20; 1Д 26.20 1.020-1/87.4-1-К3 Диафрагма жесткости 1Д 30.20 1.020-1/87.4-1-К4 Диафрагмы жесткости 2Д 56.20; 1Д 56.20 1.020-1/87.4-1-К5 Диафрагмы жесткости 2Д 12.33; 1Д 12.33 1.020-1/87.4-1-К6 Диафрагмы жесткости 2Д 26.33; 1Д 26.33 1.020-1/87.4-1-К7 Диафрагмы жесткости 2Д 30.33; 1Д 30.33 1.020-1/87.4-1-К8 Диафрагмы жесткости 2Д 56.33; 1Д 56.33 1.020-1/87.4-1-К9 Диафрагмы жесткости 2ДП 26.33; 1ДП 26.33 1.020-1/87.4-1-К10 Диафрагмы жесткости 2ДП 30.33; 1ДП 30.33 1.020-1/87.4-1-К11 Диафрагмы жесткости 2ДП 56.33; 1ДП 56.33 1.020-1/87.4-1-К12 Диафрагмы жесткости 2ДПК 56.33; 1ДПК 56.33л 1.020-1/87.4-1-К13 Диафрагма жесткости 1ДПК 56.33п 1.020-1/87.4-1-К14 Диафрагмы жесткости 2Д 12.36; 1Д 12.36 1.020-1/87.4-1-К15 Диафрагмы жесткости 2Д 24.36; 1Д 24.36 1.020-1/87.4-1-К16 Диафрагмы жесткости 2Д 26.36; 1Д 26.36 1.020-1/87.4-1-К17 Диафрагмы жесткости 2Д 30.36; 1Д 30.36 1.020-1/87.4-1-К18 Диафрагмы жесткости 2Д 15.42; 1Д 15.42 1.020-1/87.4-1-К19 Диафрагмы жесткости 2Д 12.42; 1Д 12.42 1.020-1/87.4-1-К20 Диафрагмы жесткости 2Д 24.42; 1Д 24.42 1.020-1/87.4-1-К21 Диафрагмы жесткости 2Д 26.42; 1Д 26.42 1.020-1/87.4-1-К22 Диафрагмы жесткости 2Д 30.42; 1Д 30.42 1.020-1/87.4-1-К23 Диафрагмы жесткости 2Д 24.48; 1Д 24.48 1.020-1/87.4-1-К24 Диафрагмы жесткости 2Д 30.48; 1Д 30.48 1.020-1/87.4-1-К25 Диафрагмы жесткости 2Д 32.48; 1Д 32.48 1.020-1/87.4-1-К26 Диафрагмы жесткости 2ДП 26.36; 1ДП 26.36 1.020-1/87.4-1-К27 Диафрагмы жесткости 2ДП 30.36; 1ДП 30.36 1.020-1/87.4-1-К28 Диафрагмы жесткости 2ДП 32.36; 1ДП 32.36 1.020-1/87.4-1-К29 Диафрагмы жесткости 2ДП 26.42; 1ДП 26.42 1.020-1/87.4-1-К30 Диафрагмы жесткости 2ДП 30.42; 1ДП 30.42 1.020-1/87.4-1-К31 Диафрагмы жесткости 2ДП 32.42; 1ДП 32.42 1.020-1/87.4-1-К32 Диафрагмы жесткости 2ДП 32.48; 1ДП 32.48 1.020-1/87.4-1-К33 1.020-1/87.4-1-РС Ведомость расхода стали |
| Разработан: | НИИЖБ Госстроя СССР ЦНИИпромзданий ЦНИИЭП ТБЗ и ТК |
| Утверждён: | 12.12.1990 Госстрой СССР (Государственный комитет Совета Министров СССР по делам строительства) (USSR Gosstroy АЧ-15) |






















































































































