Скачать Образец выполнения рабочей документации систем автоматизации технологических процессов. Об. 91 ч. 2. Прилагаемые документы и документация на щиты и пульты

Дата актуализации: 01.01.2021

Образец выполнения рабочей документации систем автоматизации технологических процессов. Об. 91 ч. 2. Прилагаемые документы и документация на щиты и пульты

Статус:действует
Название рус.:Образец выполнения рабочей документации систем автоматизации технологических процессов. Об. 91 ч. 2. Прилагаемые документы и документация на щиты и пульты
Дата добавления в базу:01.09.2013
Дата актуализации:01.01.2021
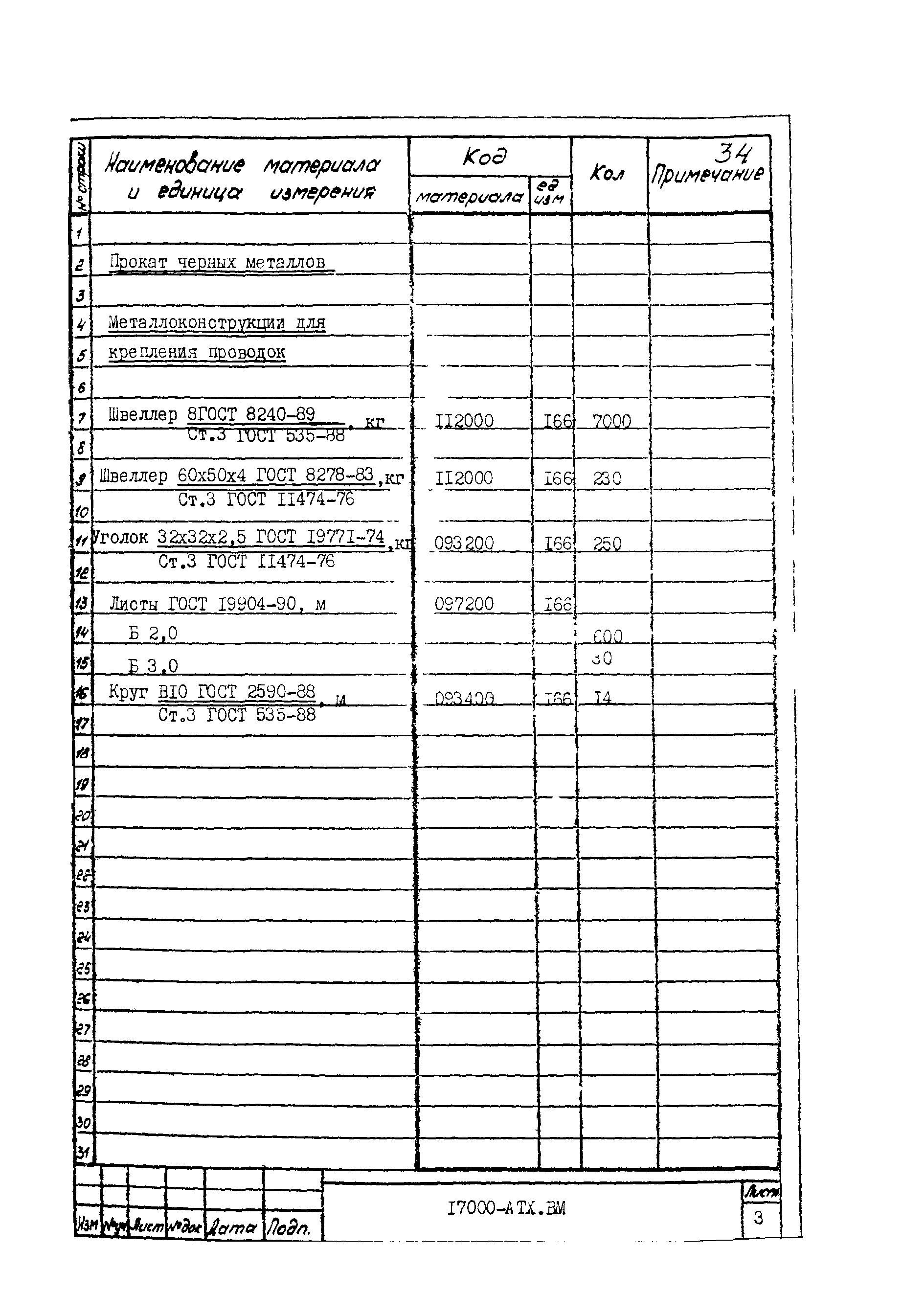
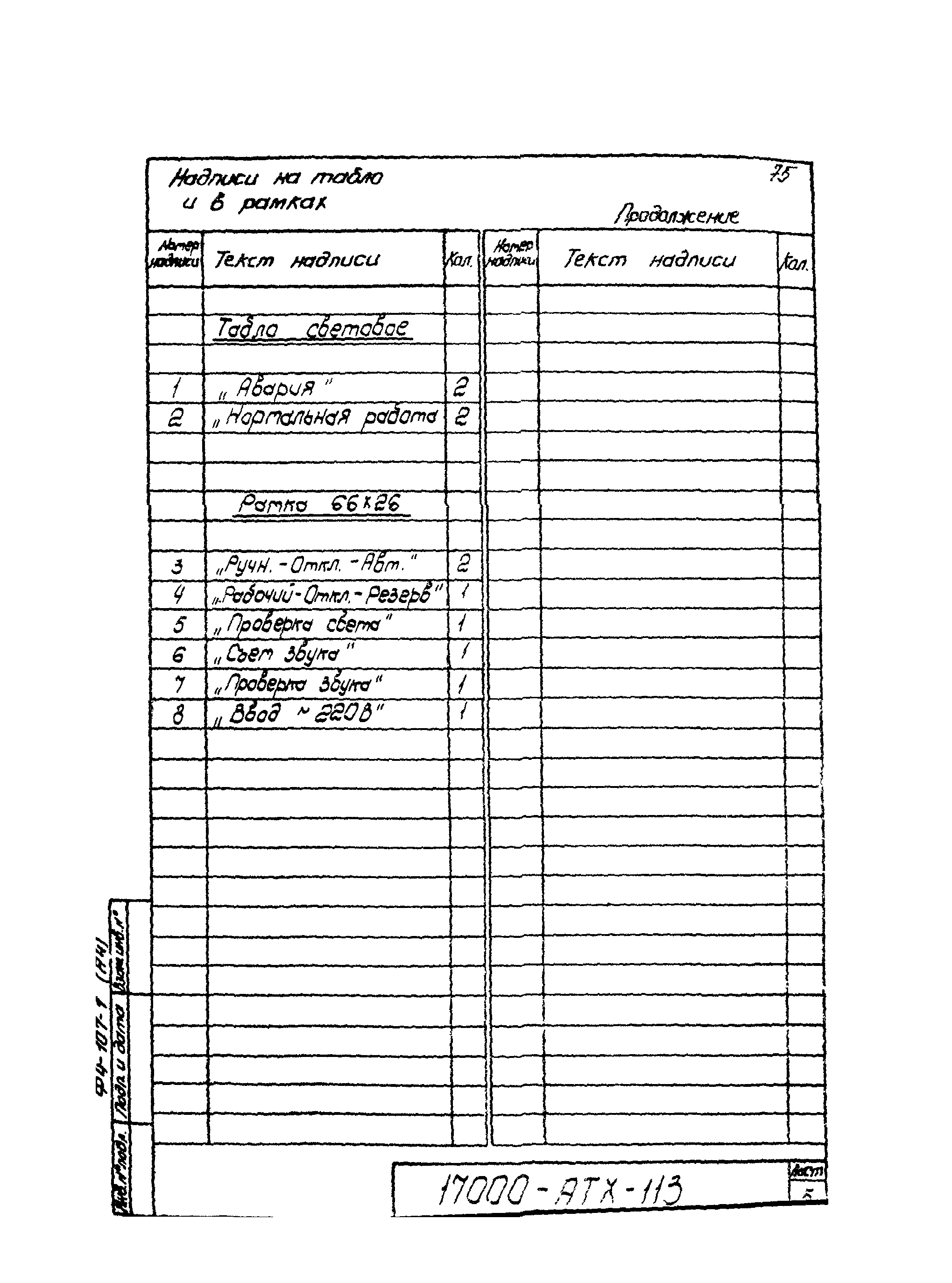
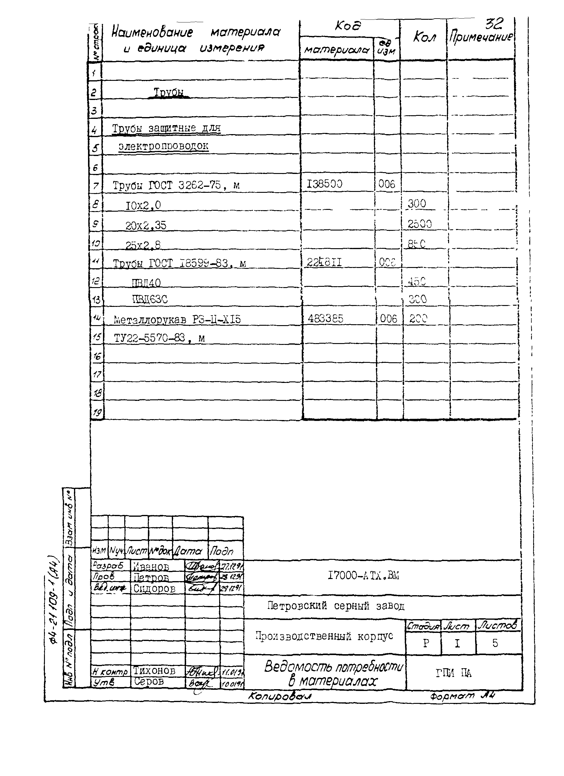
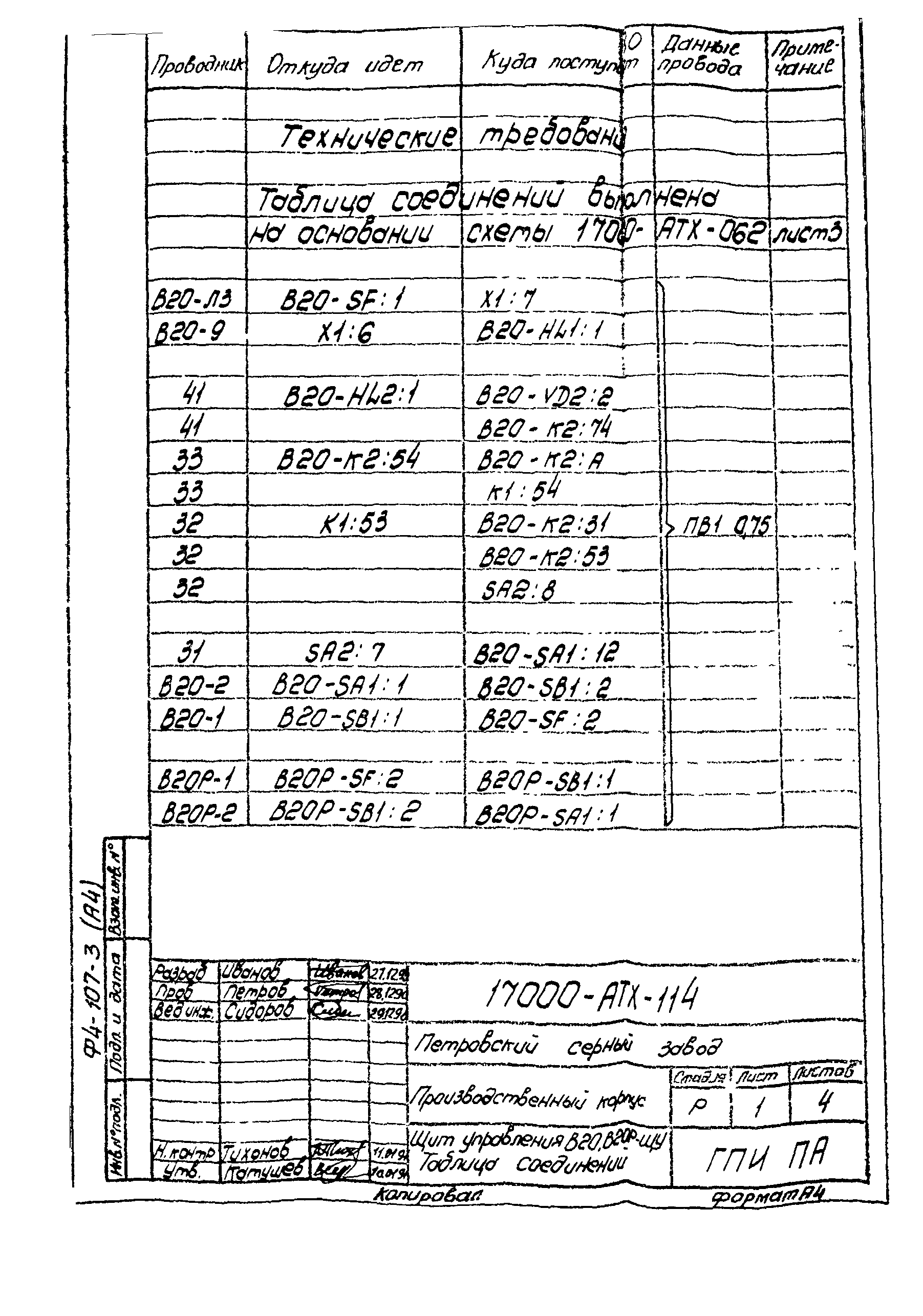
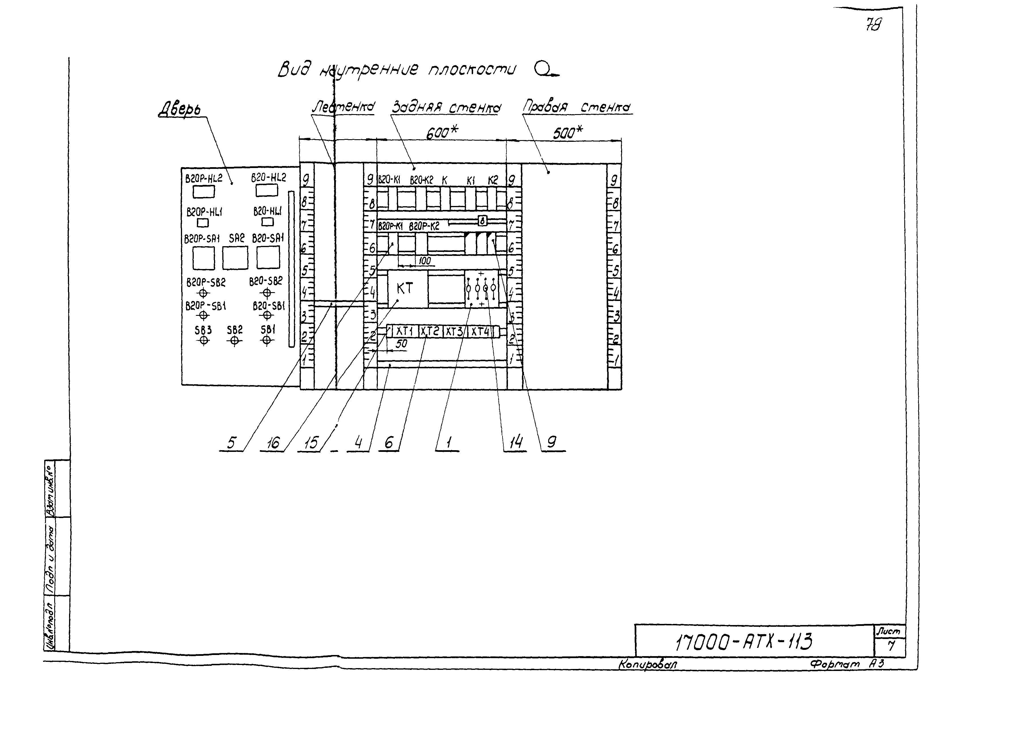
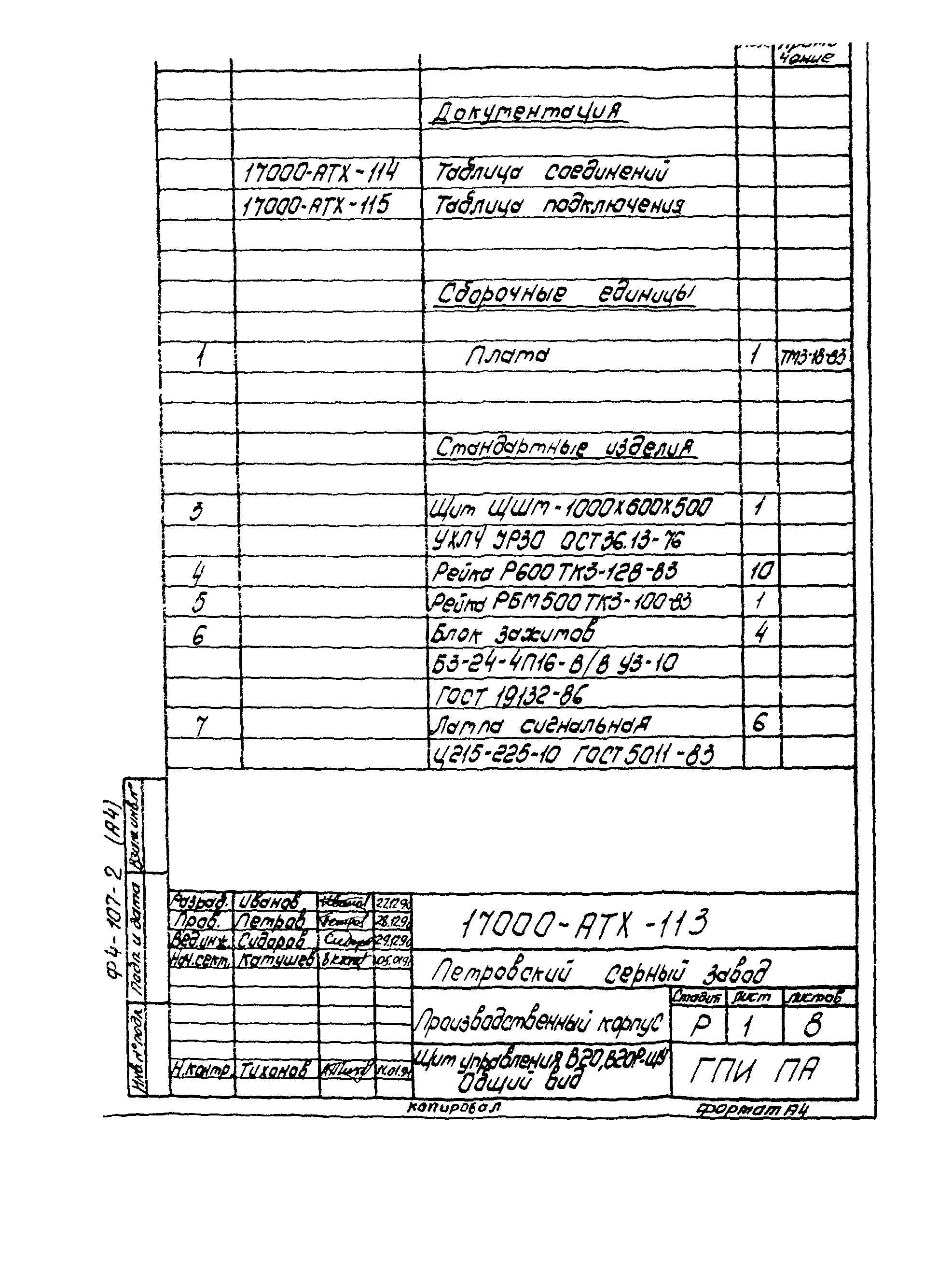
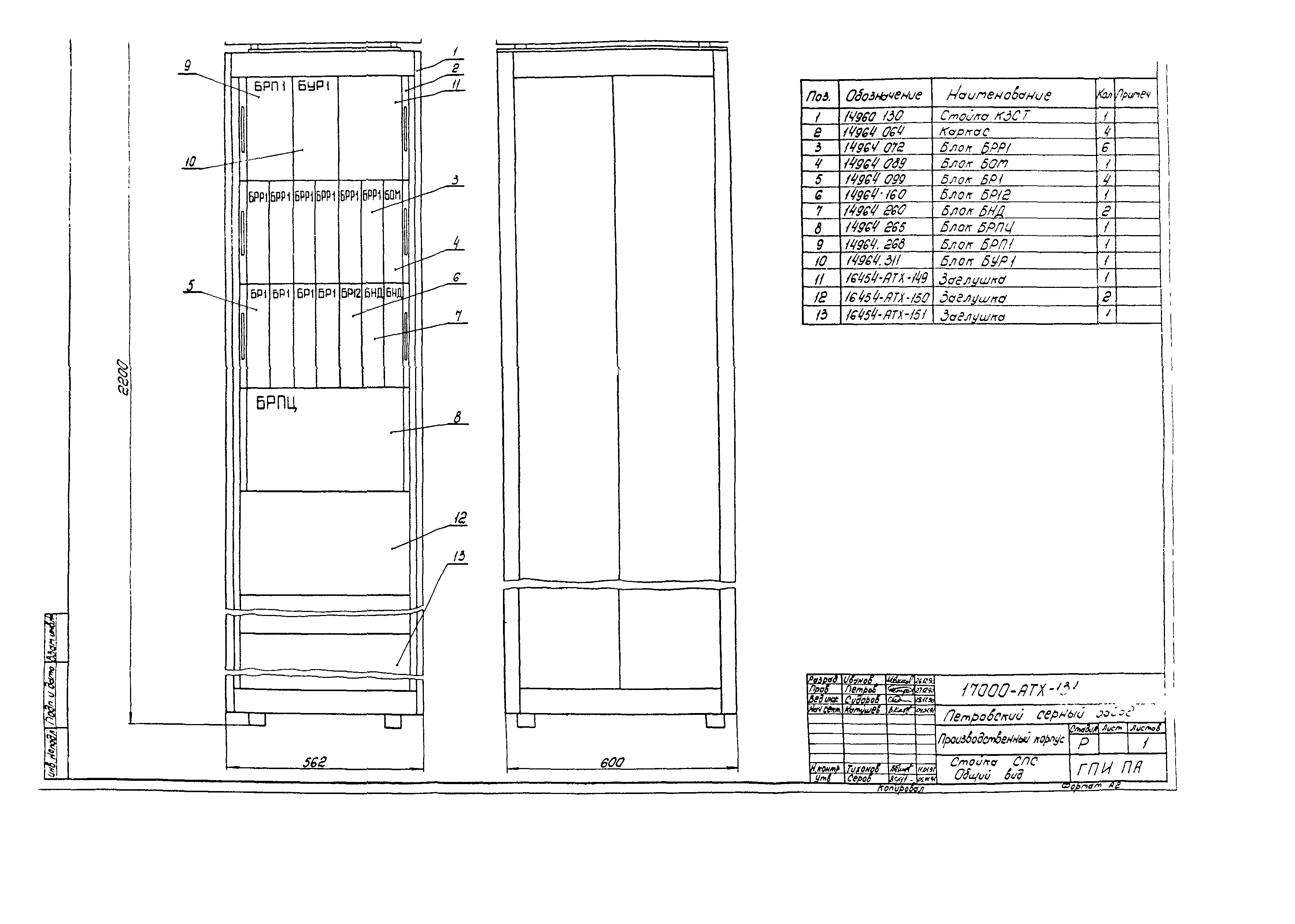
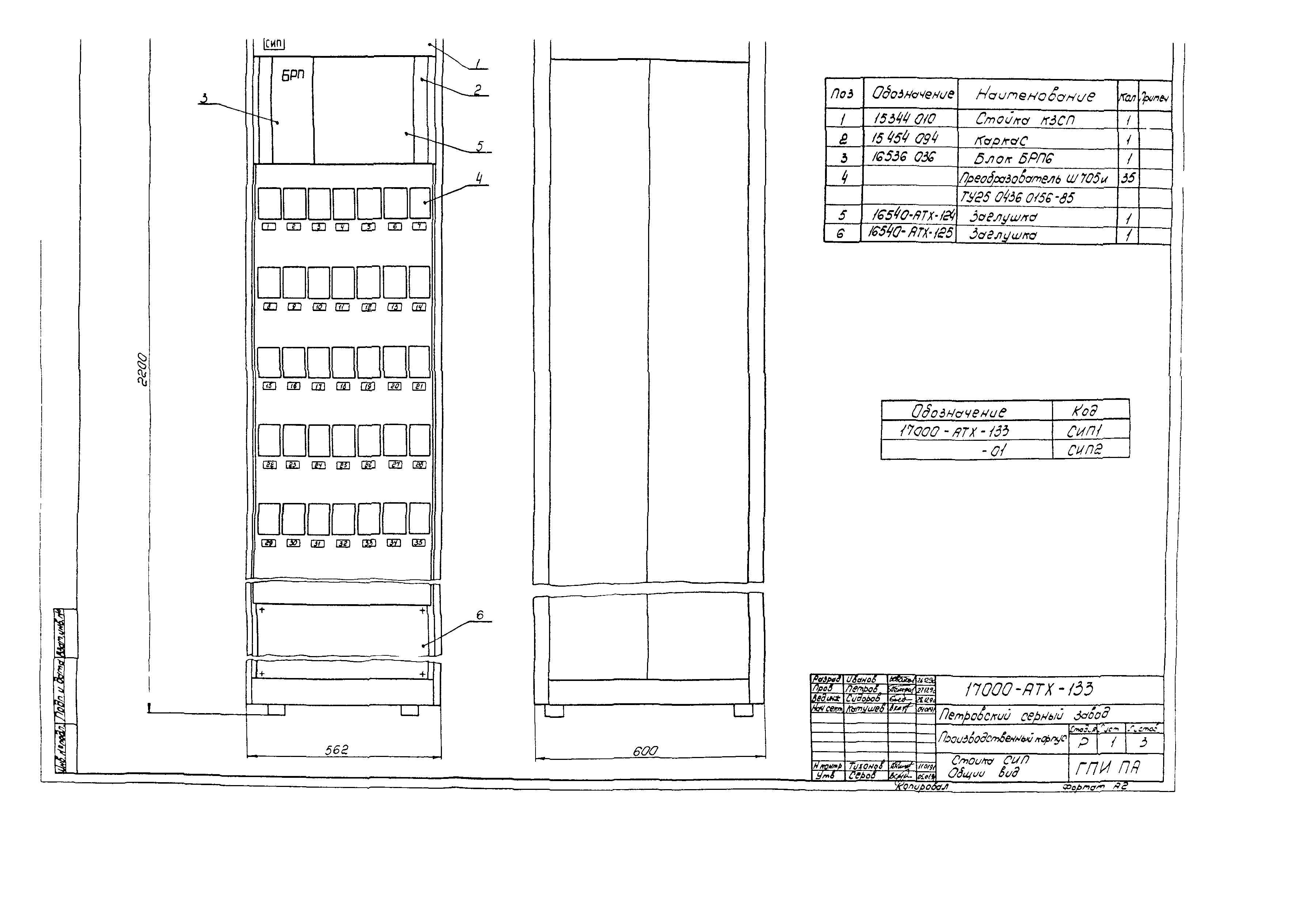
Область применения:Содержит основной набор чертежей и текстовых документов из практики проектирования систем автоматизации технологических процессов: общие виды стоек, пультов, щитов, деталей; спецификацию оборудования, ведомость потребности а материалах; пояснительную записку; локальную смету на приобретение и монтаж; установку приборов и аппаратов.
Оглавление:1 Введение
2 Образцы выполнения прилагаемых документов
3 Образцы выполнения документации на щиты и пульты
Разработан: ГПКИ Проектмонтажавтоматика
Утверждён:23.12.1991 ГПКИ Проектмонтажавтоматика (Projectmontazhavtomatika GPKI )
Издан: ГПКИ Проектмонтажавтоматика (1991 г. )