Скачать Серия 1.400-15 Выпуск 1. Рабочие чертежи унифицированных закладных деталейДата актуализации: 01.01.2021
|
| Обозначение: | Серия 1.400-15 |
| Обозначение англ: | Series 1.400-15 |
| Статус: | не определен законодательством |
| Название рус.: | Выпуск 1. Рабочие чертежи унифицированных закладных деталей |
| Дата добавления в базу: | 01.09.2013 |
| Дата актуализации: | 01.01.2021 |
| Дата введения: | 01.11.1980 |
| Дата окончания срока действия: | 30.06.2003 |
| Область применения: | Выпуск 1 содержит рабочие чертежи закладных изделий групп 1 - 8 и чертежи составных элементов этих изделий - пластин, анкерных стержней (прямых и гнутых), уголков, швеллеров и труб. |
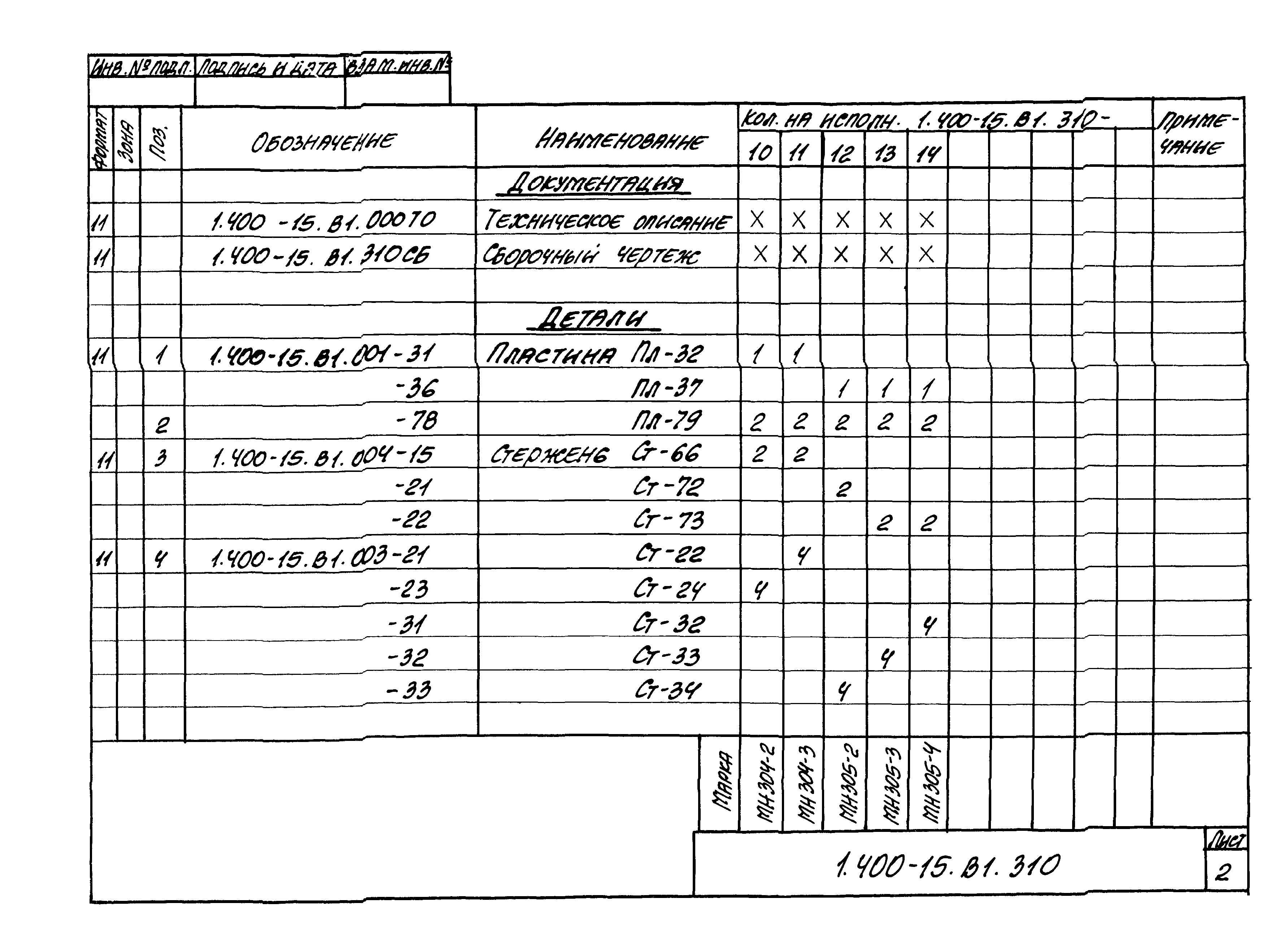
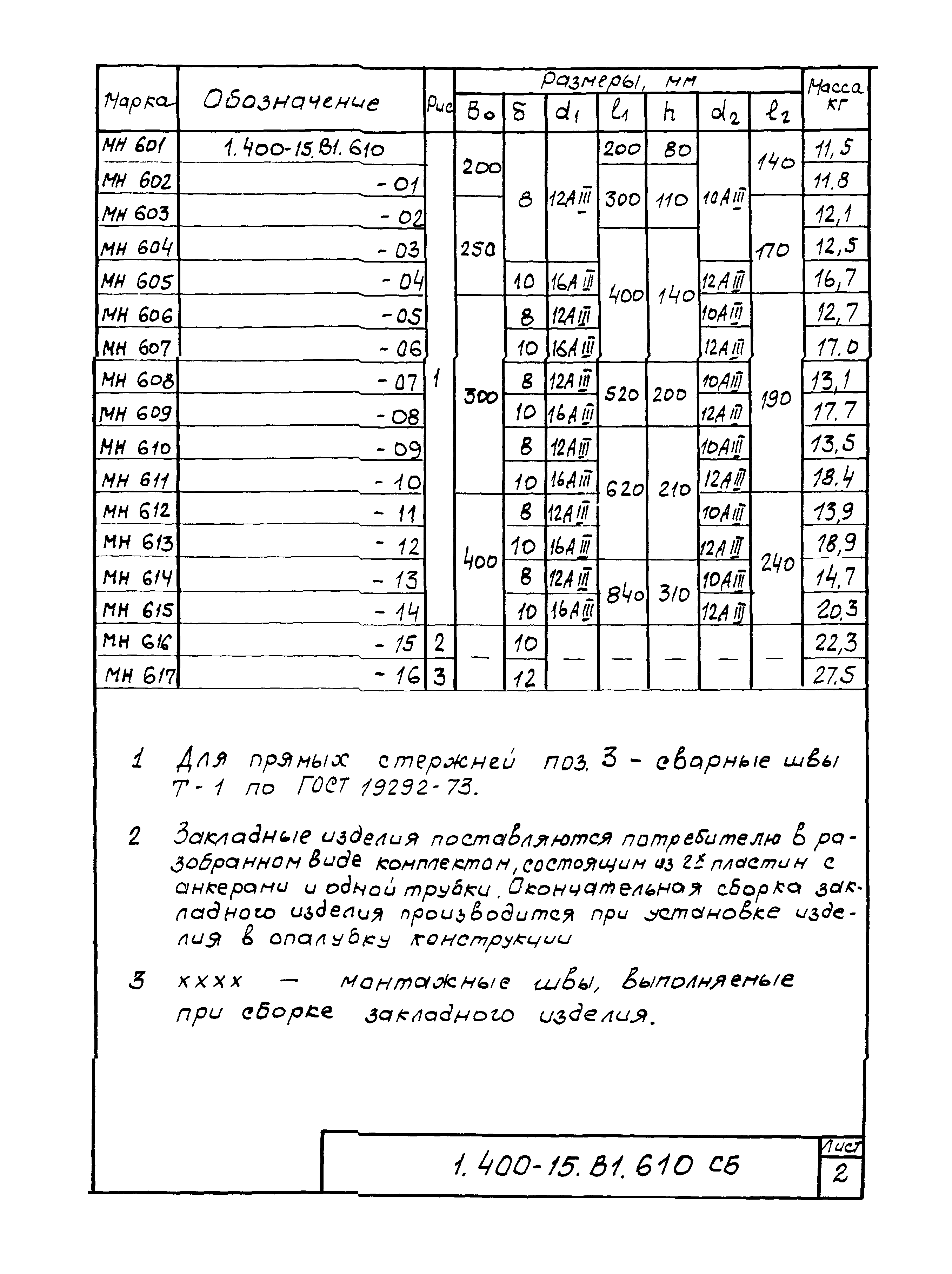
| Оглавление: | Содержание 1.400-15.В1.000ТО Техническое описание 1.400-15.В1.000ВД Ведомость ссылочных документов 1.400-15.В1.110 Изделие закладное МН101 - МН104 1.400-15.В1.110 СБ Изделие закладное МН101 - МН104. Сборочный чертеж 1.400-15.В1.120 Изделие закладное МН105 - МН116 1.400-15.В1.120 СБ Изделие закладное МН105 - МН116. Сборочный чертеж 1.400-15.В1.130 Изделие закладное МН117 - МН126 1.400-15.В1.130 СБ Изделие закладное МН117 - МН126. Сборочный чертеж 1.400-15.В1.140 Изделие закладное МН127 - МН132 1.400-15.В1.140 СБ Изделие закладное МН127 - МН132. Сборочный чертеж 1.400-15.В1.150 Изделие закладное МН133 - МН145 1.400-15.В1.150 СБ Изделие закладное МН133 - МН145. Сборочный чертеж 1.400-15.В1.160 Изделие закладное МН146 - МН151 1.400-15.В1.160 СБ Изделие закладное МН146 - МН151. Сборочный чертеж 1.400-15.В1.170 Изделие закладное МН152 - МН158 1.400-15.В1.170 СБ Изделие закладное МН152 - МН158. Сборочный чертеж 1.400-15.В1.180 Изделие закладное МН159 - МН162 1.400-15.В1.180 СБ Изделие закладное МН159 - МН162. Сборочный чертеж 1.400-15.В1.190 Изделие закладное МН163, МН164 1.400-15.В1.190 СБ Изделие закладное МН163, МН164. Сборочный чертеж 1.400-15.В1.210 Изделие закладное МН201 - МН209 1.400-15.В1.210 СБ Изделие закладное МН201 - МН209. Сборочный чертеж 1.400-15.В1.220 Изделие закладное МН210 - МН217 1.400-15.В1.220 СБ Изделие закладное МН210 - МН217. Сборочный чертеж 1.400-15.В1.230 Изделие закладное МН218 - МН222 1.400-15.В1.230 СБ Изделие закладное МН218 - МН222. Сборочный чертеж 1.400-15.В1.240 Изделие закладное МН223 - МН228 1.400-15.В1.240 СБ Изделие закладное МН223 - МН228. Сборочный чертеж 1.400-15.В1.310 Изделие закладное МН301 - МН305 1.400-15.В1.310 СБ Изделие закладное МН301 - МН305. Сборочный чертеж 1.400-15.В1.320 Изделие закладное МН306 - МН311 1.400-15.В1.320 СБ Изделие закладное МН306 - МН311. Сборочный чертеж 1.400-15.В1.330 Изделие закладное МН312, МН313 1.400-15.В1.330 СБ Изделие закладное МН312, МН313. Сборочный чертеж 1.400-15.В1.340 Изделие закладное МН314 - МН317 1.400-15.В1.340 СБ Изделие закладное МН314 - МН317. Сборочный чертеж 1.400-15.В1.350 Изделие закладное МН318 - МН321 1.400-15.В1.350 СБ Изделие закладное МН318 - МН321. Сборочный чертеж 1.400-15.В1.360 Изделие закладное МН322, МН323 1.400-15.В1.360 СБ Изделие закладное МН322, МН323. Сборочный чертеж 1.400-15.В1. 370 Изделие закладное МН324, МН325 1.400-15.В1.370 СБ Изделие закладное МН324, МН325. Сборочный чертеж 1.400-15.В1.410 Изделие закладное МН401 - МН404 1.400-15.В1.410 СБ Изделие закладное МН401 - МН404. Сборочный чертеж 1.400-15.В1.420 Изделие закладное МН405 - МН413 1.400-15.В1.420 СБ Изделие закладное МН405 - МН413. Сборочный чертеж 1.400-15.В1.430 Изделие закладное МН414 - МН418 1.400-15.В1.430 СБ Изделие закладное МН414 - МН418. Сборочный чертеж 1.400-15.В1.510 Изделие закладное МН501 - МН516 1.400-15.В1.510 СБ Изделие закладное МН501 - МН516. Сборочный чертеж 1.400-15.В1.520 Изделие закладное МН517 - МН522, МН535 - 538 1.400-15.В1.520 СБ Изделие закладное МН517 - МН522, МН535 - 538. Сборочный чертеж 1.400-15.В1.530 Изделие закладное МН523 - МН534 1.400-15.В1.530 СБ Изделие закладное МН523 - МН534. Сборочный чертеж 1.400-15.В1.540 Изделие закладное МН539 - МН548 1.400-15.В1.540 СБ Изделие закладное МН539 - МН548. Сборочный чертеж 1.400-15.В1.550 Изделие закладное МН549 - МН557 1.400-15.В1.550 СБ Изделие закладное МН549 - МН557. Сборочный чертеж 1.400-15.В1.560 Изделие закладное МН558 - МН565 1.400-15.В1.560 СБ Изделие закладное МН558 - МН565. Сборочный чертеж 1.400-15.В1.570 Изделие закладное МН566 - МН571 1.400-15.В1.570 СБ Изделие закладное МН566 - МН571. Сборочный чертеж 1.400-15.В1.610 Изделие закладное МН601 - МН617 1.400-15.В1.610 СБ Изделие закладное МН601 - МН617. Сборочный чертеж 1.400-15.В1.710 Изделие закладное МН701 - МН725 1.400-15.В1.710 СБ Изделие закладное МН701 - МН725. Сборочный чертеж 1.400-15.В1.720 Изделие закладное МН726 - МН775 1.400-15.В1.720 СБ Изделие закладное МН726 - МН775. Сборочный чертеж 1.400-15.В1.730 Изделие закладное МН776 - МН795 1.400-15.В1.730 СБ Изделие закладное МН776 - МН795. Сборочный чертеж 1.400-15.В1.810 Изделие закладное МН801 - МН834 1.400-15.В1.001 Пластина Пл-1 - Пл-81 1.400-15.В1.002 Пластины с отверстиями 1.400-15.В1.003 Стержень прямой Ст-1 - Ст-44 1.400-15.В1.004 Стержень гнутый Ст-51 - Ст-76 1.400-15.В1.005 Уголок У-1 - У-47, У-5а - У-20а. Швеллер Ш-1 - Ш-14 1.400-15.В1.006 Уголок гнутый У-55 - У-74 1.400-15.В1.007 Труба Тр-1 - Тр-5 |
| Разработан: | Харьковский Промстройниипроект Ленинградский Промстройпроект |
| Утверждён: | 23.05.1980 Госстрой СССР (Государственный комитет Совета Министров СССР по делам строительства) (USSR Gosstroy 75) |
| Издан: | ЦИТП Госстроя СССР (CITP, Gosstroy (USSR) 1980 г. ) |
| Нормативные ссылки: |




































































































































































































