Скачать ТУ 34-38-20064-96 Насос центробежный Д12500-24 (48Д-22). Технические условия на ремонтДата актуализации: 01.01.2021
|
| Обозначение: | ТУ 34-38-20064-96 |
| Обозначение англ: | TU 34-38-20064-96 |
| Статус: | не действует |
| Название рус.: | Насос центробежный Д12500-24 (48Д-22). Технические условия на ремонт |
| Дата добавления в базу: | 01.09.2013 |
| Дата актуализации: | 01.01.2021 |
| Дата введения: | 01.01.1997 |
| Дата окончания срока действия: | 17.12.2009 |
| Область применения: | Технические условия распространяются на капитальный ремонт насоса Д 12500-24 (48Д-22) ГОСТ 10272-87 в течении полного срока службы. |
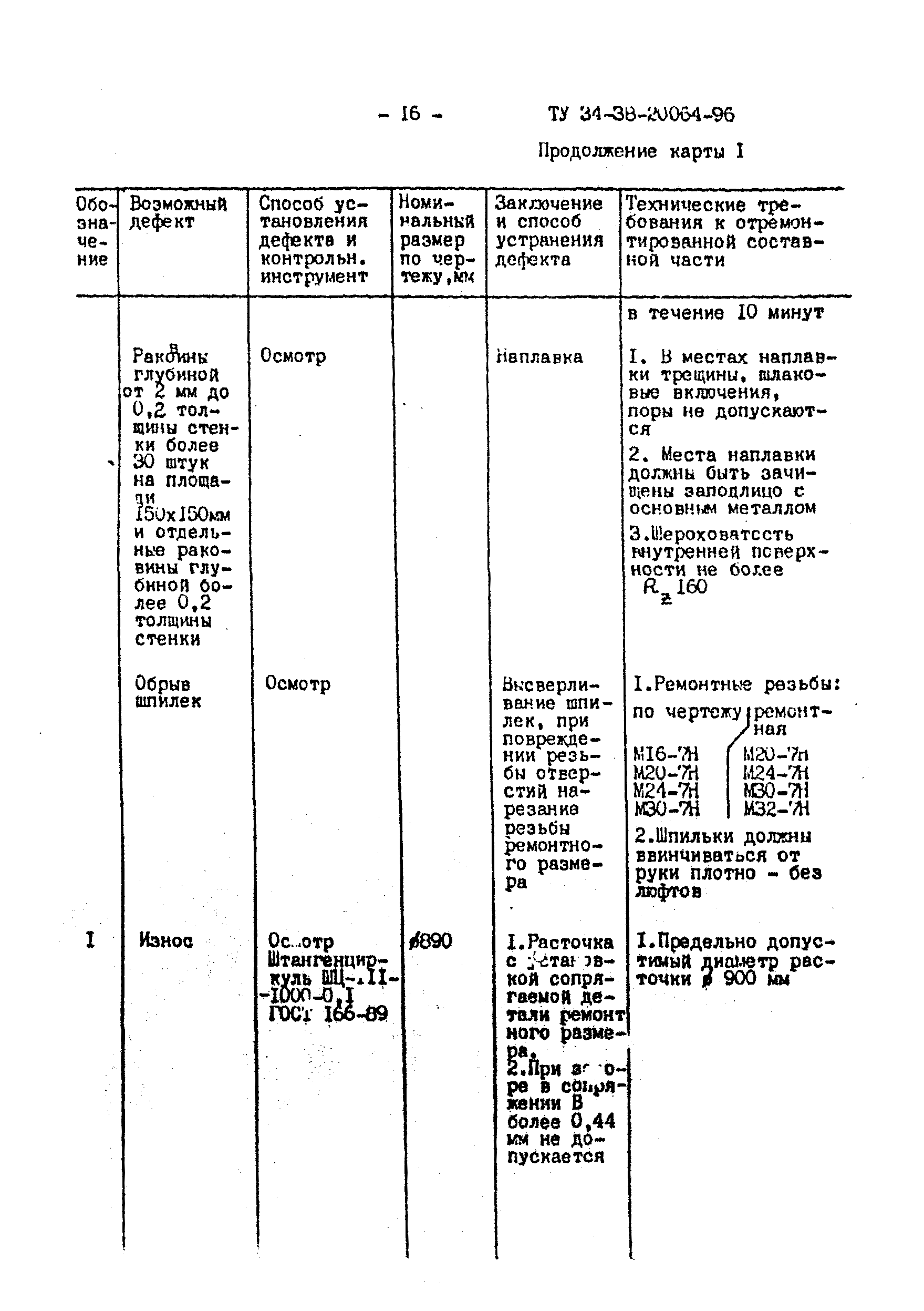
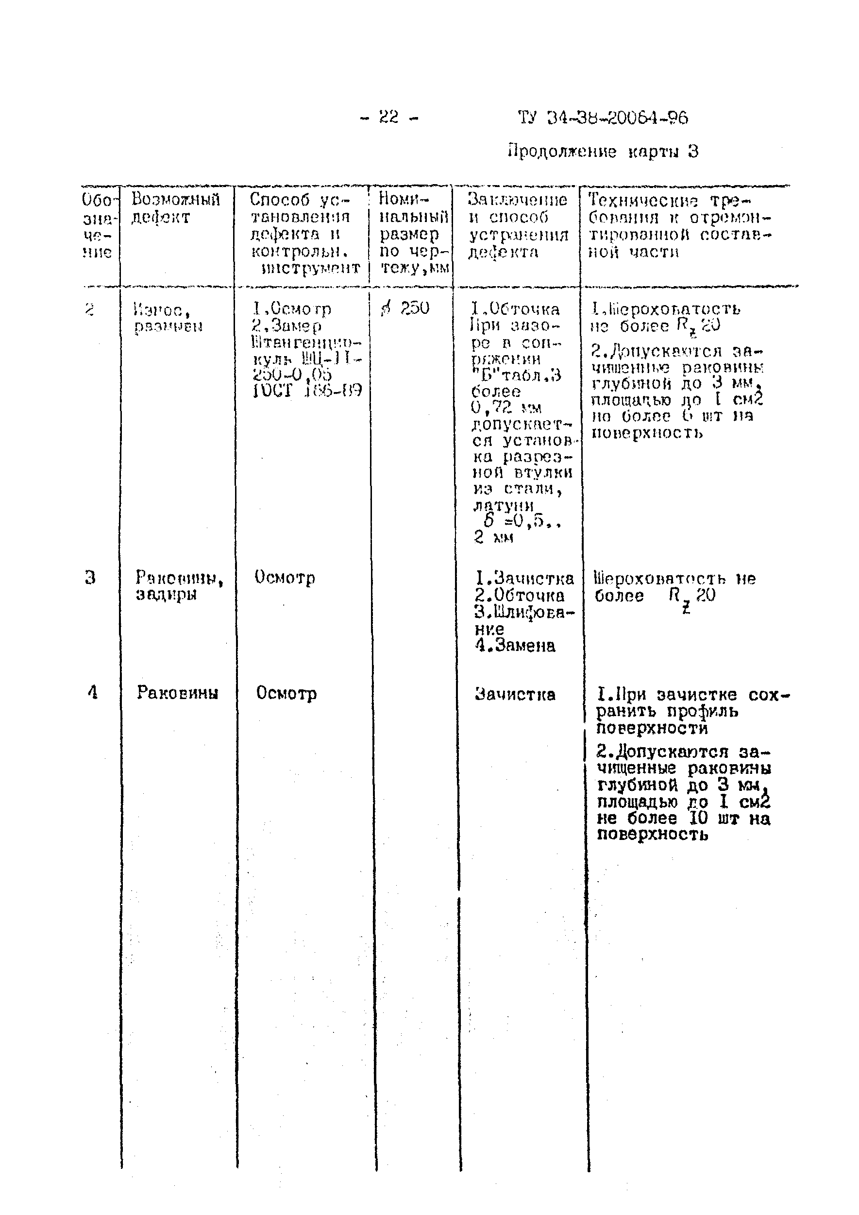
| Оглавление: | 1. Введение 2. Характеристика насоса 3. Общие технические требования 4. Требования к составным частям 4.1. Корпус (карты 1-7) Корпус Кольцо уплотняющее Грунд-букса Кольцо сальника Корпус подшипника Лист регистрации изменений |
| Разработан: | ЦКБ Энергоремонт |
| Утверждён: | РАО ЕЭС России (UES of Russia RAO ) |
| Принят: | ПО Союзтехэнерго Союзэнергоремтрест ВПО Союзнасосмаш Уралгидромаш |
| Нормативные ссылки: |



























