Скачать ГОСТ ИСО 14269-4-2003 Тракторы и самоходные машины для сельскохозяйственных работ и лесоводства. Окружающая среда рабочего места оператора. Часть 4. Метод испытания фильтрующего элементаДата актуализации: 01.01.2021
|
| Обозначение: | ГОСТ ИСО 14269-4-2003 |
| Обозначение англ: | GOST ISO 14269-4-2003 |
| Статус: | введен впервые |
| Название рус.: | Тракторы и самоходные машины для сельскохозяйственных работ и лесоводства. Окружающая среда рабочего места оператора. Часть 4. Метод испытания фильтрующего элемента |
| Название англ.: | Tractors and self-propelled machines for agriculture and forestry. Operator enclosure environment. Part 4. Air filter element test method |
| Дата добавления в базу: | 01.09.2013 |
| Дата актуализации: | 01.01.2021 |
| Дата введения: | 01.01.2008 |
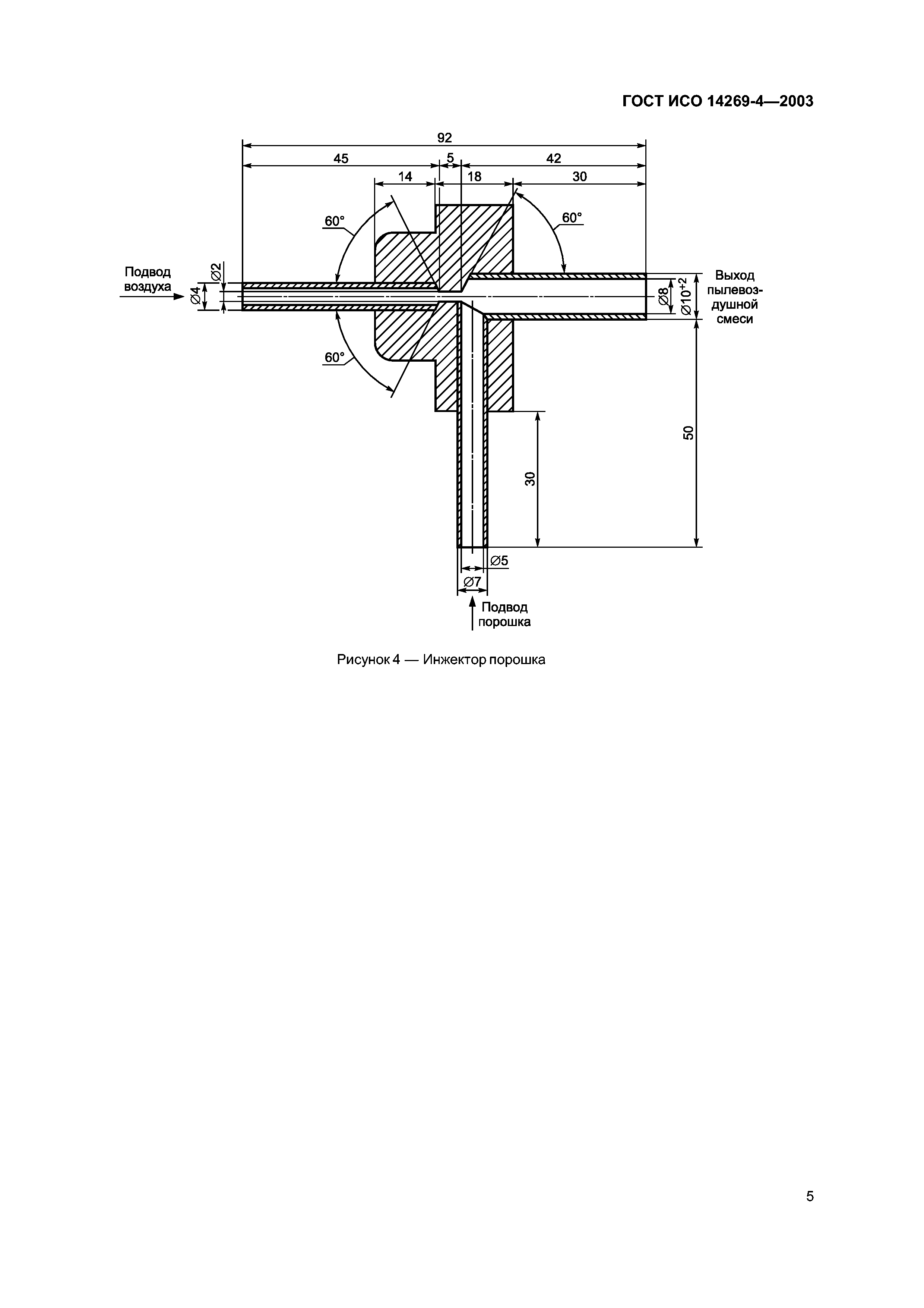
| Область применения: | Стандарт устанавливает метод испытания по определению харктеристик воздушных фильтров панельного типа. Стандарт распространяется на фильтры систем вентиляции тракторов и самоходных машин для сельскохозяйственных работ и лесоводства, оборудованных кабиной. |
| Оглавление: | 1 Область применения 2 Нормативные ссылки 3 Термины и определения 4 Испытания по определению характеристик фильтрующего элемента Приложение А Форма протокола квалификационных испытаний воздушного фильтра панельного типа Приложение В Сведения о соответствии ссылочных международных стандартов межгосударственным стандартам |
| Разработан: | БелГИСС |
| Утверждён: | 22.05.2003 Межгосударственный Совет по стандартизации, метрологии и сертификации (Inter-Governmental Council on Standardization, Metrology, and Certification 23) 22.03.2006 Федеральное агентство по техническому регулированию и метрологии (43-ст) |
| Издан: | Стандартинформ (2006 г. ) |










