Скачать Серия 1.423.3-8 Выпуск 6. Колонны для зданий высотой от 9,6 до 18,0 м бескрановых и с подвесными электрическими кранами общего назначения грузоподъемностью до 5 т. Чертежи КМДата актуализации: 01.01.2021
|
| Обозначение: | Серия 1.423.3-8 |
| Обозначение англ: | Series 1.423.3-8 |
| Статус: | не определен законодательством |
| Название рус.: | Выпуск 6. Колонны для зданий высотой от 9,6 до 18,0 м бескрановых и с подвесными электрическими кранами общего назначения грузоподъемностью до 5 т. Чертежи КМ |
| Дата добавления в базу: | 01.09.2013 |
| Дата актуализации: | 01.01.2021 |
| Дата введения: | 01.02.1990 |
| Дата окончания срока действия: | 30.06.2003 |
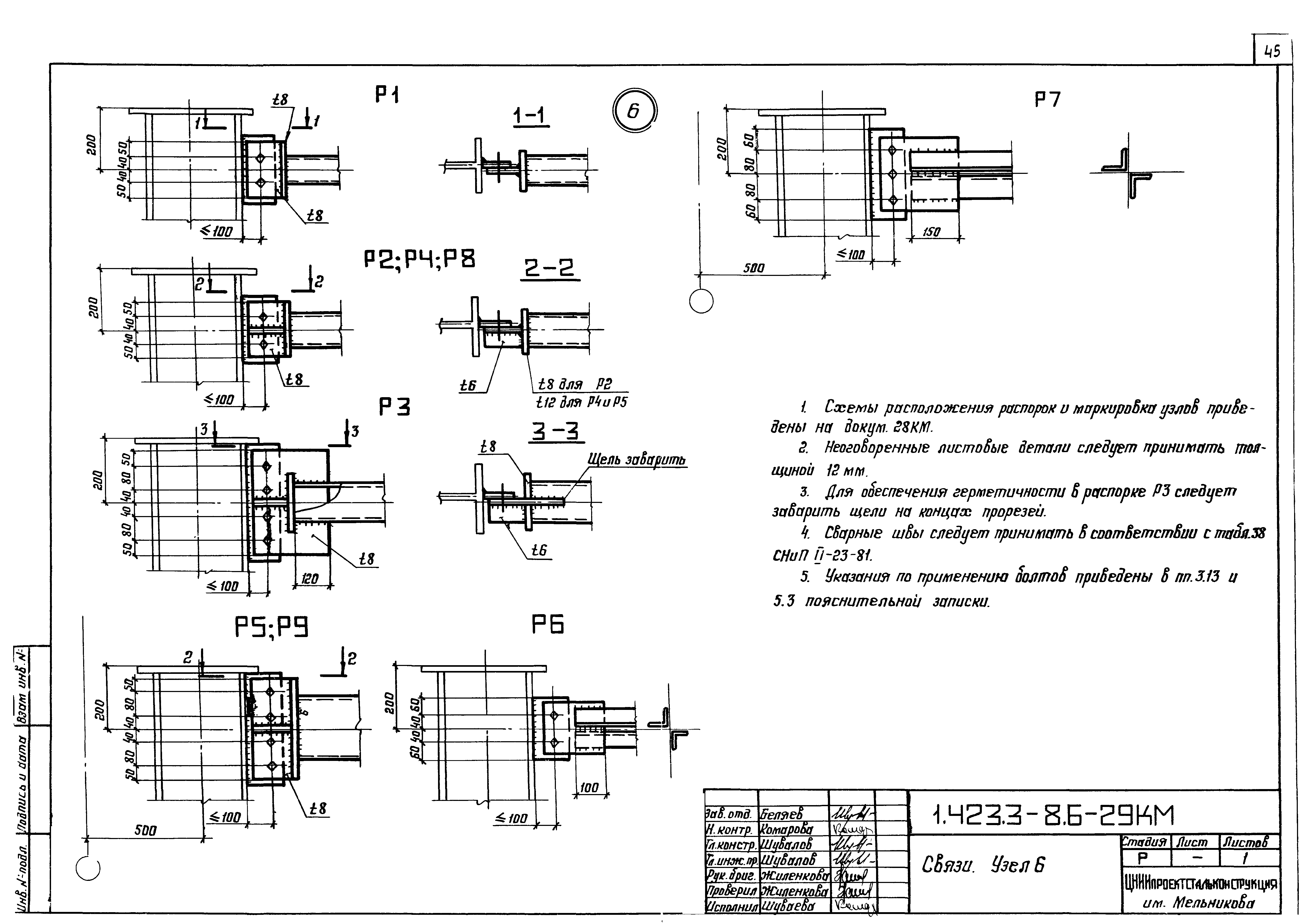
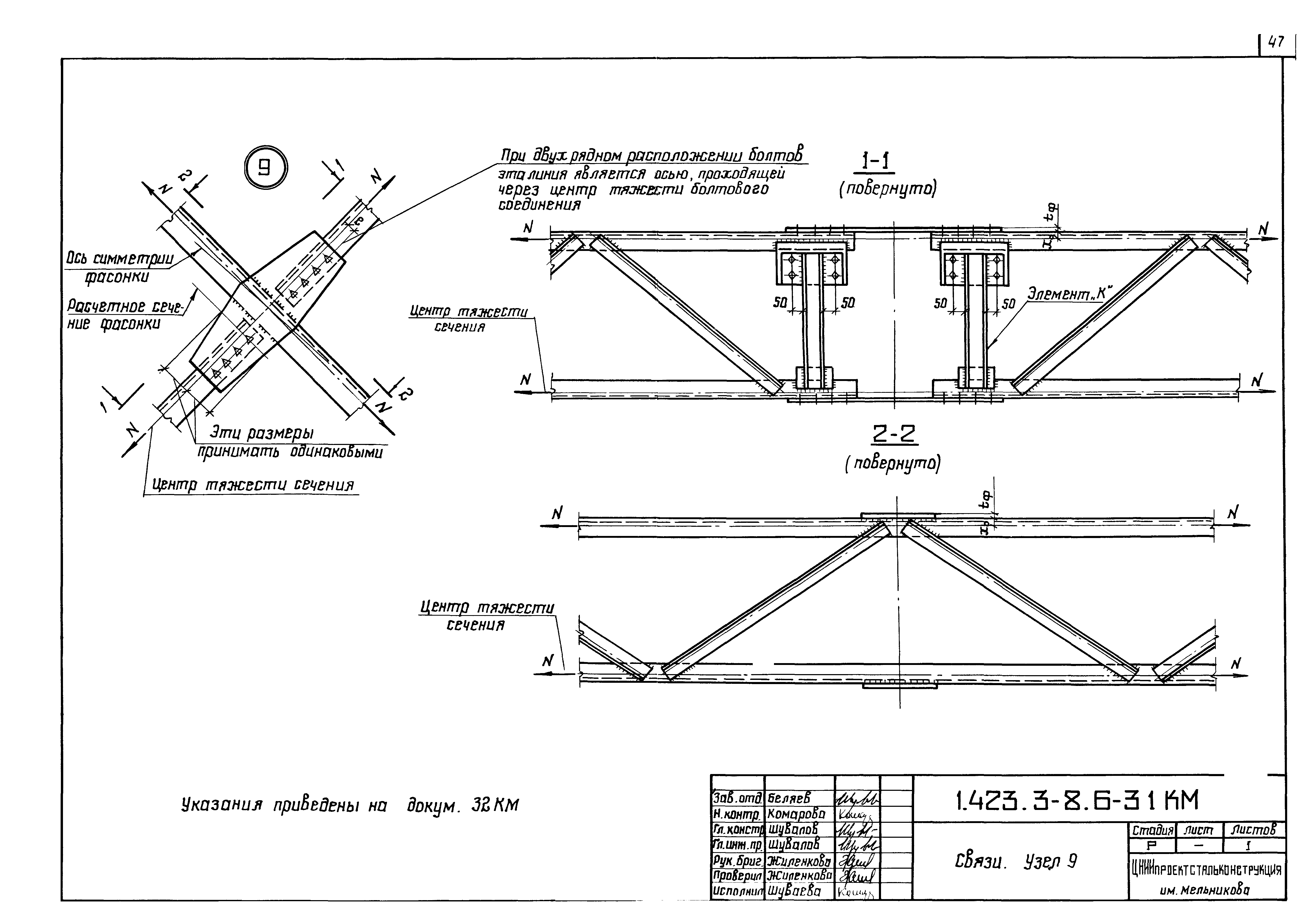
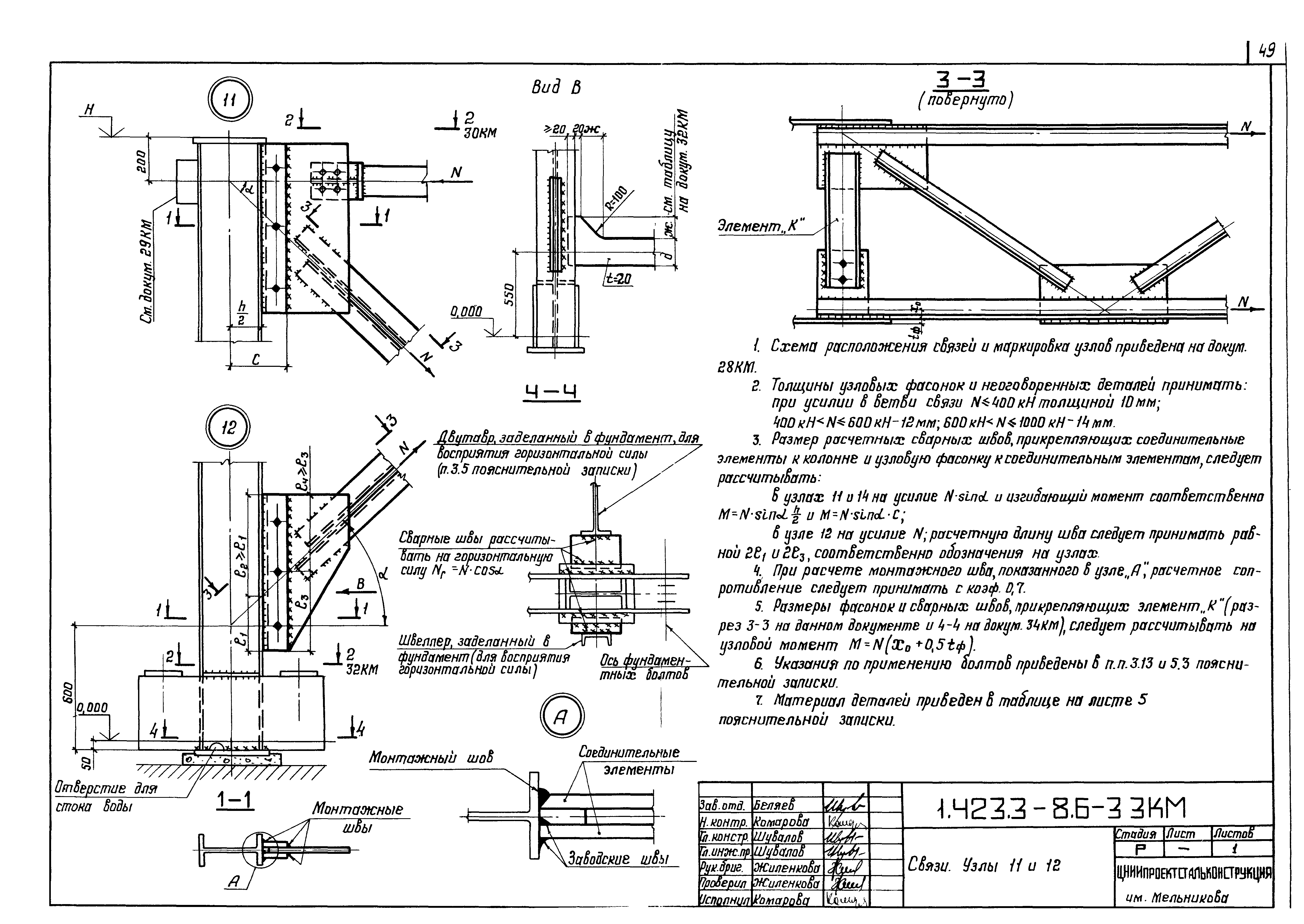
| Оглавление: | 1.423.3-8.6-ПЗ Пояснительная записка 1.423.3-8.6-01КМ Основные геометрические размеры колонн. Моменты инерции сечений колонн 1.423.3-8.6-02КМ Таблица для выбора марок колонн крайнего ряда при высотах зданий 9,6 и 10,8 м 1.423.3-8.6-03КМ Таблица для выбора марок колонн крайнего ряда при высотах зданий 12,0 и 13,2 м 1.423.3-8.6-04КМ Таблица для выбора марок колонн крайнего ряда при высотах зданий 14,4 и 15,6 м 1.423.3-8.6-05КМ Таблица для выбора марок колонн крайнего ряда при высотах зданий 16,8 и 18,0 м 1.423.3-8.6-06КМ Таблица для выбора марок колонн среднего ряда при высотах зданий 9,6 и 10,8 м 1.423.3-8.6-07КМ Таблица для выбора марок колонн среднего ряда при высотах зданий 12,0 и 13,2 м 1.423.3-8.6-08КМ Таблица для выбора марок колонн среднего ряда при высотах зданий 14,4 и 15,6 м 1.423.3-8.6-09КМ Таблица для выбора марок колонн среднего ряда при высотах зданий 16,8 и 18,0 м 1.423.3-8.6-10КМ Оголовки колонн. Узлы 1 и 2 1.423.3-8.6-11КМ Решетка колонн. Узлы 3 и 4 1.423.3-8.6-12КМ Базы колонн. Узел 5 1.423.3-8.6-13КМ Сортамент анкерных плиток баз колонн для климатических районов ll4, ll5 и др. 1.423.3-8.6-14КМ Сортамент анкерных плиток баз колонн для климатических районов l1, l2, ll2 и ll3 1.423.3-8.6-15КМ Базы колонн у поперечного температурного или антисейсмического шва и торца здания 1.423.3-8.6-16КМ Размеры деталей, сварных швов и массы колонн крайнего ряда при высотах зданий 9,6 и 10,8 м 1.423.3-8.6-17КМ Размеры деталей, сварных швов и массы колонн крайнего ряда при высотах зданий 12,0 и 13,2 м 1.423.3-8.6-18КМ Размеры деталей, сварных швов и массы колонн крайнего ряда при высотах зданий 14,4 и 15,6 м 1.423.3-8.6-19КМ Размеры деталей, сварных швов и массы колонн крайнего ряда при высотах зданий 15,6 и 16,8 м 1.423.3-8.6-20КМ Размеры деталей, сварных швов и массы колонн крайнего ряда при высотах зданий 16,8 и 18,0 м 1.423.3-8.6-21КМ Размеры деталей, сварных швов и массы колонн среднего ряда при высотах зданий 9,6 и 10,8 м 1.423.3-8.6-22КМ Размеры деталей, сварных швов и массы колонн среднего ряда при высотах зданий 10,8 и 12,0 м 1.423.3-8.6-23КМ Размеры деталей, сварных швов и массы колонн среднего ряда при высотах зданий 12,0 и 13,2 м 1.423.3-8.6-24КМ Размеры деталей, сборных швов и массы колонн среднего ряда при высотах зданий 13.2 и 14,4 м 1.423.3-8.6-25КМ Размеры деталей, сварных швов и массы колонн среднего ряда при высотах зданий 14,4 и 15.6 м 1.423.3-8.6-26КМ Размеры деталей, сварных швов и массы колонн среднего ряда при высотах зданий 15.6 и 16,8 м 1.423.3-8.6-27КМ Размеры деталей, сварных швов и массы колонн среднего ряда при высоте зданий 18,0 м 1.423.3-8.6-28КМ Схемы расположения связей по колоннам 1.423.3-8.6-29КМ Связи. Узел 6 1.423.3-8.6-30КМ Связи. Узлы 7 и 8 1.423.3-8.6-31КМ Связи. Узел 9 1.423.3-8.6-32КМ Связи. Узел 10 1.423.3-8.6-33КМ Связи. Узлы 11 и 12 1.423.3-8.6-34КМ Связи. Узлы 13 и 14 1.423.3-8.6-35КМ Сортамент вертикальных связей марок ВС для здании, возводимых в несейсмических районах 1.423.3-8.6-36КМ Сортамент распорок 1.423.3-8.6-37КМ Сортамент вертикальных связей марок ВСС для зданий с расчетной сейсмичностью 7,8 и 9 баллов 1.423.3-8.6-38КМ Сортамент энергопоглотителей ЭП 1.423.3-8.6-39КМ Расчетные схемы связей. Таблицы жесткостей колонн и связевых панелей для зданий с расчетной сейсмичностью 7,8 и 9 баллов 1.423.3-8.6-40КМ Спецификация стали на колонны крайнего ряда для зданий высотой 9,6; 10,8 и 12,0 м 1.423.3-8.6-41КМ Спецификация стали на колонны крайнего ряда для зданий высотой 13,8; 14,4 и 15,6 м 1.423.3-8.6-42КМ Спецификация стали на колонны крайнего ряда для зданий высотой 15,6; 16,8 и 18,0 м 1.423.3-8.6-43КМ Спецификация стали на колонны среднего ряда для зданий высотой 9,6 и 10,8 м 1.423.3-8.6-44КМ Спецификация стали на колонны среднего ряда для зданий Высотой 12,0 и 13,2 м 1.423.3-8.6-45КМ Спецификация стали на колонны среднего ряда для зданий высотой 14,4 и 15,6 м 1.423.3-8.6-46КМ Спецификация стали на колонны среднего ряда для зданий высотой 16,8 и 18,0 м 1.423.3-8.6-47КМ Спецификация стали на вертикальные связи марок ВС для зданий, возводимых в несейсмических районах 1.423.3-8.6-48КМ Спецификация стали для распорок 1.423.3-8.6-49КМ Спецификация стали на вертикальные связи ВСС для зданий с расчетной сейсмичностью 7,8 и 9 баллов 1.423.3-8.6-50КМ Масса анкерных плиток и траверс баз при анкерных плитках типа lV |
| Разработан: | ЦНИИпроектстальконструкция |
| Утверждён: | 25.01.1989 Госстрой СССР (Государственный комитет Совета Министров СССР по делам строительства) (USSR Gosstroy ) |
| Издан: | ЦИТП Госстроя СССР (CITP, Gosstroy (USSR) 1989 г. ) |









































































