Скачать Серия 3.008.9-6/86 Выпуск 0. Материалы для проектированияДата актуализации: 01.01.2021
|
| Обозначение: | Серия 3.008.9-6/86 |
| Обозначение англ: | Series 3.008.9-6/86 |
| Статус: | не определен законодательством |
| Название рус.: | Выпуск 0. Материалы для проектирования |
| Дата добавления в базу: | 01.09.2013 |
| Дата актуализации: | 01.01.2021 |
| Дата введения: | 15.09.1986 |
| Дата окончания срока действия: | 30.06.2003 |
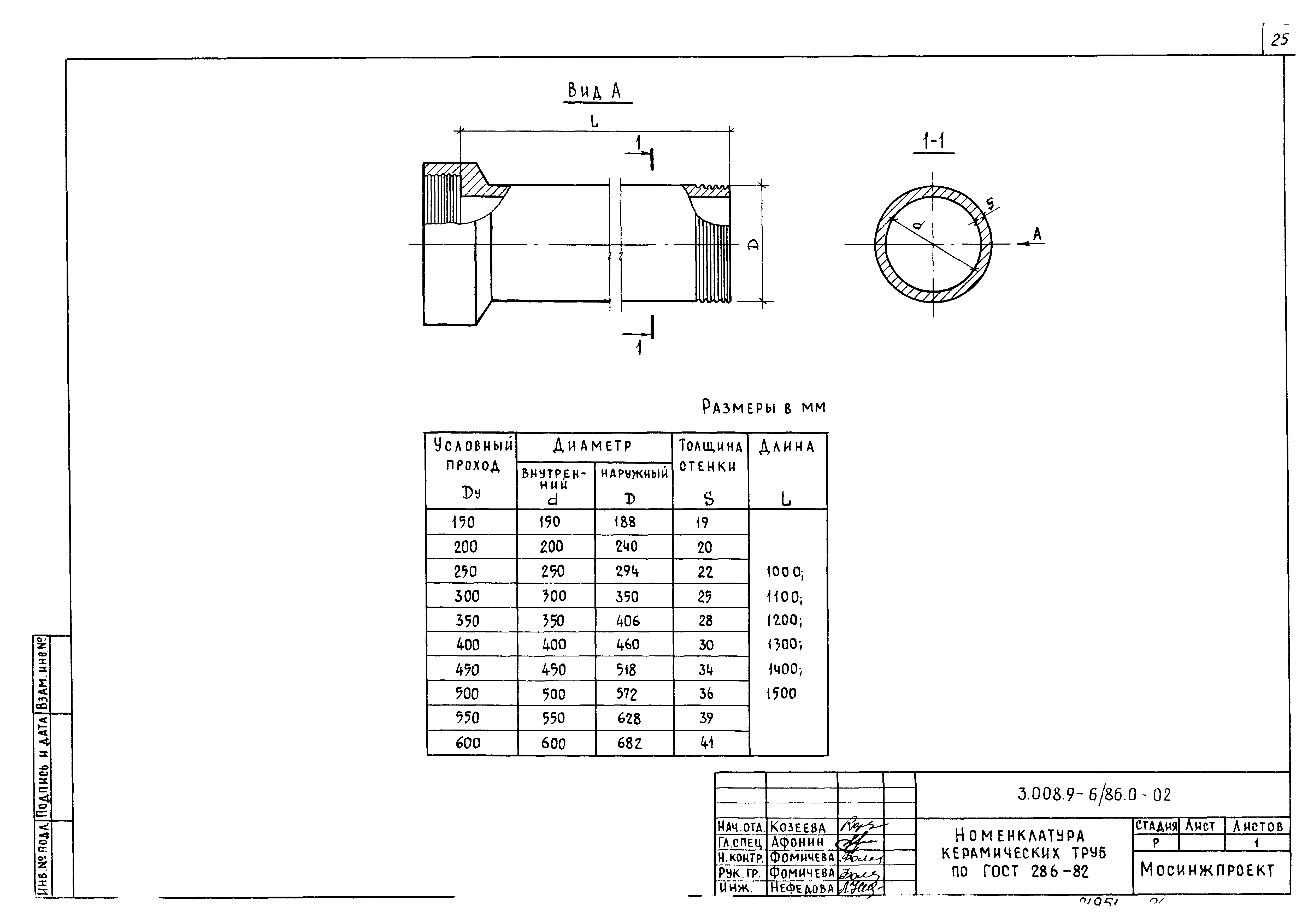
| Оглавление: | 3.008.9/86.0-00ПЗ Пояснительная записка 3.008.9/86.0-01 Номенклатура асбестоцементных труб и муфт по ГОСТ 1839-80 3.008.9/86.0-02 Номенклатура керамических труб по ГОСТ 286-82 3.008.9/86.0-03 Номенклатура пластмассовых труб 3.008.9/86.0-04 Номенклатура чугунных труб 3.008.9/86.0-05 Область применения оснований под трубы 3.008.9/86.0-06 Пределы применения асбестоцементных труб 3.008.9/86.0-07 Пределы применения керамических труб 3.008.9/86.0-08 Пределы применения пластмассовых труб 3.008.9/86.0-09 Пределы применения чугунных труб 3.008.9/86.0-10 Укладка асбестоцементных труб на грунтовое плоское основание 3.008.9/86.0-11 Укладка асбестоцементных труб на грунтовое спрофилированное основание 3.008.9/86.0-12 Укладка асбестоцементных труб на гравийно-щебеночную подготовку 3.008.9/86.0-13 Укладка асбестоцементных труб на бетонное основание 3.008.9/86.0-14 Укладка асбестоцементных труб на железобетонное основание 3.008.9/86.0-15 Укладка асбестоцементных труб на железобетонное основание. Схема 3.008.9/86.0-16 Ведомость расхода стали на 10 п. м железобетонного основания под асбестоцементные трубы 3.008.9/86.0-17 Стыковое соединение асбестоцементных труб 3.008.9/86.0-18 Укладка керамических труб на грунтовое плоское основание 3.008.9/86.0-19 Укладка керамических труб на грунтовое спрофилированное основание 3.008.9/86.0-20 Укладка керамических труб на гравийно-щебеночную подготовку 3.008.9/86.0-21 Укладка керамических труб на бетонное основание 3.008.9/86.0-22 Укладка керамических труб на железобетонное основание 3.008.9/86.0-23 Укладка керамических труб на железобетонное основание. Схема 3.008.9/86.0-24 Ведомость расхода стали на 10 п. м железобетонного основания под керамические трубы 3.008.9/86.0-25 Стыковые соединения керамических труб 3.008.9/86.0-26 Укладка пластмассовых труб на грунтовое плоское основание 3.008.9/86.0-27 Укладка пластмассовых труб на грунтовое плоское основание с подготовкой из песчаного грунта 3.008.9/86.0-28 Укладка пластмассовых труб на гравийно-щебеночную подготовку 3.008.9/86.0-29 Укладка пластмассовых труб на железобетонное основание 3.008.9/86.0-30 Укладка пластмассовых труб на железобетонное основание. Схема 3.008.9/86.0-31 Ведомость расхода стали на 10 п. м железобетонного основания под пластмассовые трубы 3.008.9/86.0-32 Стыковые соединения пластмассовых труб 3.008.9/86.0-33 Сетка С1-1…С1-22 3.008.9/86.0-33СБ Сетка С1-1…С1-22. Сборочный чертеж 3.008.9/86.0-34 Укладка чугунных труб на грунтовое плоское основание 3.008.9/86.0-35 Укладка чугунных труб на грунтовое спрофилированное основание 3.008.9/86.0-36 Укладка чугунных труб на гравийно-щебеночную подготовку 3.008.9/86.0-37 Укладка чугунных труб на бетонное основание 3.008.9/86.0-38 Стыковое соединение чугунных труб 3.008.9/86.0-00.1 Стержень арматурный 3.008.9/86.0-39РМ Ведомость расхода материалов на устройство 10 п. м железобетонного основания 3.008.9/86.0-40РМ Ведомость расхода материалов на устройство 10 п. м бетонного основания |
| Разработан: | ВНИИ ВОДГЕО Госстроя СССР Мосинжпроект |
| Утверждён: | 15.09.1986 Главоргпроект Госстроя СССР (2/3-14) |
| Издан: | ЦИТП Госстроя СССР (CITP, Gosstroy (USSR) 1987 г. ) |
| Заменяет собой: |
|


































































































