Скачать РД 50-658-88 Инструкция. Единая система классификации и кодирования технико-экономической информации. Коммуникативный формат для обмена данными по классификаторам на магнитной ленте. Содержание записиДата актуализации: 01.01.2021
|
| Обозначение: | РД 50-658-88 |
| Обозначение англ: | RD 50-658-88 |
| Статус: | заменен |
| Название рус.: | Инструкция. Единая система классификации и кодирования технико-экономической информации. Коммуникативный формат для обмена данными по классификаторам на магнитной ленте. Содержание записи |
| Дата добавления в базу: | 01.09.2013 |
| Дата актуализации: | 01.01.2021 |
| Дата введения: | 01.07.1989 |
| Дата окончания срока действия: | 01.04.2006 |
| Область применения: | Инструкция устанавливает состав и правила представления данных по классификаторам технико-экономической информации на магнитной ленте и обязательна для всех организаций при межведомственном обмене данными между автоматизированными системами обработки данных. |
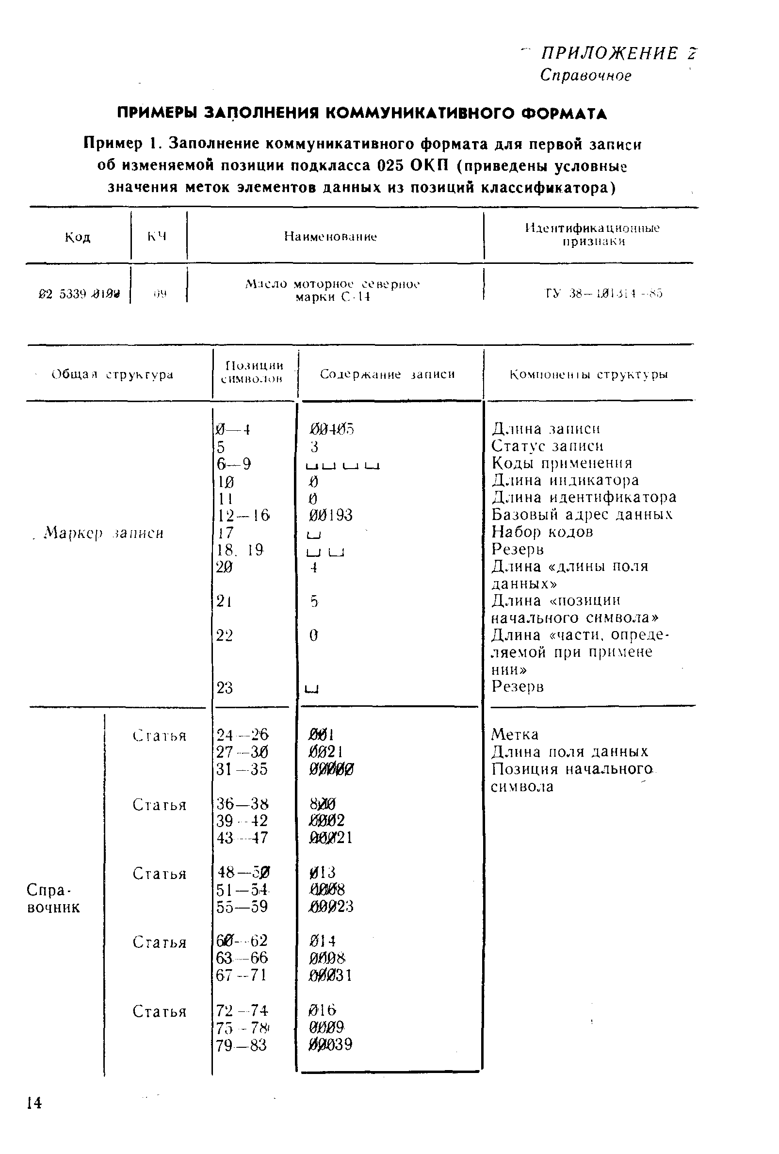
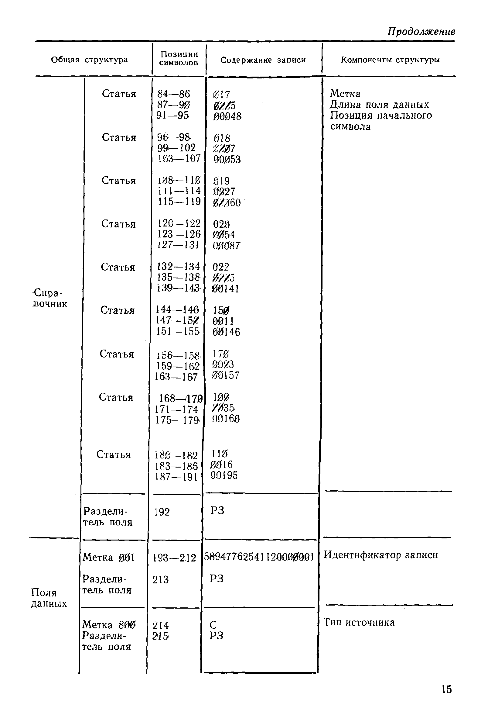
| Оглавление: | 1 Общие положения 2 Структура и состав записи 3 Спецификация элементов данных Приложение 1 (справочное). Пример построения части, определяемой при применении, для ОКТЭСП Приложение 2 (справочное). Примеры заполнения коммуникативного формата |
| Разработан: | Госстандарт СССР |
| Утверждён: | 29.01.1988 Госстандарт СССР (USSR Gosstandart 161) |
| Издан: | Издательство стандартов (1988 г. ) |
| Нормативные ссылки: |
|






















