Скачать Серия 3.503.1-81 Выпуск 6-2. Изделия арматурные закладные балок температурно-неразрезных и косых пролетных строений. Рабочие чертежиДата актуализации: 01.01.2021
|
| Обозначение: | Серия 3.503.1-81 |
| Обозначение англ: | Series 3.503.1-81 |
| Статус: | не определен законодательством |
| Название рус.: | Выпуск 6-2. Изделия арматурные закладные балок температурно-неразрезных и косых пролетных строений. Рабочие чертежи |
| Дата добавления в базу: | 01.09.2013 |
| Дата актуализации: | 01.01.2021 |
| Дата введения: | 01.07.1992 |
| Дата окончания срока действия: | 30.06.2003 |
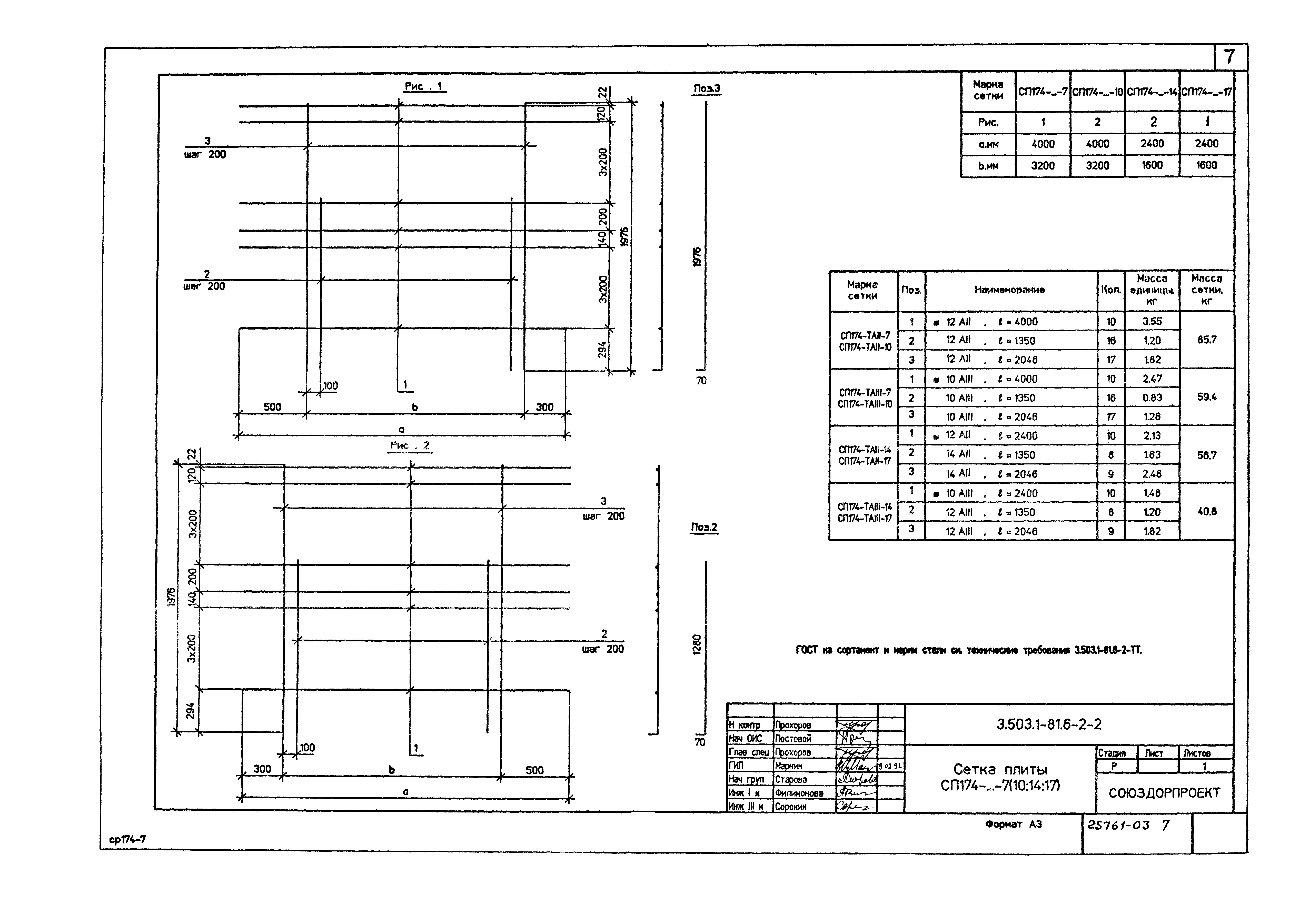
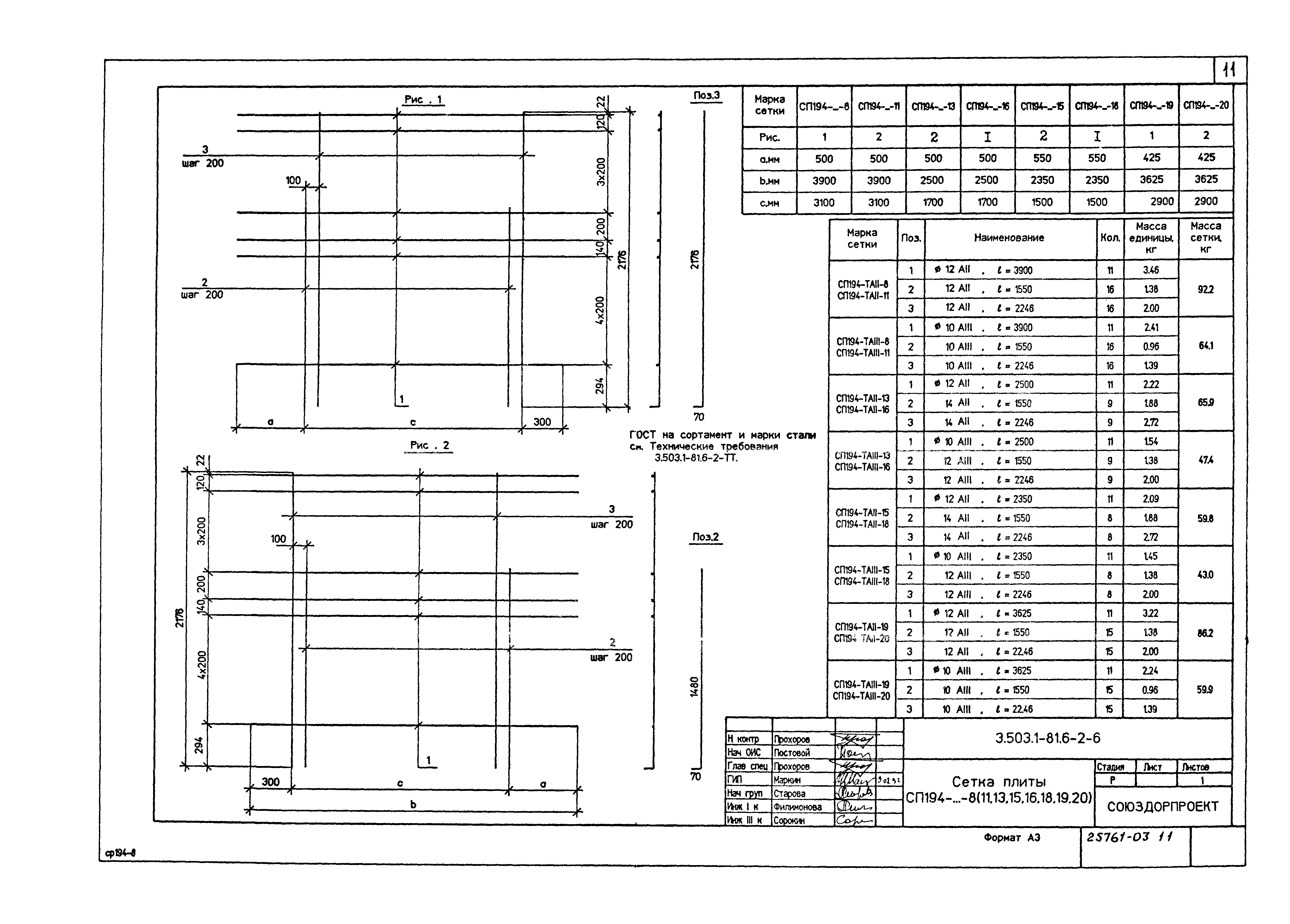
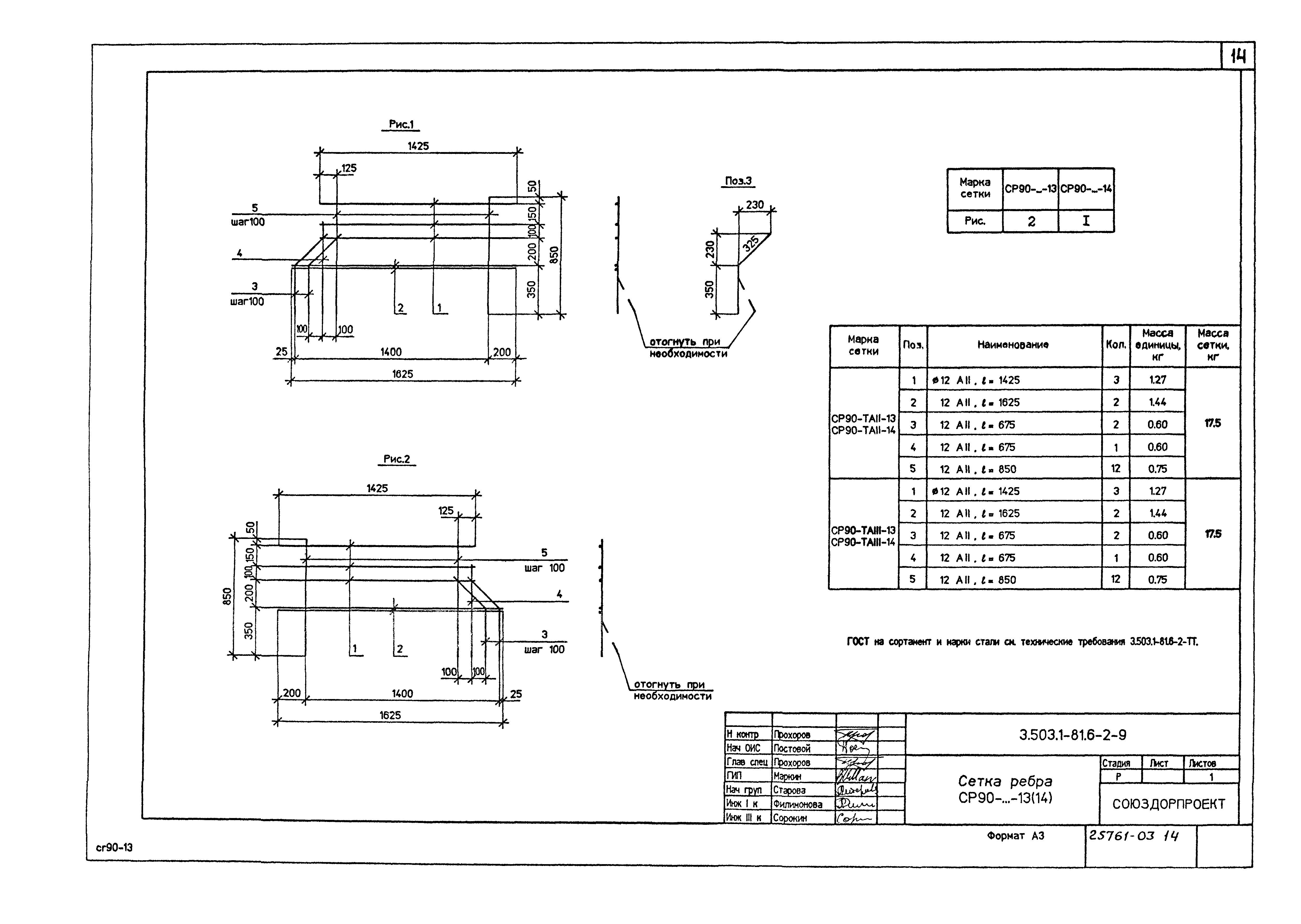
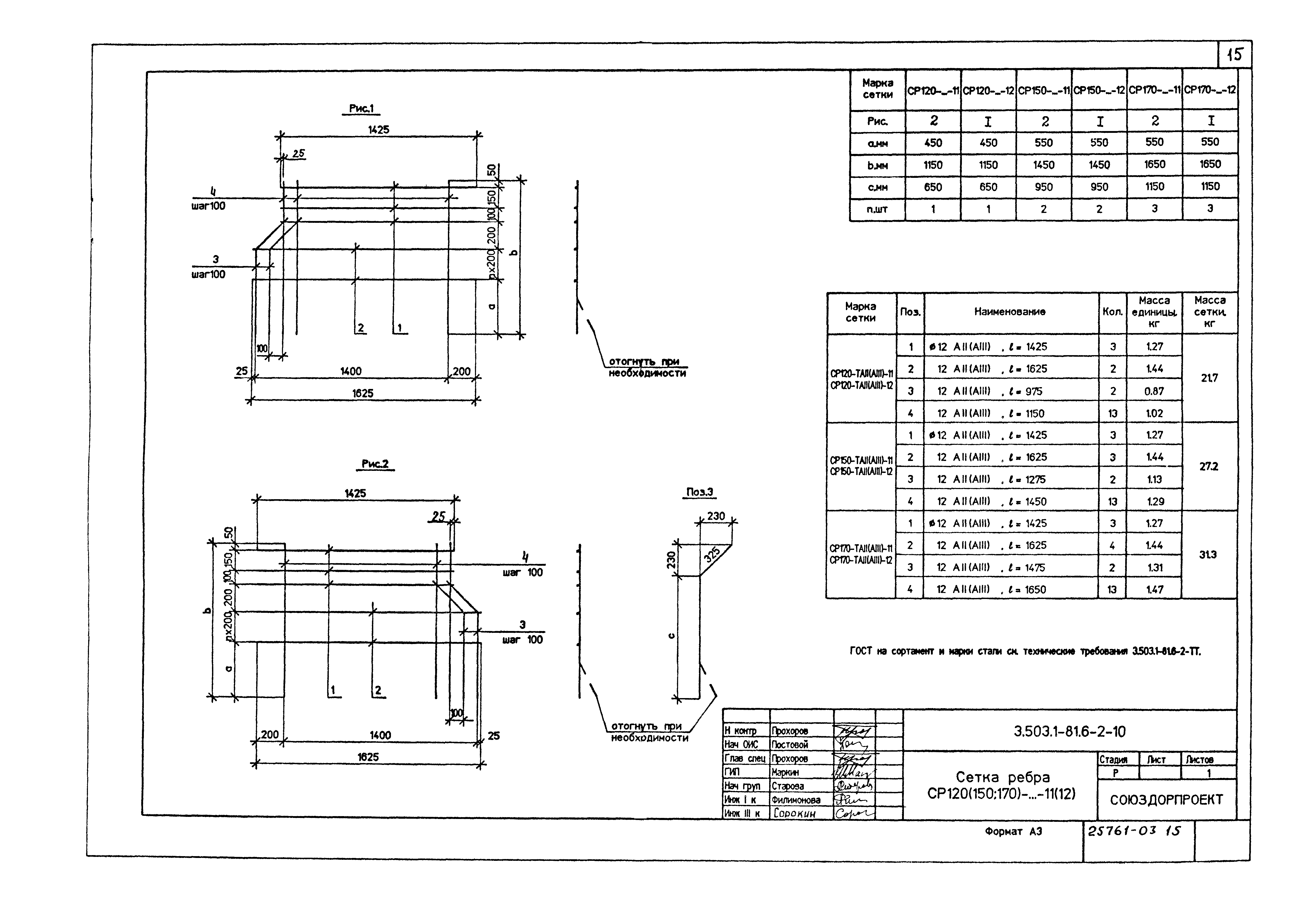
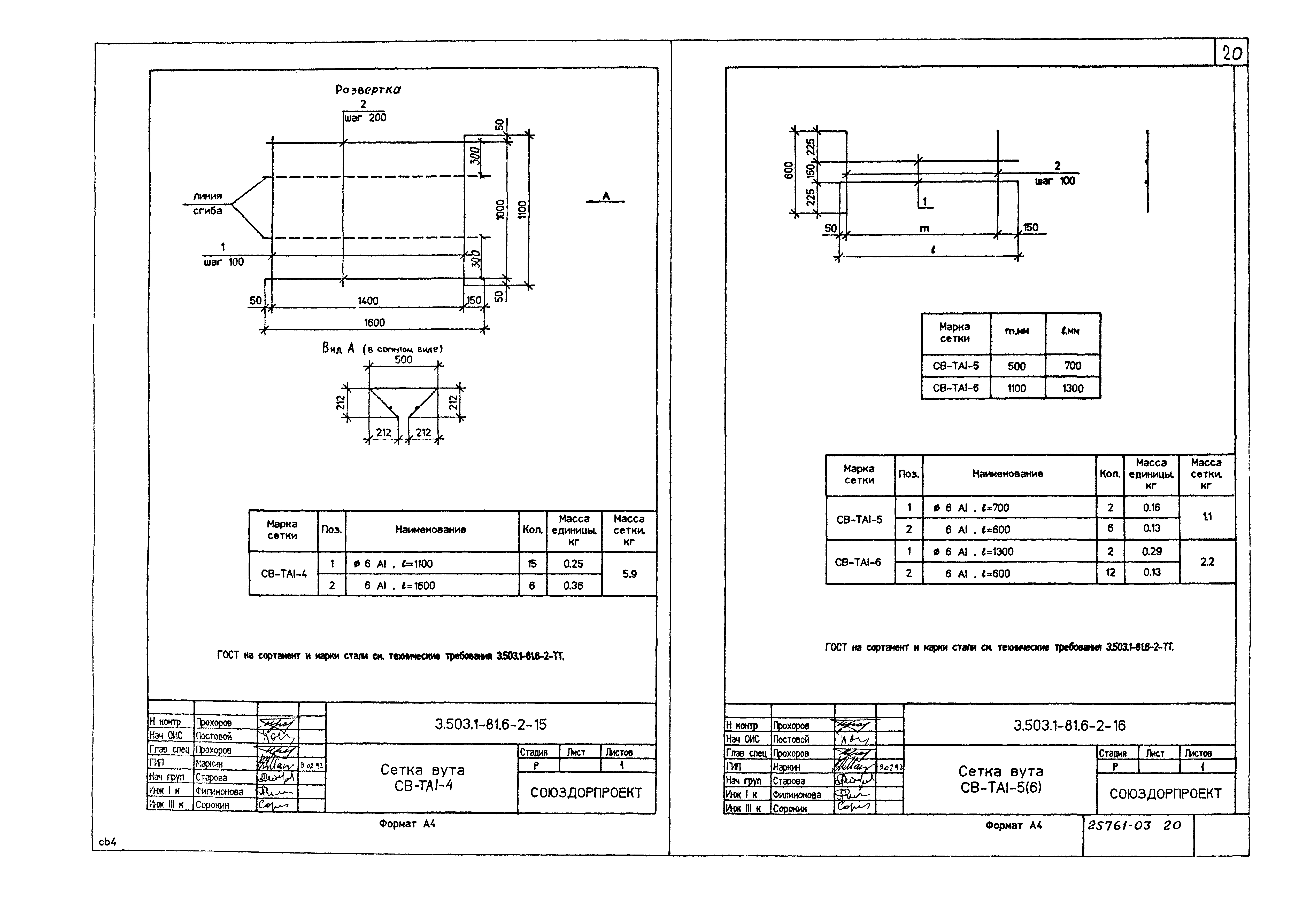
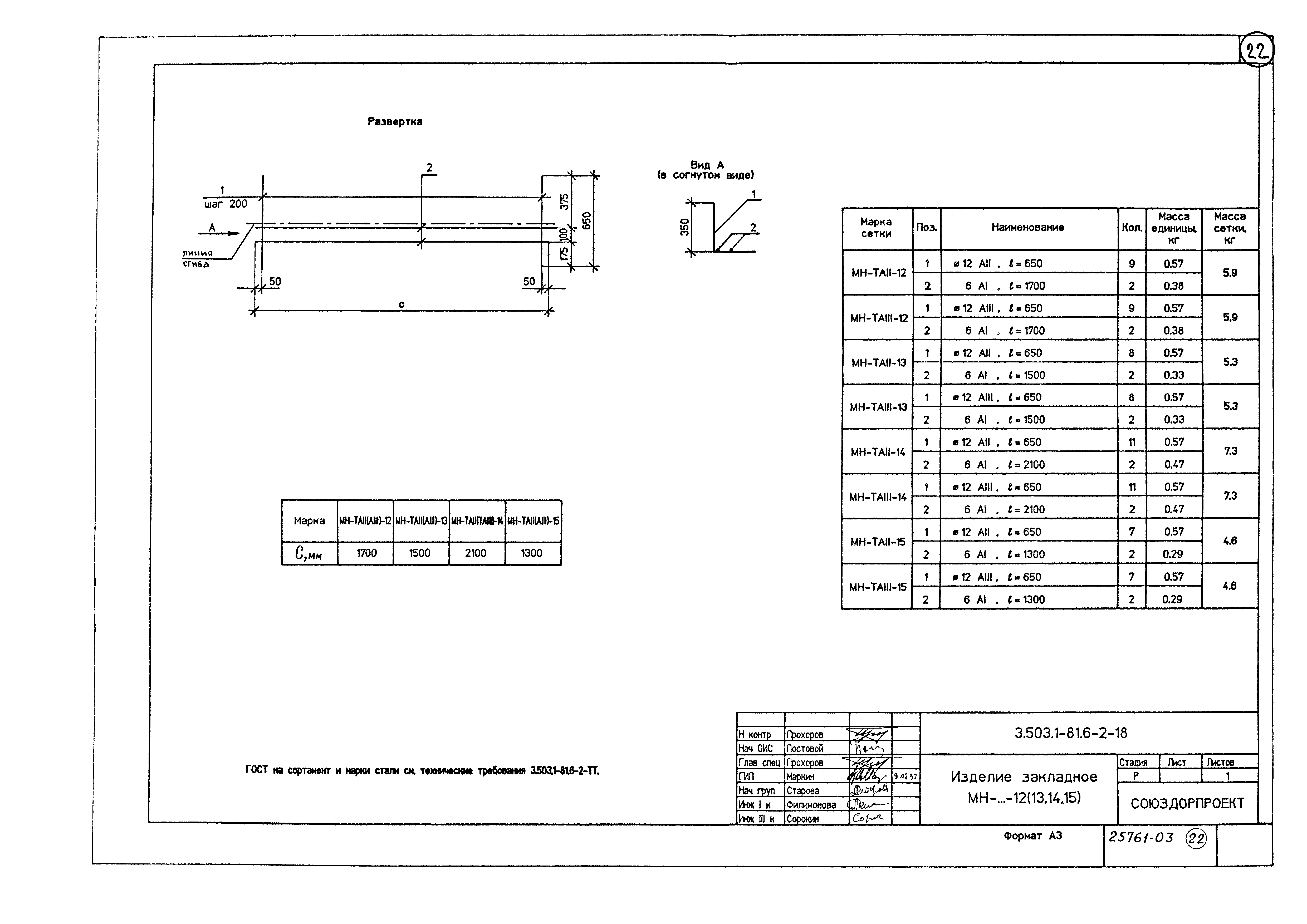
| Оглавление: | 3.503.1-81.6-2-ТТ Технические требования 3.503.1-81.6-2-1 Сетка плиты СП 140-…-5(6,8,9) 3.503.1-81.6-2-2 Сетка плиты СП 174-…-7(10,14,17) 3.503.1-81.6-2-3 Сетка плиты СП 174-…-8(22,13,16) 3.503.1-81.6-2-4 Сетка плиты СП 180-…-5(6,7,8,9,10,11,12) 3.503.1-81.6-2-5 Сетка плиты СП 194-…-7(9,10,12,14,17,21,22) 3.503.1-81.6-2-6 Сетка плиты СП 194-…-8(11,13,15,16,18,19,20) 3.503.1-81.6-2-7 Сетка ребра СР h-…-7(8,9,10) 3.503.1-81.6-2-8 Сетка ребра СР 90-…-11(12) 3.503.1-81.6-2-9 Сетка ребра СР 90-…-13(14) 3.503.1-81.6-2-10 Сетка ребра СР 120(150,170)-…11(12) 3.503.1-81.6-2-11 Сетка ребра СР 120(150,170)-…13(14) 3.503.1-81.6-2-12 Сетка торца СТ h-…-1 3.503.1-81.6-2-13 Сетка торца СТ h-…-2 3.503.1-81.6-2-14 Сетка торца СТ h-…-3 3.503.1-81.6-2-15 Сетка вута СВ-ТАl-4 3.503.1-81.6-2-16 Сетка вута СВ-ТАl-5(6) 3.503.1-81.6-2-17 Стержень отдельный 3.503.1-81.6-2-18 Изделие закладное МН-…-12(13,14,15) |
| Разработан: | Союздорпроект Минтрансстроя |
| Утверждён: | 03.02.1992 Корпорация Трансстрой (Transstroy Corporation 3002-18/4) |
| Издан: | АПП ЦИТП (1993 г. ) |






















