Скачать Типовой проект 704-1-169.84 Альбом V. Оборудование резервуара без понтона для нефти и нефтепродуктовДата актуализации: 01.01.2021
|
| Обозначение: | Типовой проект 704-1-169.84 |
| Обозначение англ: | 704-1-169.84 |
| Статус: | не действует |
| Название рус.: | Альбом V. Оборудование резервуара без понтона для нефти и нефтепродуктов |
| Дата добавления в базу: | 01.09.2013 |
| Дата актуализации: | 01.01.2021 |
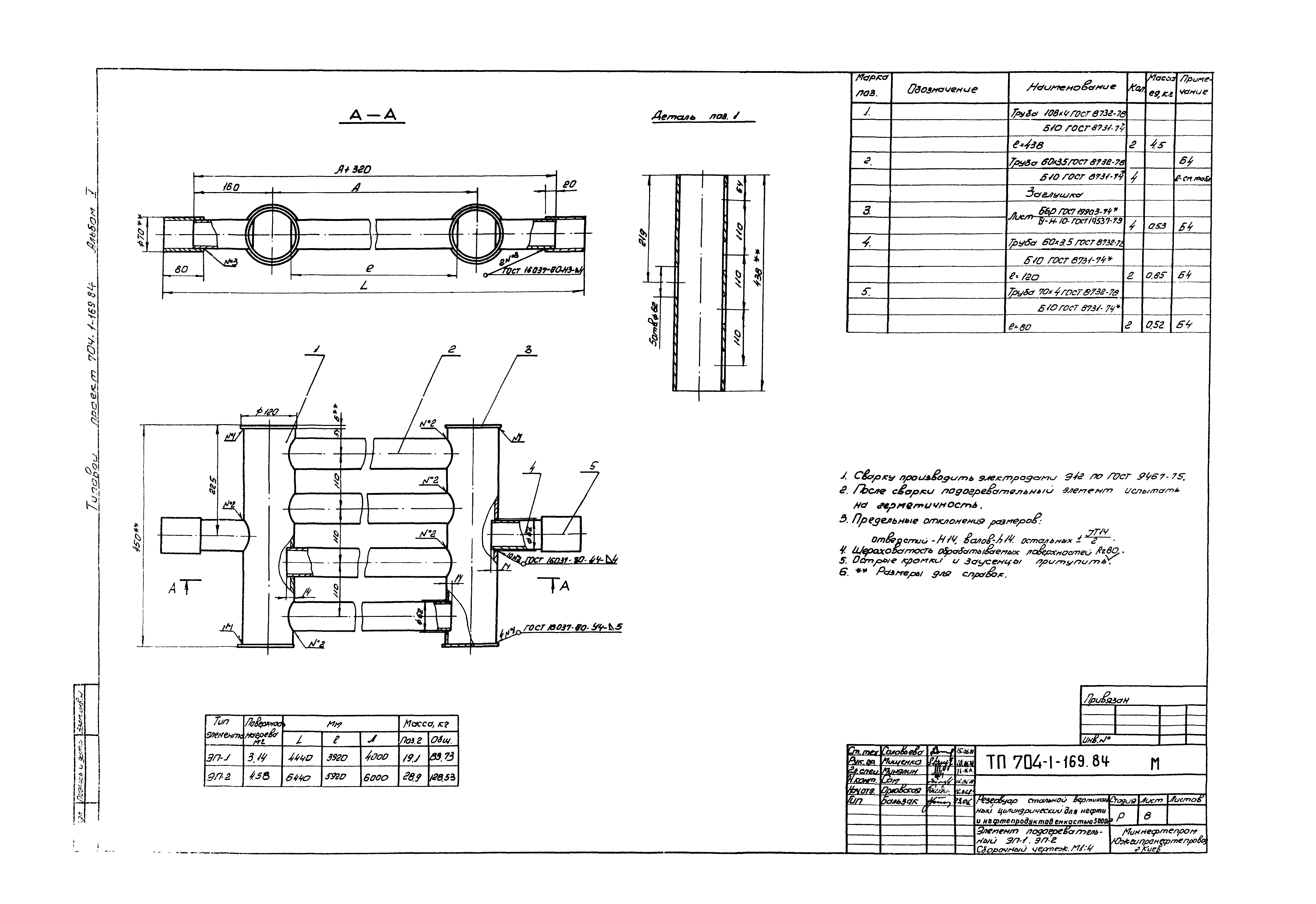
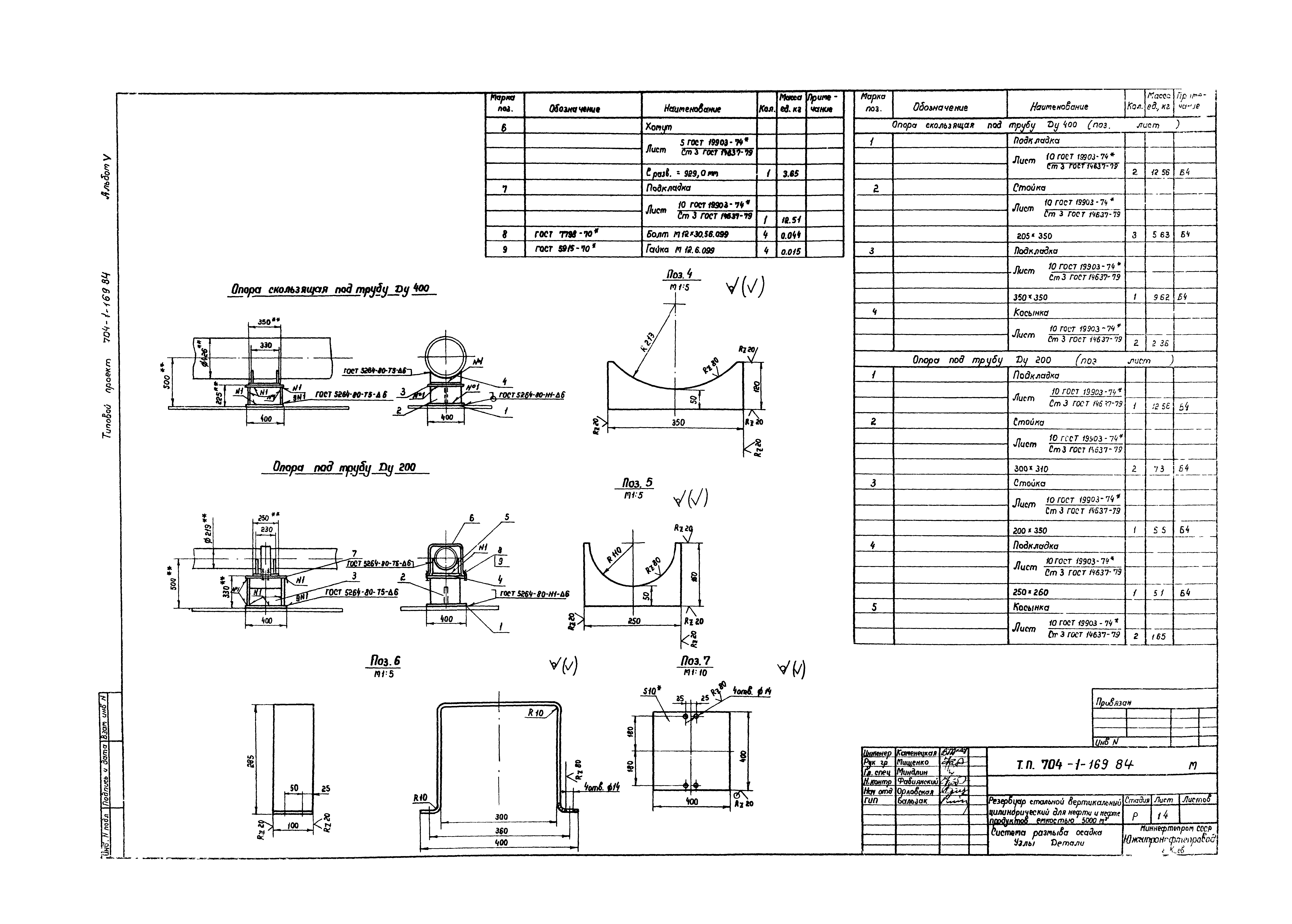
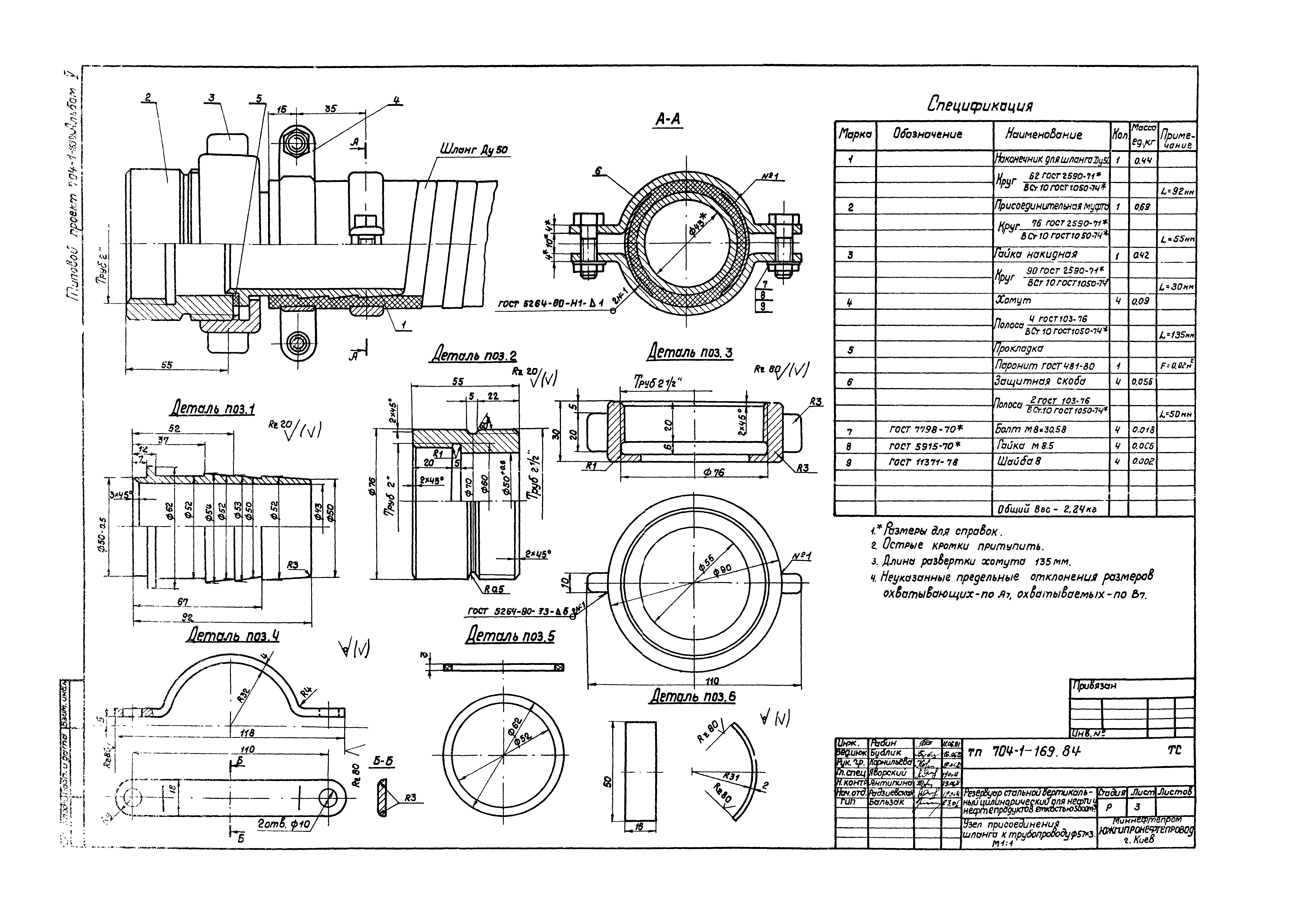
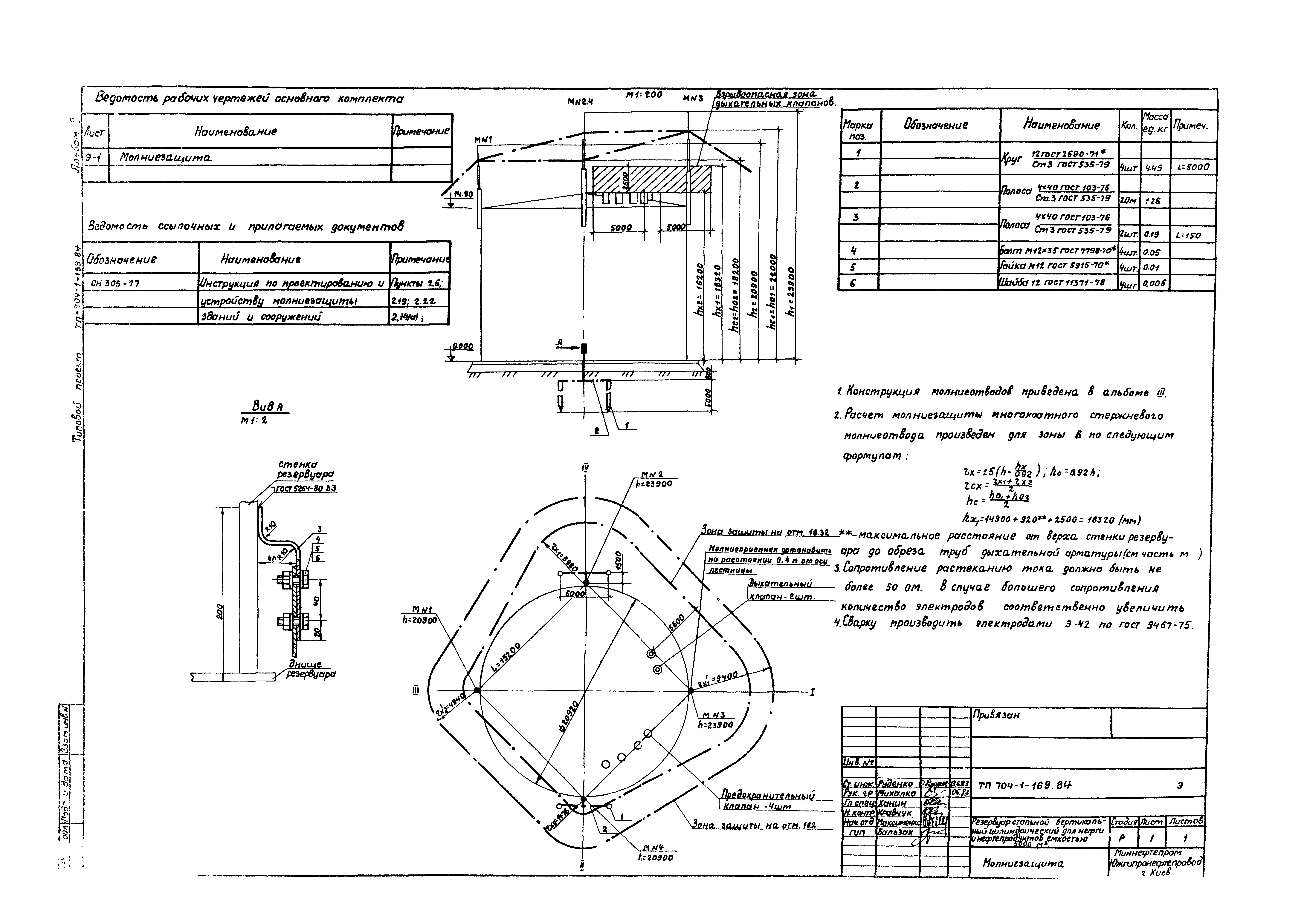
| Оглавление: | Содержание Механическое, технологическое оборудование Общие данные Оборудование резервуара. Монтажный чертеж Узел приема-раздачи Ду600. Монтажный чертеж Подогреватель секционный поверхностью нагрева F = 46 кв. м Подогреватель секционный поверхностью нагрева F = 67 кв. м Элемент подогревательный ЭП-1, ЭП-2. Сборочный чертеж Коллектор К-1; К-2. Сборочный чертеж Опора ОП-1. Сборочный чертеж Опора ОП-2. Сборочный чертеж Стойка С-1, С-2. Сборочный чертеж Система размыва осадка. Монтажный чертеж Система размыва осадка. Узлы. Детали Теплоснабжение Узел управления системой подогрева. Общие данные Узел управления системой подогрева. Планы. Разрез. Схема (F = 46 кв. м) Узел управления системой подогрева. Планы. Разрез. Схема (F = 67 кв. м) Узел присоединения шланга к трубопроводу Ф 57х3 Пожаротушение Общие данные Оборудование резервуара средствами пожаротушения Электротехническая часть Молниезащита Автоматика Общие данные Функциональная схема автоматизации Установка указателя уровня Установка сниженного пробоотборника Установка термоизвещателя и сигнализатора уровня |
| Разработан: | Южгипронефтепровод Миннефтепрома СССР |
| Утверждён: | 16.06.1983 Миннефтепром (Minnefteprom ) |





























