Скачать Серия 1.465.1-15 Выпуск 4. Плиты 1-го типоразмера. Арматурные и закладные изделия. Рабочие чертежиДата актуализации: 01.01.2021
|
| Обозначение: | Серия 1.465.1-15 |
| Обозначение англ: | Series 1.465.1-15 |
| Статус: | не определен законодательством |
| Название рус.: | Выпуск 4. Плиты 1-го типоразмера. Арматурные и закладные изделия. Рабочие чертежи |
| Дата добавления в базу: | 01.09.2013 |
| Дата актуализации: | 01.01.2021 |
| Дата введения: | 01.03.1990 |
| Дата окончания срока действия: | 30.06.2003 |
| Область применения: | В выпуске приведены рабочие чертежи арматурных и закладных деталей для плит покрытий размером 3х12, типоразмера 1. |
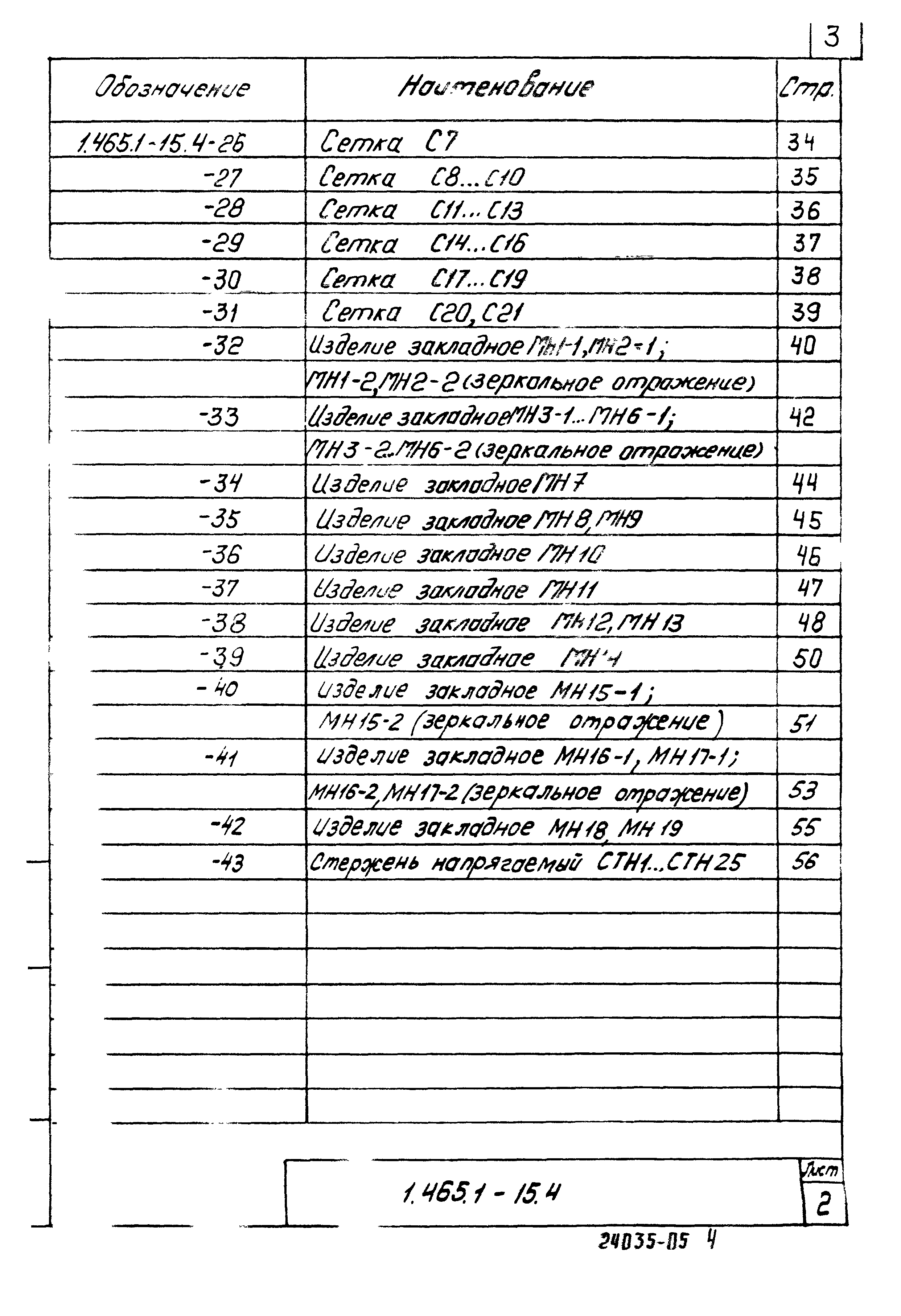
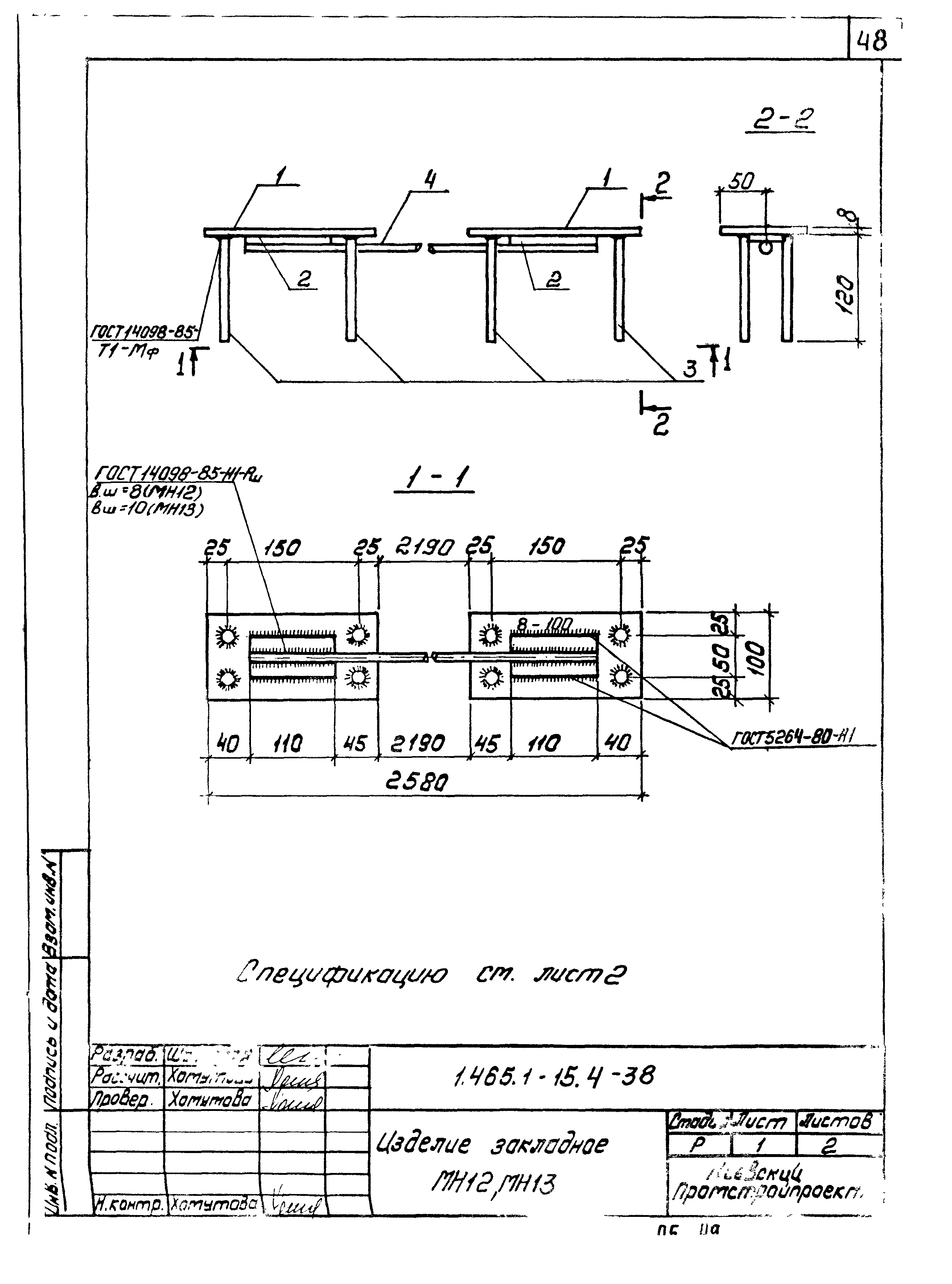
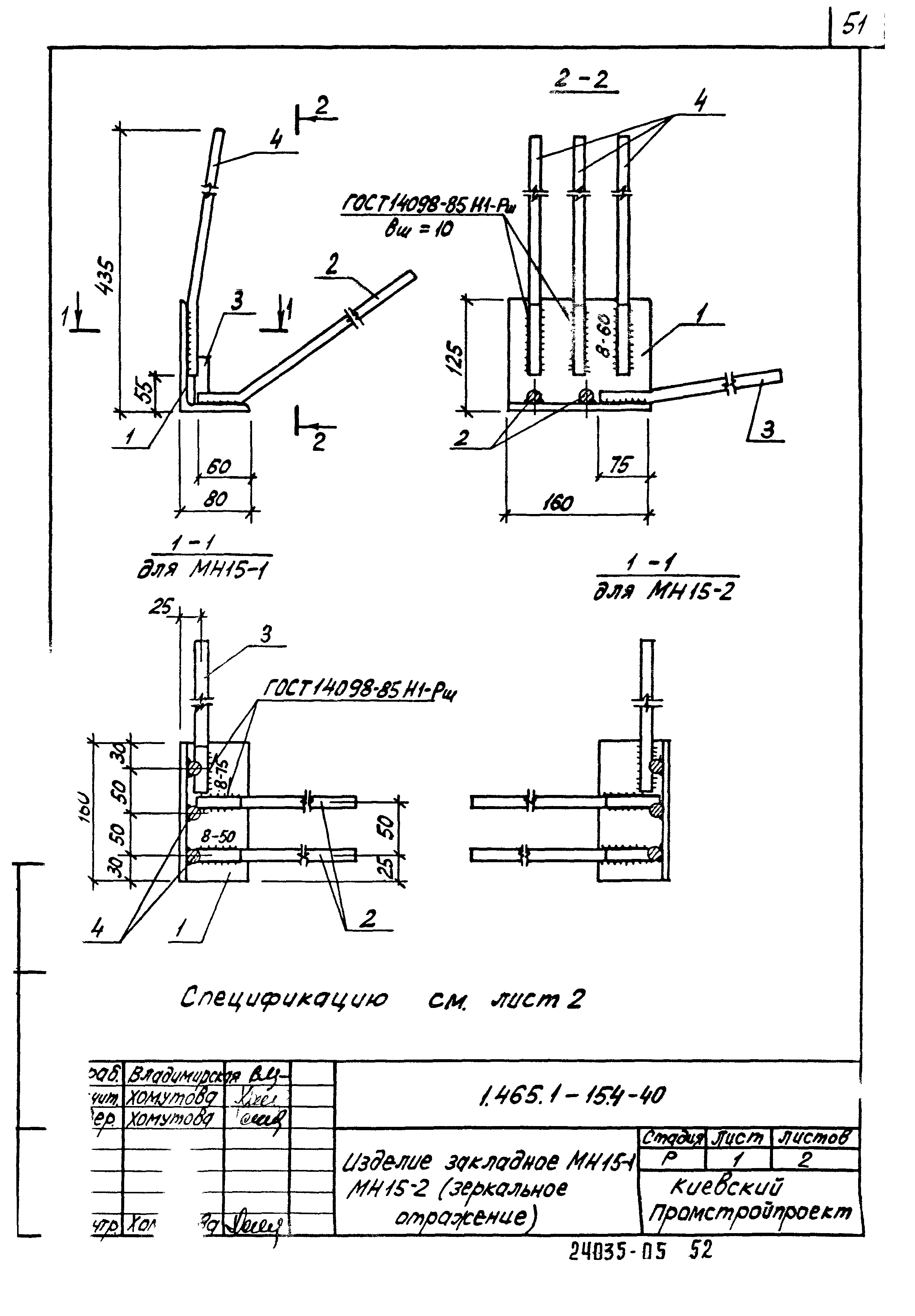
| Оглавление: | 1.465.1-15.4-ТТ Технические требования 1.465.1-15.4-1 Каркас КР1, КР2 1.465.1-15.4-2 Каркас КР3… КР6 1.465.1-15.4-3 Каркас КР7… КР9 1.465.1-15.4-4 Каркас КР10… КР17 1.465.1-15.4-5 Каркас КР11А… КР13А, КР15А… КР17А 1.465.1-15.4-6 Каркас КР18… КР21 1.465.1-15.4-7 Каркас КР19А… КР21А 1.465.1-15.4-8 Каркас КР22 1.465.1-15.4-9 Каркас КР23, КР24 1.465.1-15.4-10 Каркас КР25 1.465.1-15.4-11 Каркас КР26 1.465.1-15.4-12 Каркас КР27… КР30 1.465.1-15.4-13 Каркас КР27А… КР30А 1.465.1-15.4-14 Каркас КР31… КР38 1.465.1-15.4-15 Каркас КР39, КР40 1.465.1-15.4-16 Каркас КР41 1.465.1-15.4-17 Каркас КР42… КР44 1.465.1-15.4-18 Каркас КР45, КР46 1.465.1-15.4-19 Каркас КП1, КП2 1.465.1-15.4-20 Каркас КП3 1.465.1-15.4-21 Каркас КП4 1.465.1-15.4-22 Сетка С1… С3 1.465.1-15.4-23 Сетка С1А… С3А 1.465.1-15.4-24 Сетка С4, С5 1.465.1-15.4-25 Сетка С6 1.465.1-15.4-26 Сетка С7 1.465.1-15.4-27 Сетка С8… С10 1.465.1-15.4-28 Сетка С11… С13 1.465.1-15.4-29 Сетка С14… С16 1.465.1-15.4-30 Сетка С17… С19 1.465.1-15.4-31 Сетка С20, С21 1.465.1-15.4-32 Изделие закладное МН1-1, МН2-1, МН1-2, МН2-2 (зеркальное отражение) 1.465.1-15.4-33 Изделие закладное МН3-1… МН6-1, МН3-2… МН6-2 (зеркальное отражение) 1.465.1-15.4-34 Изделие закладное МН7 1.465.1-15.4-35 Изделие закладное МН8, МН9 1.465.1-15.4-36 Изделие закладное МН10 1.465.1-15.4-37 Изделие закладное МН11 1.465.1-15.4-38 Изделие закладное МН12, МН13 1.465.1-15.4-39 Изделие закладное МН14 1.465.1-15.4-40 Изделие закладное МН15-1; МН15-2 (зеркальное отражение) 1.465.1-15.4-41 Изделие закладное МН16-1; МН17-1; МН16-2; МН17-2 (зеркальное отражение) 1.465.1-15.4-42 Изделие закладное МН18; МН19 1.465.1-15.4-43 Стержень напрягаемый СТН1… СТН25 |
| Разработан: | Киевский Промстройпроект |
| Утверждён: | 01.09.1989 Главпроект Госстроя России (100) |
| Издан: | ЦИТП Госстроя СССР (CITP, Gosstroy (USSR) 1989 г. ) |
| Заменяет собой: |



























































