Скачать Серия 5.904-1 Выпуск 1. Часть 1. Рабочие чертежиДата актуализации: 01.01.2021
|
| Обозначение: | Серия 5.904-1 |
| Обозначение англ: | Series 5.904-1 |
| Статус: | не определен законодательством |
| Название рус.: | Выпуск 1. Часть 1. Рабочие чертежи |
| Дата добавления в базу: | 01.09.2013 |
| Дата актуализации: | 01.01.2021 |
| Дата введения: | 01.06.1980 |
| Дата окончания срока действия: | 30.06.2003 |
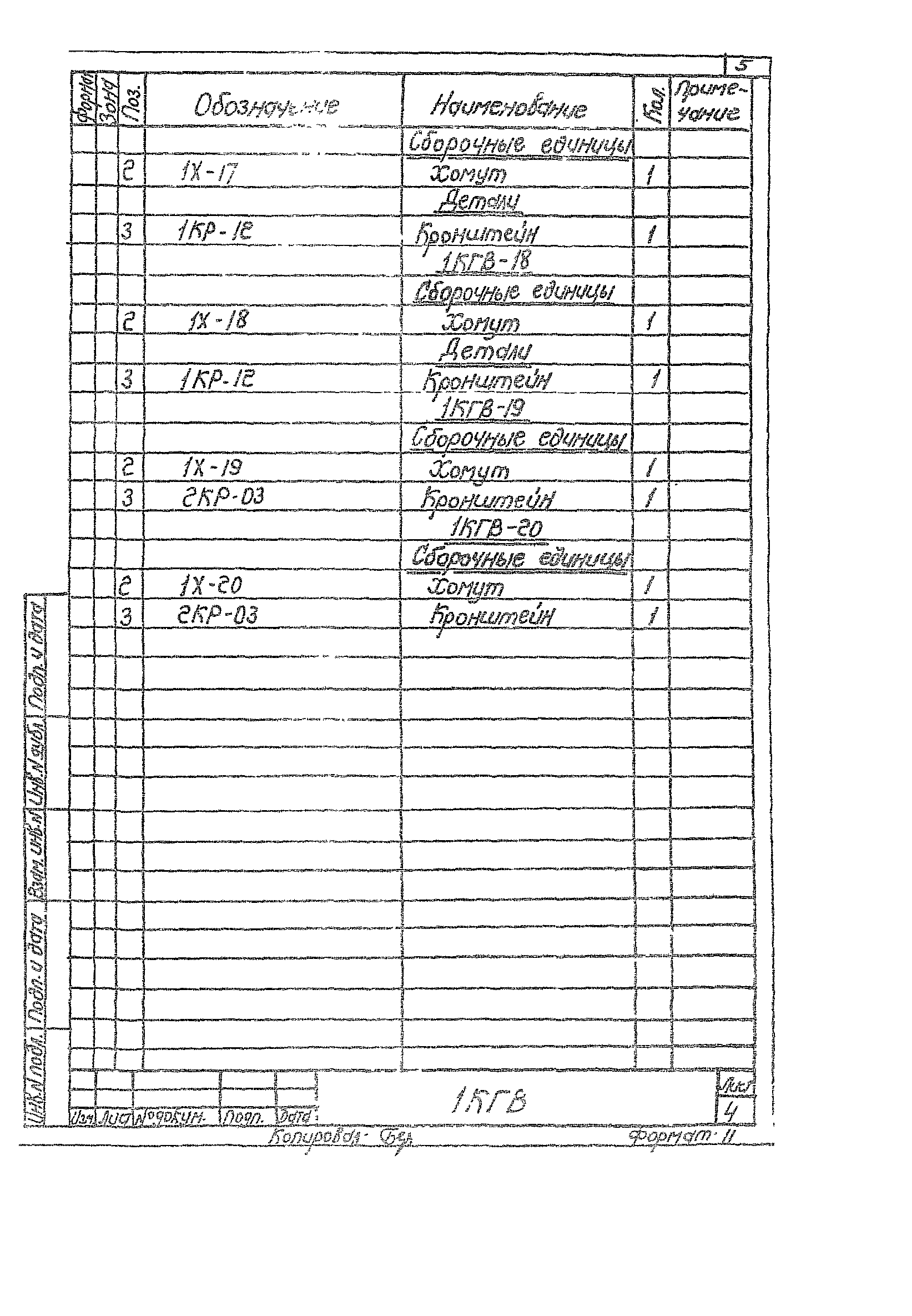
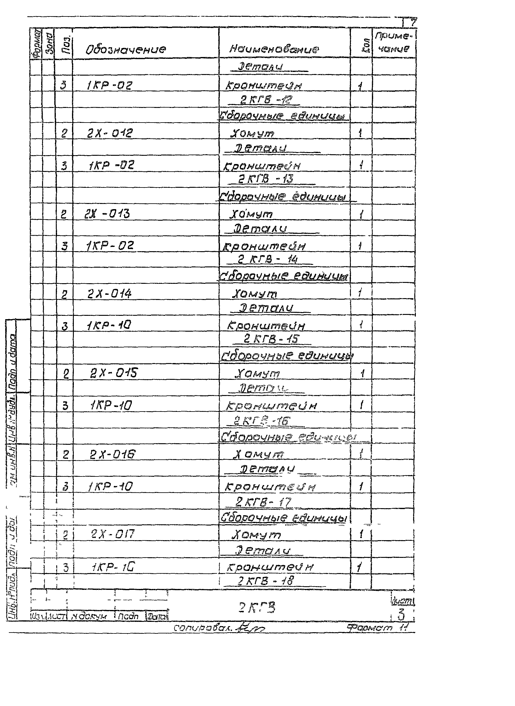
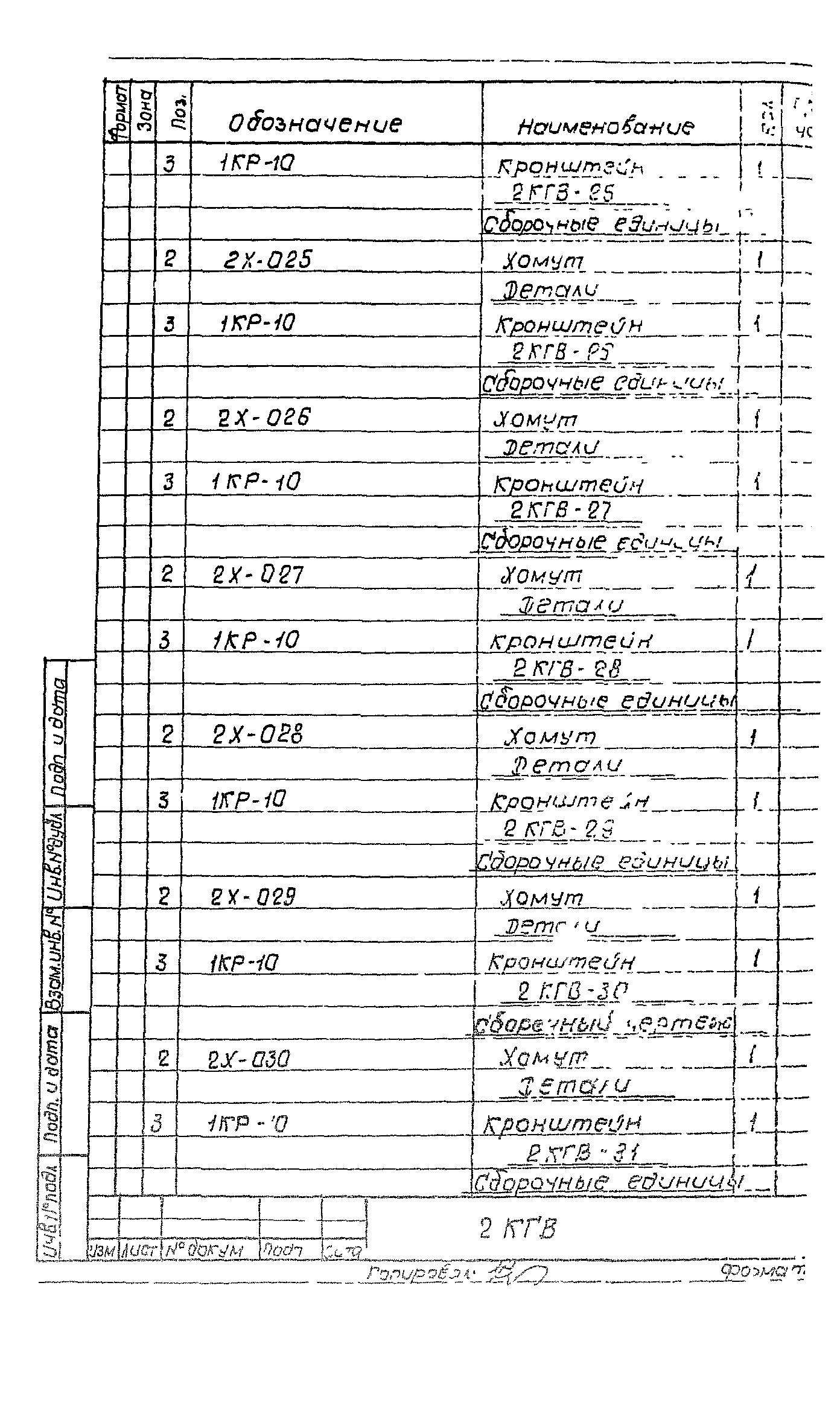
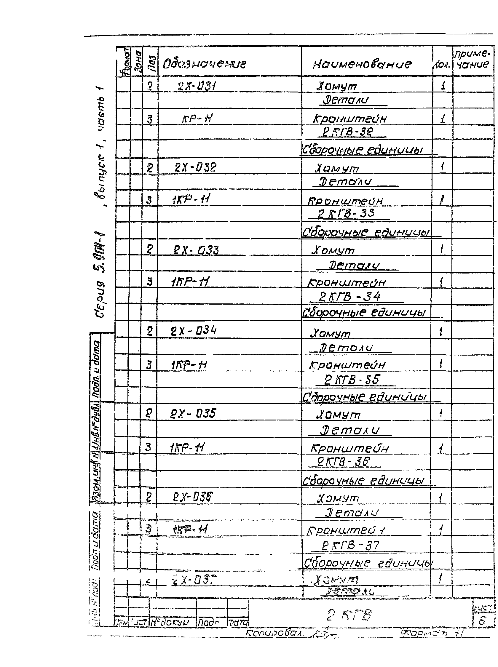
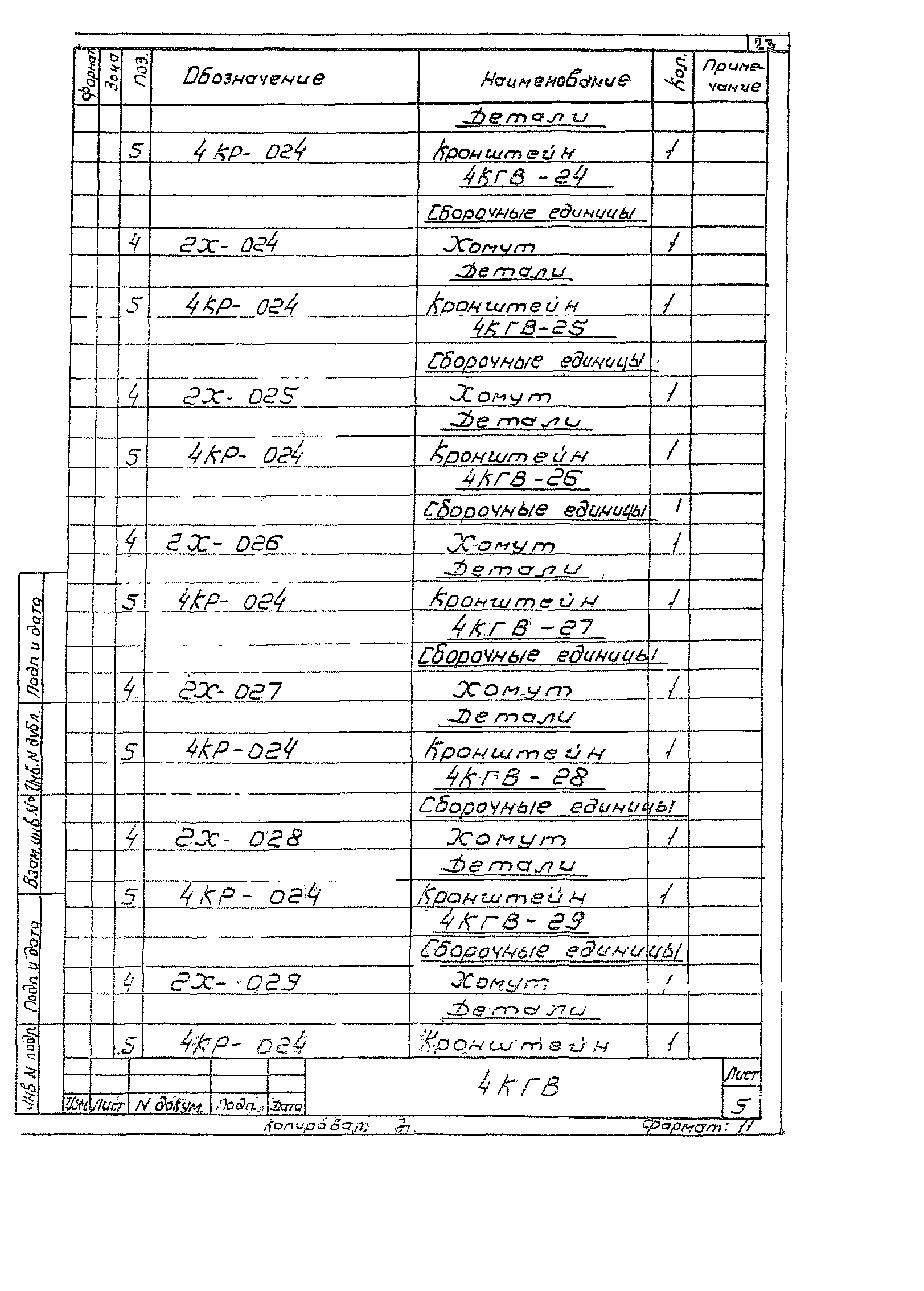
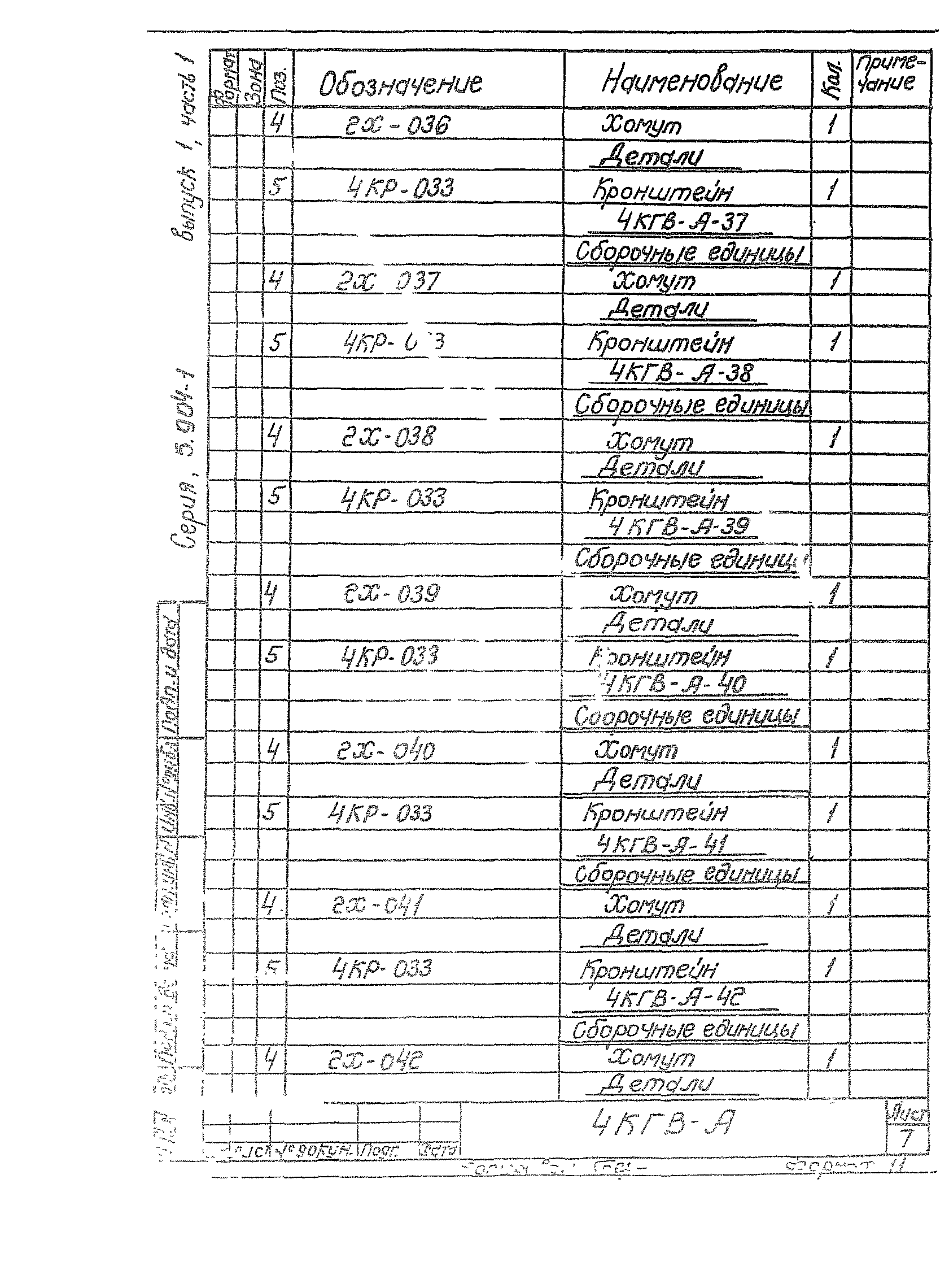
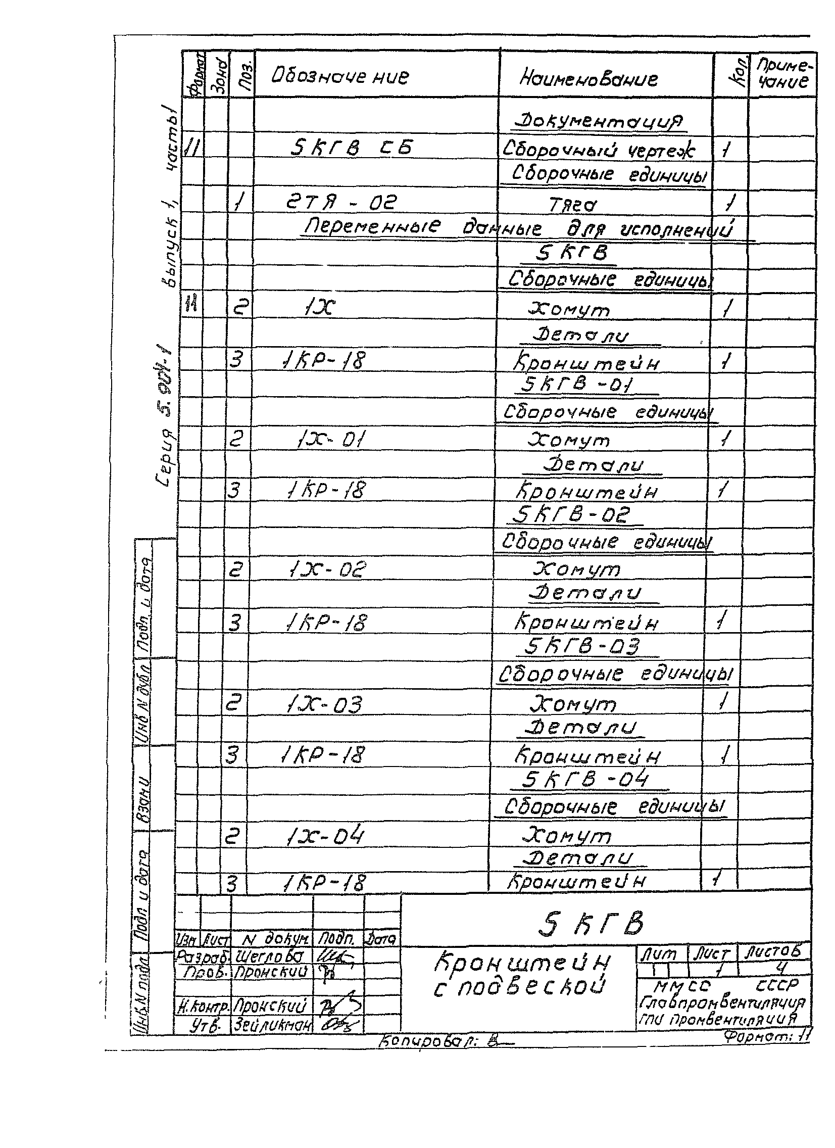
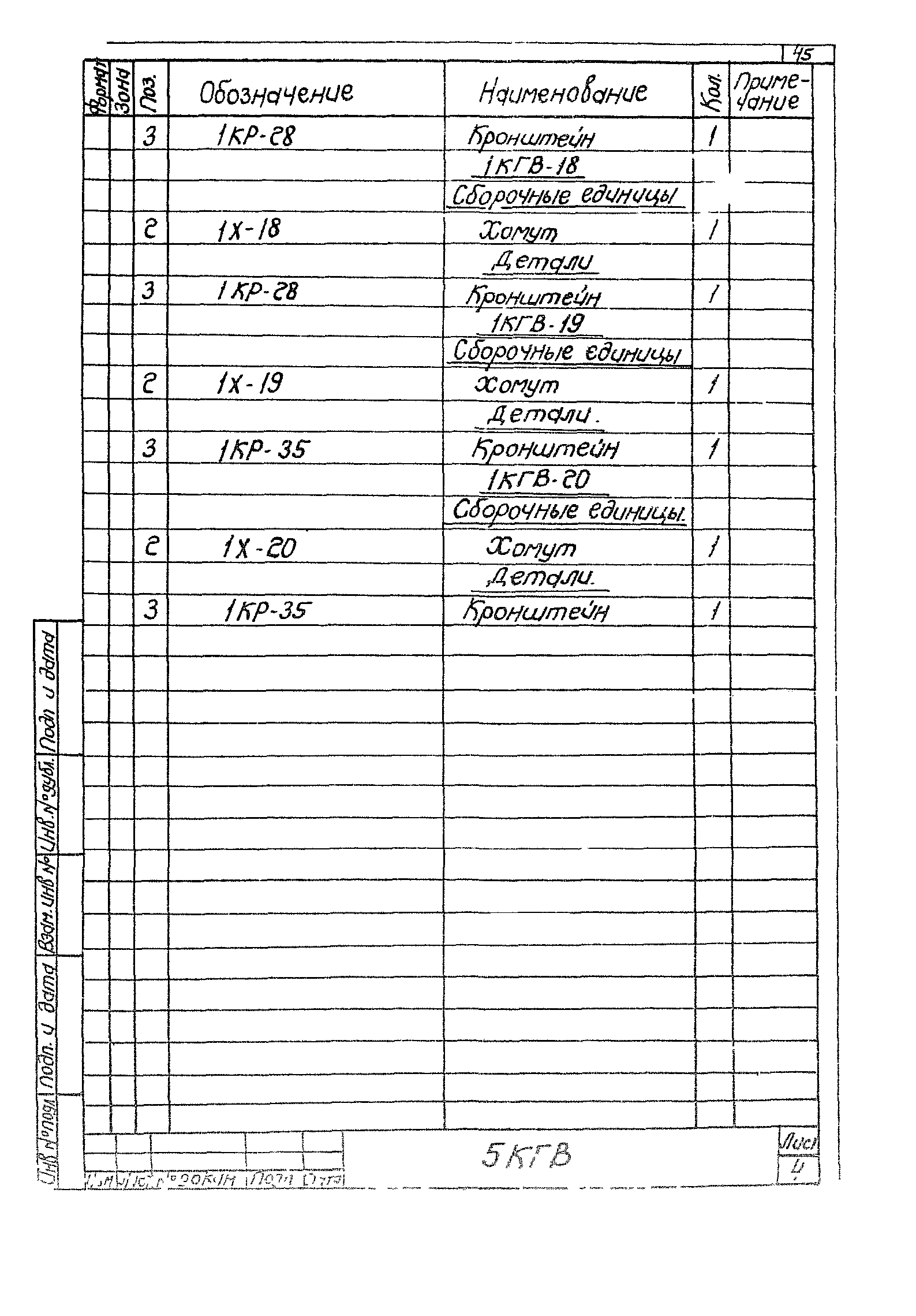
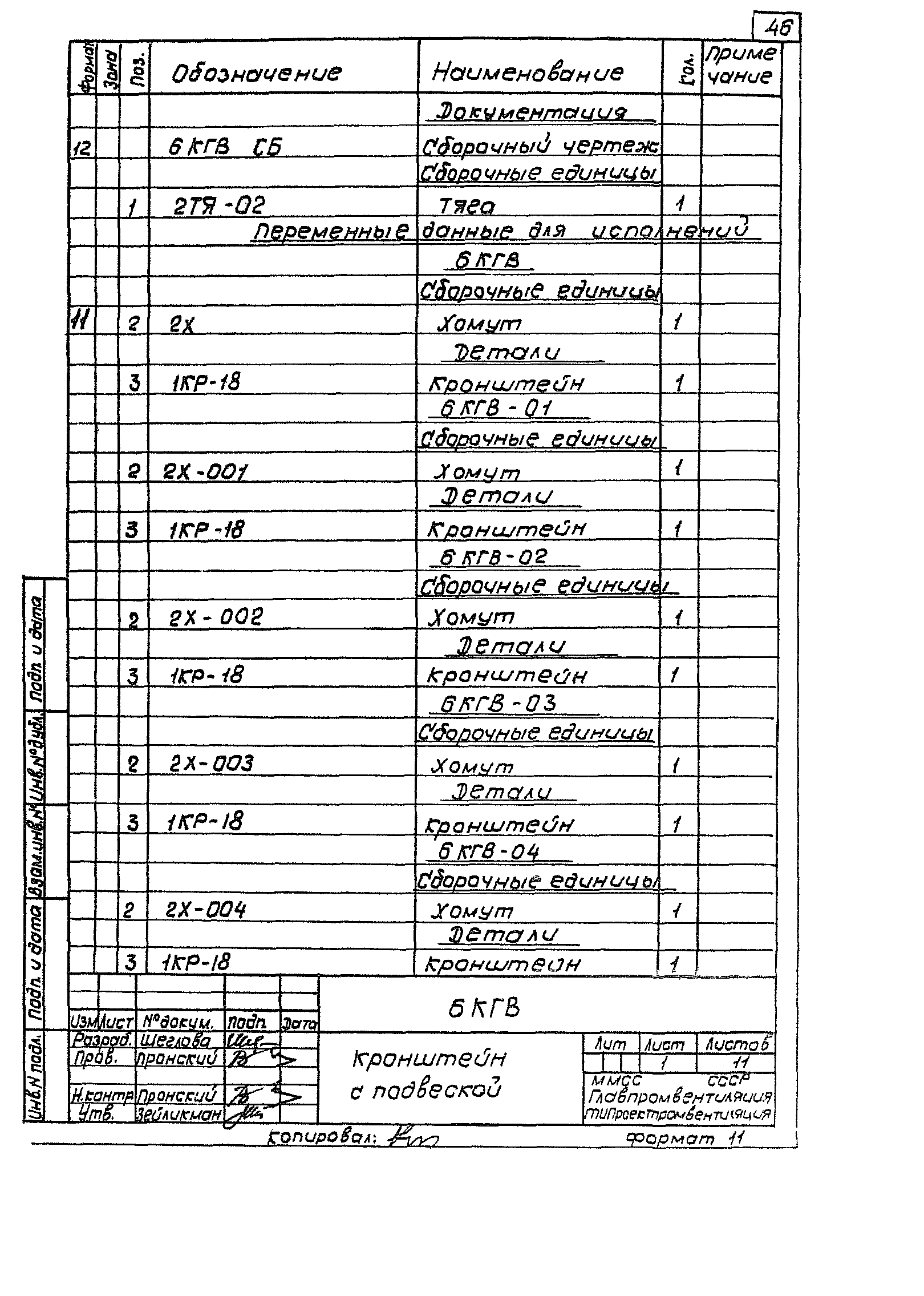
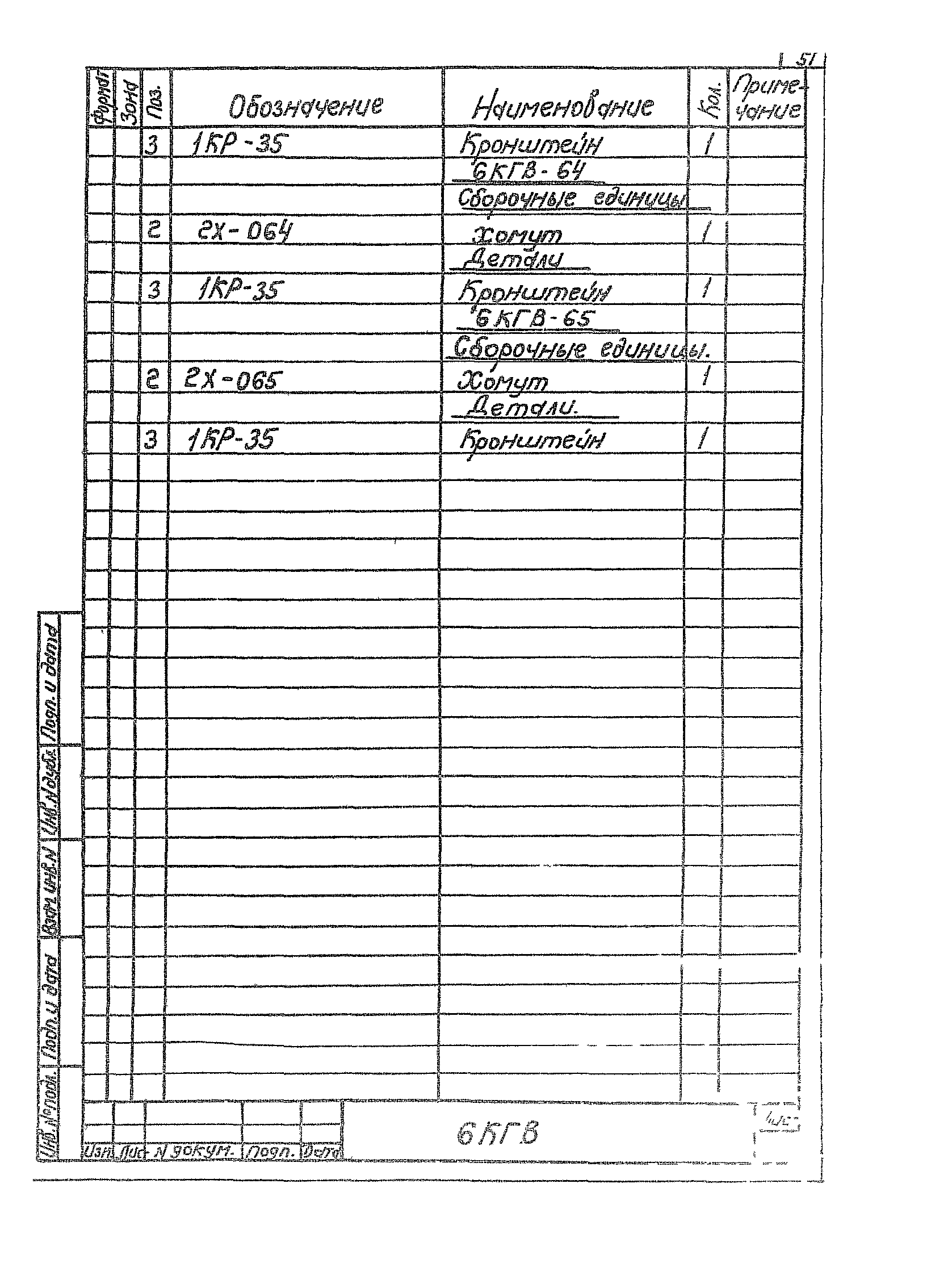
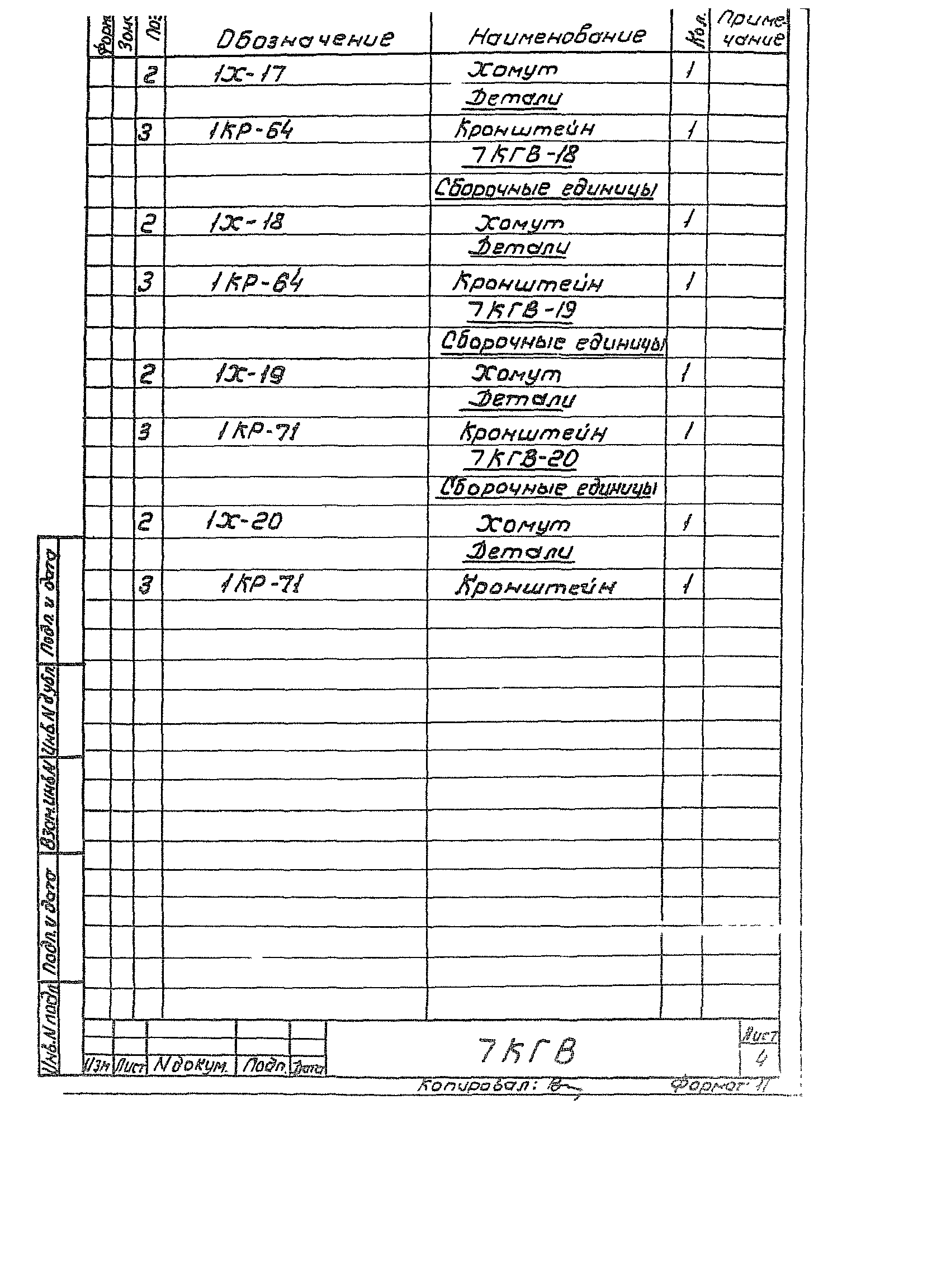
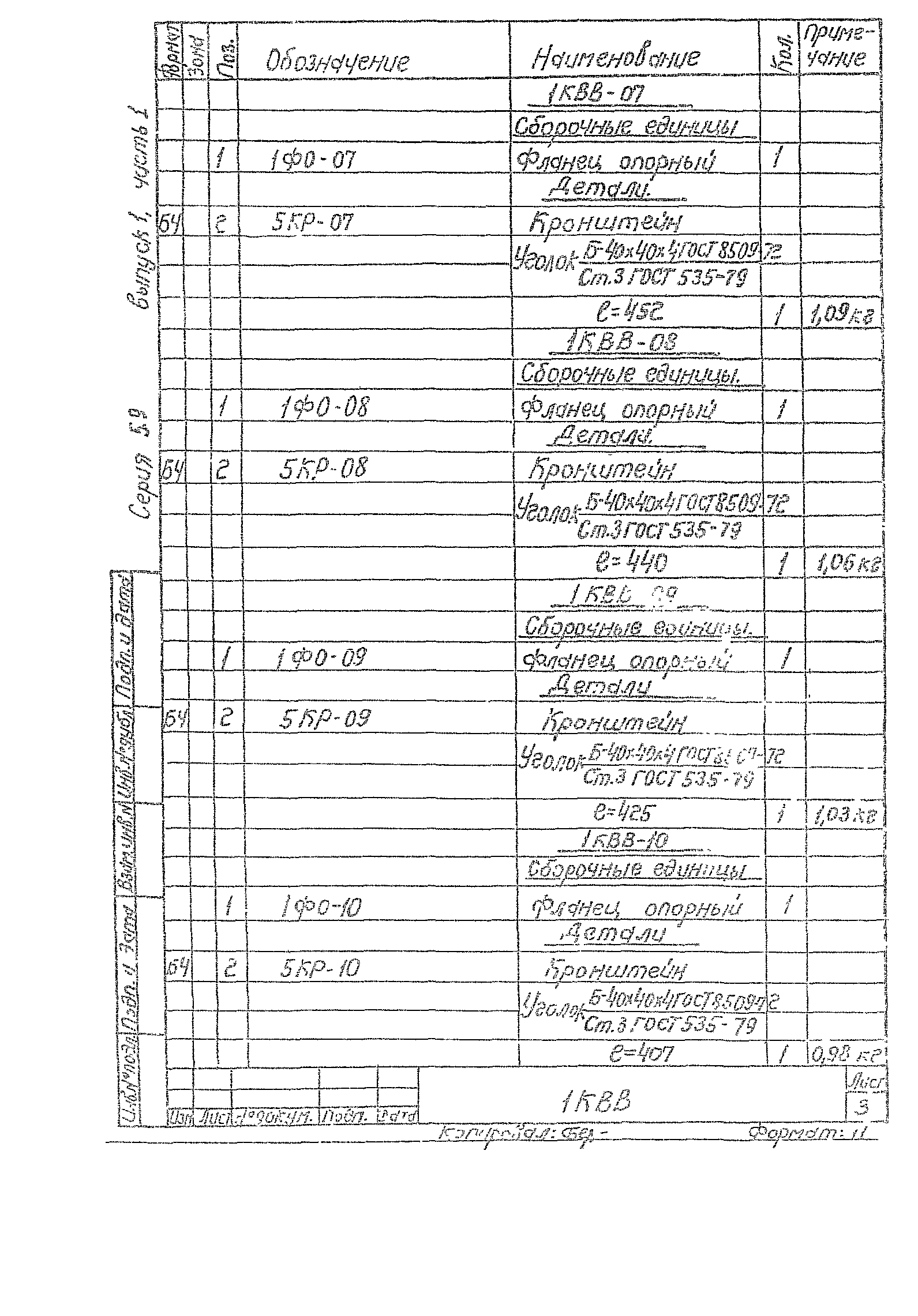
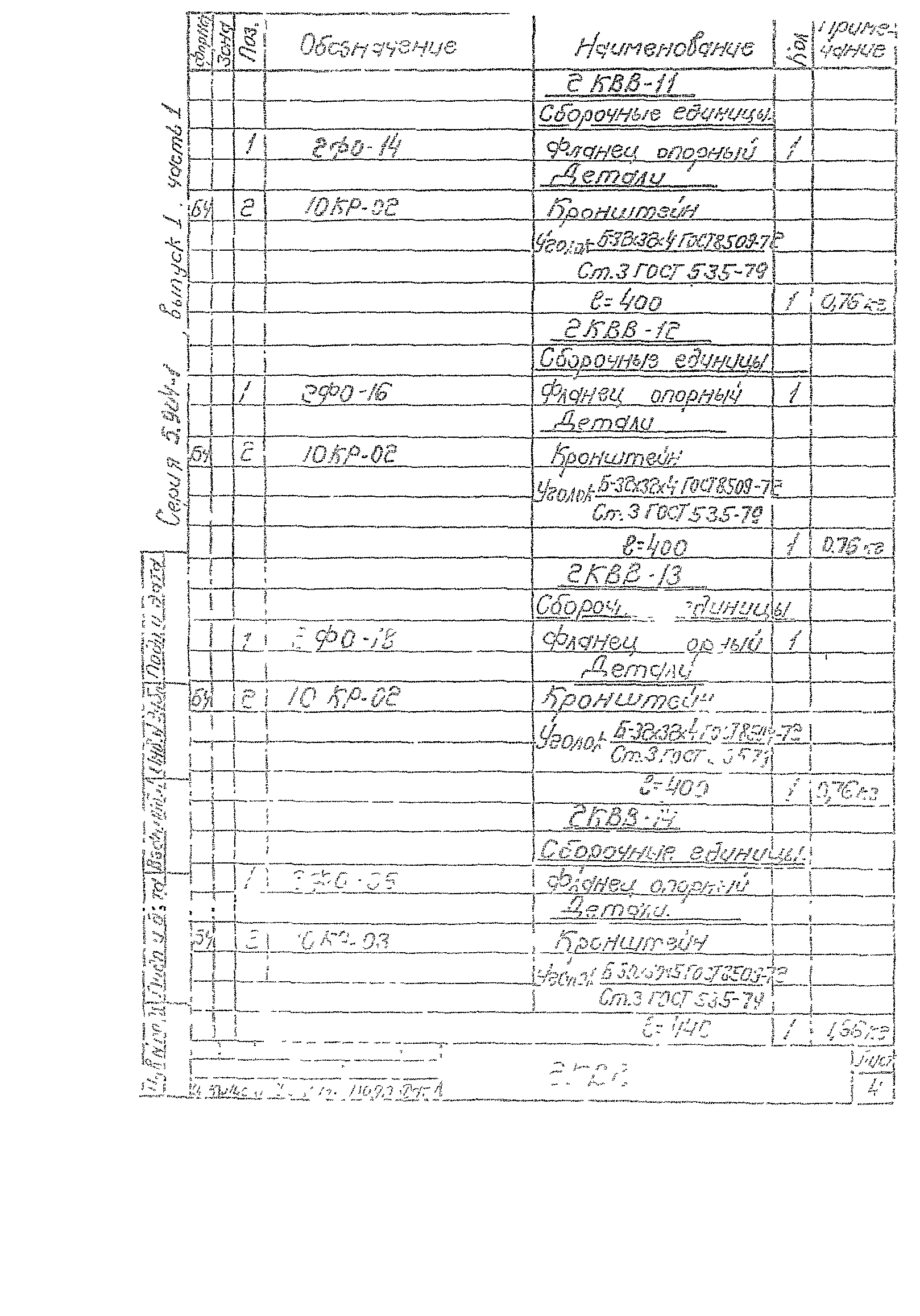
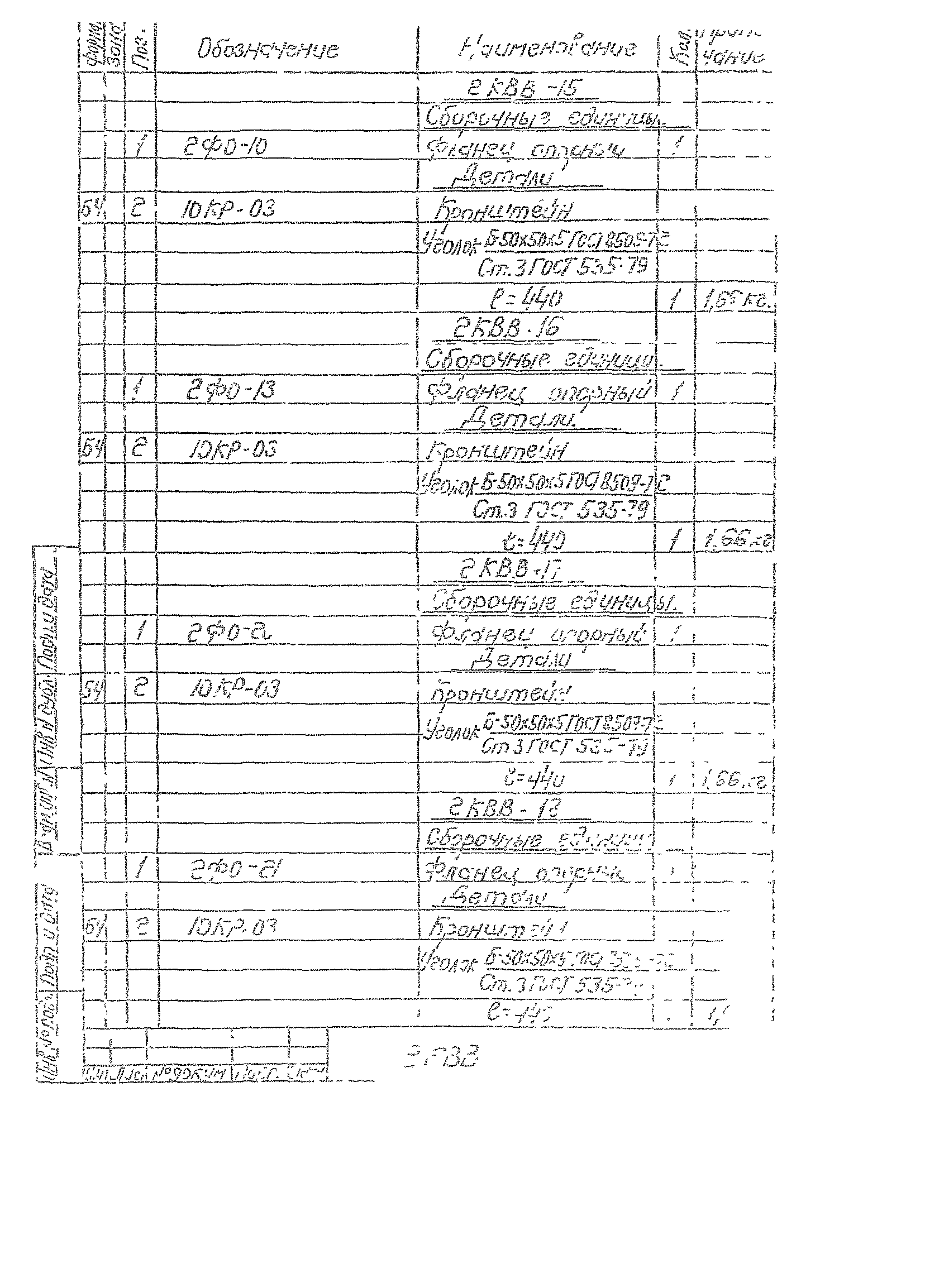
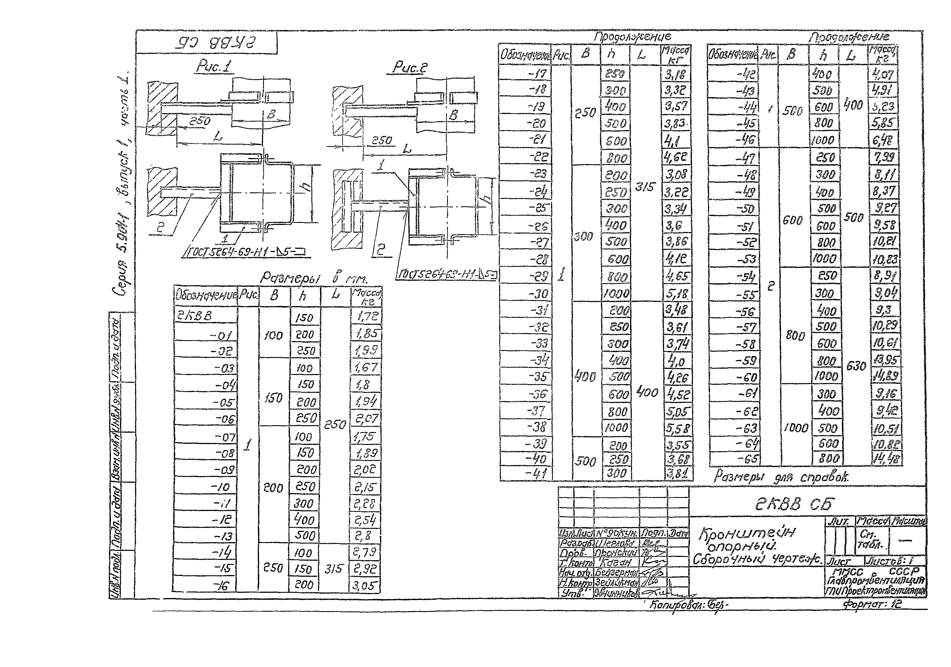
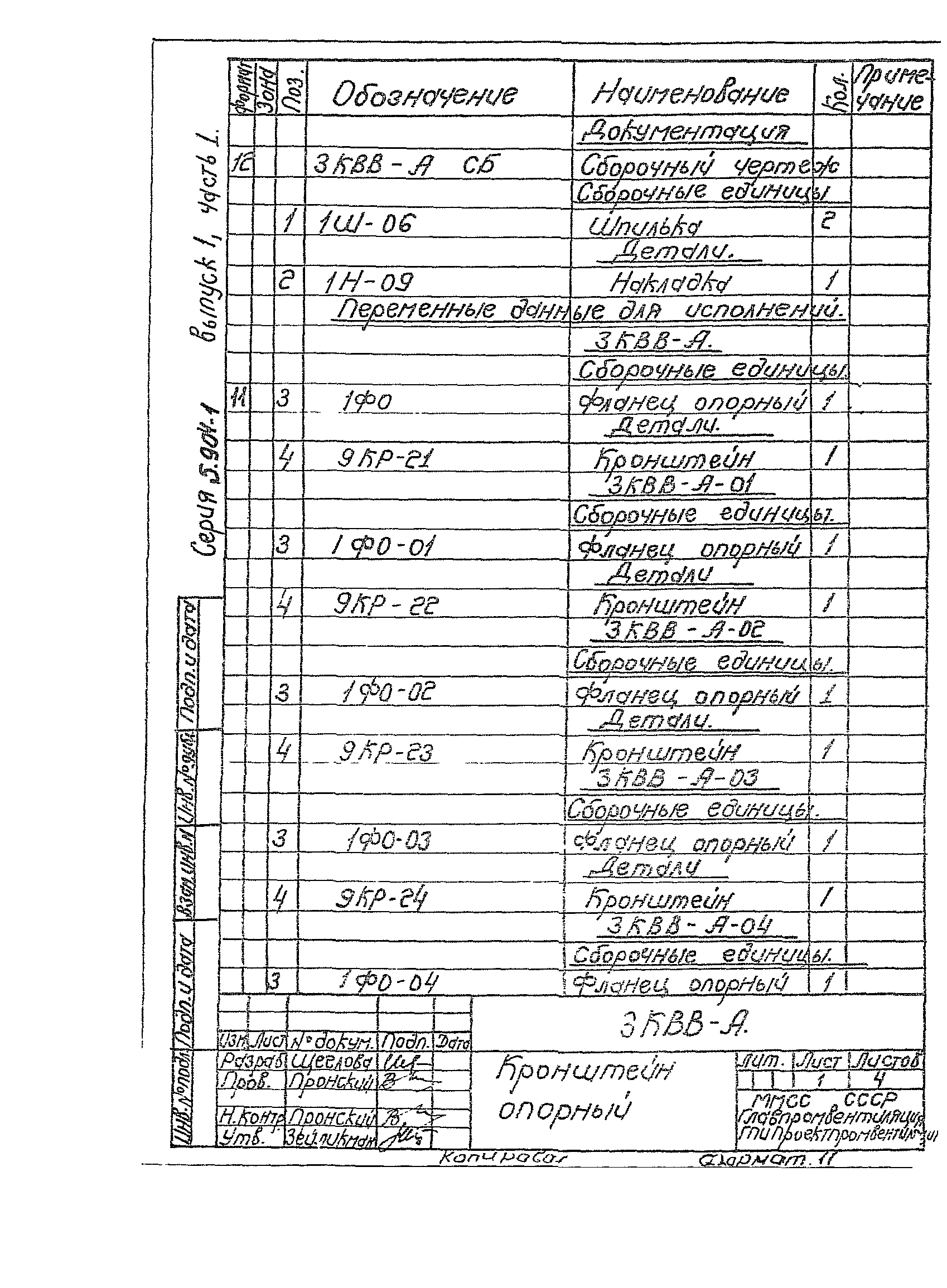
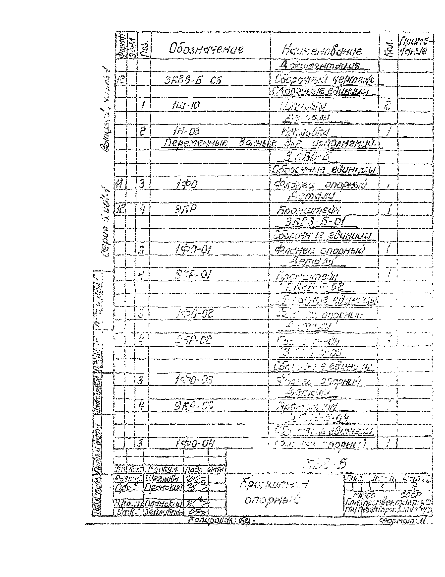
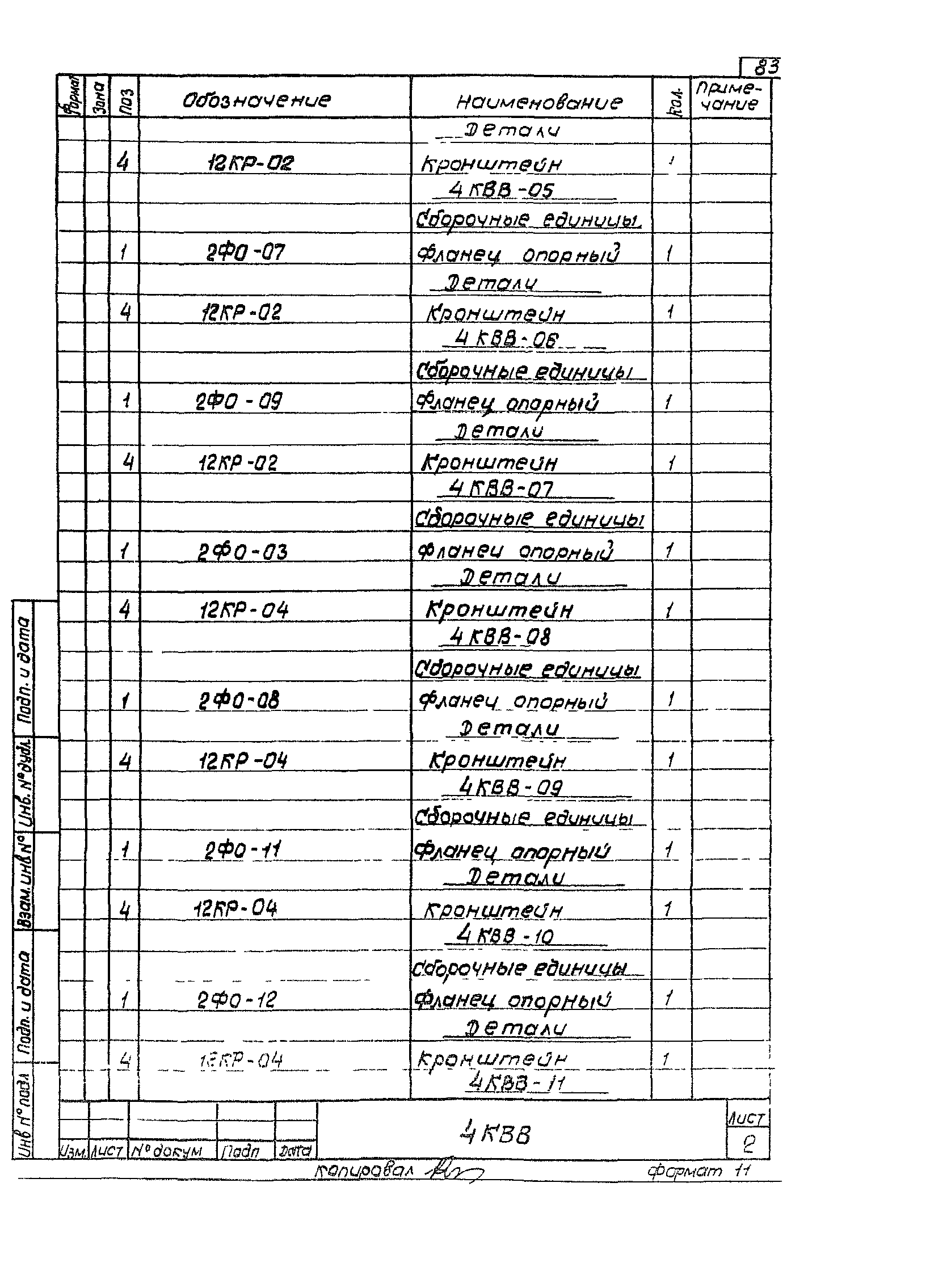
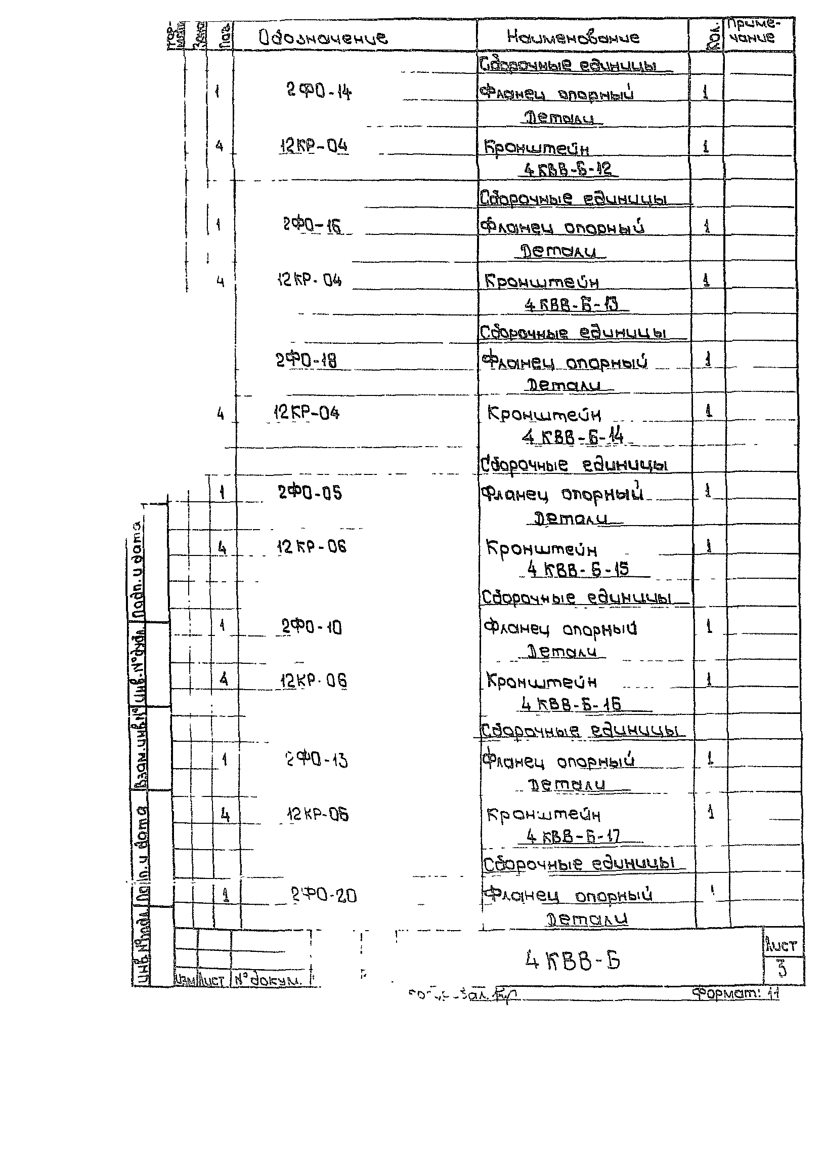
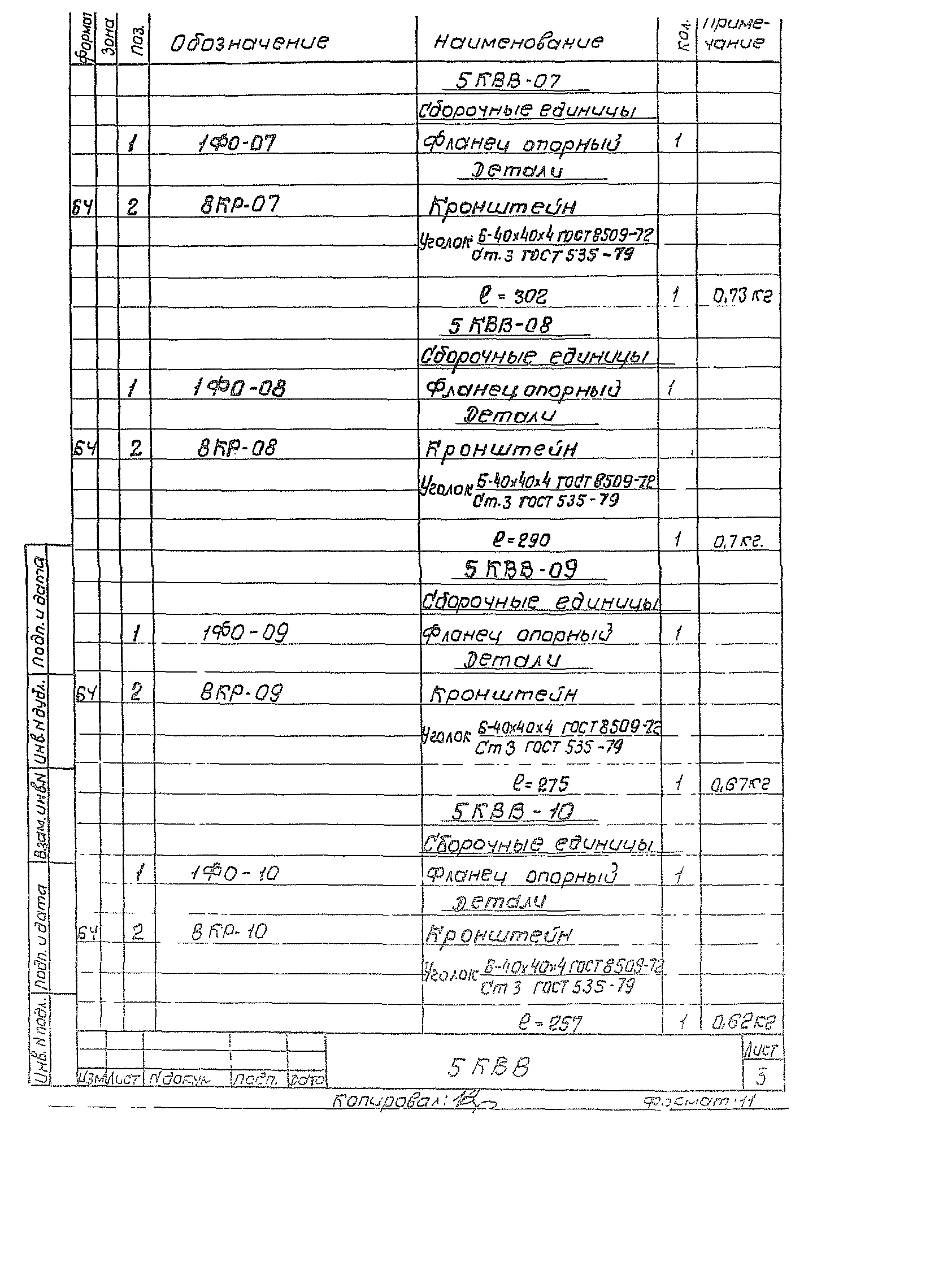
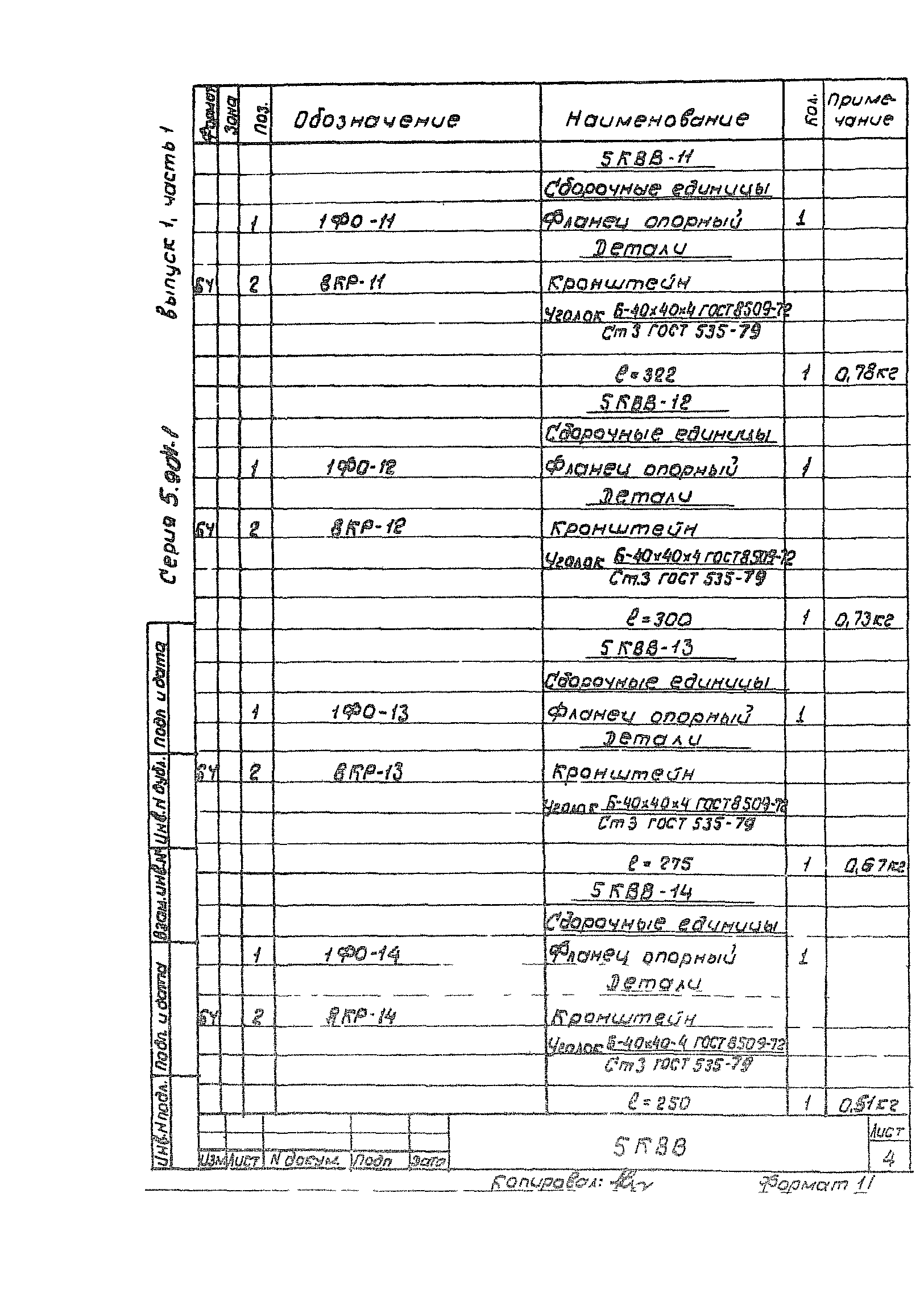
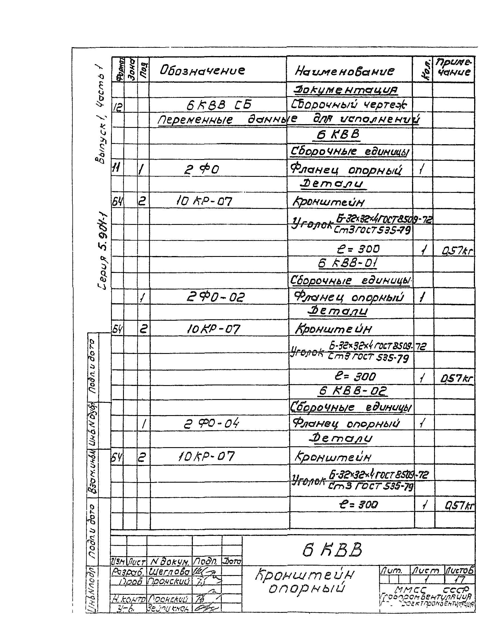
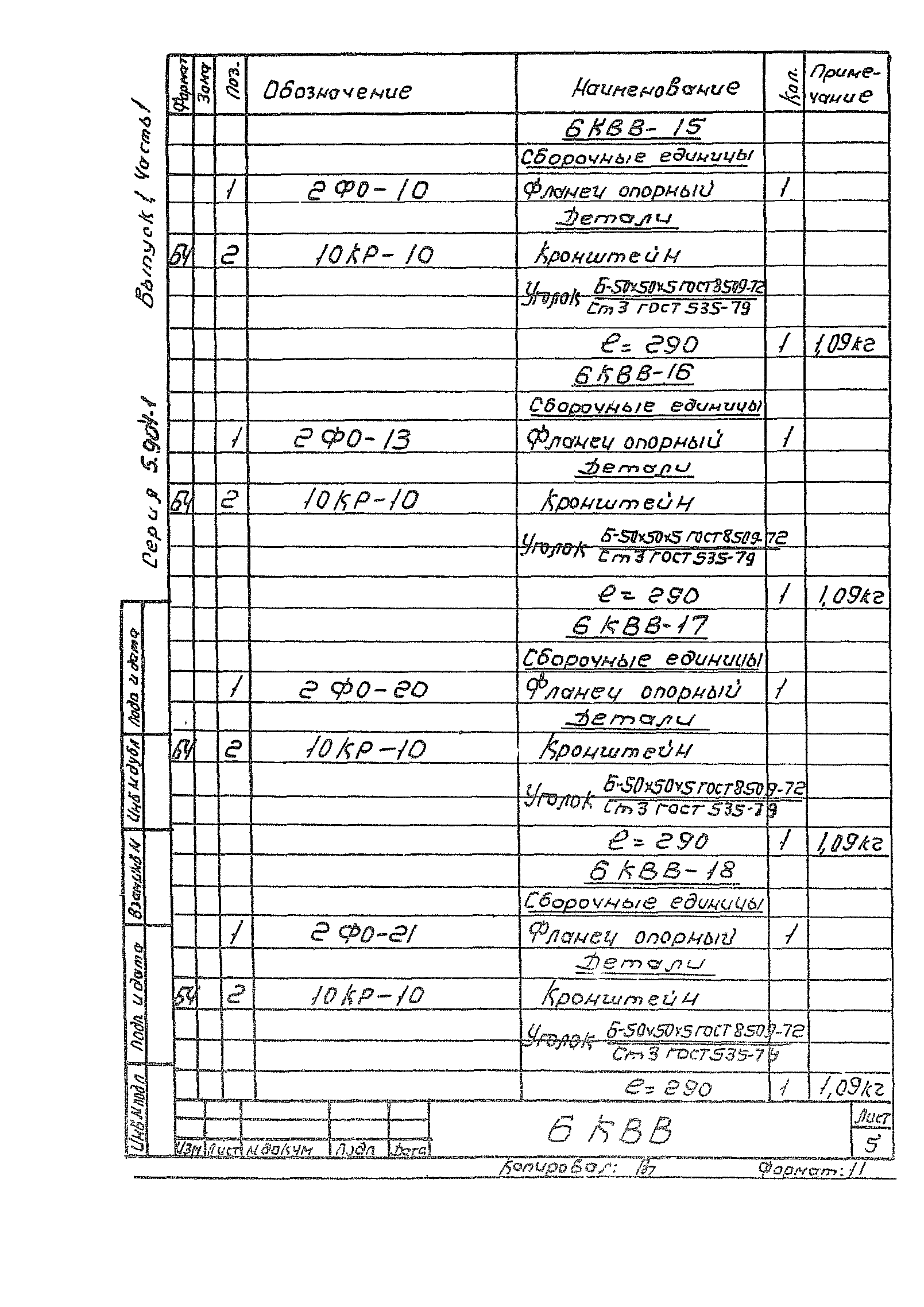
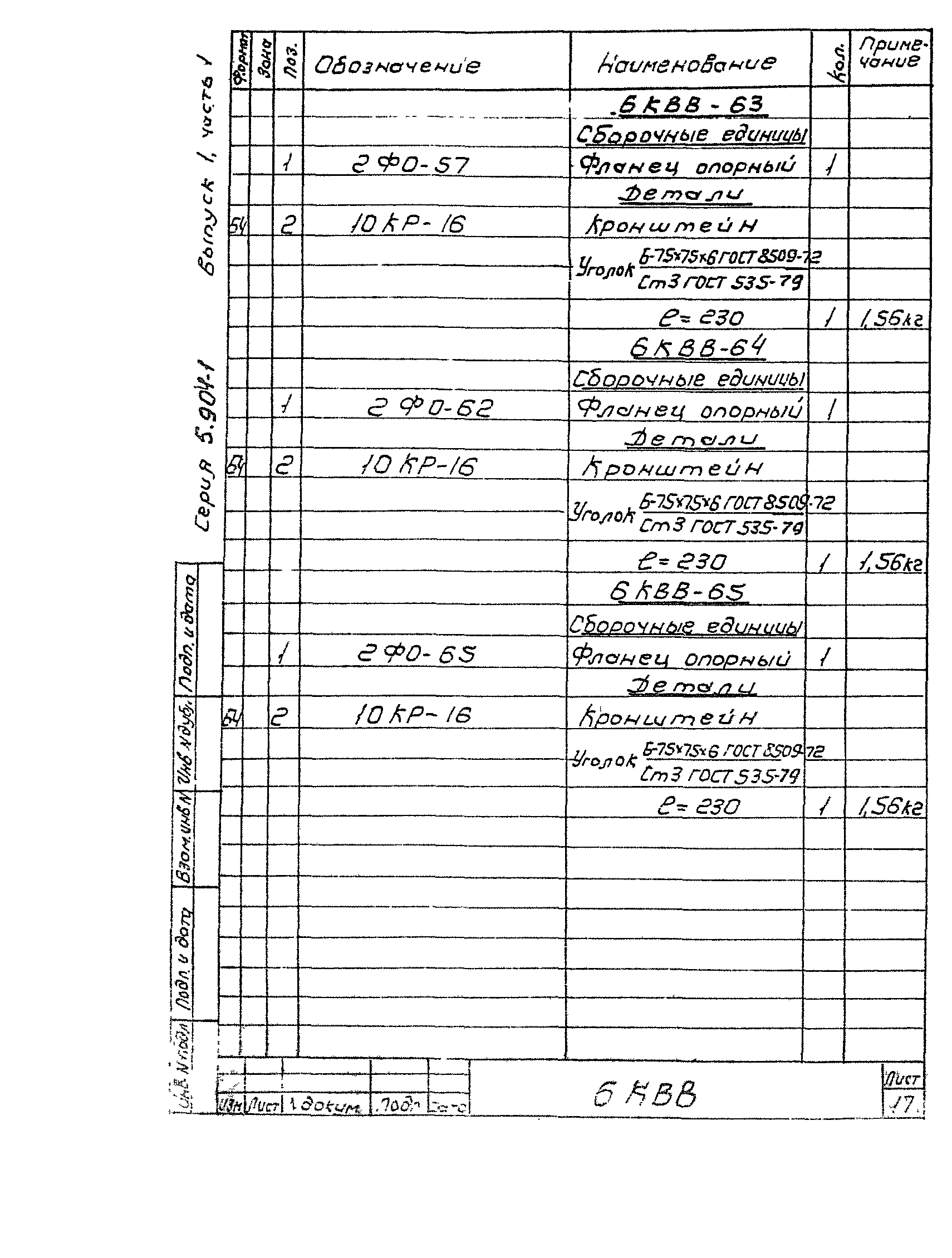
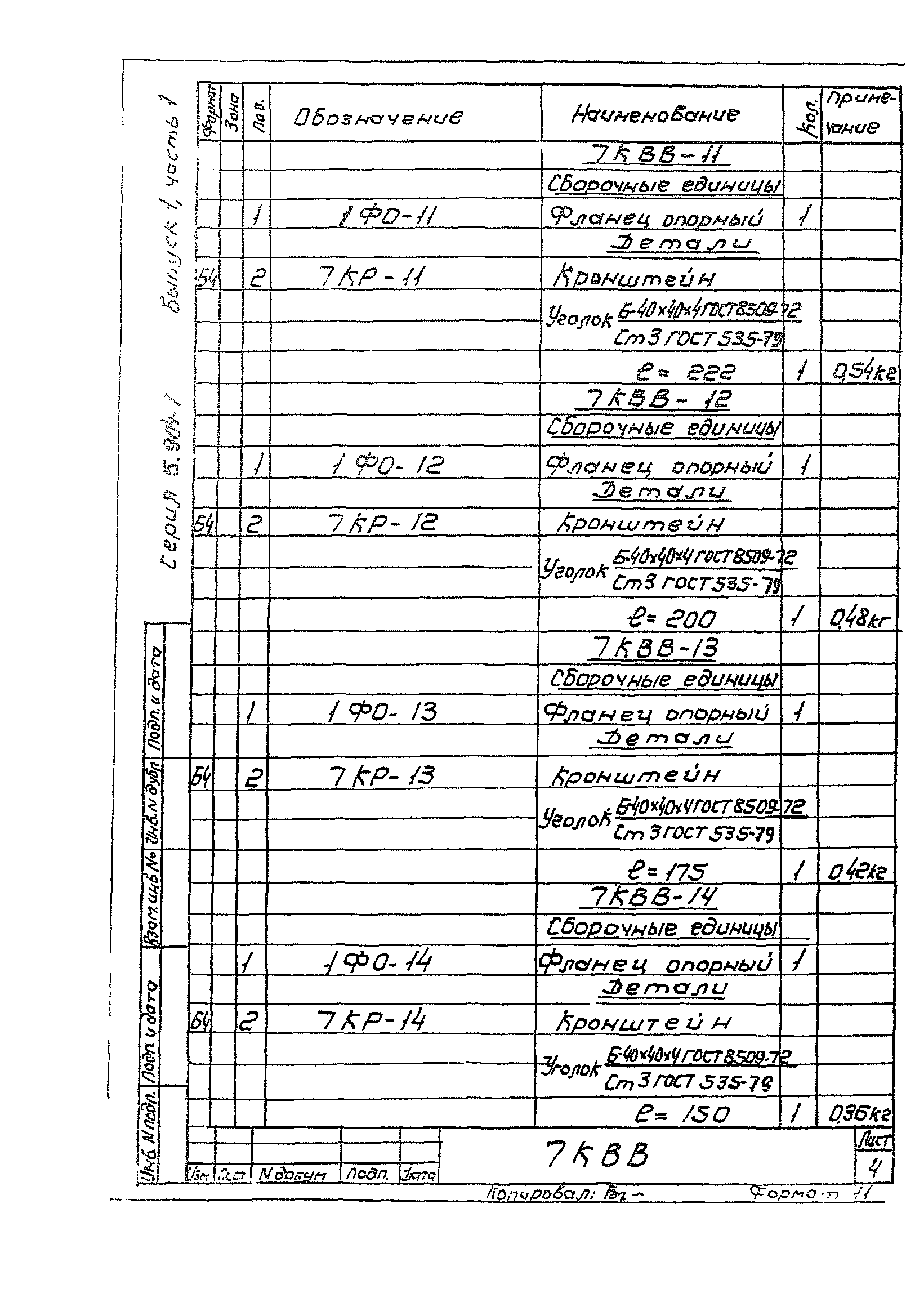
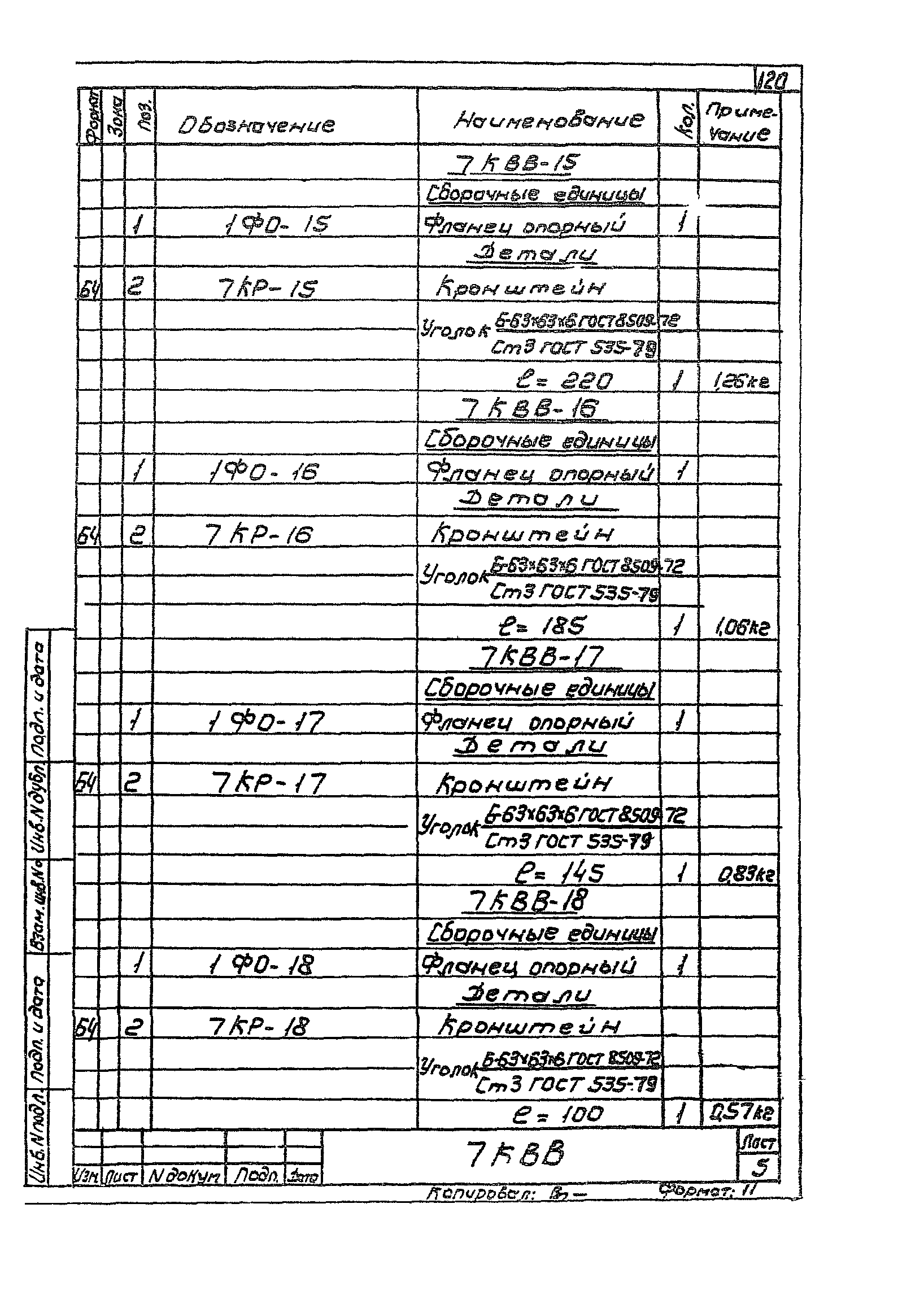
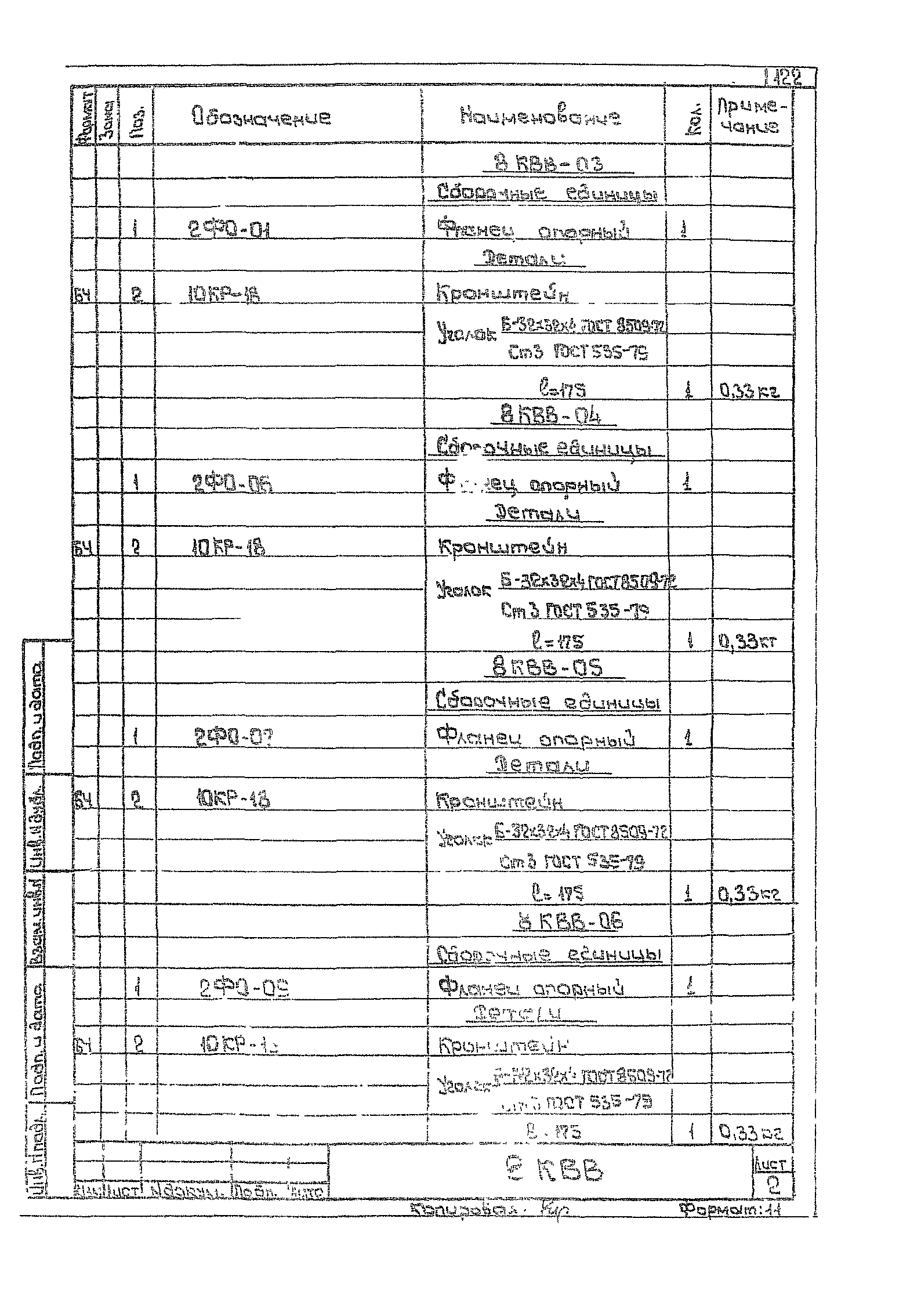
| Оглавление: | Титульный лист Содержание альбома ДКВ.Д1 Детали крепления воздуховодов. Технические требования 1КГВ Кронштейн с подвеской. Спецификация 1КГВ СБ Кронштейн с подвеской. Сборочный чертеж 2КГВ Кронштейн с подвеской. Спецификация 3КГВ Кронштейн с подвеской. Спецификация 2КГВ СБ Кронштейн с подвеской. Сборочный чертеж 3КГВ-А Кронштейн с подвеской. Спецификация 3КГВ СБ Кронштейн с подвеской. Сборочный чертеж 3КГВ-Б Кронштейн с подвеской. Спецификация 3КГВ-А СБ Кронштейн с подвеской. Сборочный чертеж 4КГВ Кронштейн с подвеской. Спецификация 3КГВ-Б СБ Кронштейн с подвеской. Сборочный чертеж 4КГВ СБ Кронштейн с подвеской. Сборочный чертеж 4КГВ-А Кронштейн с подвеской. Спецификация 4КГВ-Б Кронштейн с подвеской. Спецификация 4КГВ-А СБ Кронштейн с подвеской. Сборочный чертеж 4КГВ-Б СБ Кронштейн с подвеской. Сборочный чертеж 5КГВ Кронштейн с подвеской. Спецификация 5КГВ СБ Кронштейн с подвеской. Сборочный чертеж 6КГВ Кронштейн с подвеской. Спецификация 6КГВ СБ Кронштейн с подвеской. Сборочный чертеж 7КГВ Кронштейн с подвеской. Спецификация 7КГВ СБ Кронштейн с подвеской. Сборочный чертеж 8КГВ Кронштейн с подвеской. Спецификация 8КГВ СБ Кронштейн с подвеской. Сборочный чертеж 1КВВ Кронштейн опорный. Спецификация 1КВВ СБ Кронштейн опорный. Сборочный чертеж 2КВВ Кронштейн опорный. Спецификация 2КВВ СБ Кронштейн опорный. Сборочный чертеж 3КВВ Кронштейн опорный. Спецификация 3КВВ СБ Кронштейн опорный. Сборочный чертеж 3КВВ-А Кронштейн опорный. Спецификация 3КВВ-А СБ Кронштейн опорный. Сборочный чертеж 3КВВ-Б Кронштейн опорный. Спецификация 3КВВ-Б СБ Кронштейн опорный. Сборочный чертеж 4КВВ Кронштейн опорный. Спецификация 4КВВ-А Кронштейн опорный. Спецификация 4КВВ СБ Кронштейн опорный. Сборочный чертеж 4КВВ-А СБ Кронштейн опорный. Сборочный чертеж 4КВВ-Б Кронштейн опорный. Спецификация 5КВВ Кронштейн опорный. Спецификация 4КВВ-Б СБ Кронштейн опорный. Сборочный чертеж 5КВВ СБ Кронштейн опорный. Сборочный чертеж 6КВВ Кронштейн опорный. Спецификация 7КВВ Кронштейн опорный. Спецификация 6КВВ СБ Кронштейн опорный. Сборочный чертеж 7КВВ СБ Кронштейн опорный. Сборочный чертеж 8КВВ Кронштейн опорный. Спецификация 8КВВ СБ Кронштейн опорный. Сборочный чертеж |
| Разработан: | ГПИ Проектпромвентиляция |
| Утверждён: | 05.05.1980 Главпромстройпроект Госстроя СССР (16) |











































































































































































































































