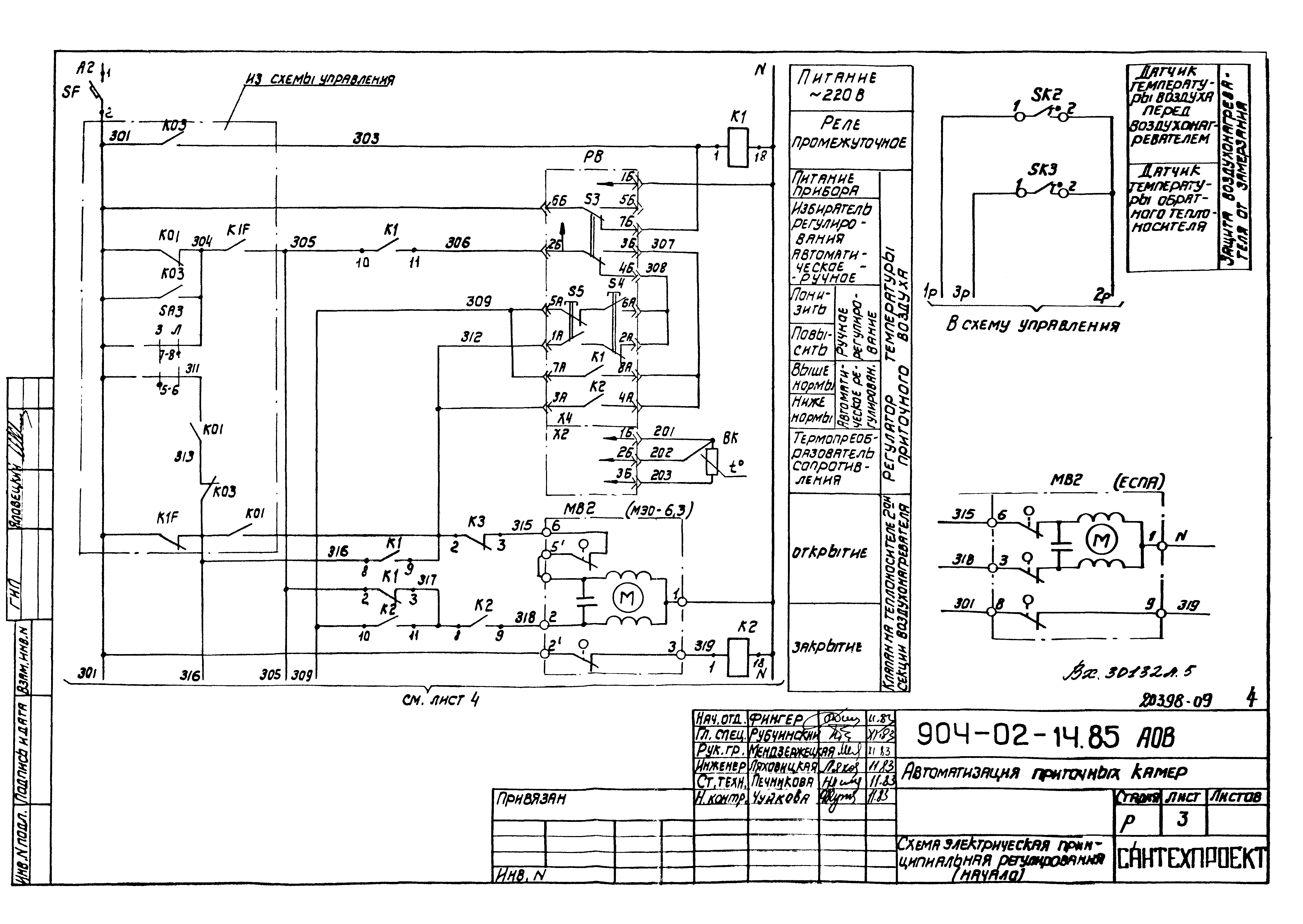
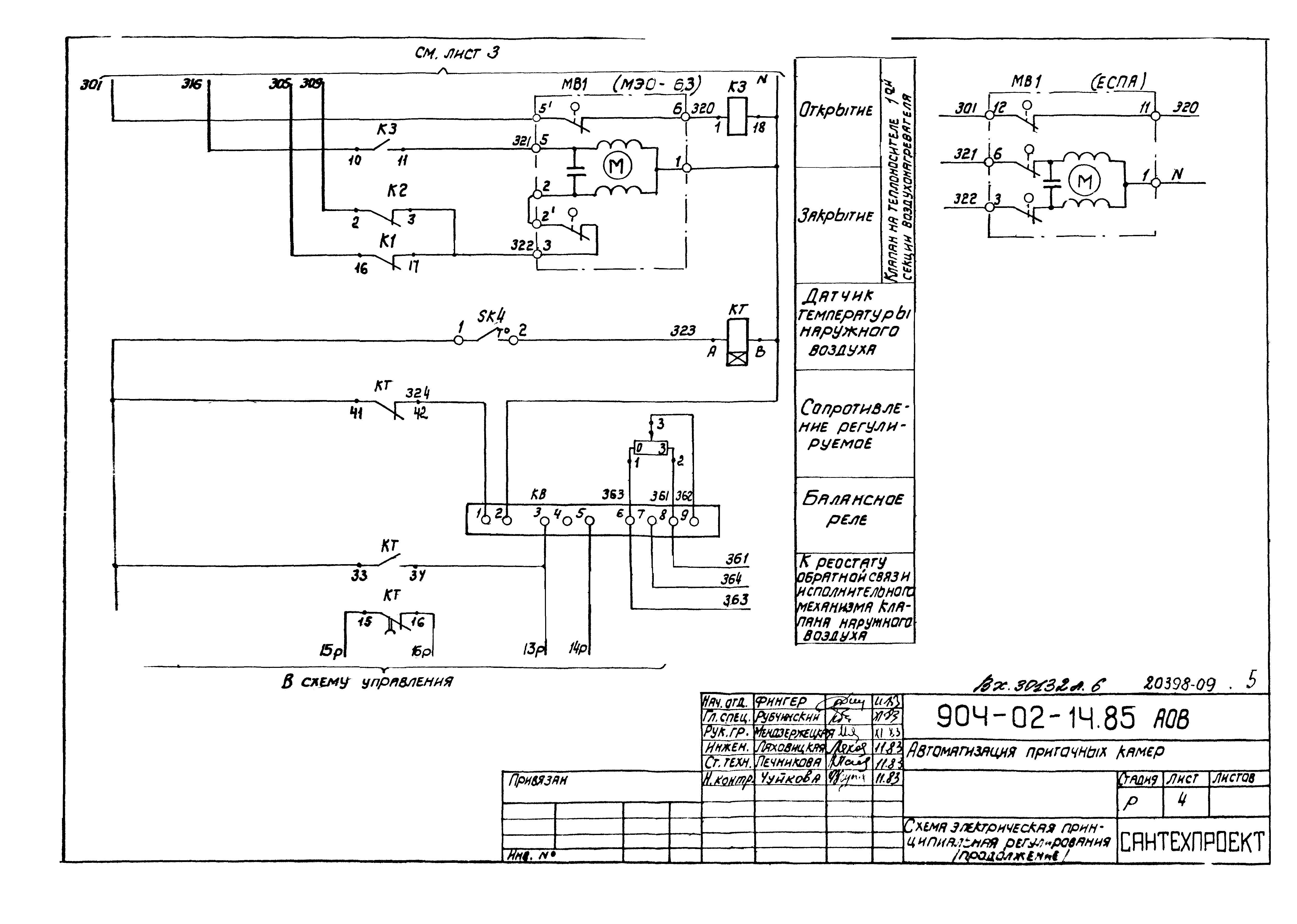
Скачать Типовые проектные решения 904-02-14.85 Альбом VIII. Приточная вентиляционная камера прямоточная с двумя секциями воздухонагревателя. Регулирование температуры приточного воздуха с ограничением расхода тепла на вентиляцию. Электрическая система регулированияДата актуализации: 01.01.2021
|
| Обозначение: | Типовые проектные решения 904-02-14.85 |
| Обозначение англ: | 904-02-14.85 |
| Статус: | справочные материалы, мп, тпр |
| Название рус.: | Альбом VIII. Приточная вентиляционная камера прямоточная с двумя секциями воздухонагревателя. Регулирование температуры приточного воздуха с ограничением расхода тепла на вентиляцию. Электрическая система регулирования |
| Дата добавления в базу: | 01.09.2013 |
| Дата актуализации: | 01.01.2021 |
| Дата введения: | 12.06.1986 |
| Оглавление: | Общие данные Схема функциональная Схема электрическая принципиальная регулирования Щит регулирования Щ14. Общий вид Щит регулирования Щ14. Таблица соединений Щит регулирования Щ14. Таблица подключения Схема подключения |
| Разработан: | Сантехпроект Госстроя СССР |
| Утверждён: | 12.06.1986 Главстройпроект Госстроя СССР (33) |

















