Скачать Типовой проект 901-2-162.88 Альбом I. Пояснительная записка. Технологические решения. Отопление и вентиляция. Внутренние водопровод и канализация. Электротехническая часть. Технологический контрольДата актуализации: 01.01.2021
|
| Обозначение: | Типовой проект 901-2-162.88 |
| Обозначение англ: | 901-2-162.88 |
| Статус: | не определен законодательством |
| Название рус.: | Альбом I. Пояснительная записка. Технологические решения. Отопление и вентиляция. Внутренние водопровод и канализация. Электротехническая часть. Технологический контроль |
| Дата добавления в базу: | 01.09.2013 |
| Дата актуализации: | 01.01.2021 |
| Дата введения: | 14.04.1988 |
| Дата окончания срока действия: | 30.06.2003 |
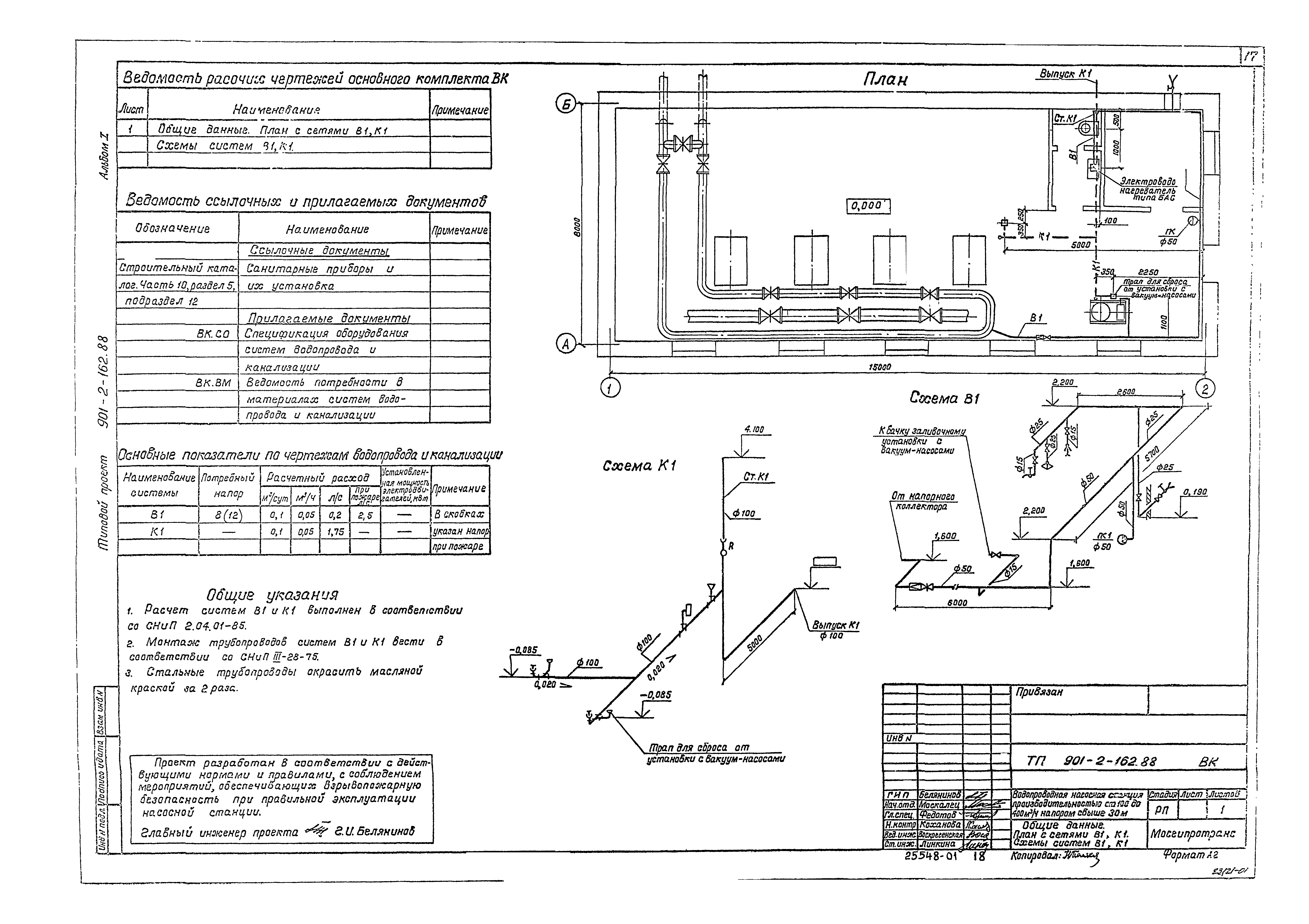
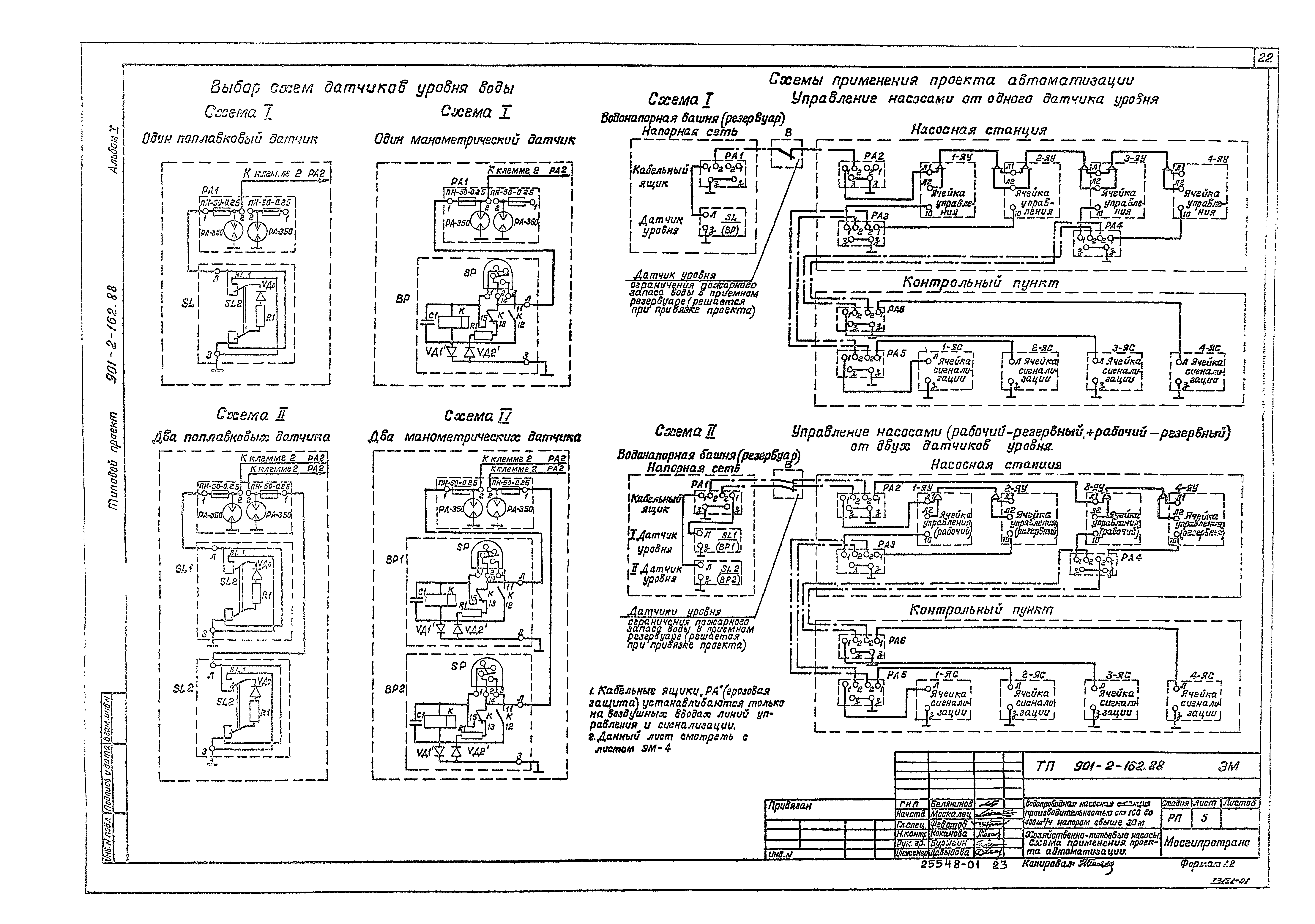
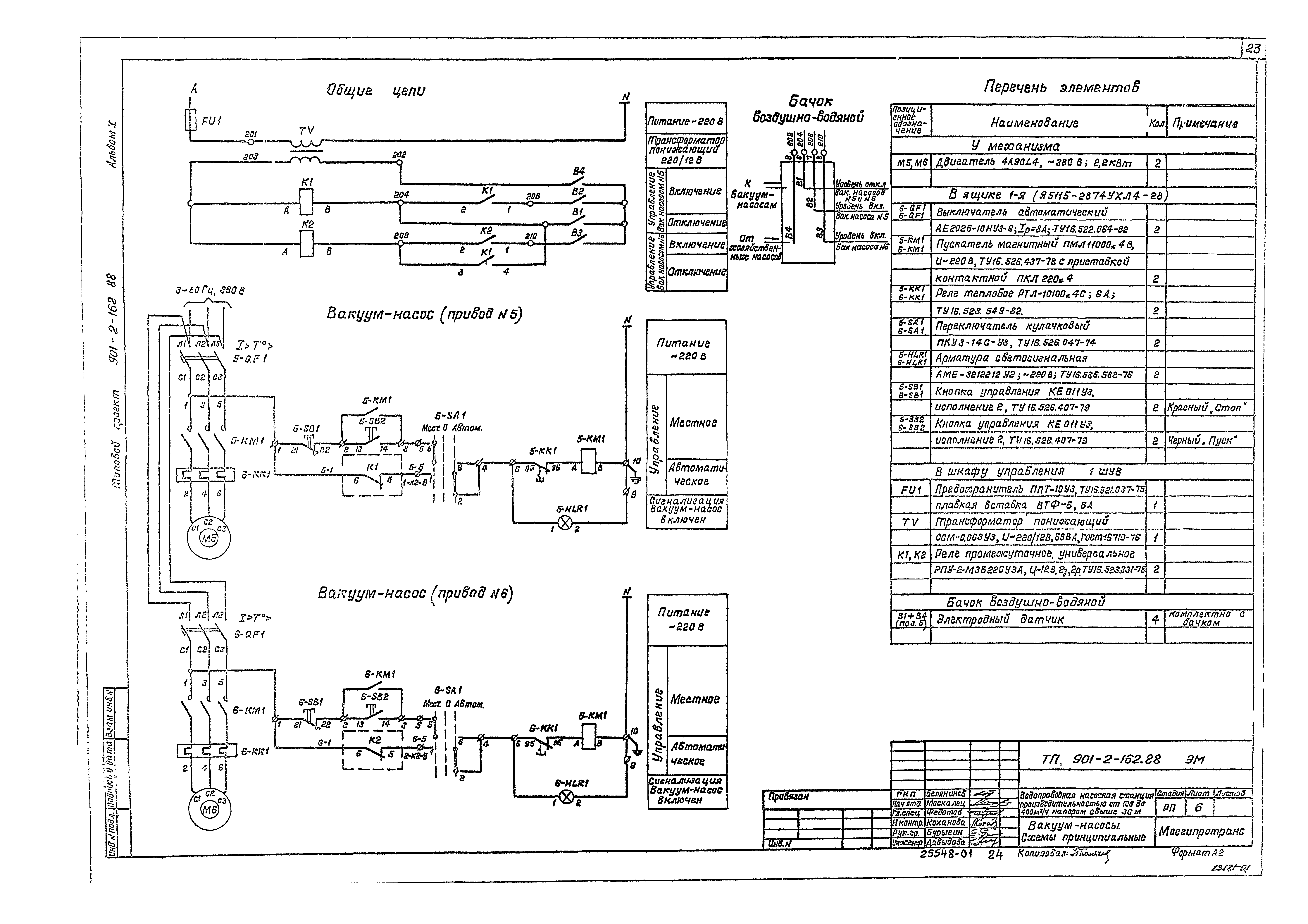
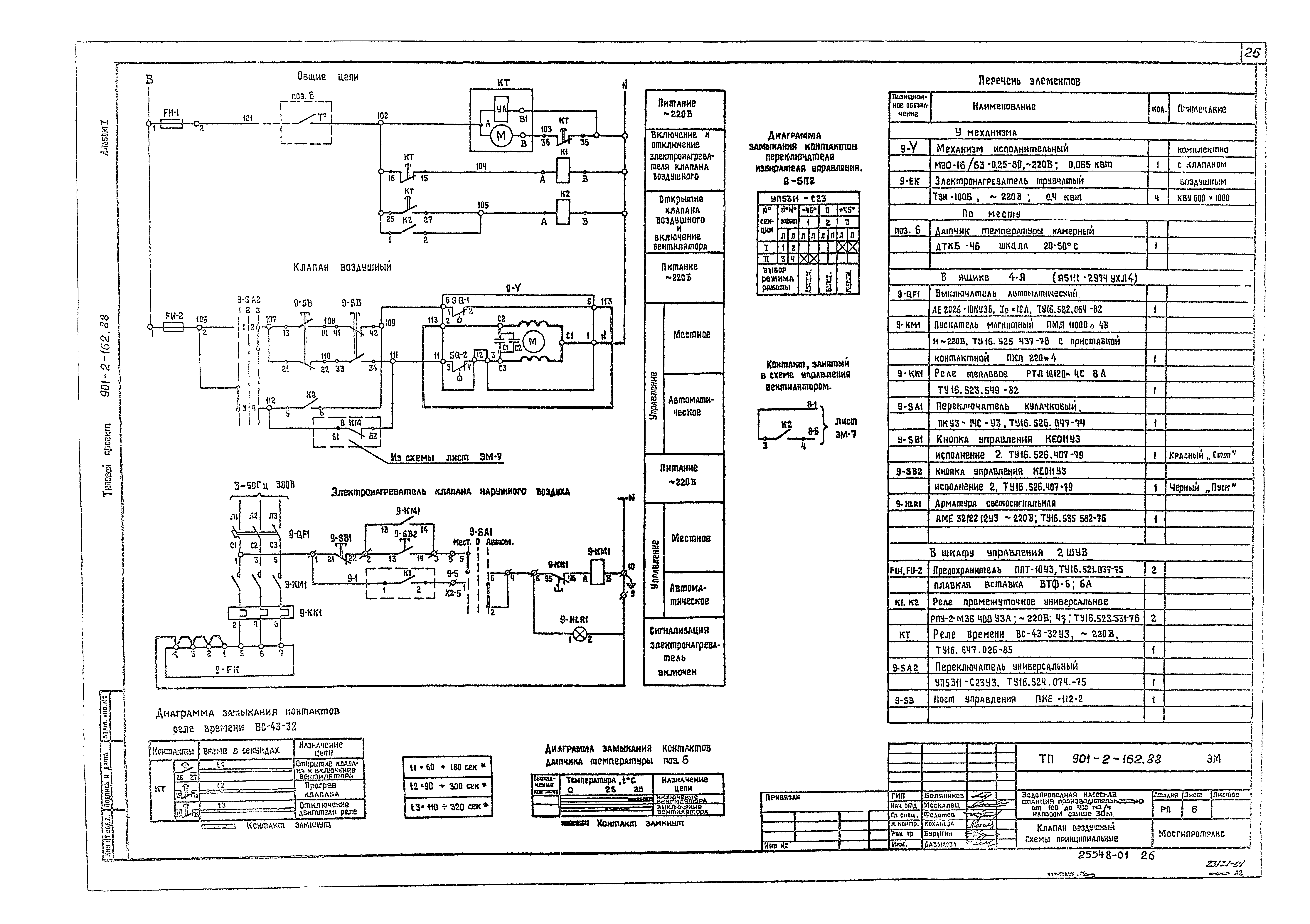
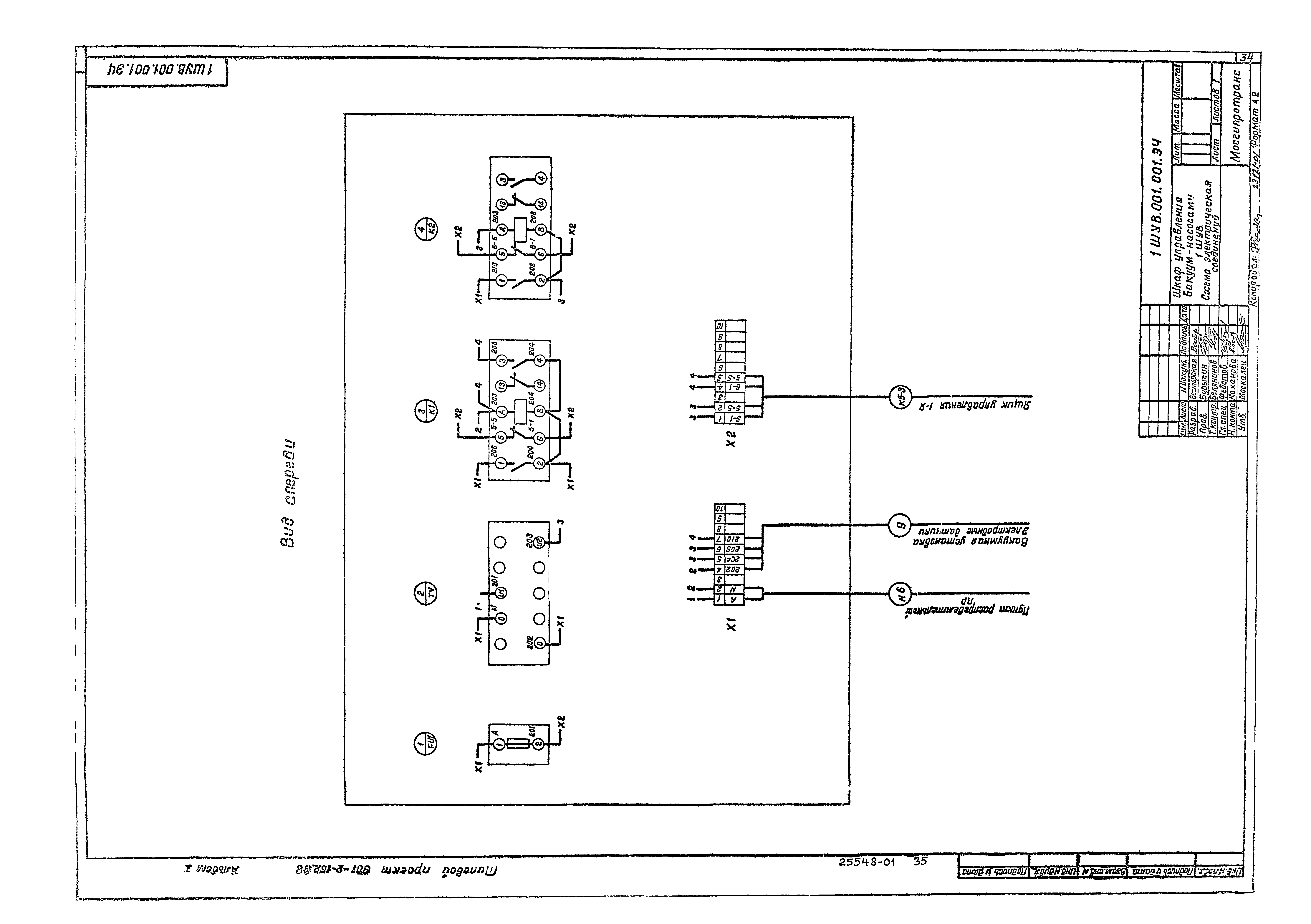
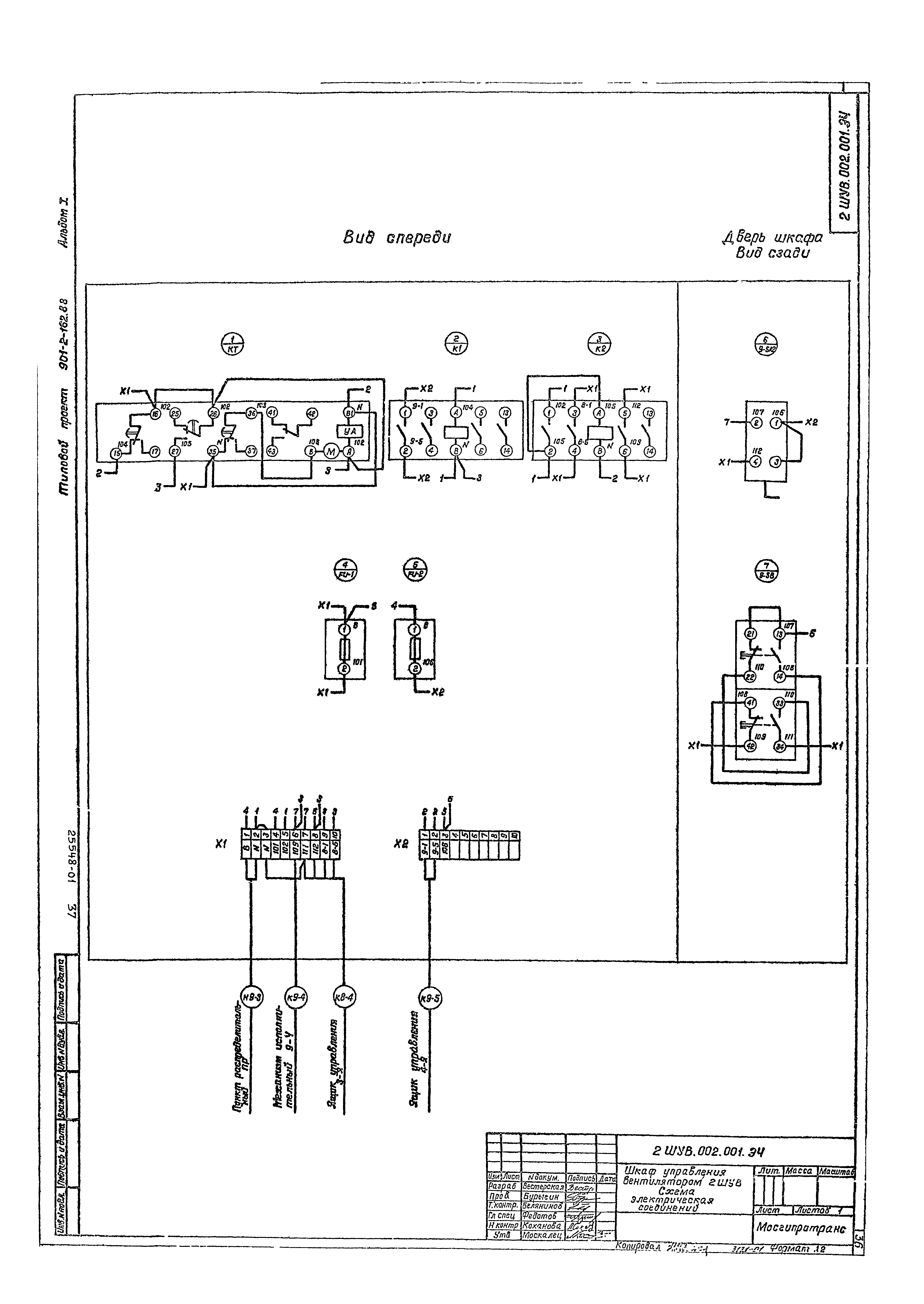
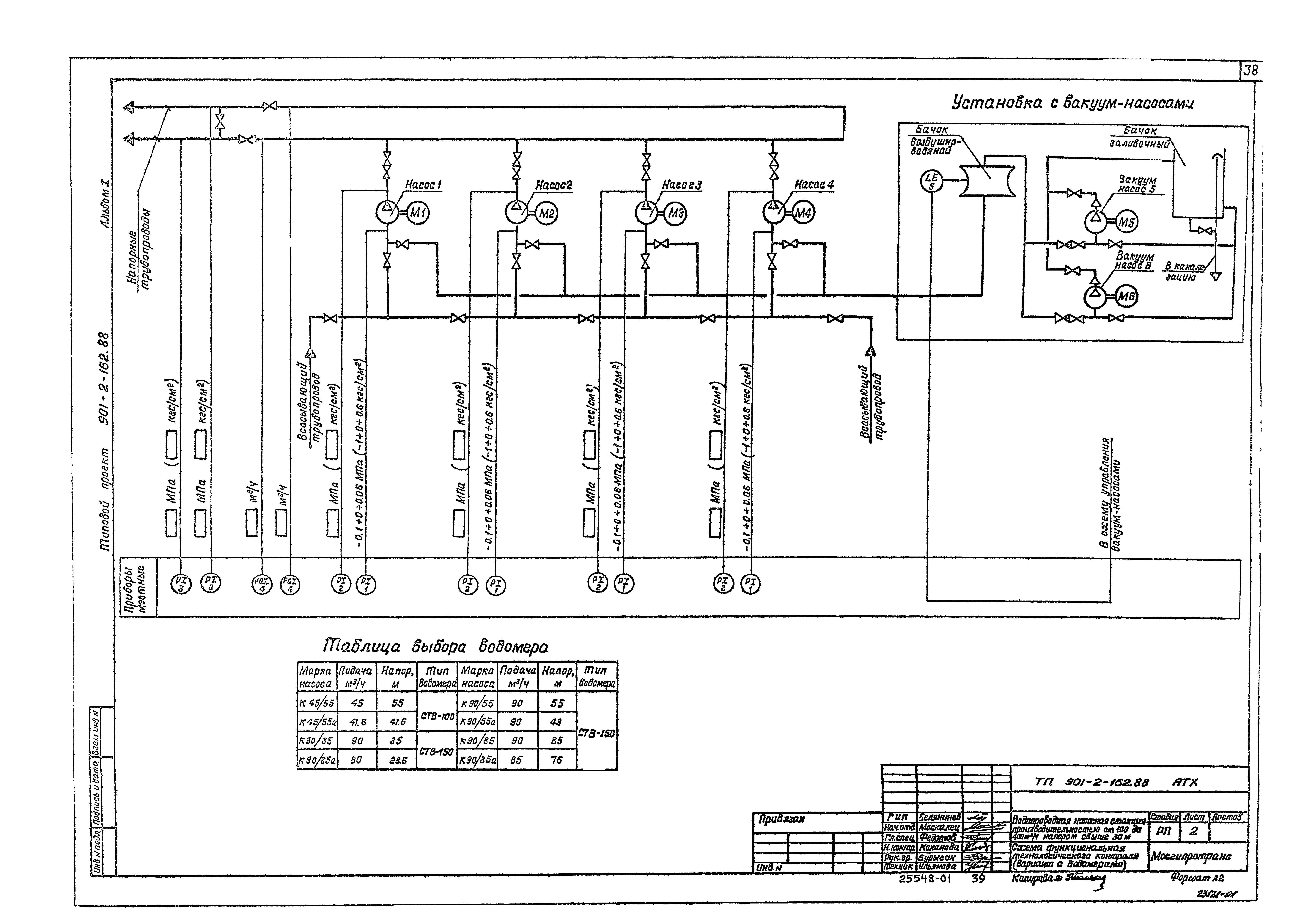
| Оглавление: | Пояснительная записка Технологические решения Общие данные Схемы установки системы ВО и установки с вакуум-насосами Таблица выбора оборудования План на отм. 0.000. Разрезы Отопление и вентиляция Общие данные Отопление. Вентиляция. Планы Отопление. Вентиляция. Разрез 1-1. Схема системы отопления. Узел управления. Схемы систем ВЕ1, ВЕ2, ВЕ3 Внутренние водопровод и канализация Общие данные. План с сетями В1, К1. Схемы систем В1, К1 Электротехническая часть Общие данные Распределительная сеть ~380/220В. Схема принципиальная Хозяйственно-питьевые насосы. Схема принципиальная Хозяйственно-питьевые насосы. Схемы применения проекта автоматизации Вакуум-насосы. Схемы принципиальные Крышный вентилятор. Схема принципиальная Клапан воздушный. Схемы принципиальные Электроотопление. Схемы принципиальные Хозяйственно-питьевые. Вакуум-насосы. Электроотопление. Схемы подключения Крышный вентилятор. Клапан воздушный. Схемы подключения Кабельный журнал План расположения силового электрооборудования и прокладка кабелей План расположения электрооборудования электроотопления и прокладка кабелей План расположения электрического освещения Шкаф управления вакуум-насосами 1ШУВ. Чертеж общего вида Шкаф управления вакуум-насосами 1ШУВ. Технические данные аппаратов Шкаф управления вакуум-насосами 1ШУВ. Перечень надписей Шкаф управления вакуум-насосами 1ШУВ. Схема электрическая соединений Шкаф управления вентилятором 2ШУВ. Чертеж общего вида Шкаф управления вентилятором 2ШУВ. Технические данные аппаратов Шкаф управления вентилятором 2ШУВ. Перечень надписей Шкаф управления вентилятором 2ШУВ. Схема электрическая соединений Технологический контроль Общие данные Схема функционирования технологического контроля (вариант с водомерами) Схема функционирования технологического контроля (вариант с дифманометром) Схема соединений внешних проводок (вариант с водомерами) Схема соединений внешних проводок (вариант с дифманометром) Схема соединений внешних проводок (план расположения) |
| Разработан: | Проектно-изыскательский институт Мосгипротранс |
| Утверждён: | 14.04.1988 Министерство транспортного строительства СССР (USSR Ministry of Transport Construction МО-259) |










































