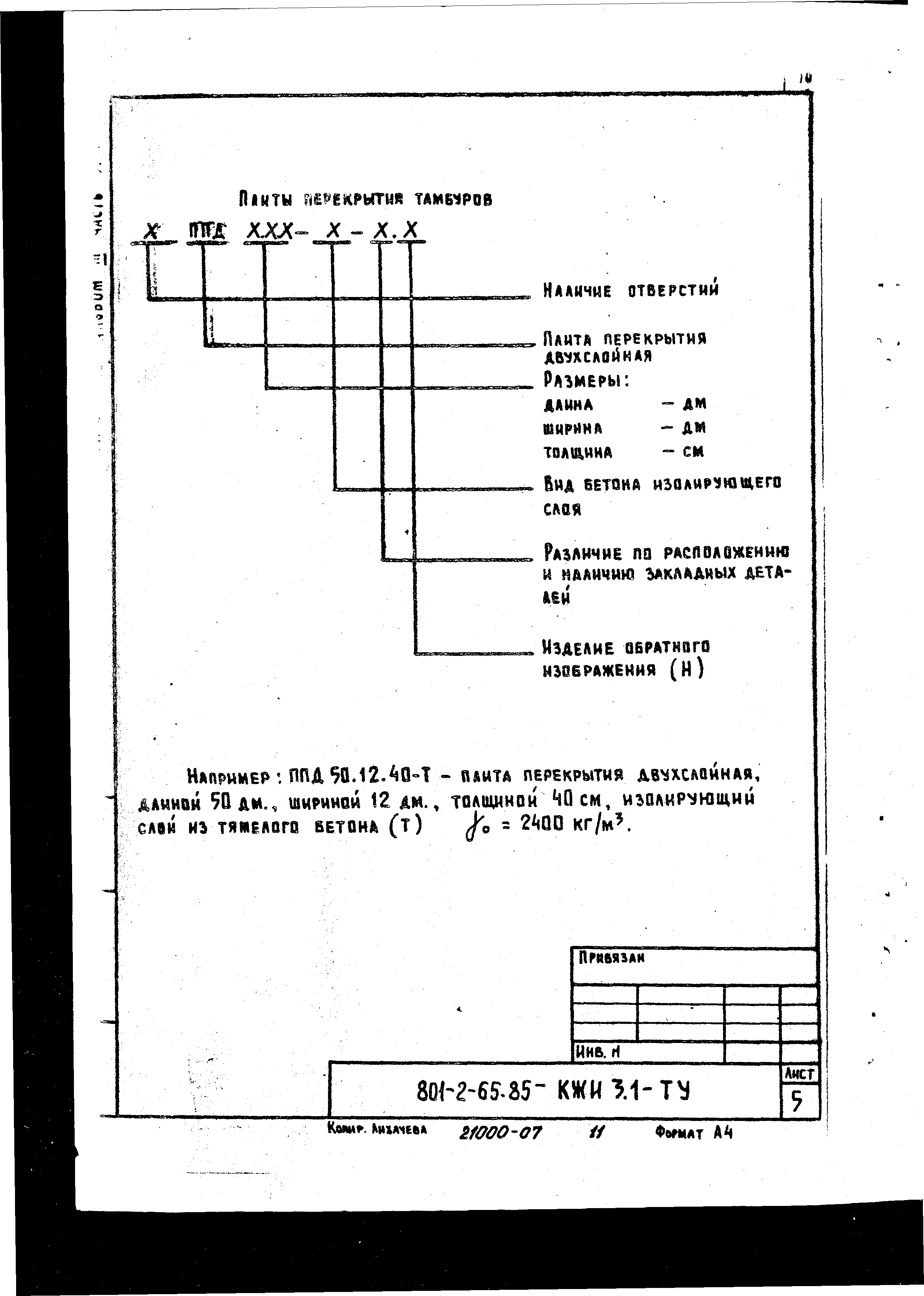
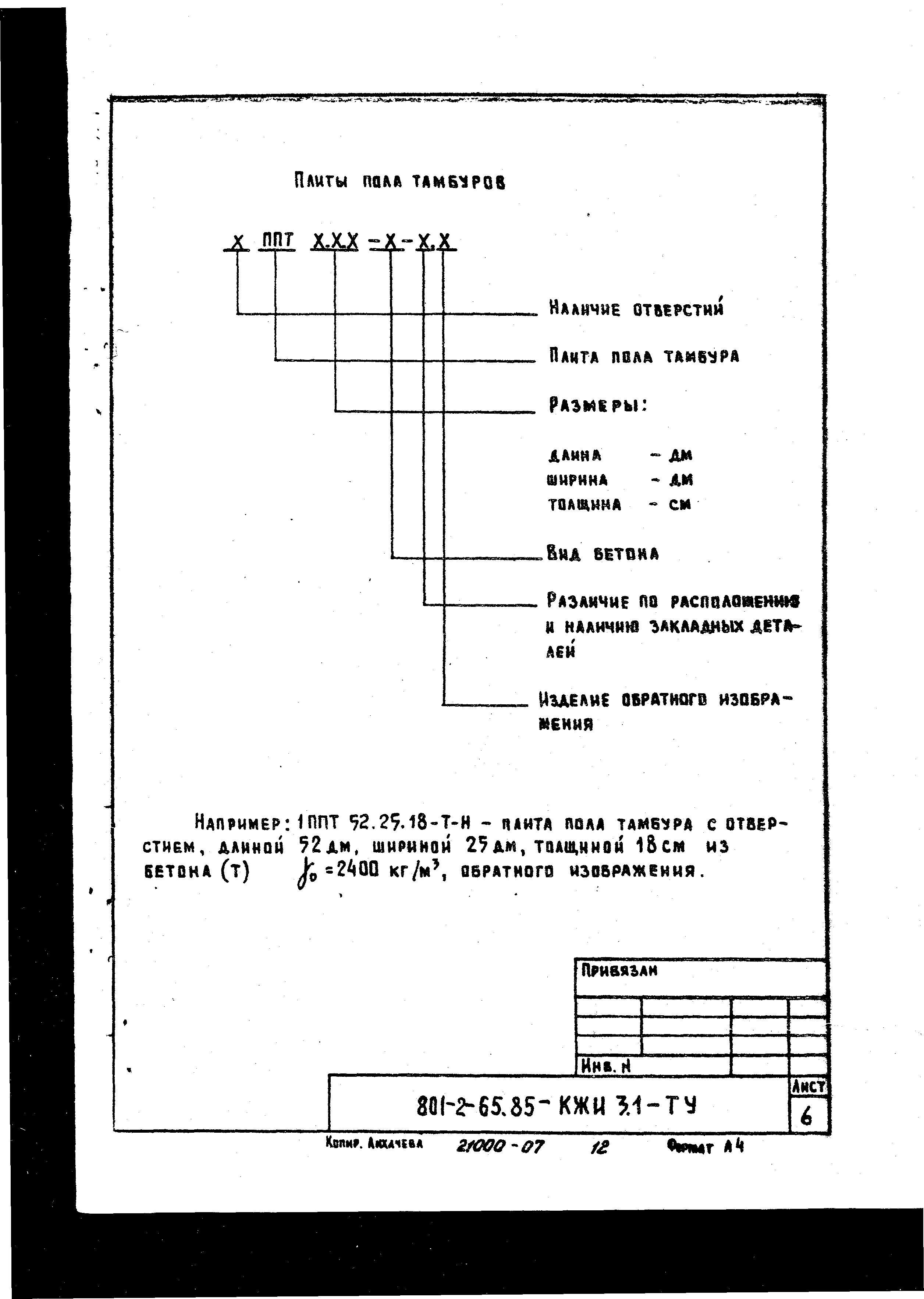
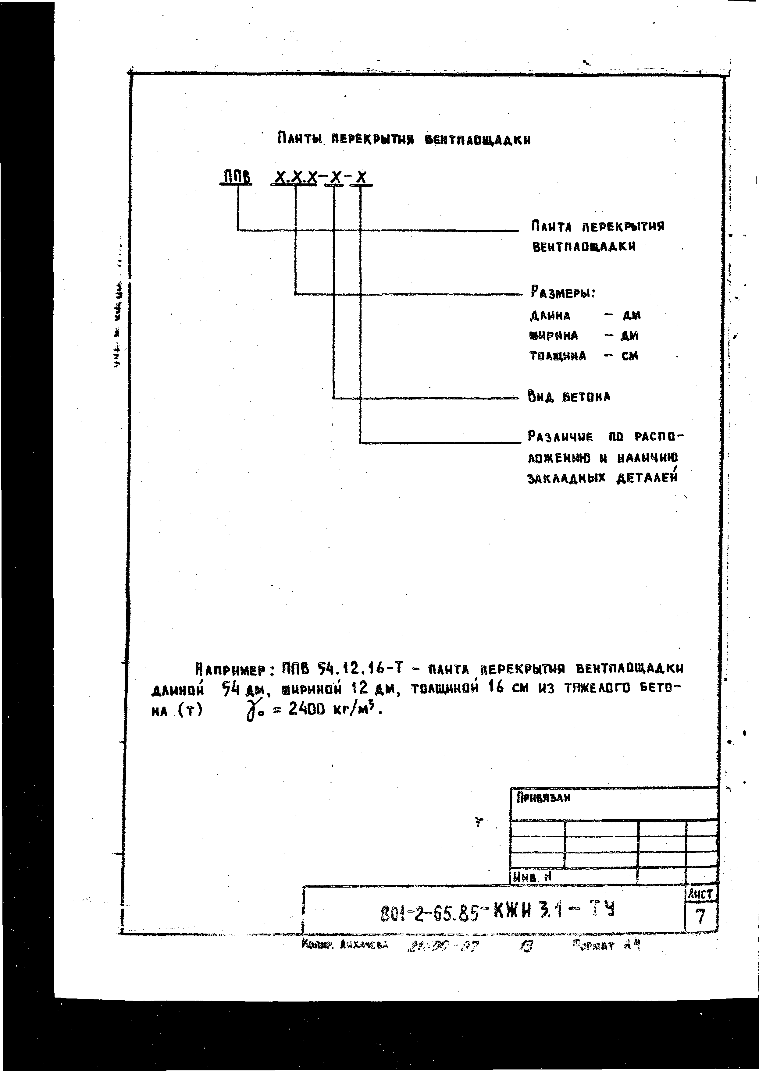
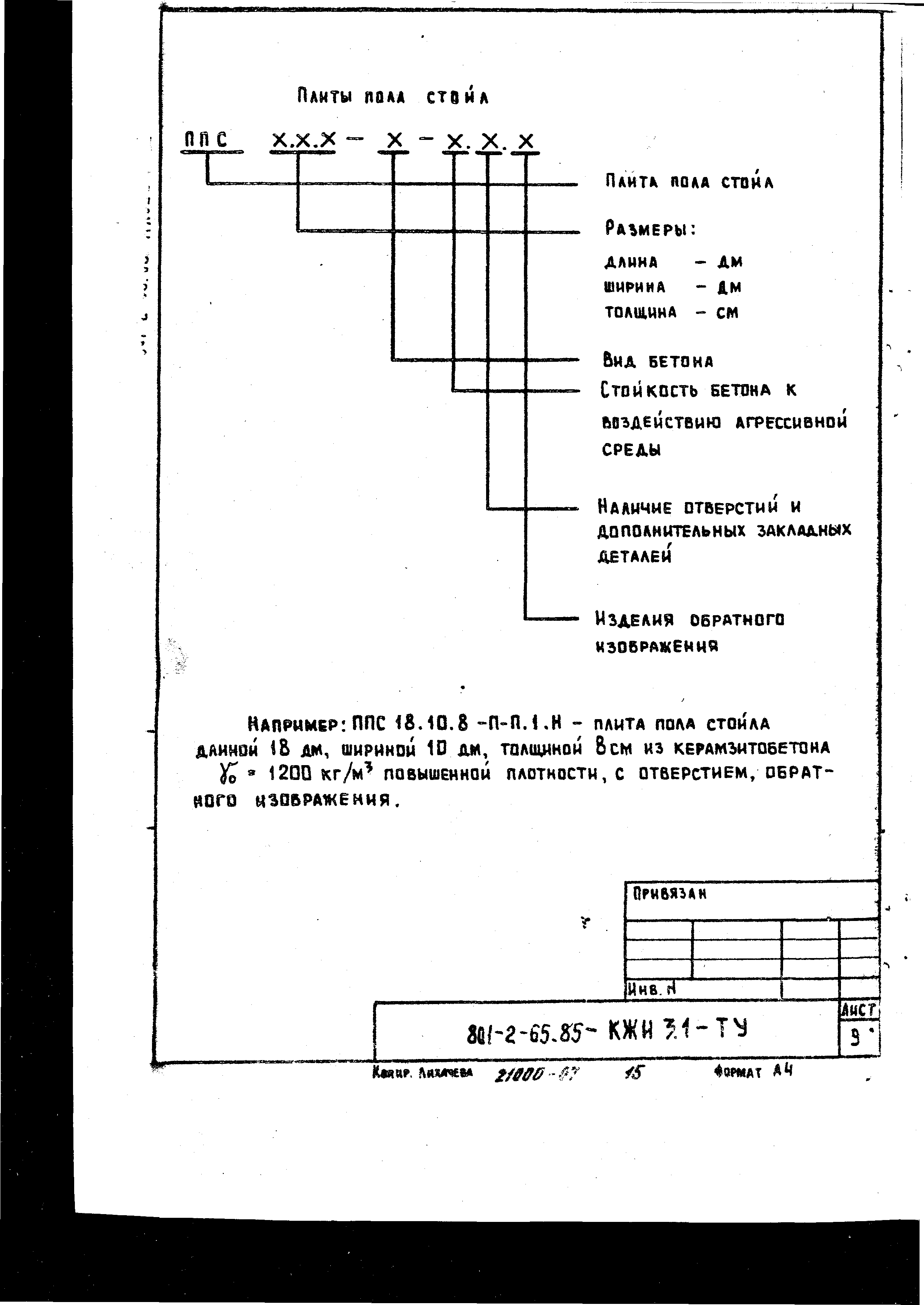
Скачать Типовой проект 801-2-64.85 Часть 3.1. Строительные изделия. Опалубочные чертежи и армирование (из т.п. 801-2-65.85)Дата актуализации: 01.01.2021
|
| Обозначение: | Типовой проект 801-2-64.85 |
| Обозначение англ: | 801-2-64.85 |
| Статус: | не определен законодательством |
| Название рус.: | Часть 3.1. Строительные изделия. Опалубочные чертежи и армирование (из т.п. 801-2-65.85) |
| Дата добавления в базу: | 01.09.2013 |
| Дата актуализации: | 01.01.2021 |
| Дата введения: | 19.07.1984 |
| Дата окончания срока действия: | 30.06.2003 |
| Разработан: | Институт Гипронисельхоз |
| Утверждён: | 30.12.1983 Главсельстройпроект Минсельхоза СССР (Glavselstroyproject, USSR Minselkhoz 126) |







































































