Скачать Типовой проект 801-2-65.85 Альбом VI. Часть 1. Сметы объектные и на общестроительные работыДата актуализации: 01.01.2021
|
| Обозначение: | Типовой проект 801-2-65.85 |
| Обозначение англ: | 801-2-65.85 |
| Статус: | не определен законодательством |
| Название рус.: | Альбом VI. Часть 1. Сметы объектные и на общестроительные работы |
| Дата добавления в базу: | 01.09.2013 |
| Дата актуализации: | 01.01.2021 |
| Дата введения: | 19.07.1984 |
| Дата окончания срока действия: | 30.06.2003 |
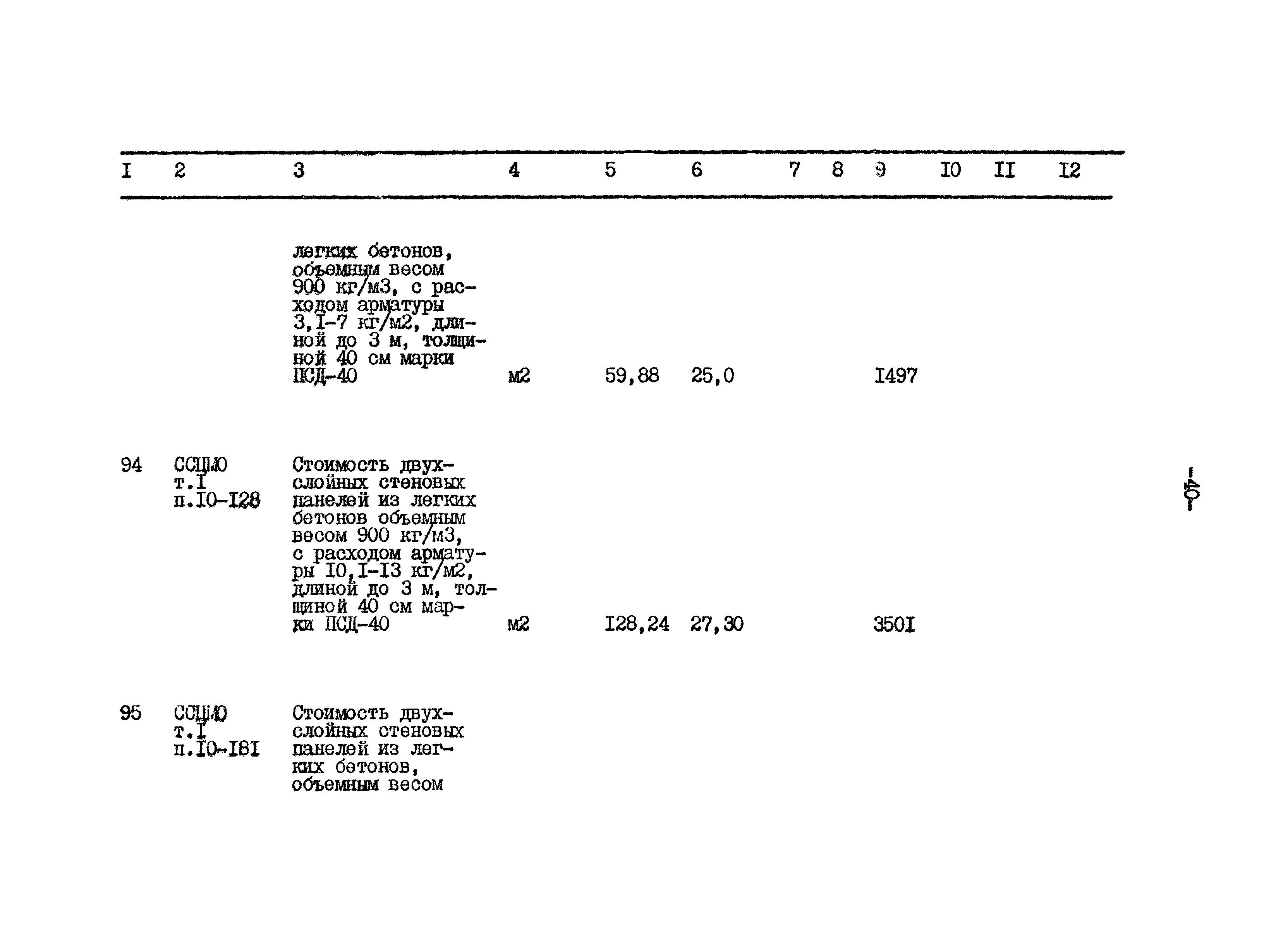
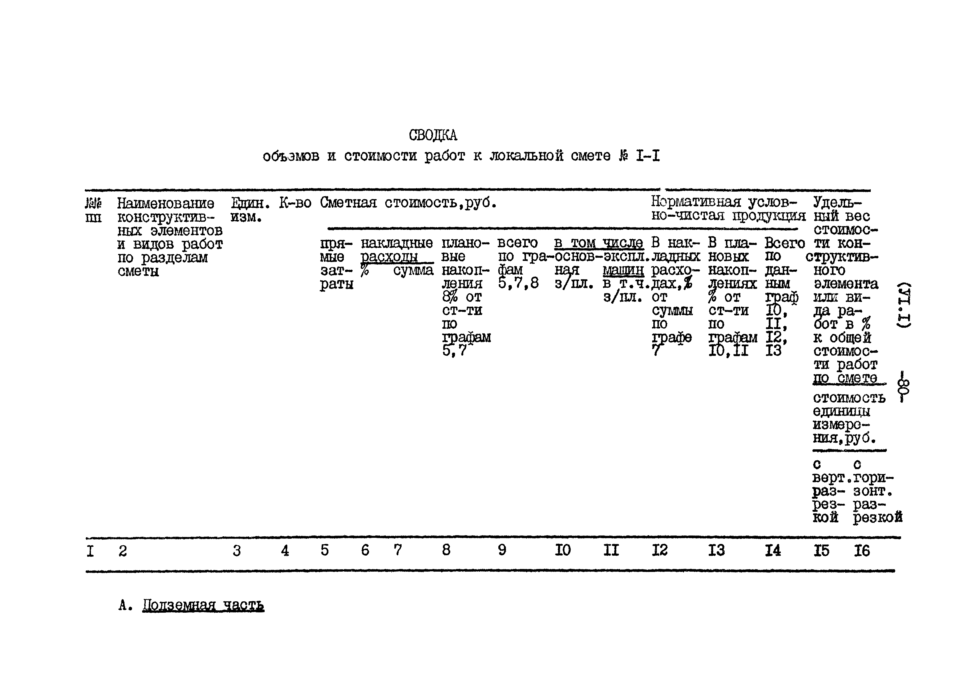
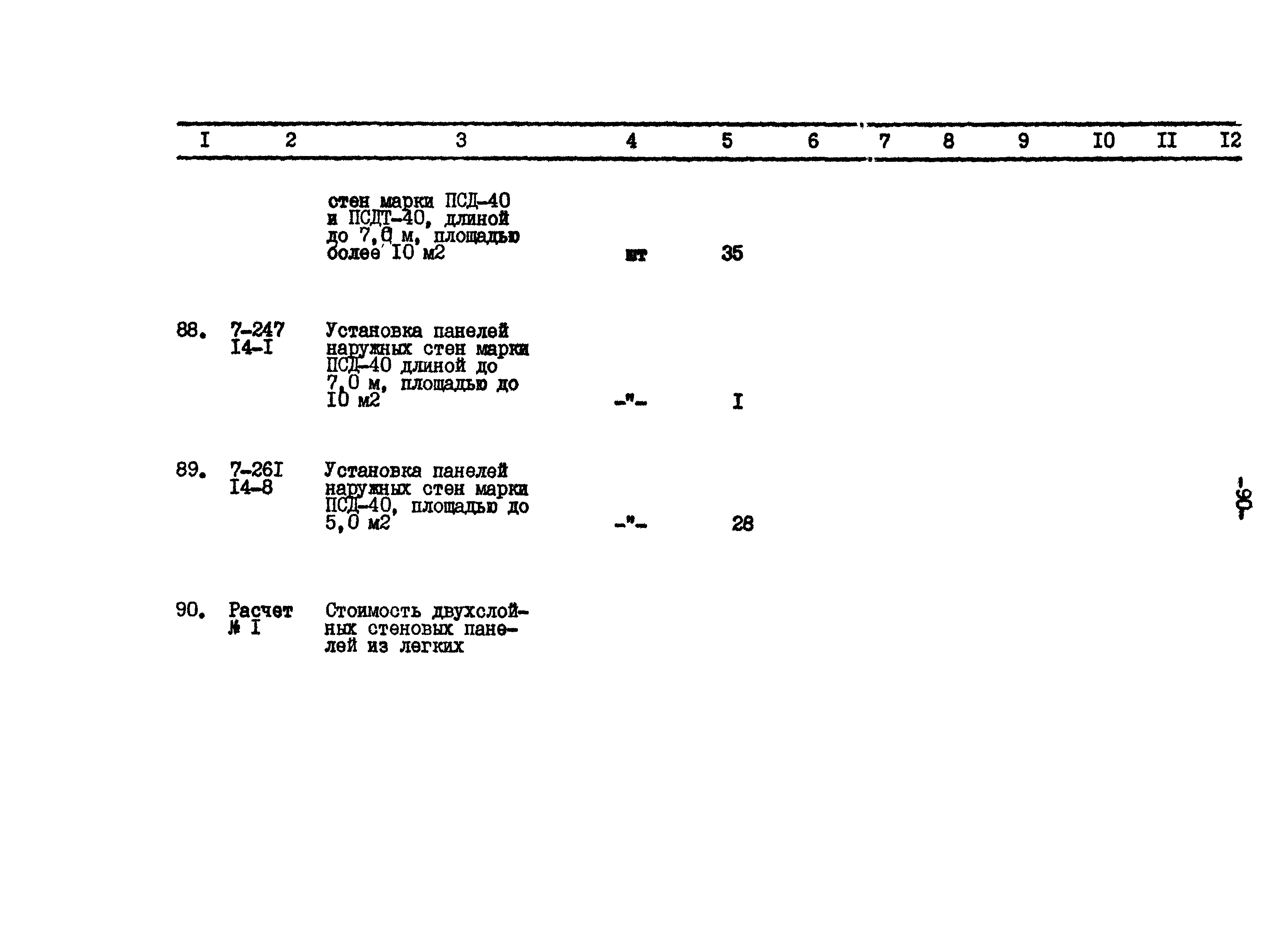
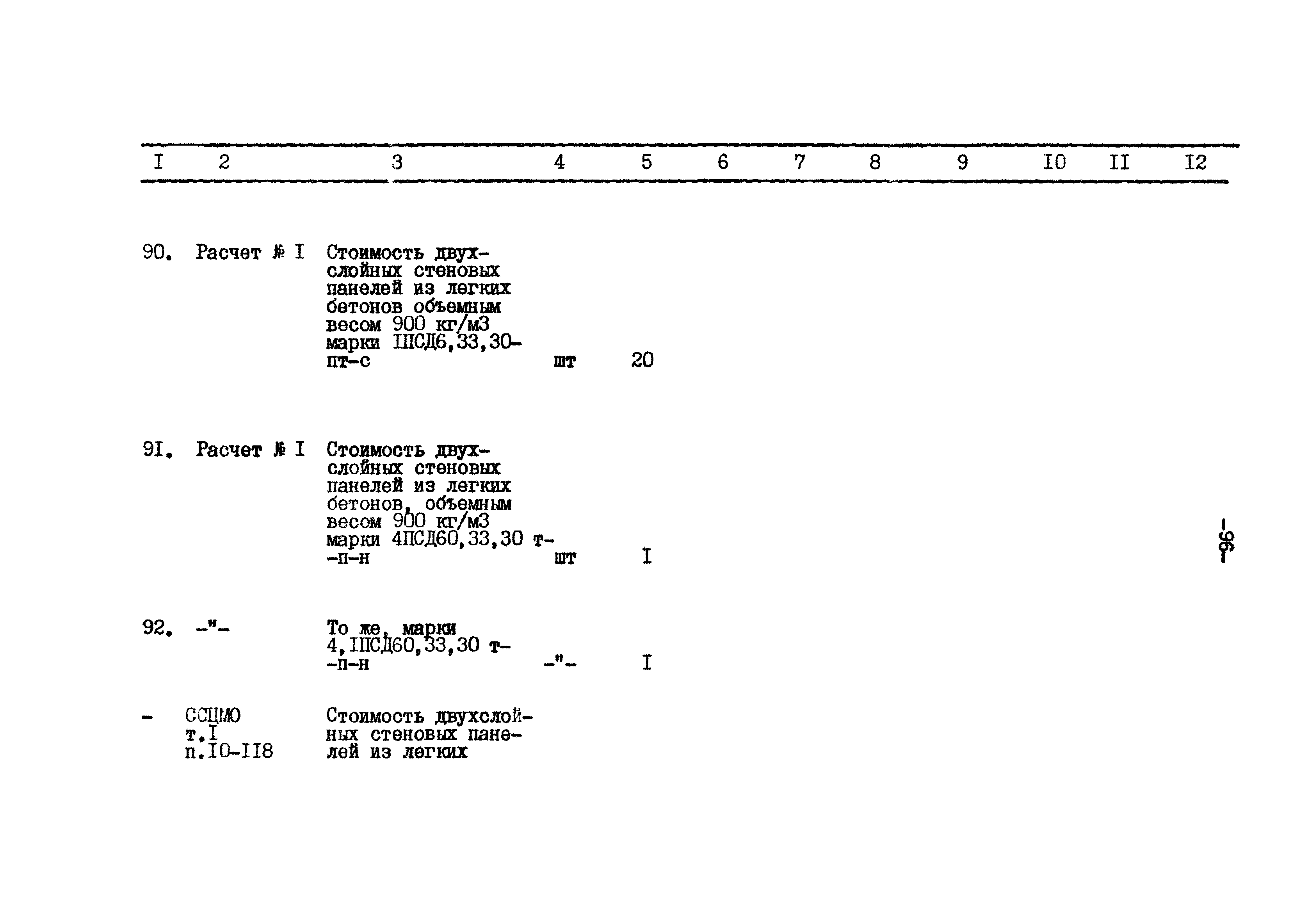
| Оглавление: | Пояснительная записка Объектная смета №1 Локальная смета №1-1. Общестроительные работы Сводка объемов и стоимости работ к локальной смете №1-1 Ведомость изменений объемов работ для расчетной температуры минус 20 градусов Цельсия к смете №1-1 Ведомость объемов и стоимости работ для варианта пола из сборных керамзитобетонных плит Ведомость потребности в производственных ресурсах Пояснительная записка к расчетам Расчеты №1, 2 |
| Разработан: | Институт Гипронисельхоз |
| Утверждён: | 30.12.1983 Главсельстройпроект Минсельхоза СССР (Glavselstroyproject, USSR Minselkhoz 126) |








































































































































