Скачать Типовой проект 801-2-65.85 Альбом VI. Часть 2. Сметы на технологическое оборудование, санитарно-технические и электротехнические работыДата актуализации: 01.01.2021
|
| Обозначение: | Типовой проект 801-2-65.85 |
| Обозначение англ: | 801-2-65.85 |
| Статус: | не определен законодательством |
| Название рус.: | Альбом VI. Часть 2. Сметы на технологическое оборудование, санитарно-технические и электротехнические работы |
| Дата добавления в базу: | 01.09.2013 |
| Дата актуализации: | 01.01.2021 |
| Дата введения: | 19.07.1984 |
| Дата окончания срока действия: | 30.06.2003 |
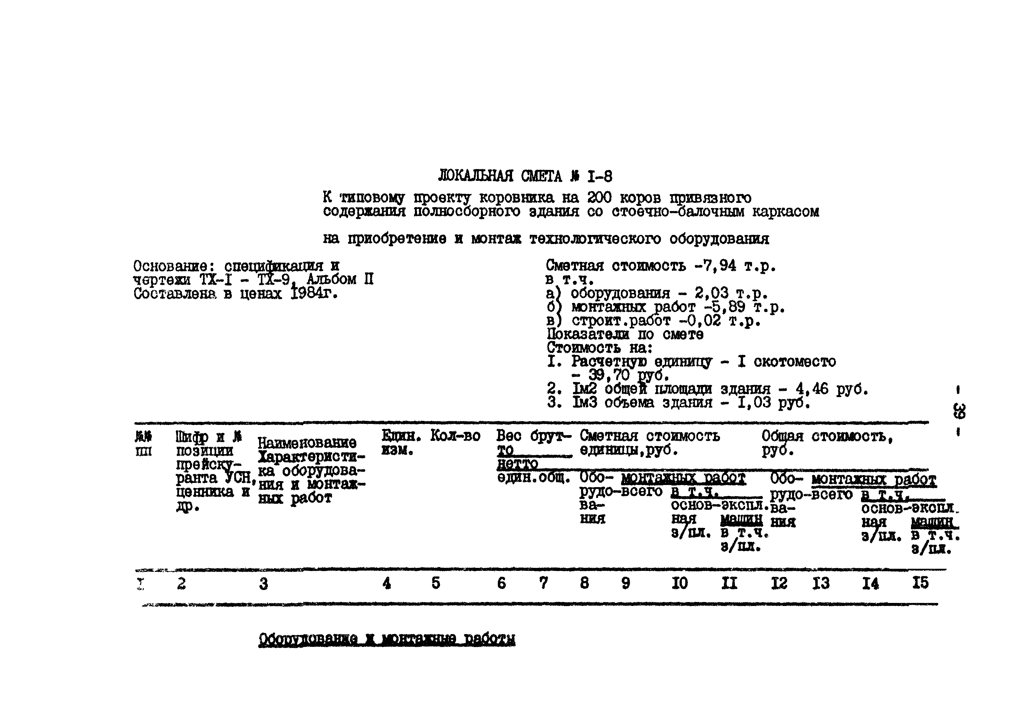
| Оглавление: | Локальная смета №1-2. Теплоснабжение установок Ведомость изменения объемов работ для расчетной температуры минус 20 градусов Цельсия Локальная смета №1-3. Вентиляция Локальная смета №1-4. Водопровод горячей воды Локальная смета №1-5. Водопровод теплой воды Локальная смета №1-6. Водопровод хозяйственно-питьевой Локальная смета №1-7. Канализация Локальная смета №1-8. Приобретение и монтаж технологического оборудования Локальная смета №1-9. Приобретение и монтаж силового электрооборудования Локальная смета №1-10. Электроосвещение Локальная смета №1-11. Сетки связи и сигнализации Локальная смета №1-12. Автоматизация вентсистем |
| Разработан: | Институт Гипронисельхоз |
| Утверждён: | 30.12.1983 Главсельстройпроект Минсельхоза СССР (Glavselstroyproject, USSR Minselkhoz 126) |





















































































