Скачать РМ-2924-01 Изделия остекления лоджий и балконов с применением тонкостенных стальных гнутых профилей для жилых домов серии П3МДата актуализации: 01.01.2021
|
| Обозначение: | РМ-2924-01 |
| Обозначение англ: | РМ-2924-01 |
| Статус: | не определен законодательством |
| Название рус.: | Изделия остекления лоджий и балконов с применением тонкостенных стальных гнутых профилей для жилых домов серии П3М |
| Дата добавления в базу: | 01.09.2013 |
| Дата актуализации: | 01.01.2021 |
| Дата введения: | 01.01.2004 |
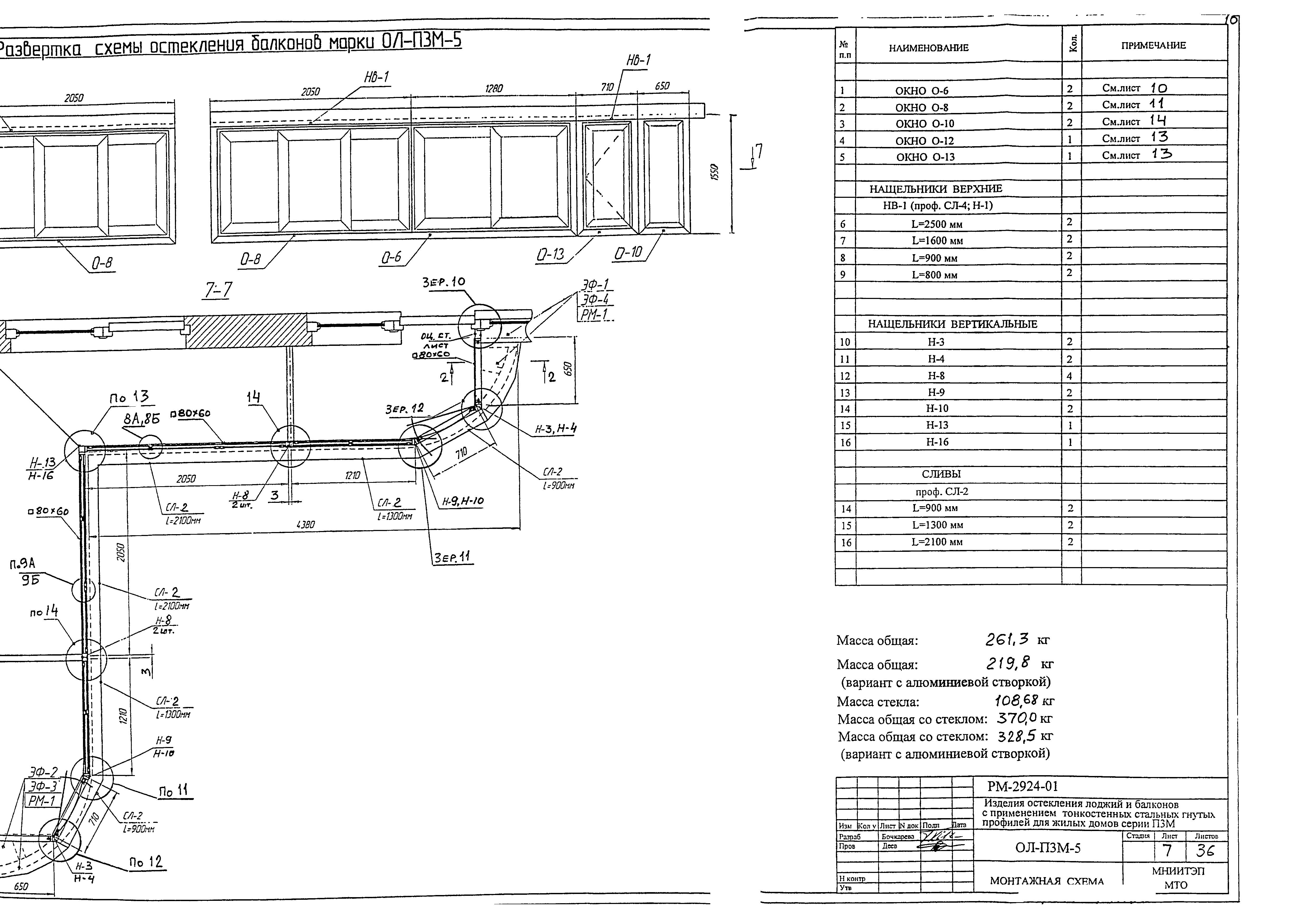
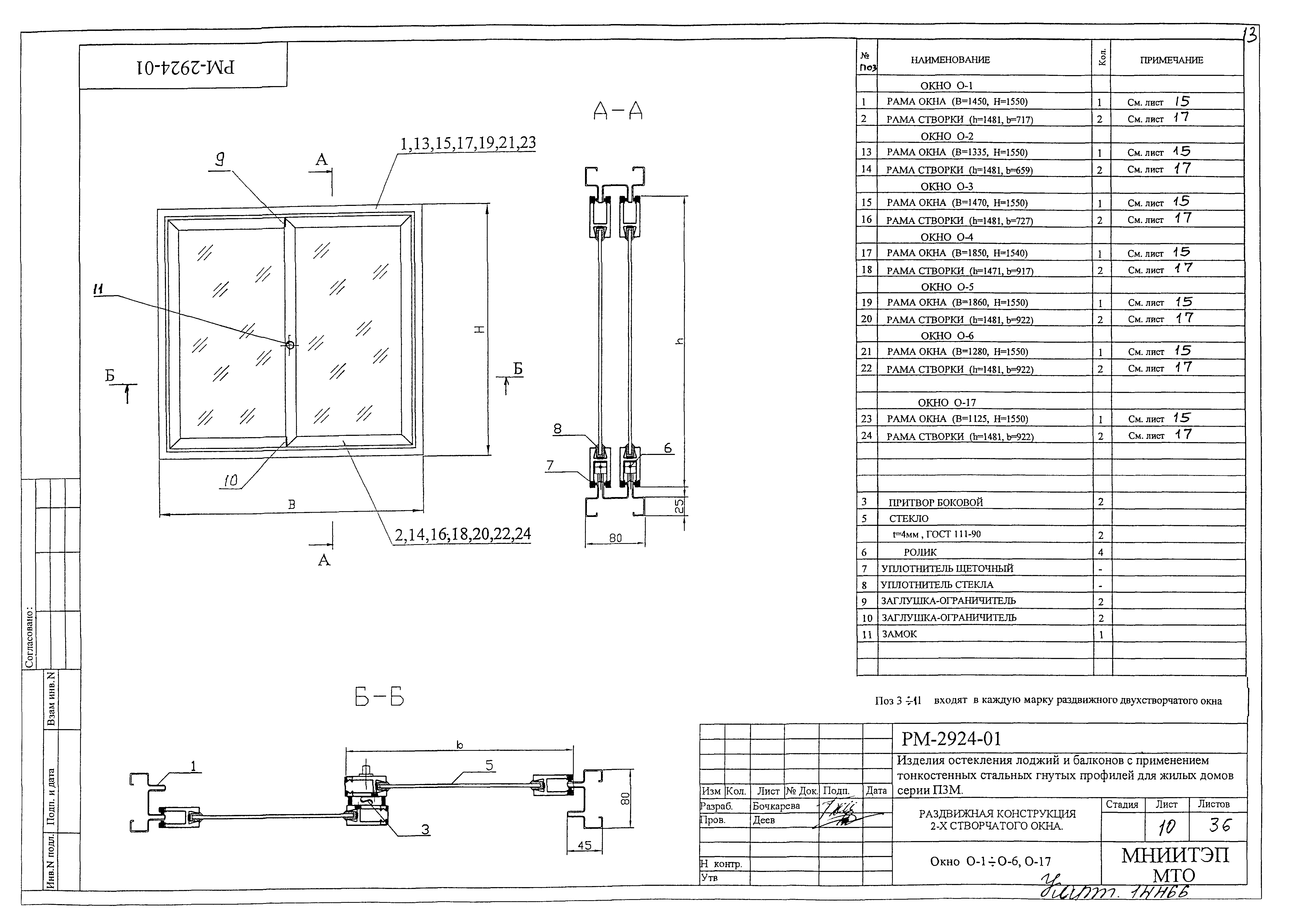
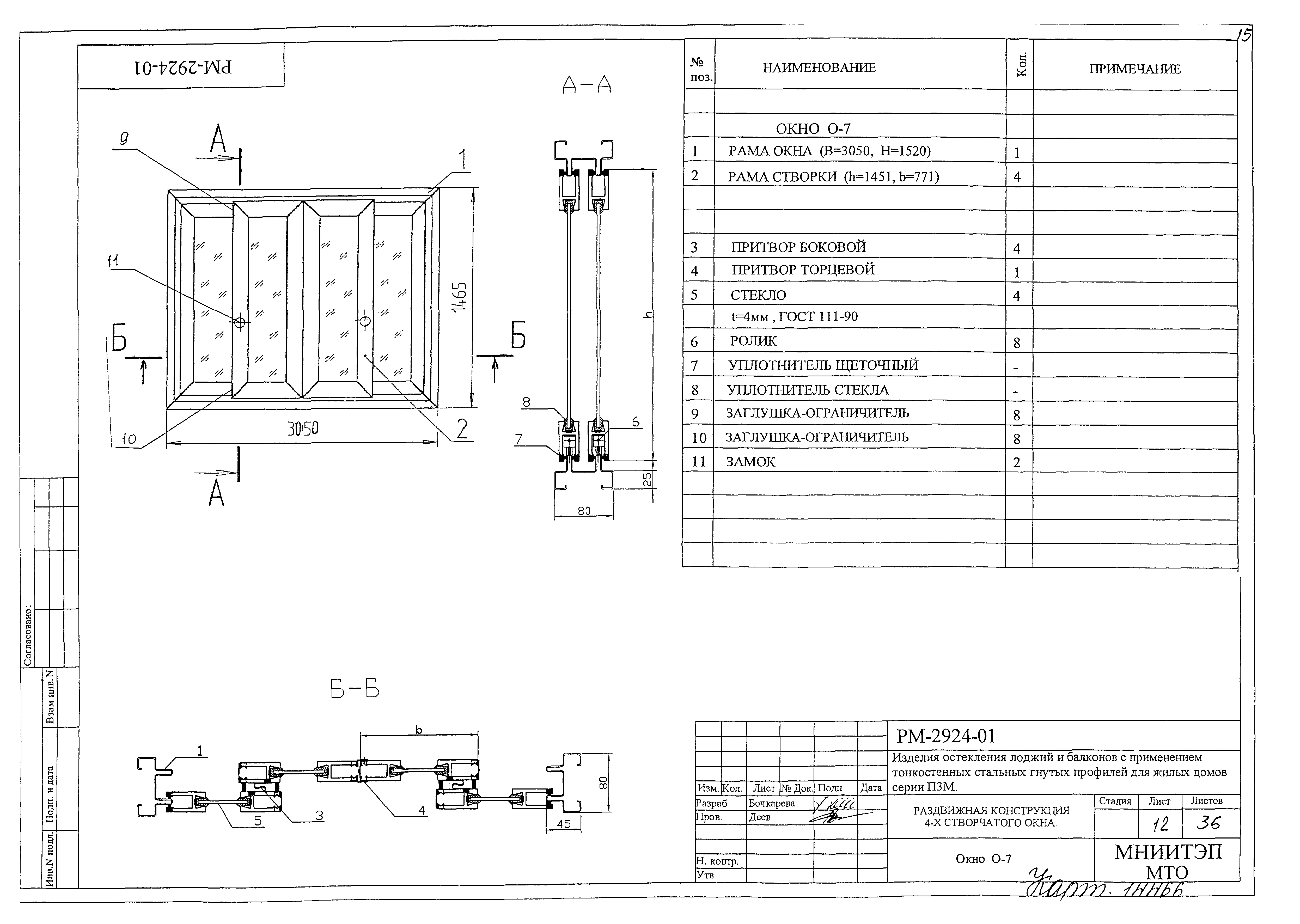
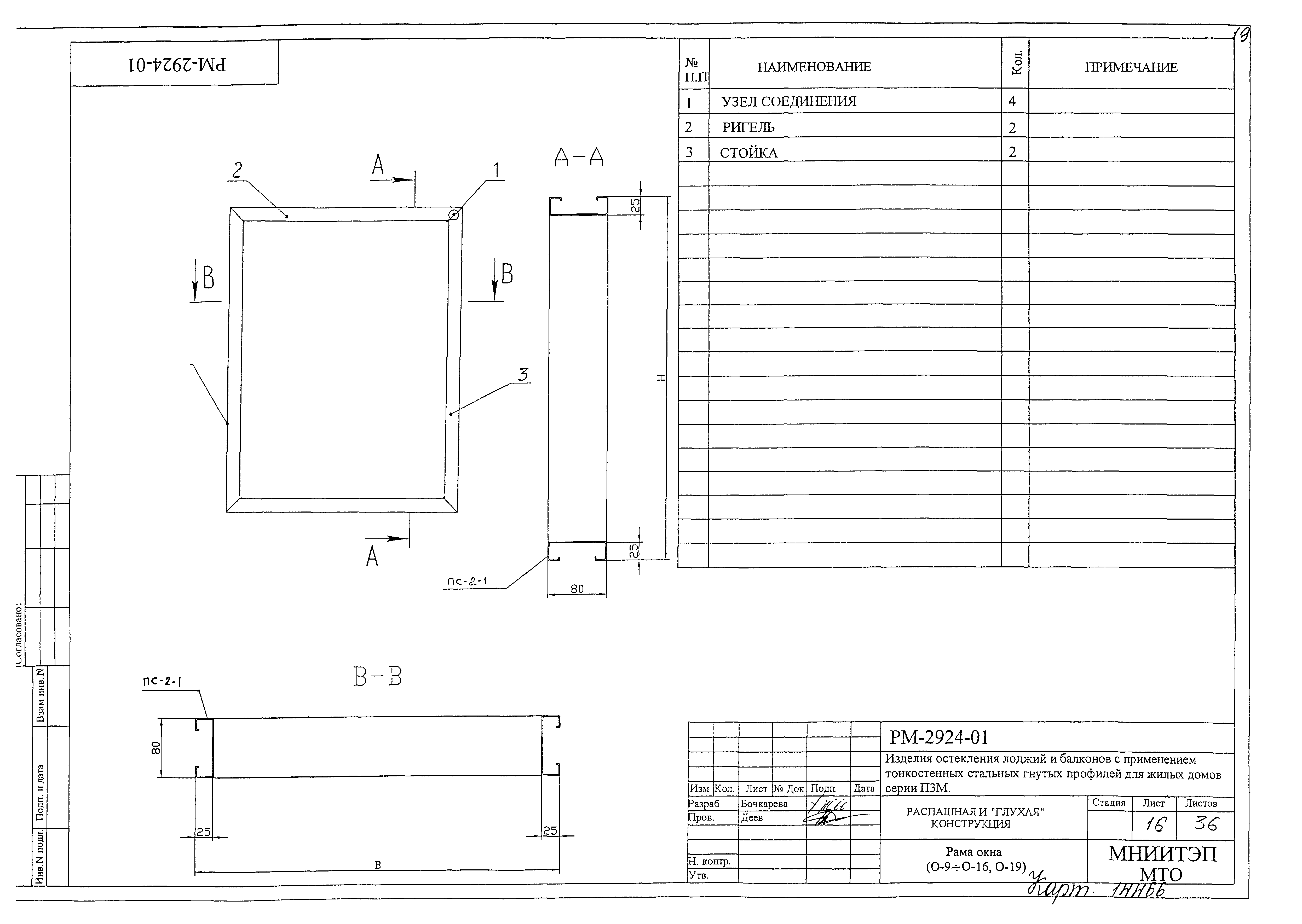
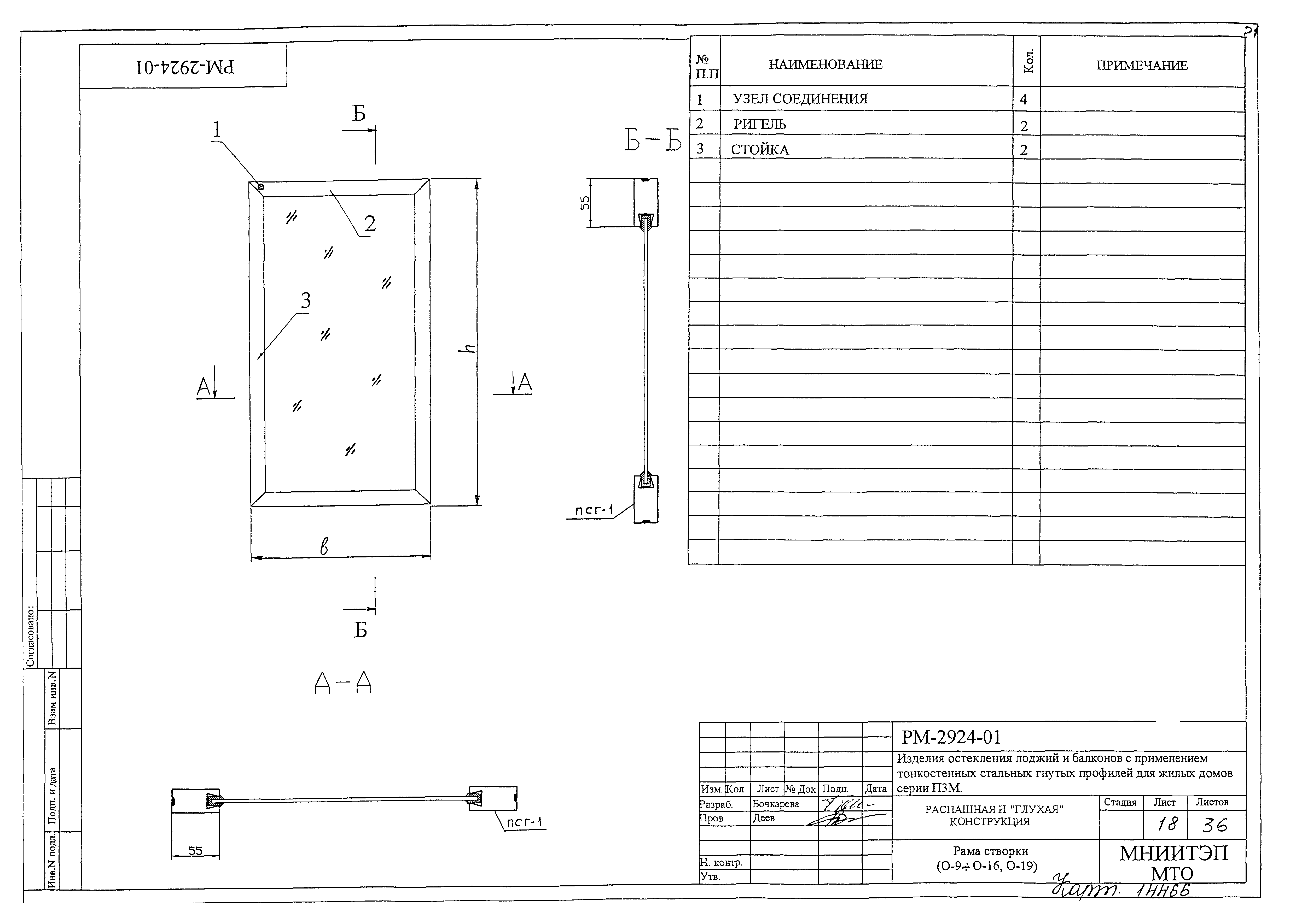
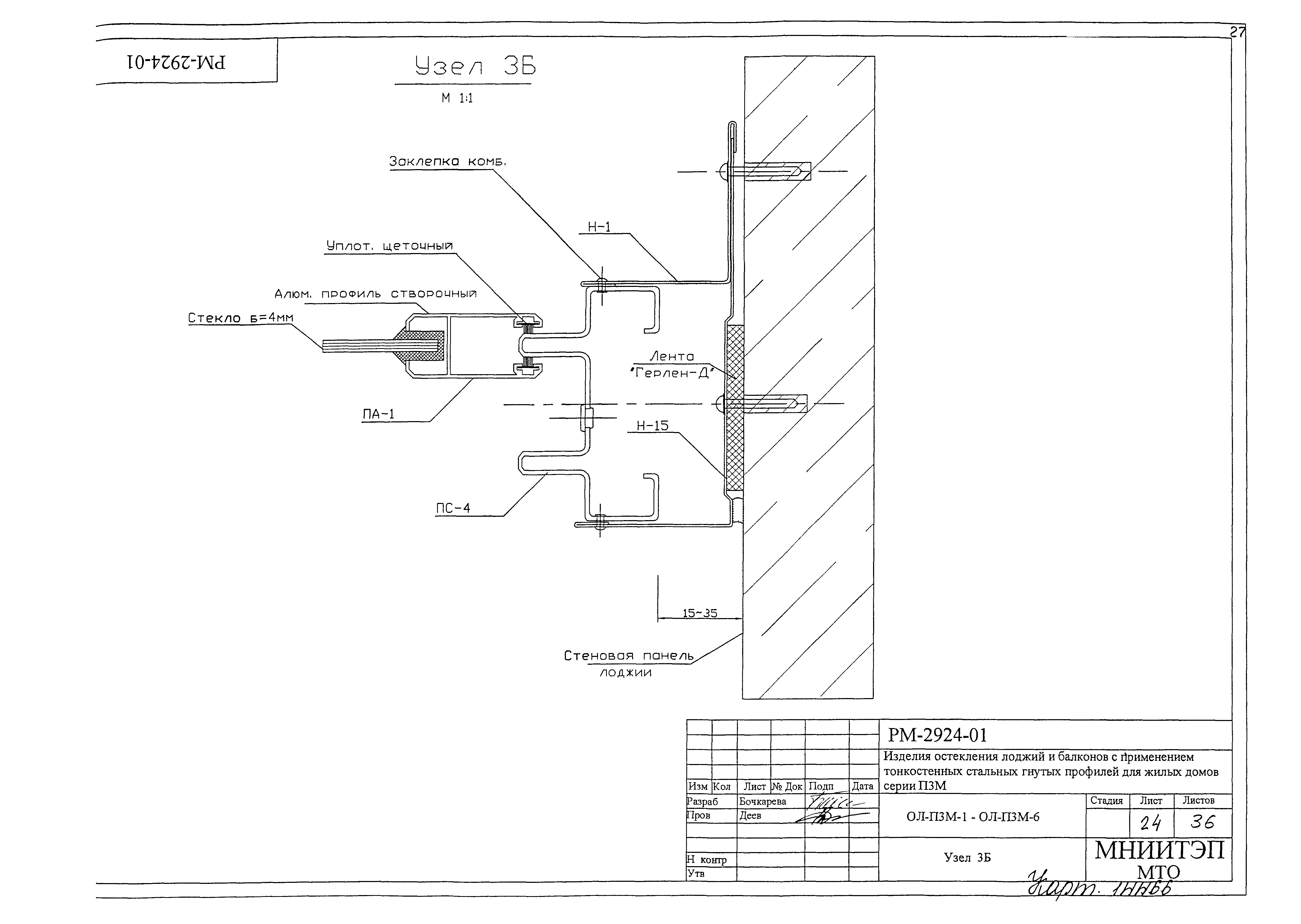
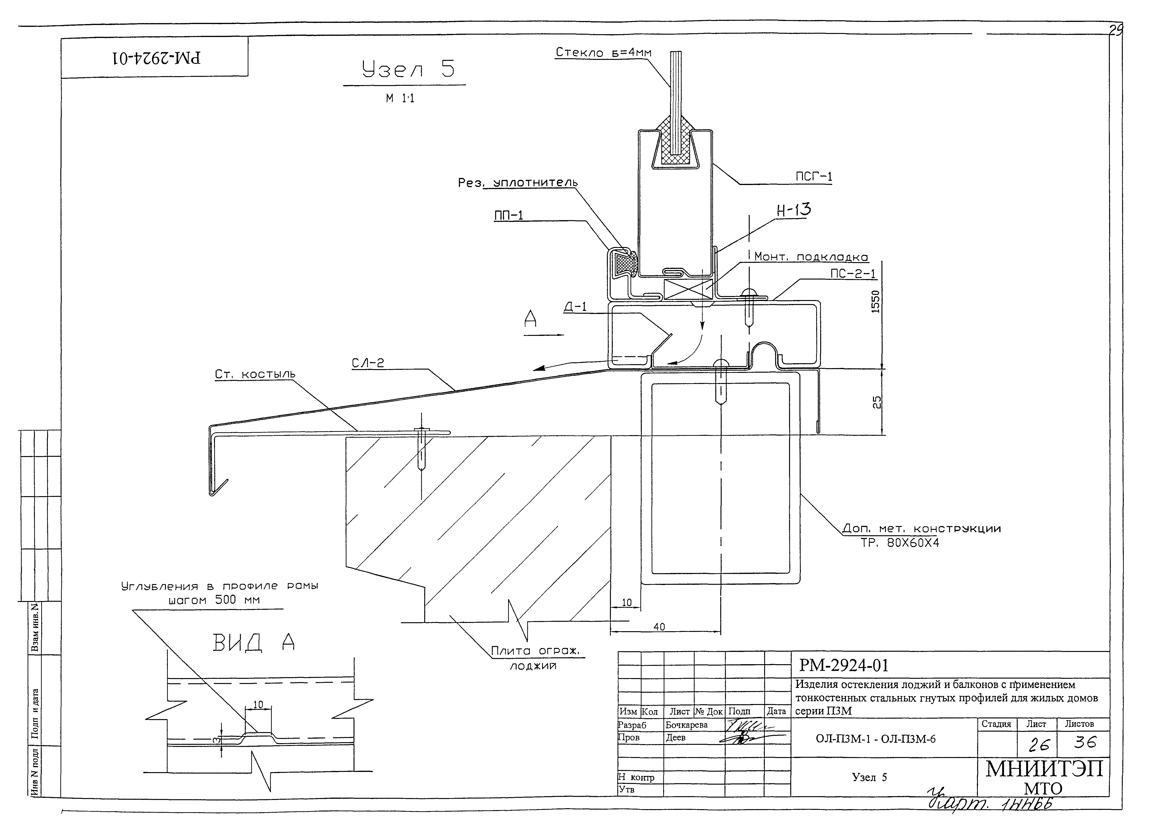
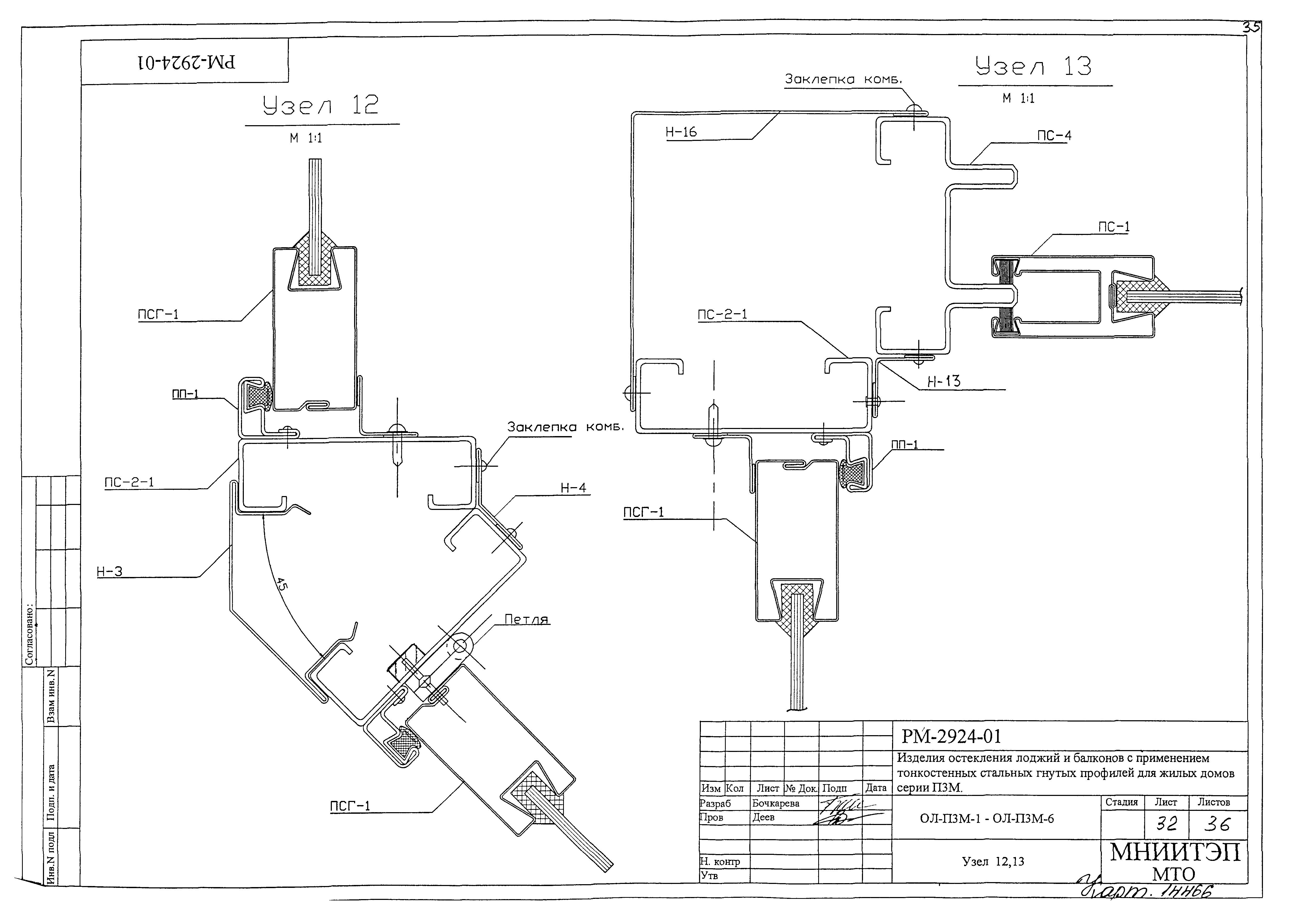
| Оглавление: | 1. Пояснительная записка и номенклатура конструкций остекления 2. Монтажные схемы 3. Разрезы 1-1, 2-2, 3-3, 4-4 4. Марки конструкций остекления 5. Рама окна 6. Рама створки 7. Узлы 1-20 8. Номенклатура профилей (Приложение №1) |
| Разработан: | МНИИТЭП |
| Утверждён: | 01.01.2004 МНИИТЭП (MNIITEP ) |
| Принят: | ООО ИнжТехМаш сервис |










































