Скачать Типовой проект 801-2-55.85 Альбом V. СметыДата актуализации: 01.01.2021
|
| Обозначение: | Типовой проект 801-2-55.85 |
| Обозначение англ: | 801-2-55.85 |
| Статус: | не определен законодательством |
| Название рус.: | Альбом V. Сметы |
| Дата добавления в базу: | 01.09.2013 |
| Дата актуализации: | 01.01.2021 |
| Дата введения: | 19.09.1984 |
| Дата окончания срока действия: | 30.06.2003 |
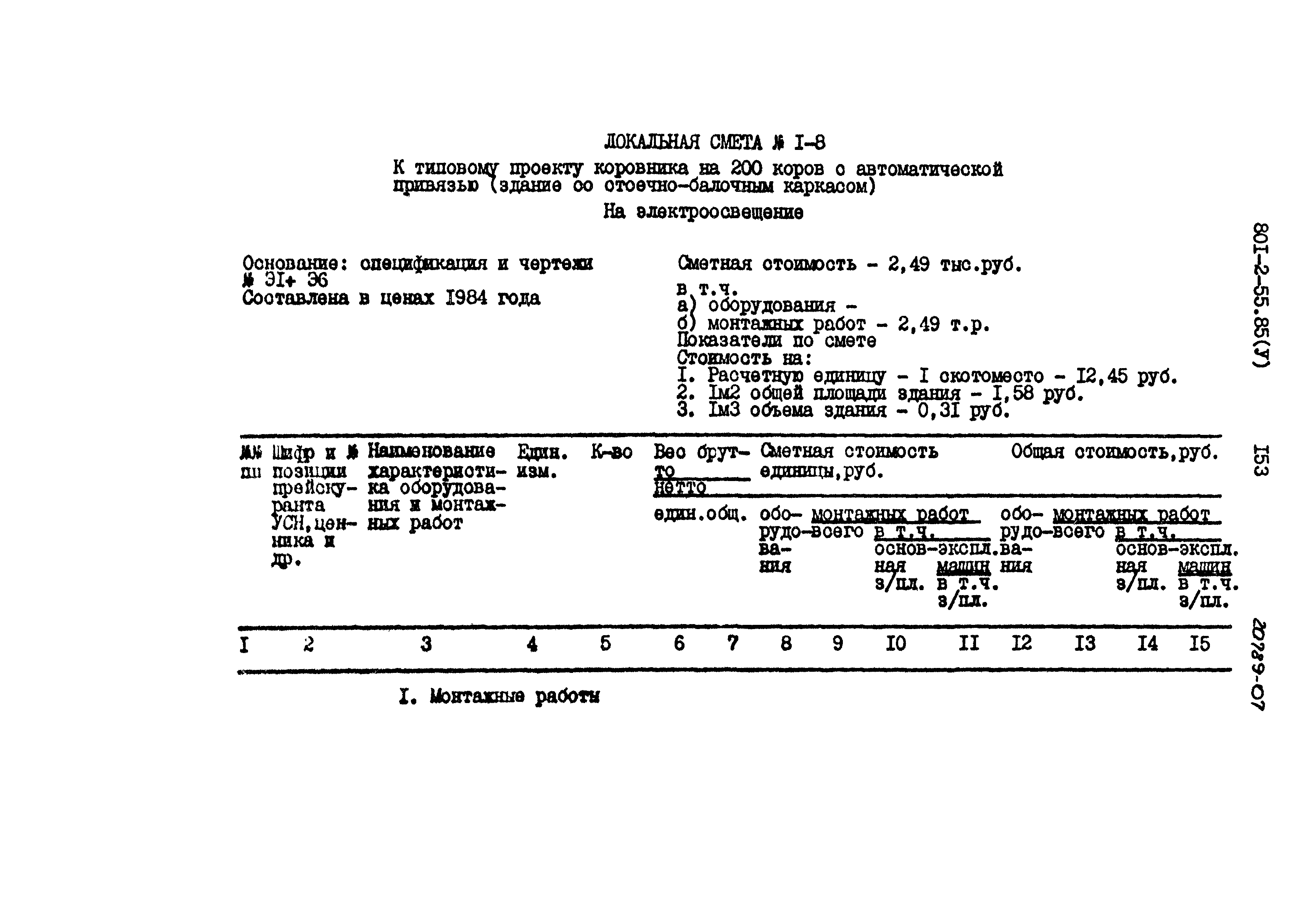
| Оглавление: | Пояснительная записка Объектная смета №1 Локальная смета №1-1. Общестроительные работы Ведомость изменений объемов работ для расчетной температуры минус 20 градусов Цельсия к смете №1-1 Ведомость объемов и стоимости работ для варианта пола из сборных керамзитобетонных плит Ведомость изменений объемов работ для здания №1а к локальной смете №1-1 Ведомость изменения работ для здания №1а к смете №1-1 для расчетной температуры минус 20 градусов Цельсия Ведомость объемов работ для варианта стен повышенной заводской готовности Ведомость изменений объемов работ для здания №1а к локальной смете №1-1 при расчетной температуре минус 30 градусов Цельсия Ведомость изменений объемов работ к смете №1-1 для расчетной температуры минус 20 градусов Цельсия Ведомость изменения объемов работ для здания №1а к локальной смете №1-1 при температуре минус 20 градусов Цельсия Локальная смета №1-2. Вентиляция Локальная смета №1-3. Тепловая изоляция воздухопроводов Локальная смета №1-4. Водопровод хозяйственно-питьевой Ведомость изменения объемов работ для здания 1а к локальной смете №1-4 Локальная смета №1-5. Водопровод подогретой воды Локальная смета №1-6. Горячее водоснабжения Локальная смета №1-7. Технологическое оборудование Локальная смета №1-8. Электроосвещение Локальная смета №1-9. Силовое электрооборудование Ведомость изменения объемов работ для расчетной температуры минус 20 градусов Цельсия к смете №9 Локальная смета №1-10. Связь и сигнализация Локальная смета №1-11. Автоматизация вентсистем Ведомость потребности в производственных ресурсах Пояснительная записка к расчетам Расчет |
| Разработан: | ВИЭСХ Институт Гипронисельхоз |
| Утверждён: | 16.02.1984 Минсельхоз России (Russian Federation Minselkhoz 7-ЭГ) |













































































































































































































