Скачать РМ-2876-03 Конструкции остекления лоджий из тонкостенных стальных гнутых профилей. Рабочие чертежи. IV этапДата актуализации: 01.01.2021
|
| Обозначение: | РМ-2876-03 |
| Обозначение англ: | РМ-2876-03 |
| Статус: | не определен законодательством |
| Название рус.: | Конструкции остекления лоджий из тонкостенных стальных гнутых профилей. Рабочие чертежи. IV этап |
| Дата добавления в базу: | 01.09.2013 |
| Дата актуализации: | 01.01.2021 |
| Дата введения: | 01.01.2003 |
| Дата окончания срока действия: | 30.06.2003 |
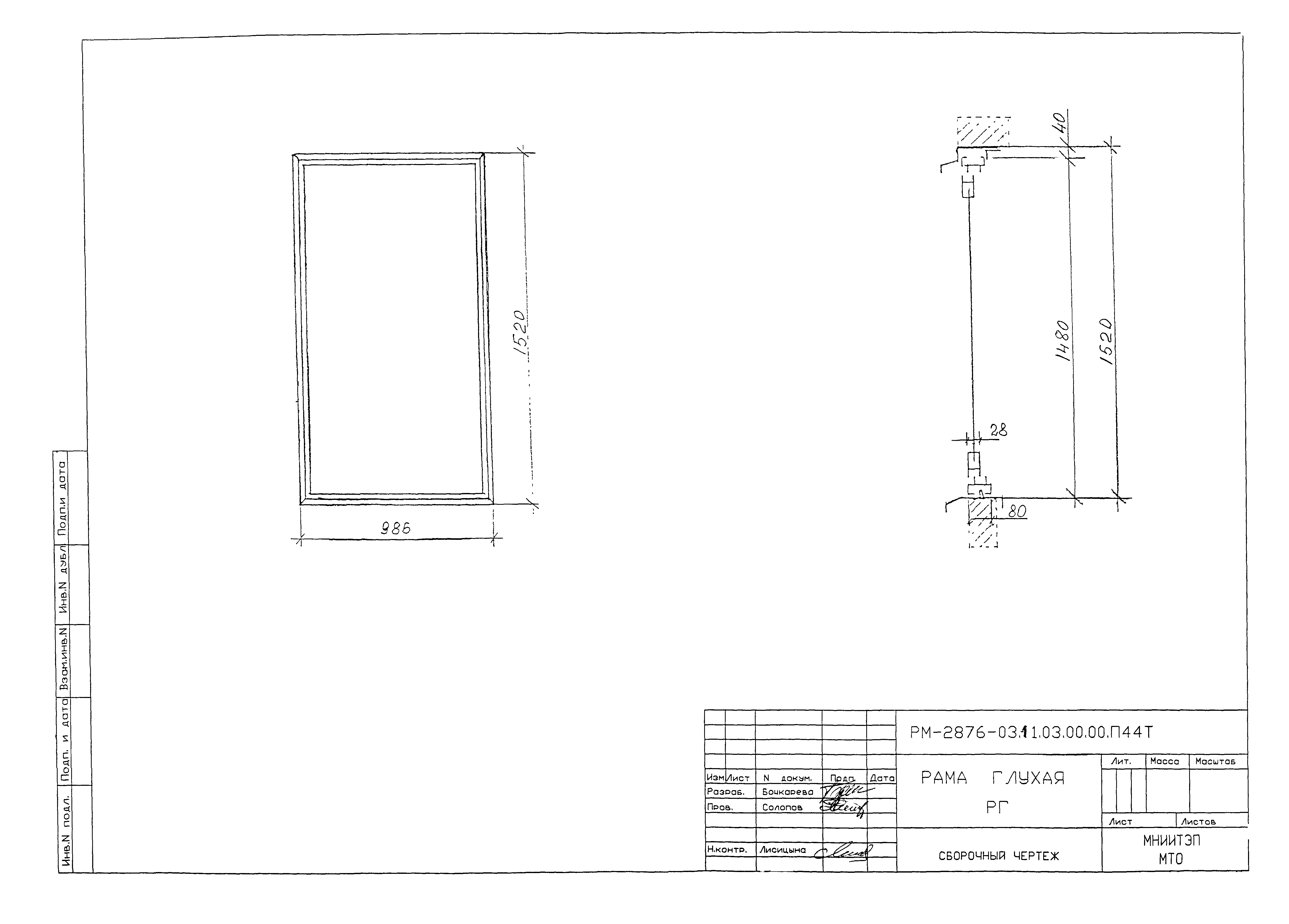
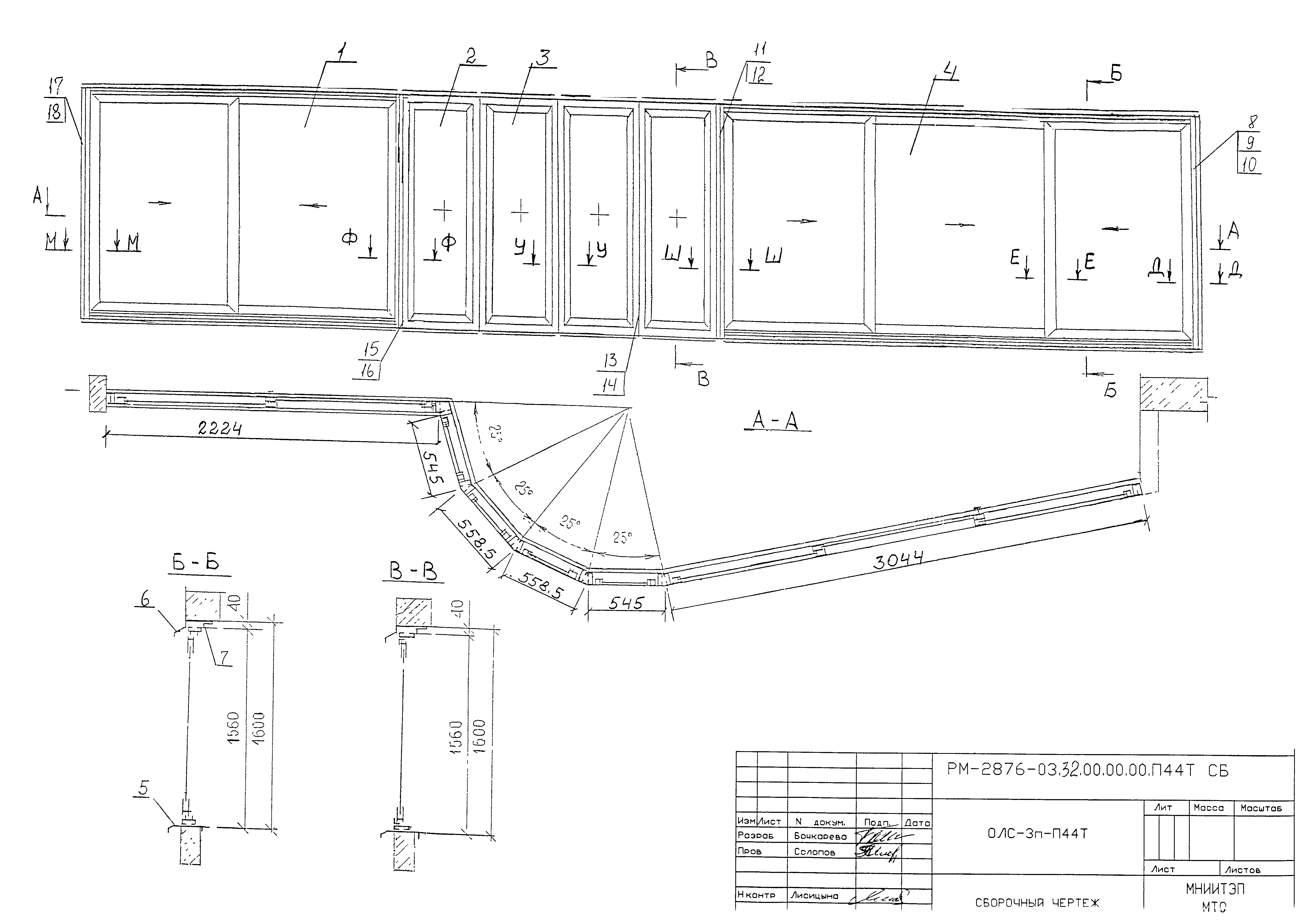
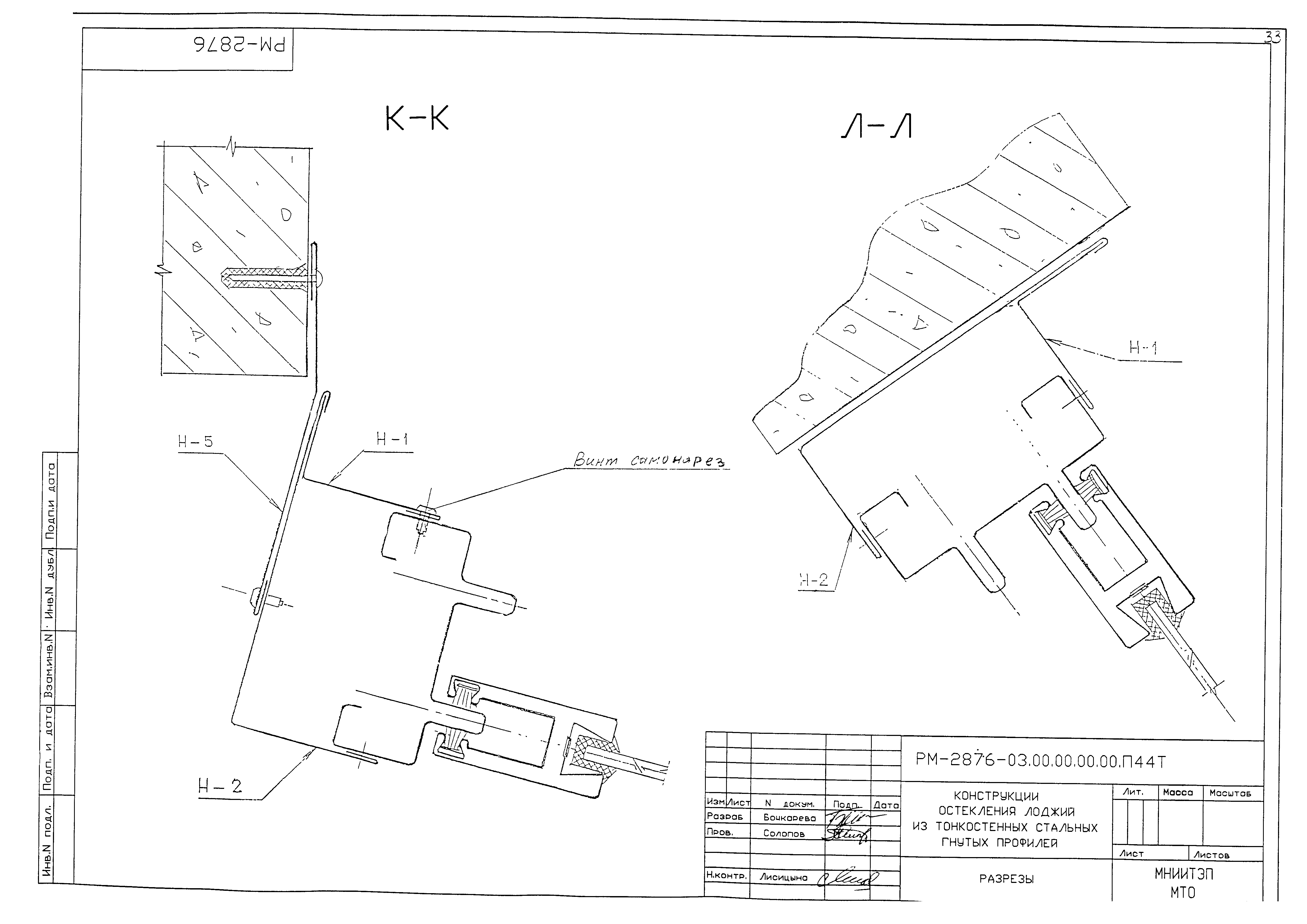
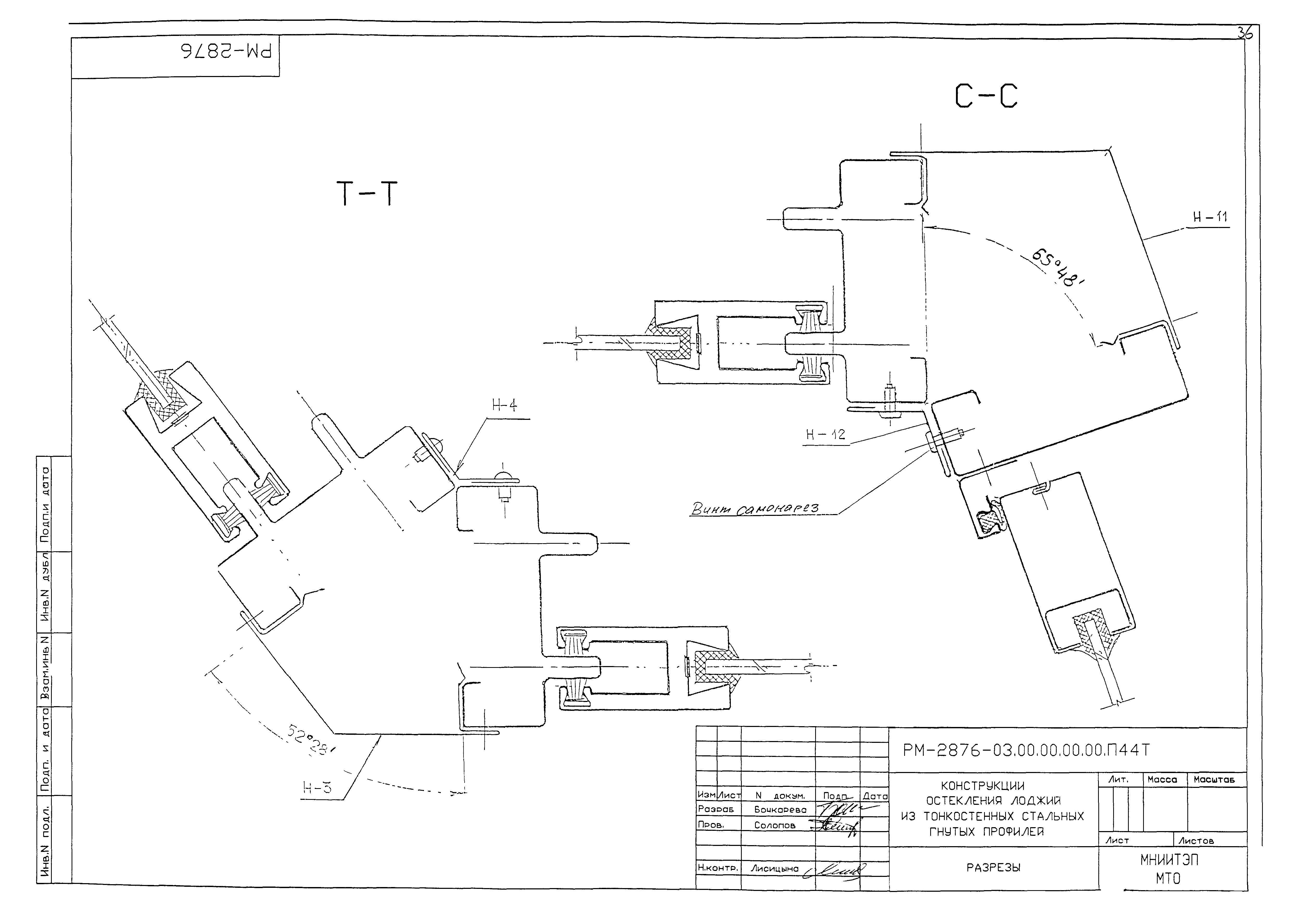
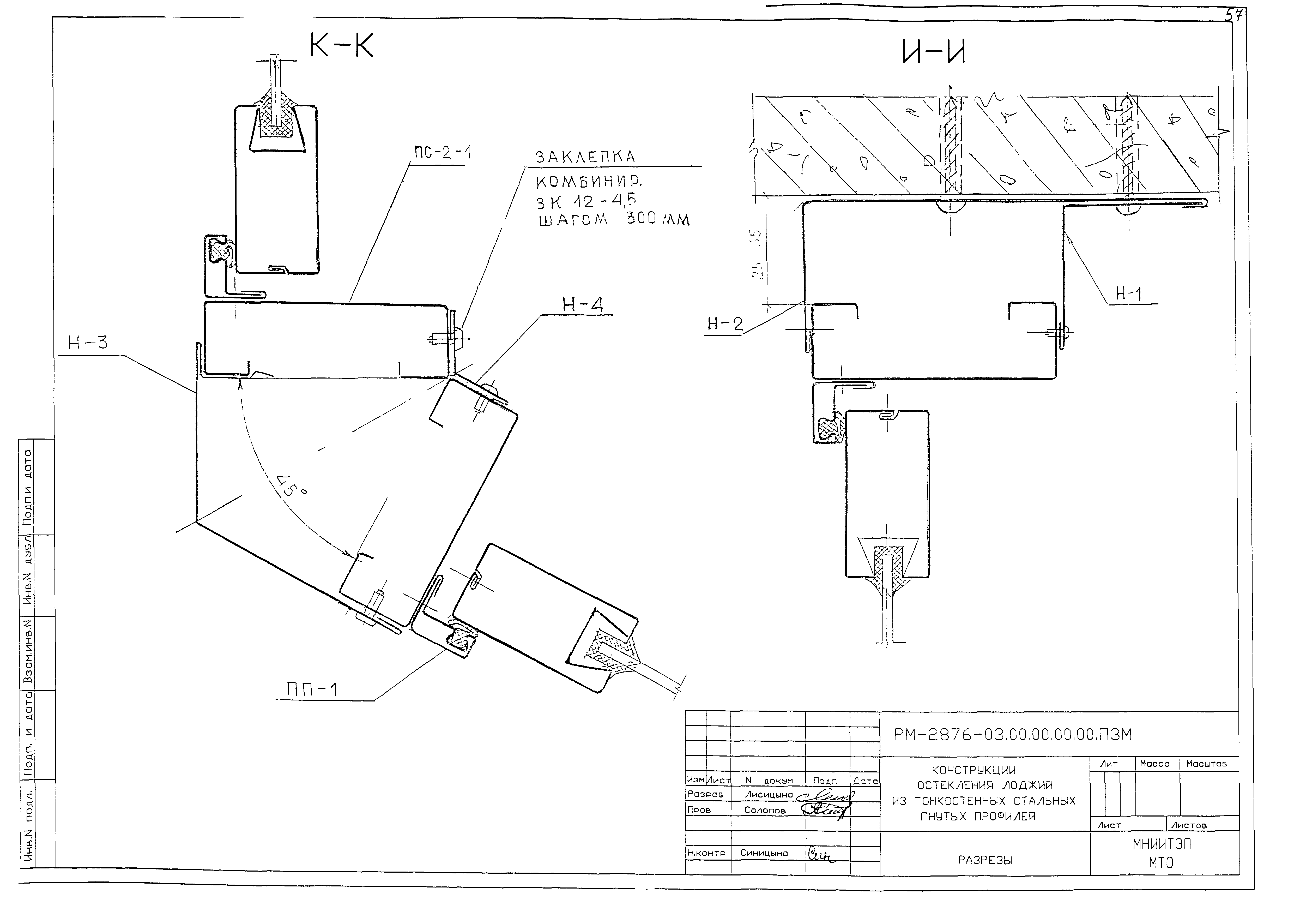
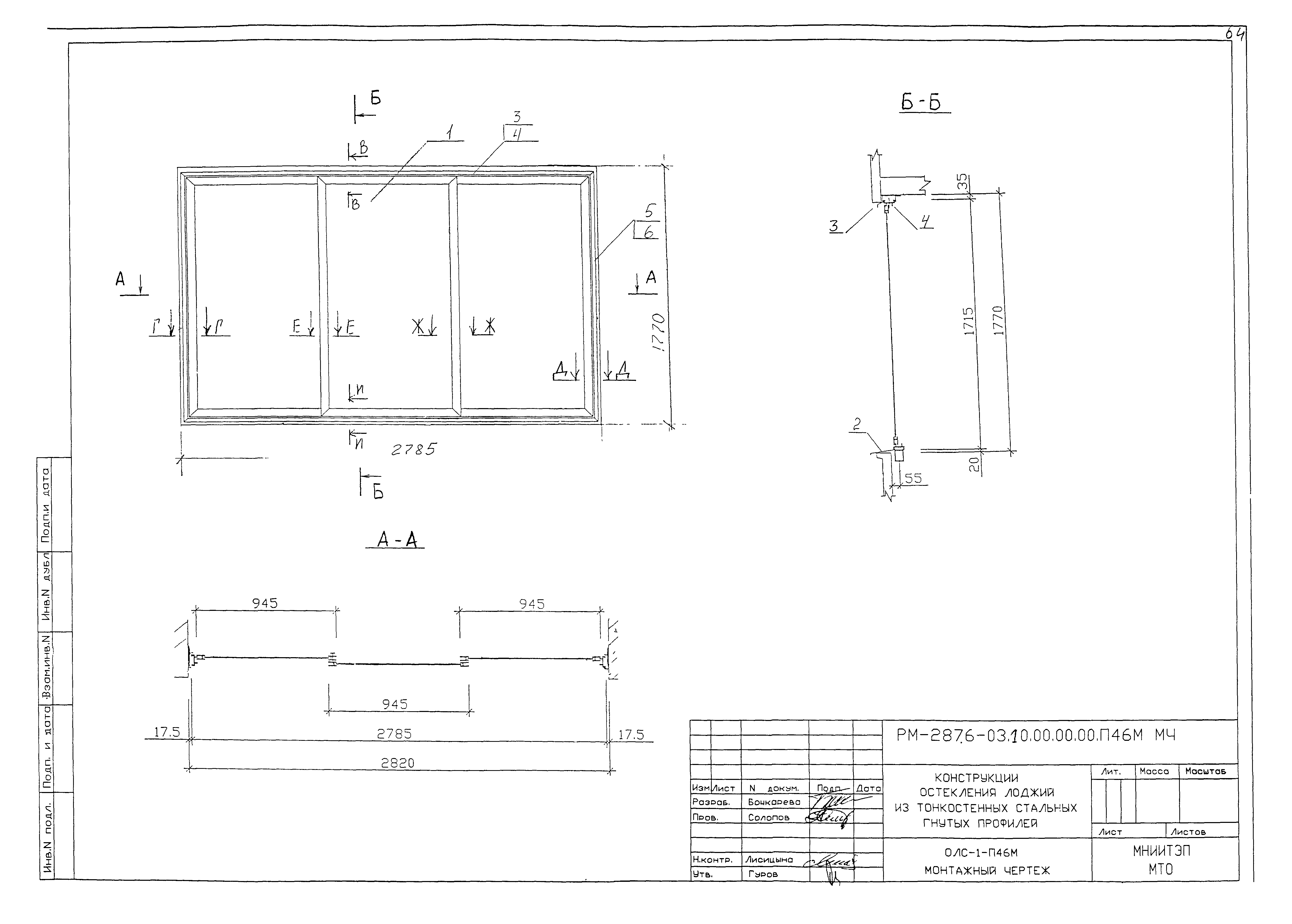
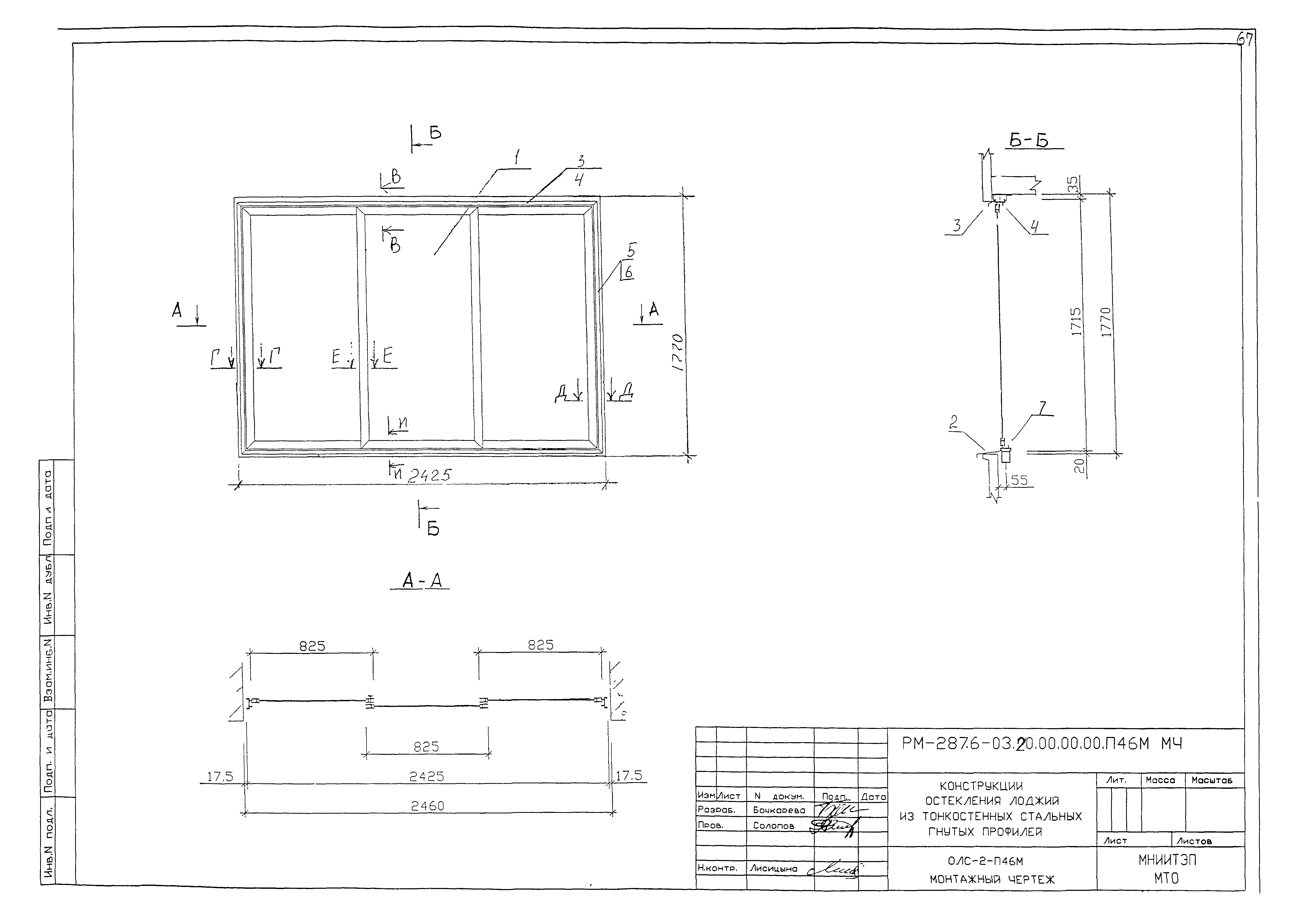
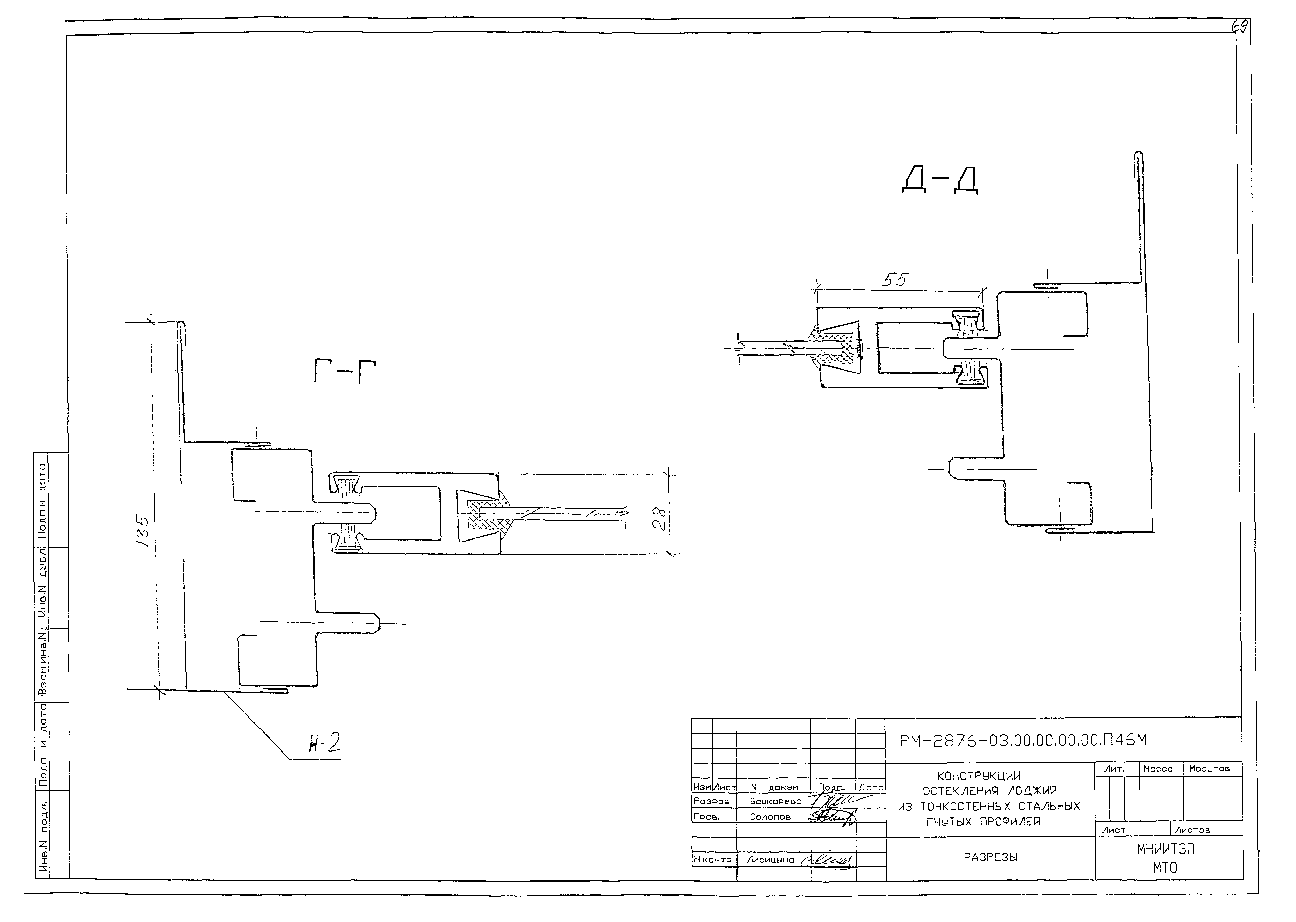
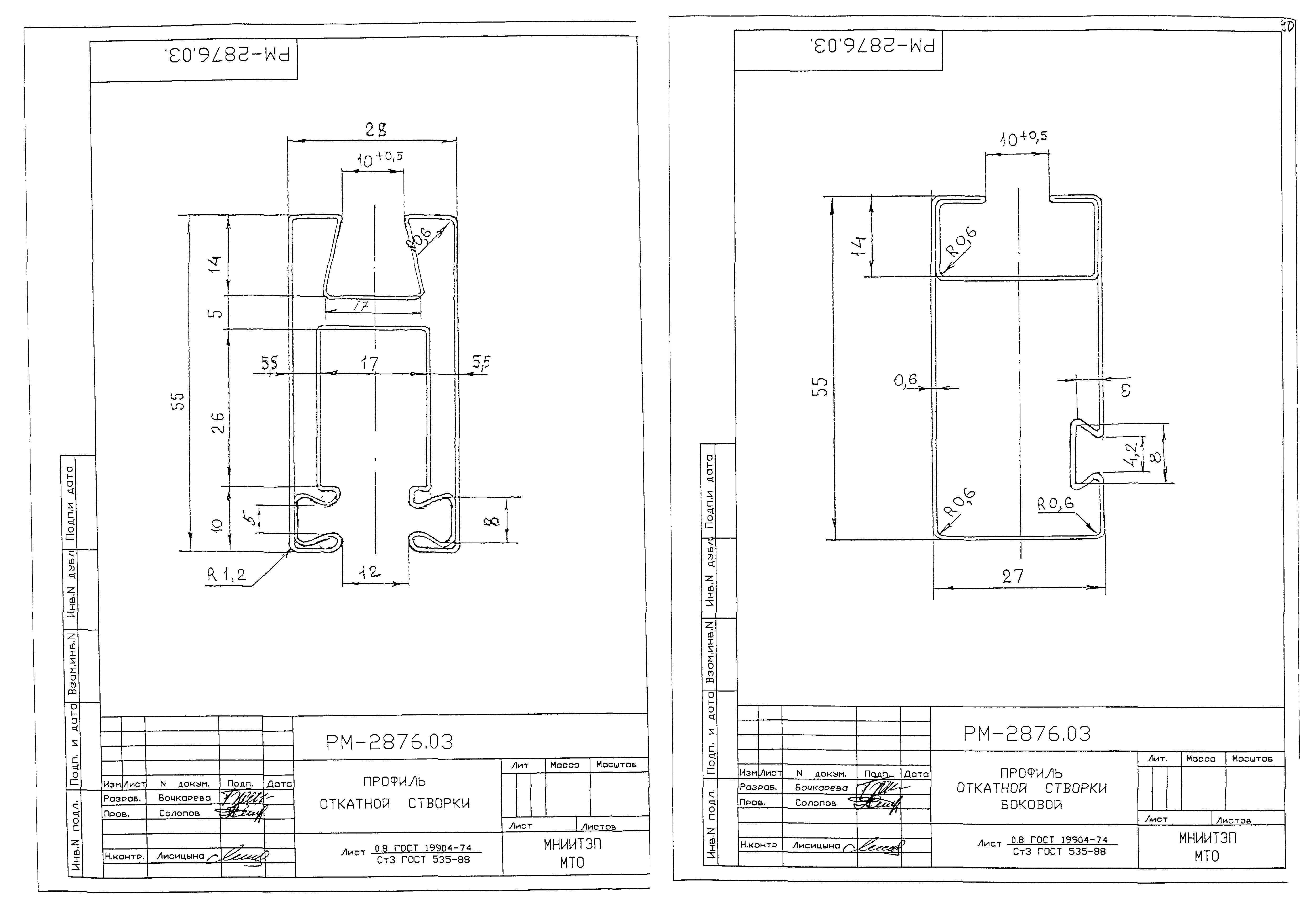
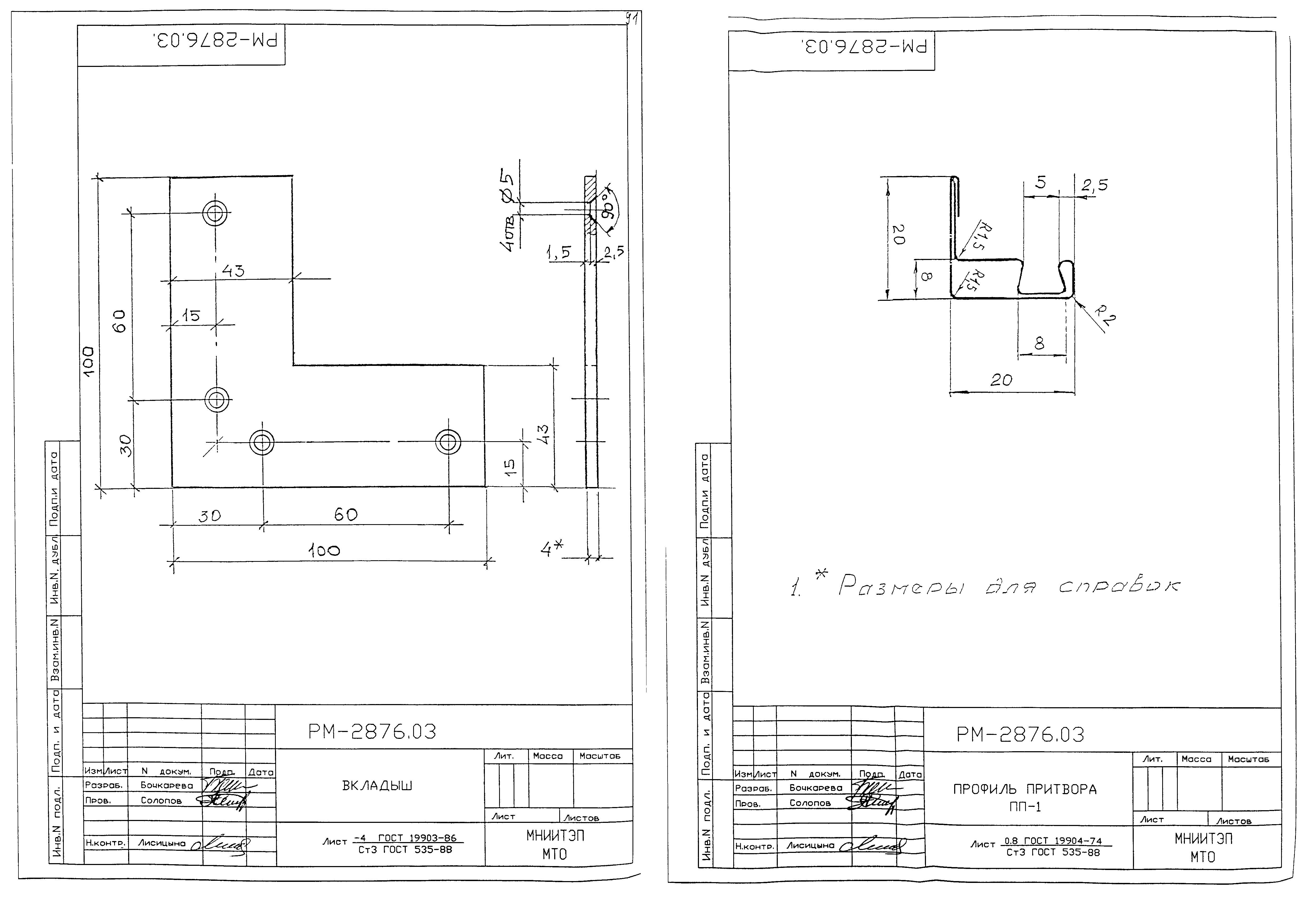
| Оглавление: | 1 Конструкции остекления лоджии для серии домов П44Т 2 Конструкции остекления лоджии для серии домов ПЗМ 3 Конструкции остекления лоджии для серии домов П46М 4 Конструкции остекления лоджии для серии домов П55М 5 Профили и детали конструкции |
| Разработан: | МНИИТЭП |
| Утверждён: | 01.01.2003 МНИИТЭП (MNIITEP ) |
| Принят: | ООО Пульс-Пожстрой |















































































