Скачать Типовой проект 801-2-100.12.87 Альбом II. Строительные изделияДата актуализации: 01.01.2021
|
| Обозначение: | Типовой проект 801-2-100.12.87 |
| Обозначение англ: | 801-2-100.12.87 |
| Статус: | не определен законодательством |
| Название рус.: | Альбом II. Строительные изделия |
| Дата добавления в базу: | 01.09.2013 |
| Дата актуализации: | 01.01.2021 |
| Дата введения: | 06.11.1987 |
| Дата окончания срока действия: | 30.06.2003 |
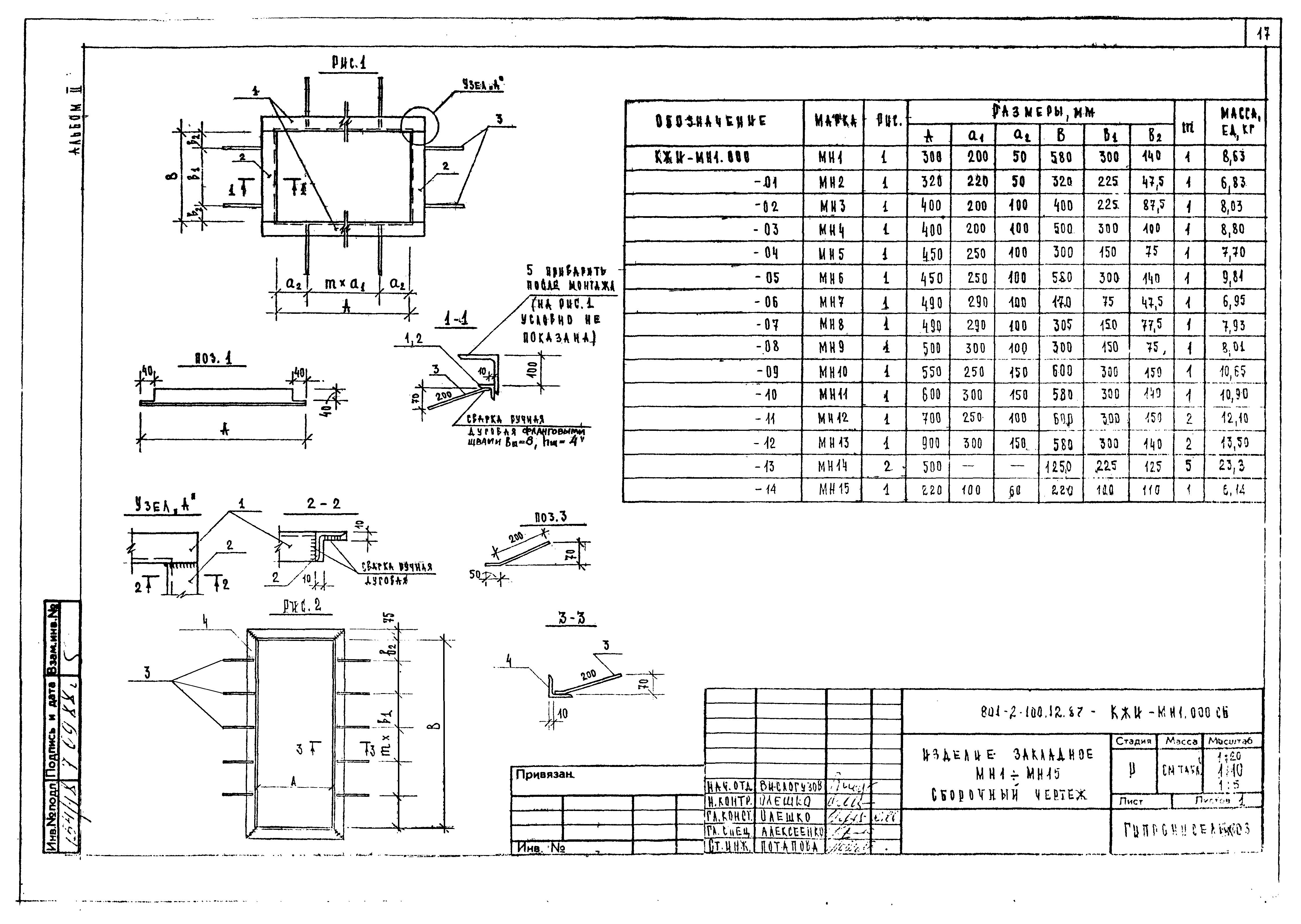
| Оглавление: | КЖИ-ДО Содержание альбома КЖИ-ТТ Технические требования к изготовлению сборных железобетонных изделий КЖИ-100 Ферма 1ФТБ-4АIIIт-П-а, 1ФТ6-6АIIIт-П-а, 1ФТ9-4АIVт-П-а, 1ФТ9-6АIVт-П-а КЖИ-100СБ Ферма 1ФТБ-4АIIIт-П-а, 1ФТ6-6АIIIт-П-а, 1ФТ9-4АIVт-П-а, 1ФТ9-6АIVт-П-а. Сборочный чертеж КЖИ-200 Балка БС6-4АIV-П-а, БС6-5АIV-П-а, БС7,5-4АIV-П-а, БС7,5-5АIV-П-а, 1БСТ6-2АIVт-1, 1БСТ6-2АIVт-2, 1БСП12-3АIV-н-а КЖИ-200СБ Балка БС6-4АIV-П-а, БС6-5АIV-П-а, БС7,5-4АIV-П-а, БС7,5-5АIV-П-а, 1БСТ6-2АIVт-1, 1БСТ6-2АIVт-2, 1БСП12-3АIV-н-а. Сборочный чертеж КЖИ-300 Плита покрытия типа 1ПГ, 1ПВ, 2ПГ, 2ПВ КЖИ-300СБ Плита покрытия типа 1ПГ, 1ПВ, 2ПГ, 2ПВ. Сборочный чертеж КЖИ-300РС Ведомость расхода стали на дополнительные закладные изделия КЖИ-400 Опорная подушка ОП4-5а, ОП4-5а, ОП4-5а КЖИ-500 Колонна 2К57.3-1-а КЖИ-М1.000 Изделие закладное М1 КЖИ-МН1.000 Изделие закладное МН1 - МН15 КЖИ-МН1.000СБ Изделие закладное МН1 - МН15. Сборочный чертеж КЖИ-МС1.000 Изделие соединительное МС1 КЖИ-МС2.000 Изделие соединительное МС2 КЖИ-МС3.000 Изделие соединительное МС3 КЖИ-МС4.000 Изделие соединительное МС4 КЖИ-ПВ1.000 Подвеска ПВ1 - ПВ7 КЖИ-ПВ1.000СБ Подвеска ПВ1 - ПВ7. Сборочный чертеж КЖИ-М2.000 Изделие закладное М2 КЖИ-МИ1.000 Изделие металлическое МИ1 КЖИ-МИ2.000 Изделие металлическое МИ2 КЖИ-Щ1.000 Металлический щит Щ1 КЖИ-МС5.000 Изделие соединительное МС5 КЖИ-КМ1.000 Крышка металлическая КМ1 КЖИ-600 Перемычка 5ПГ35-37а, 7ПГ35-52а КЖИ-МИ3.000 Изделие закладное МИ3 |
| Разработан: | Институт Гипронисельхоз |
| Утверждён: | 27.10.1987 Госагропром СССР (USSR Gosagroprom 805-42/35) |


























