Скачать РМ-2919-02 Панели наружных стен трехслойные первого этажа. Для жилых блок-секций П44Т (производства Краснопресненского завода ЖБК). Рабочие чертежиДата актуализации: 01.01.2021
|
| Обозначение: | РМ-2919-02 |
| Обозначение англ: | РМ-2919-02 |
| Статус: | не определен законодательством |
| Название рус.: | Панели наружных стен трехслойные первого этажа. Для жилых блок-секций П44Т (производства Краснопресненского завода ЖБК). Рабочие чертежи |
| Дата добавления в базу: | 01.09.2013 |
| Дата актуализации: | 01.01.2021 |
| Дата введения: | 20.05.2004 |
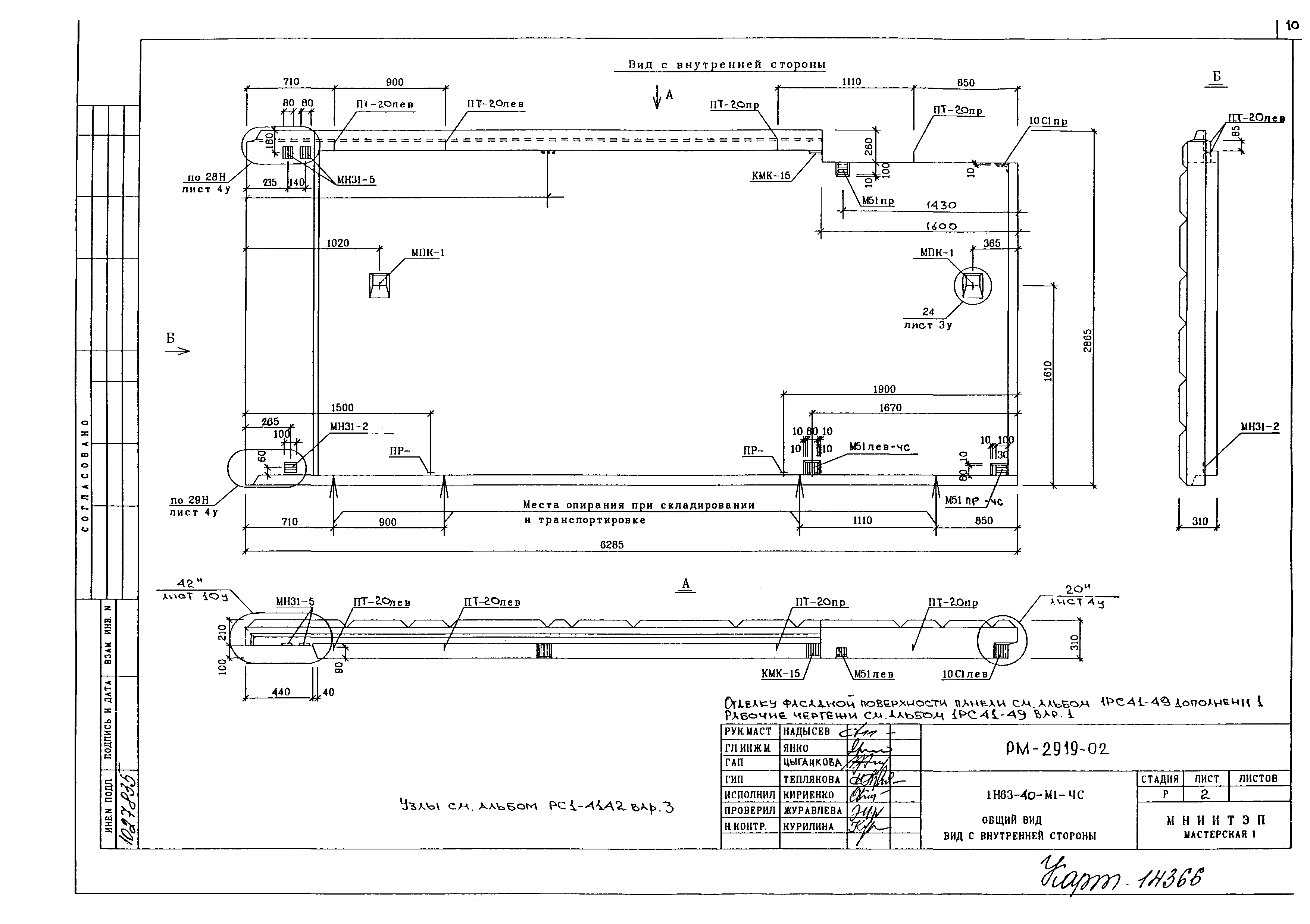
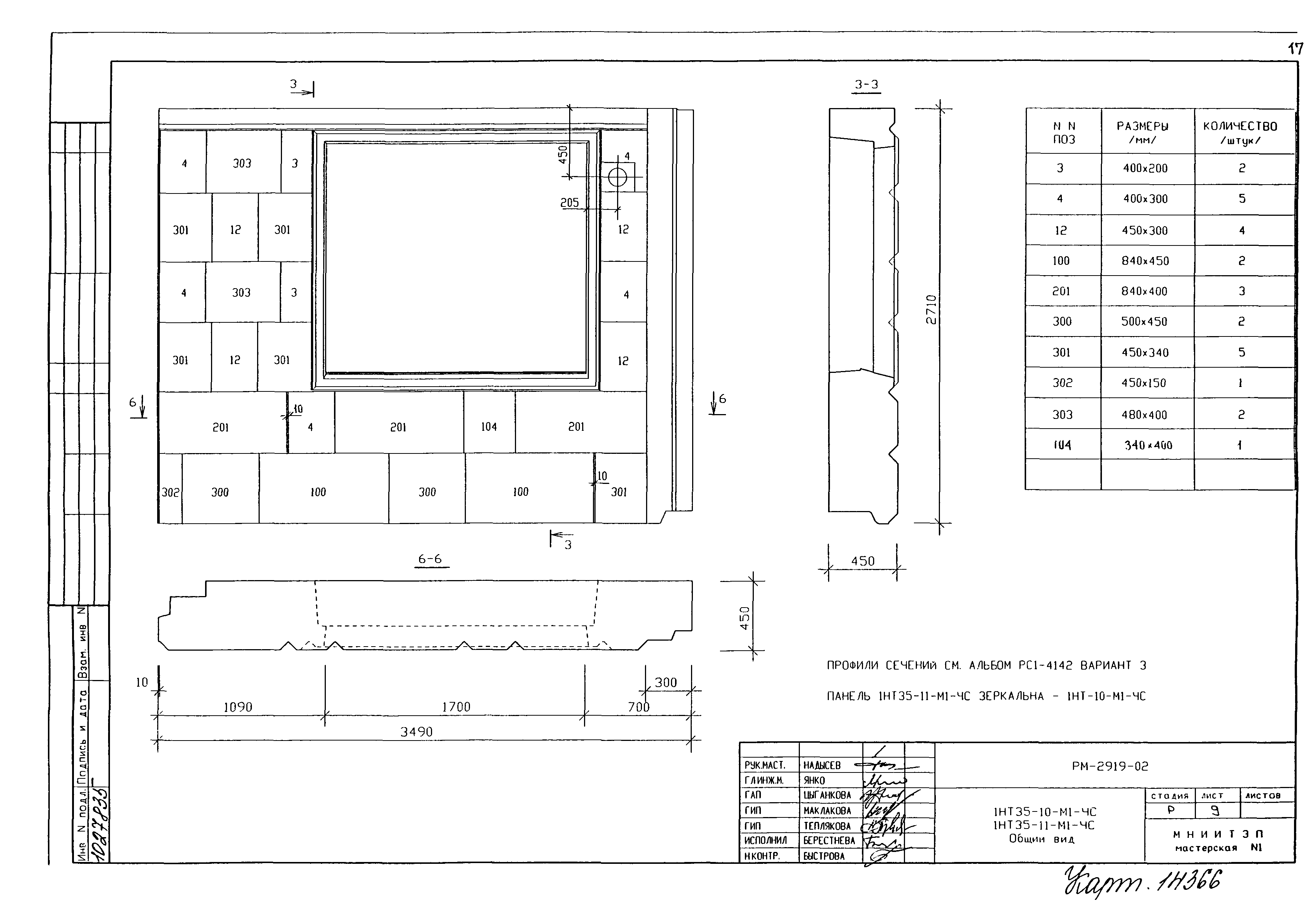
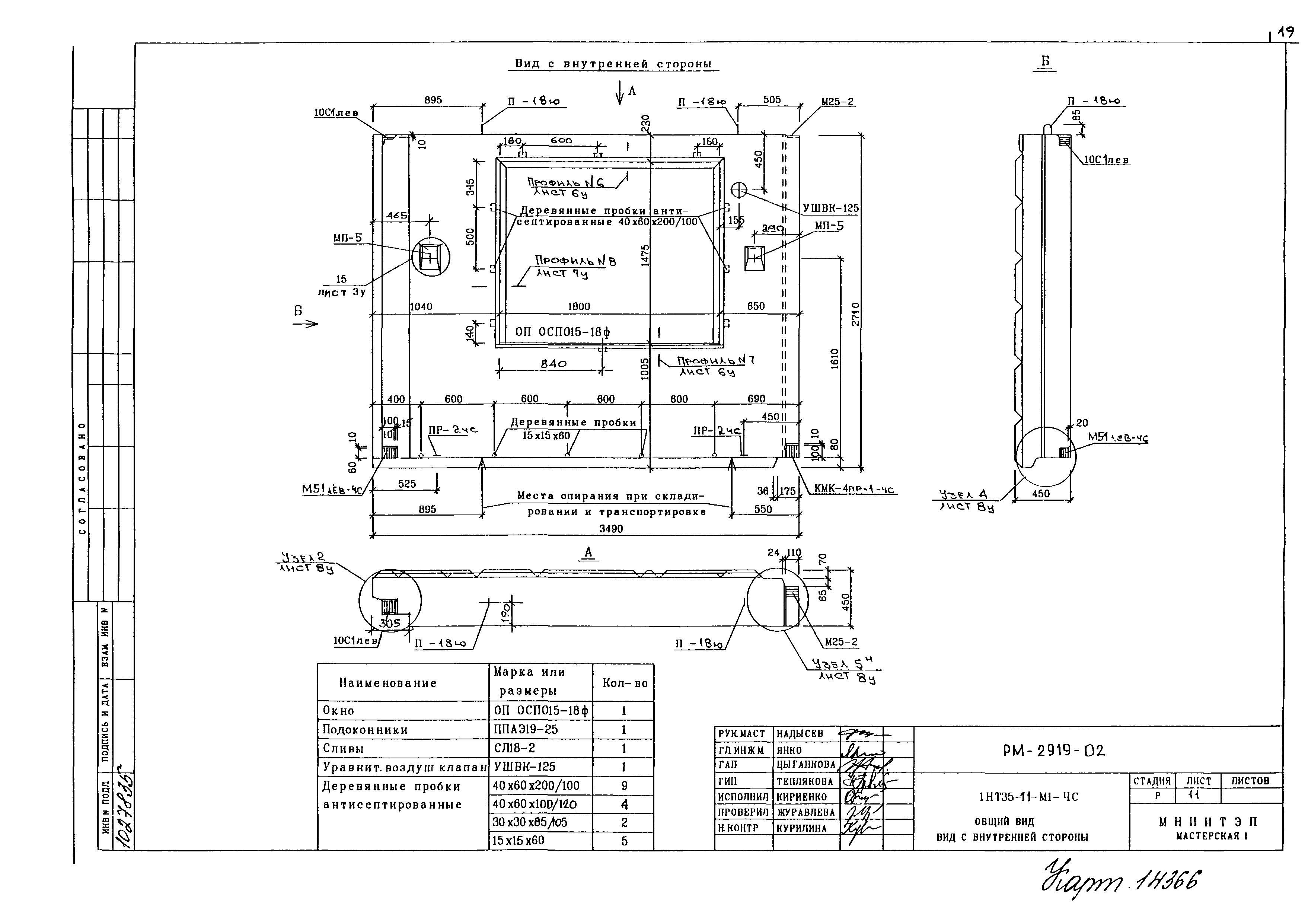
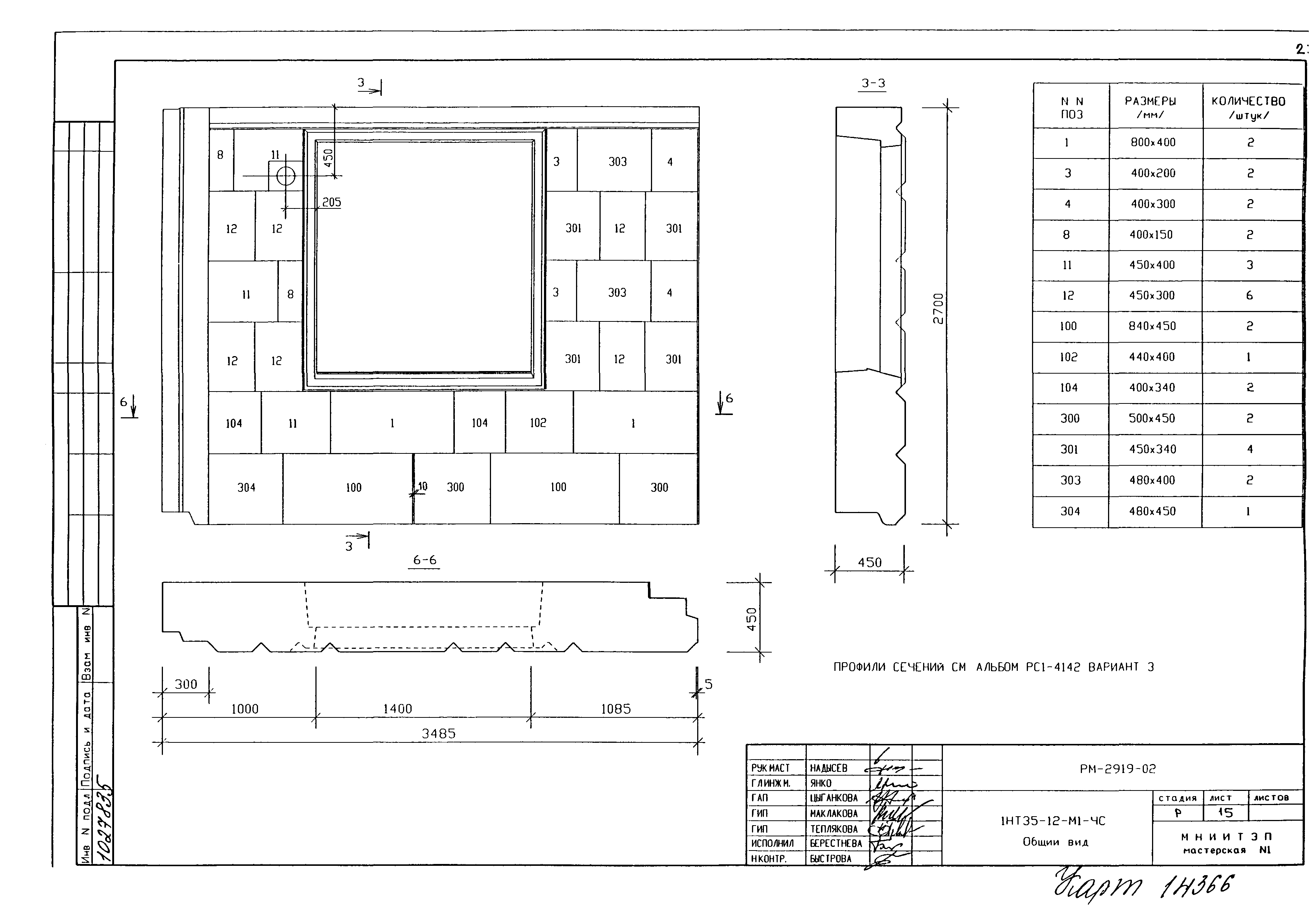
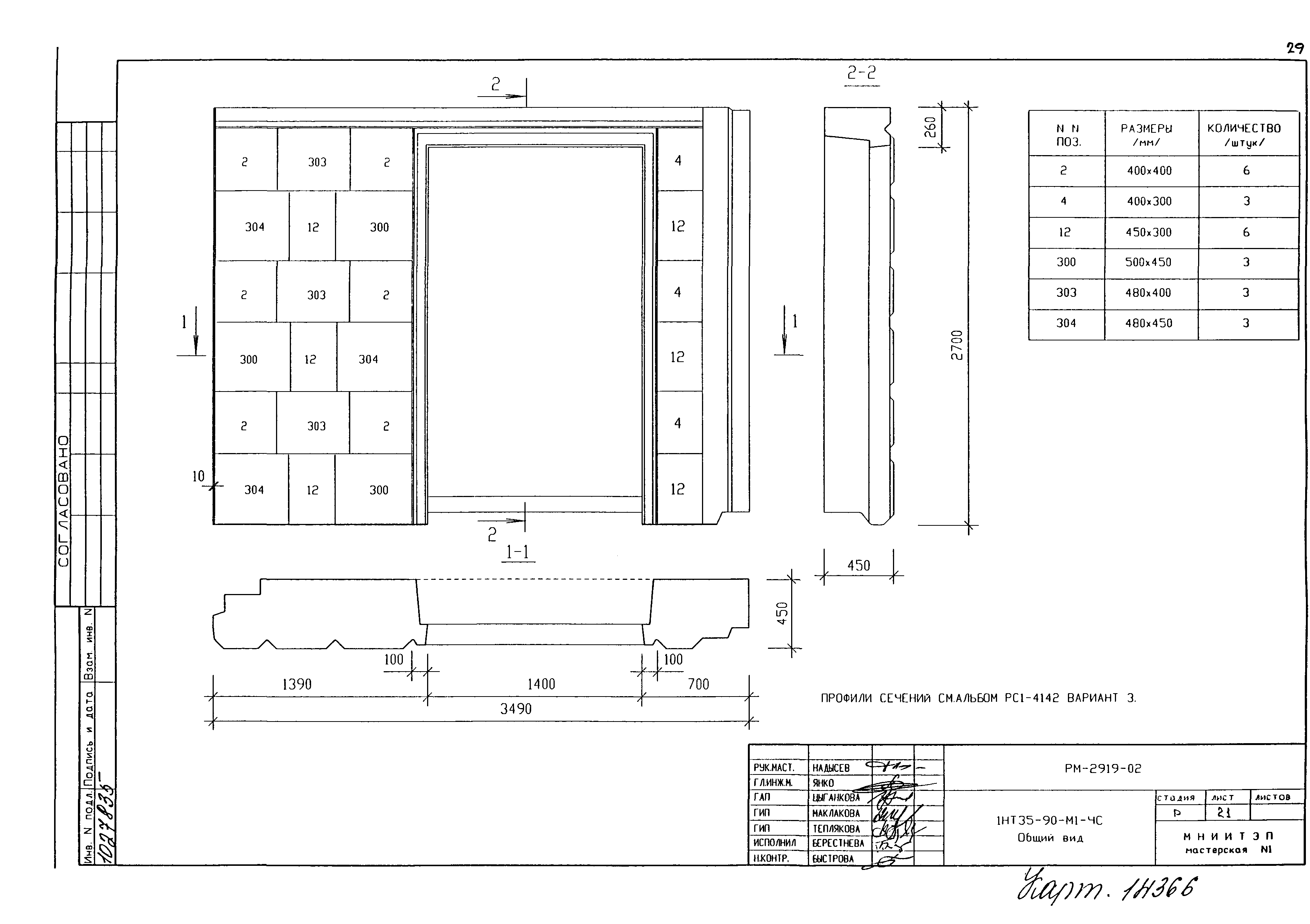
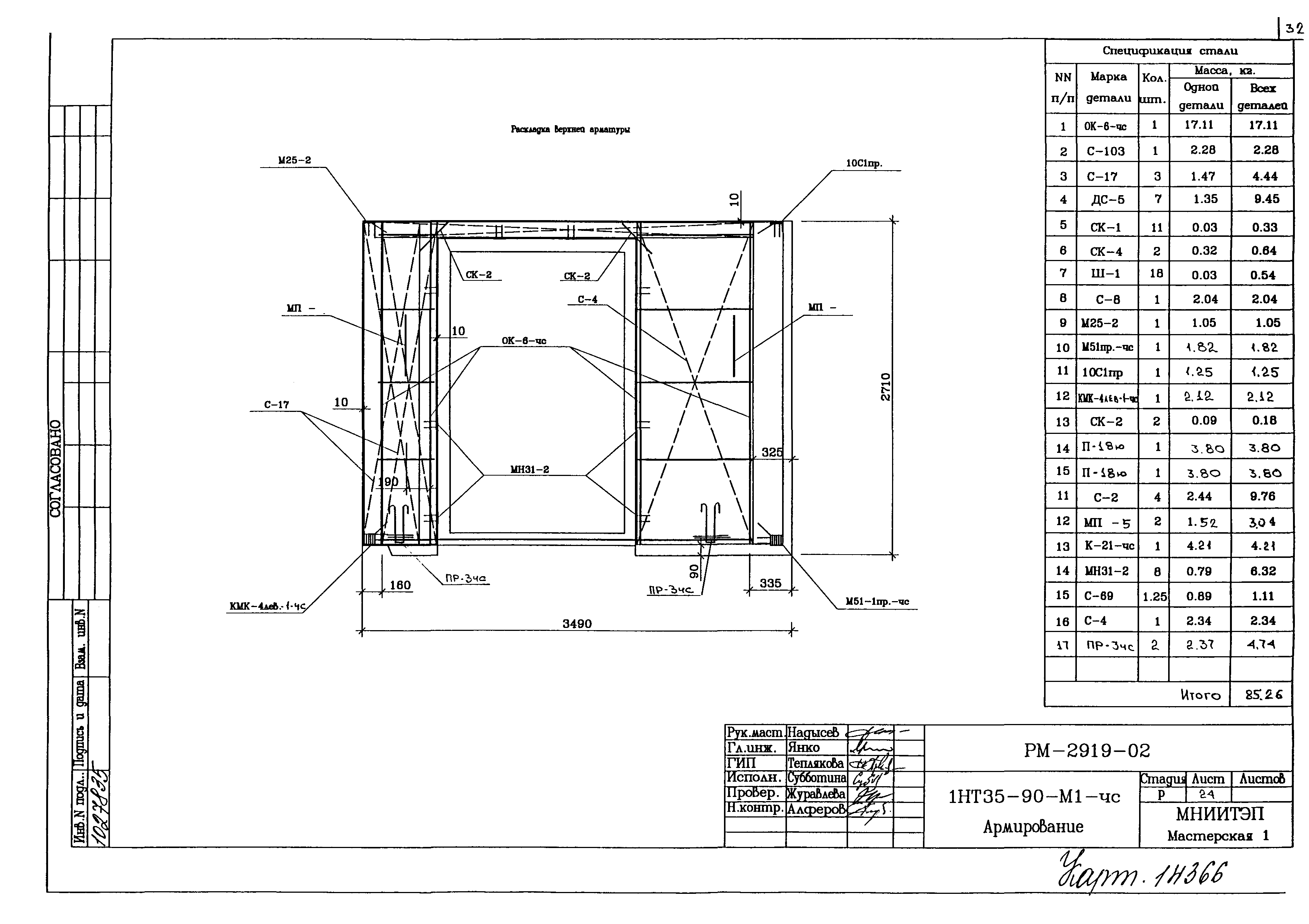
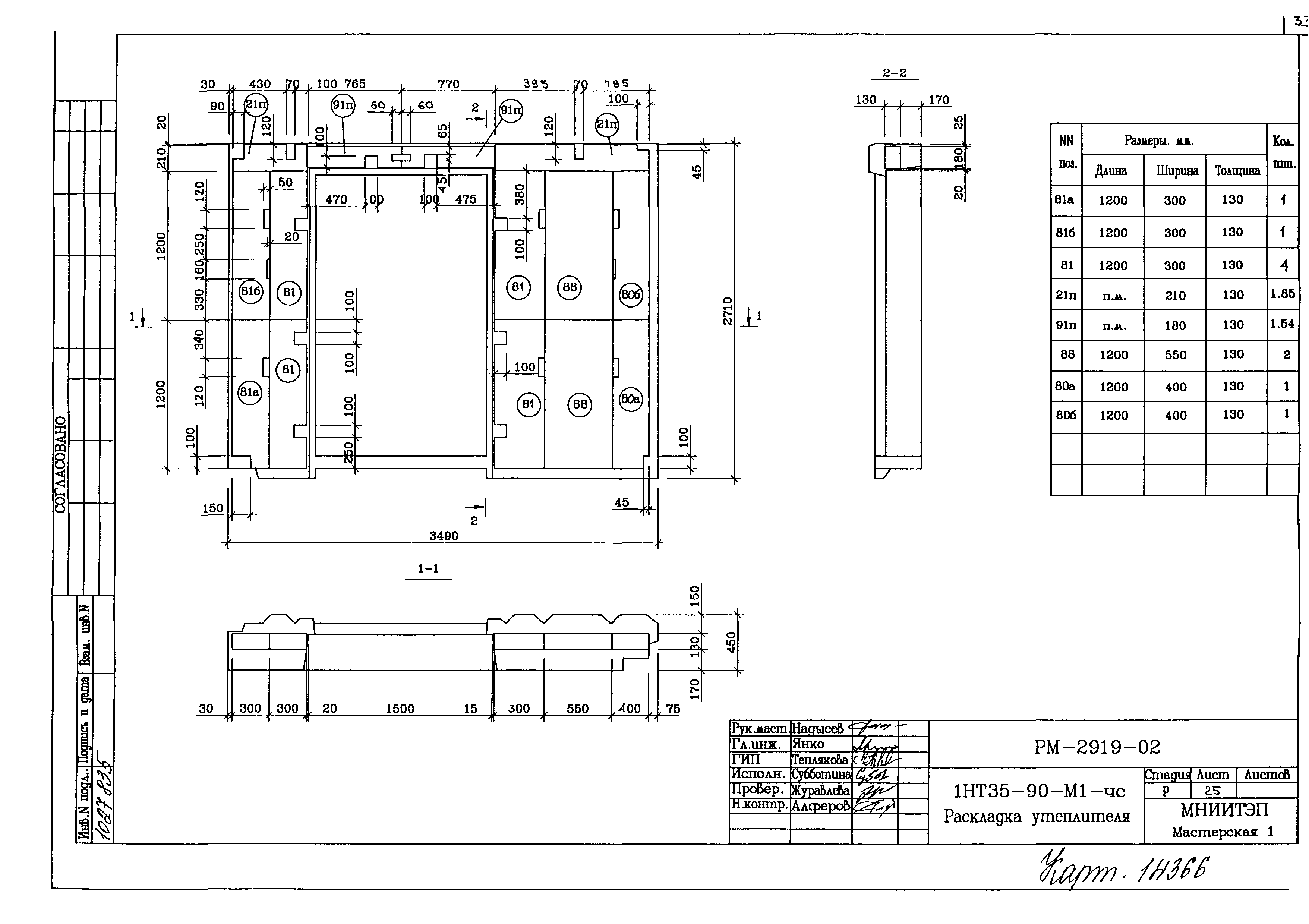
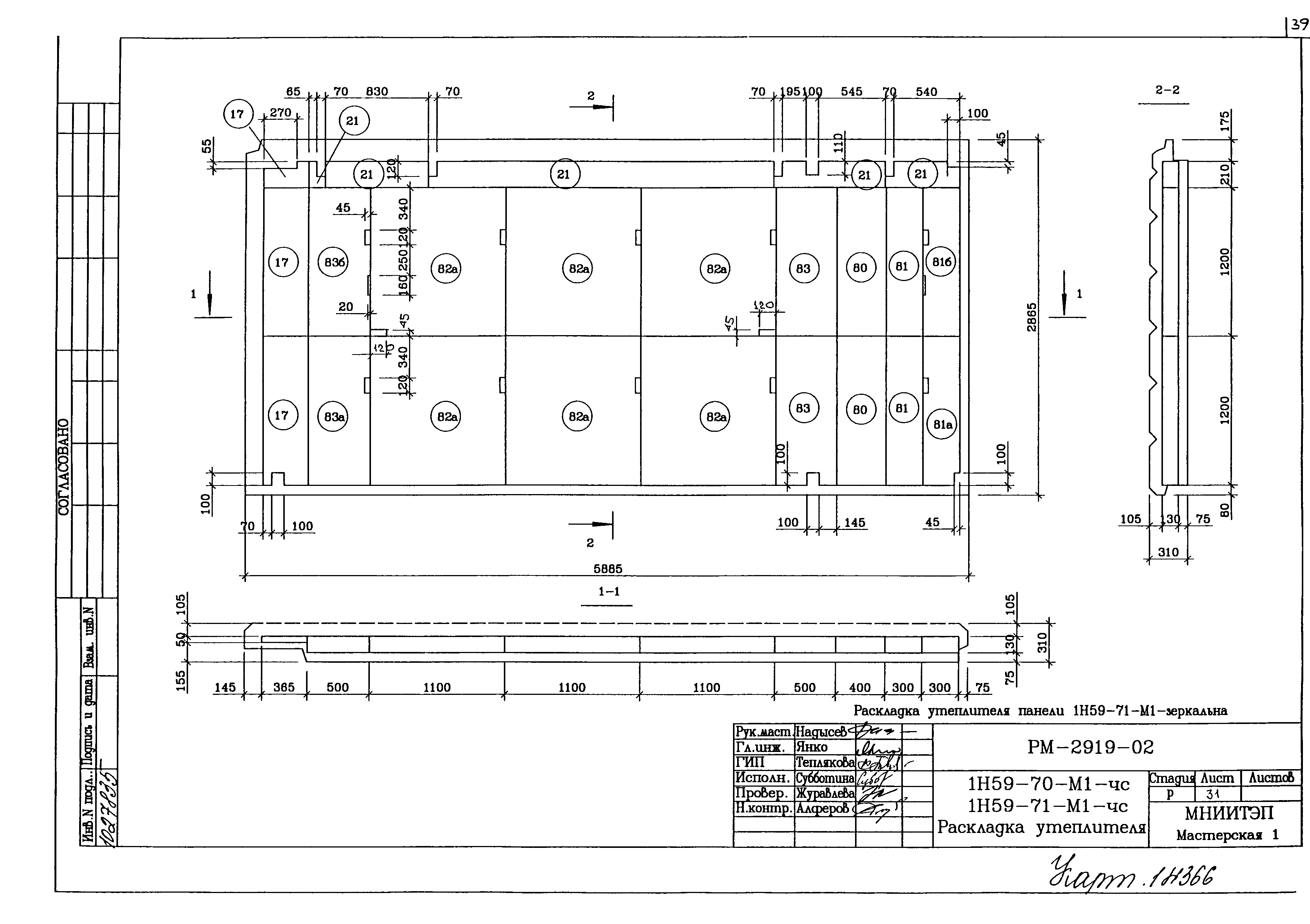
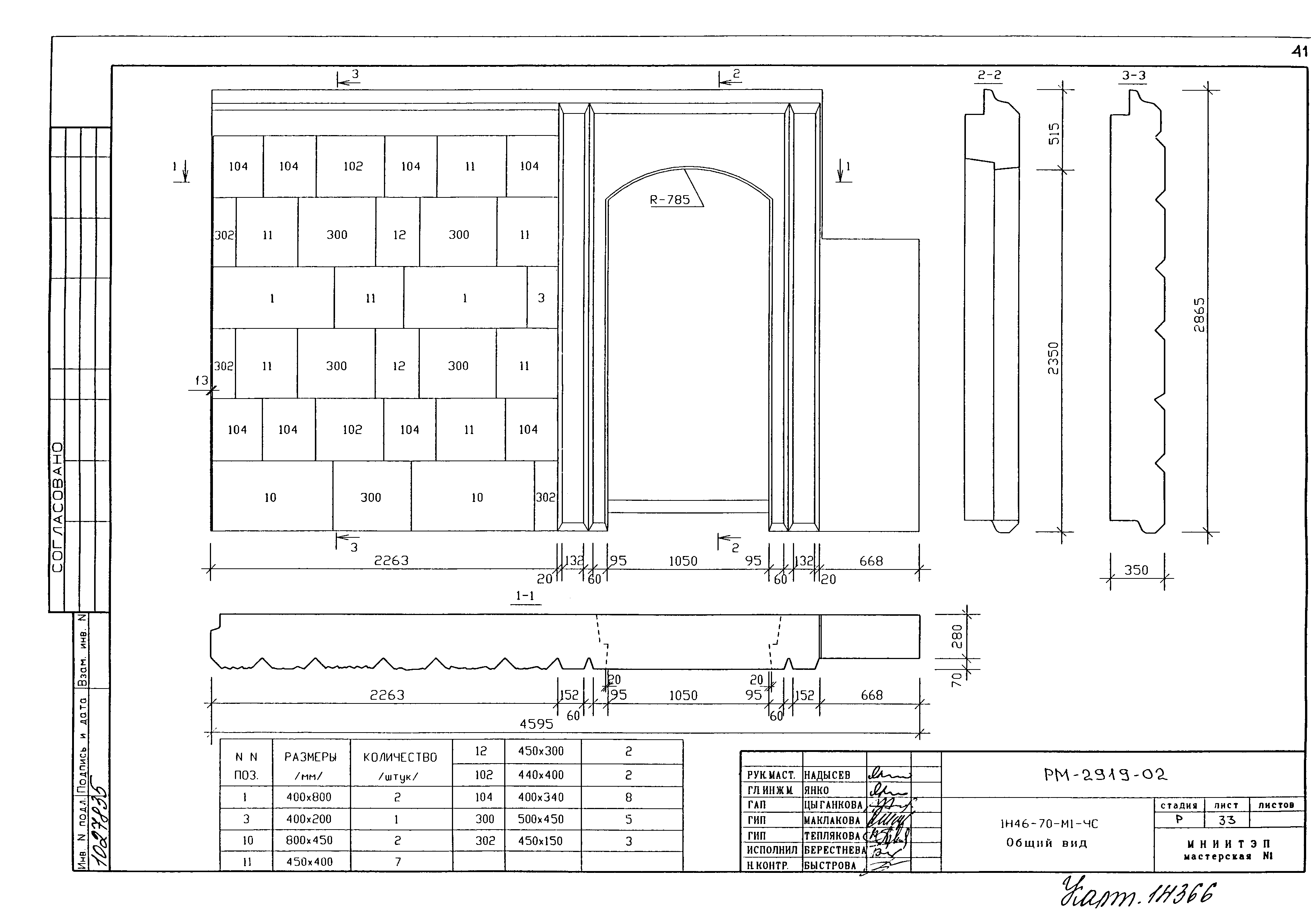
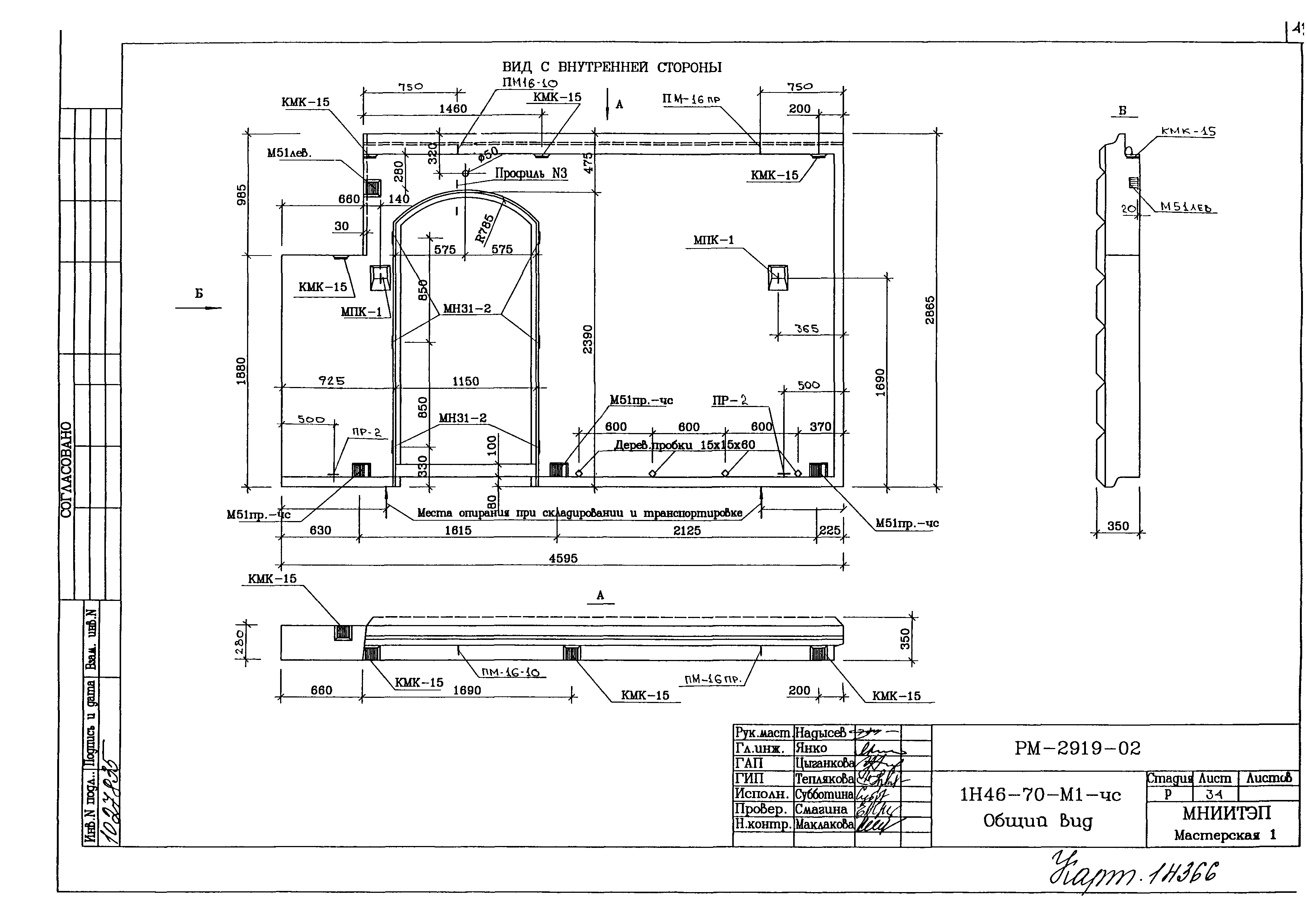
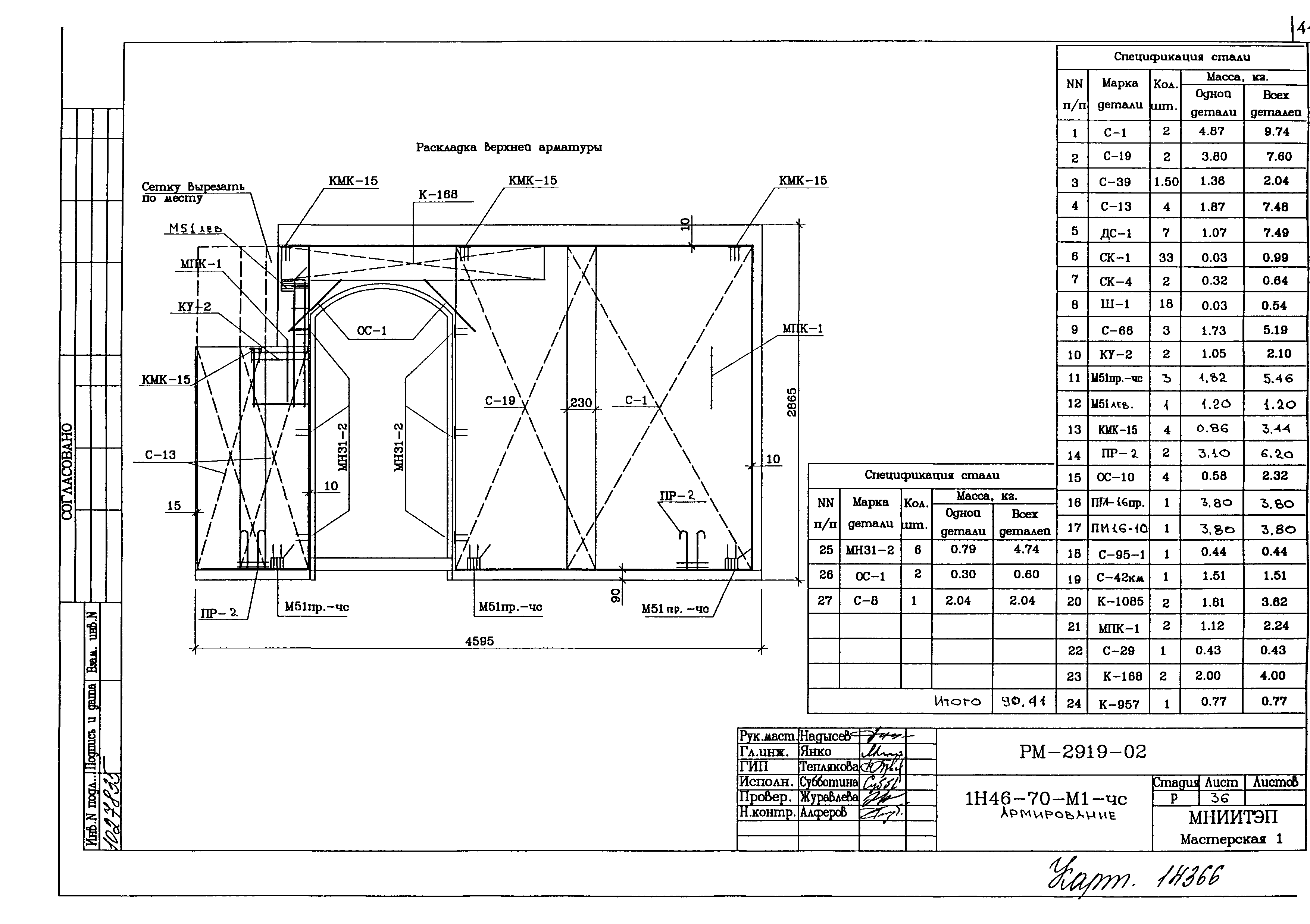
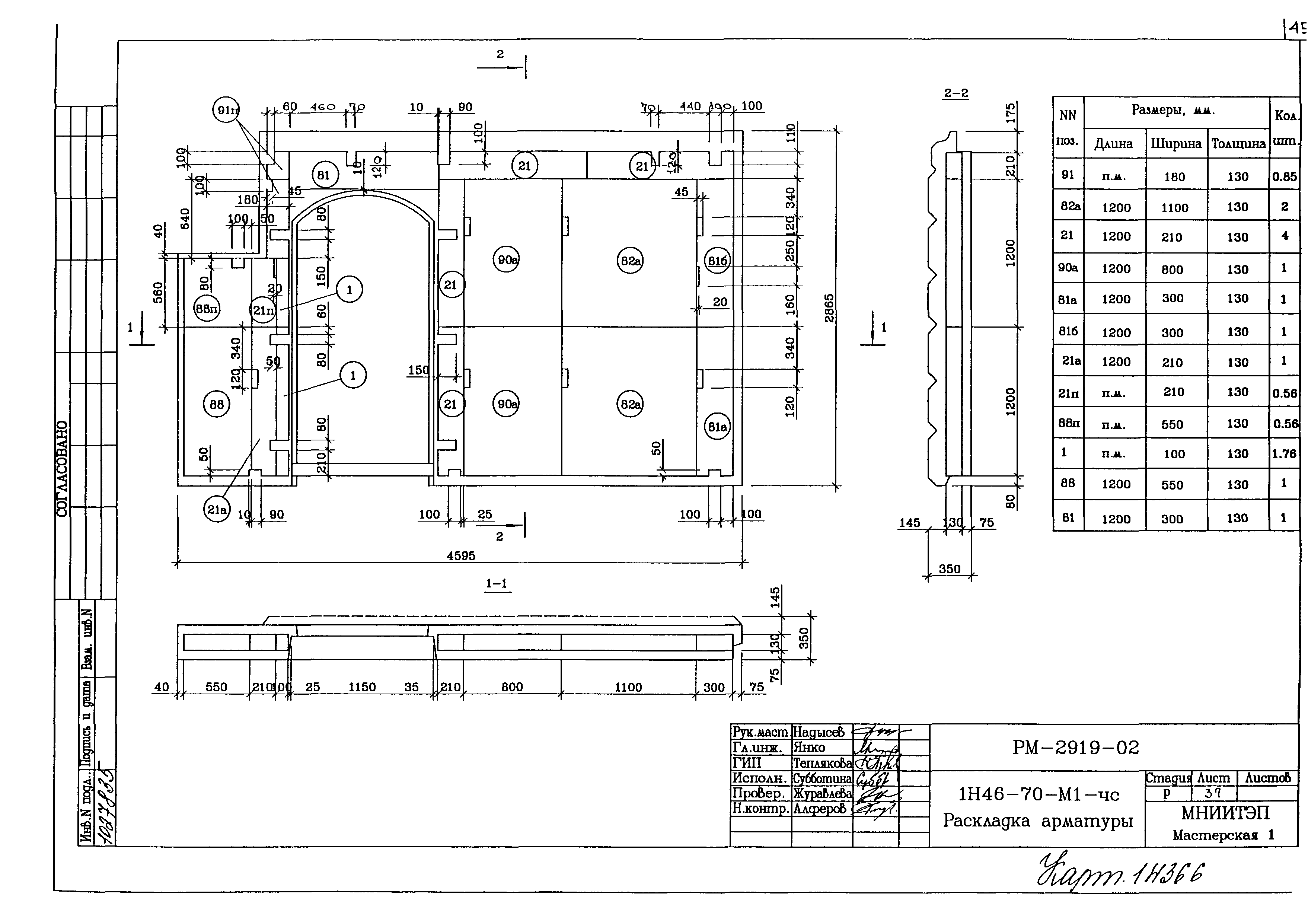
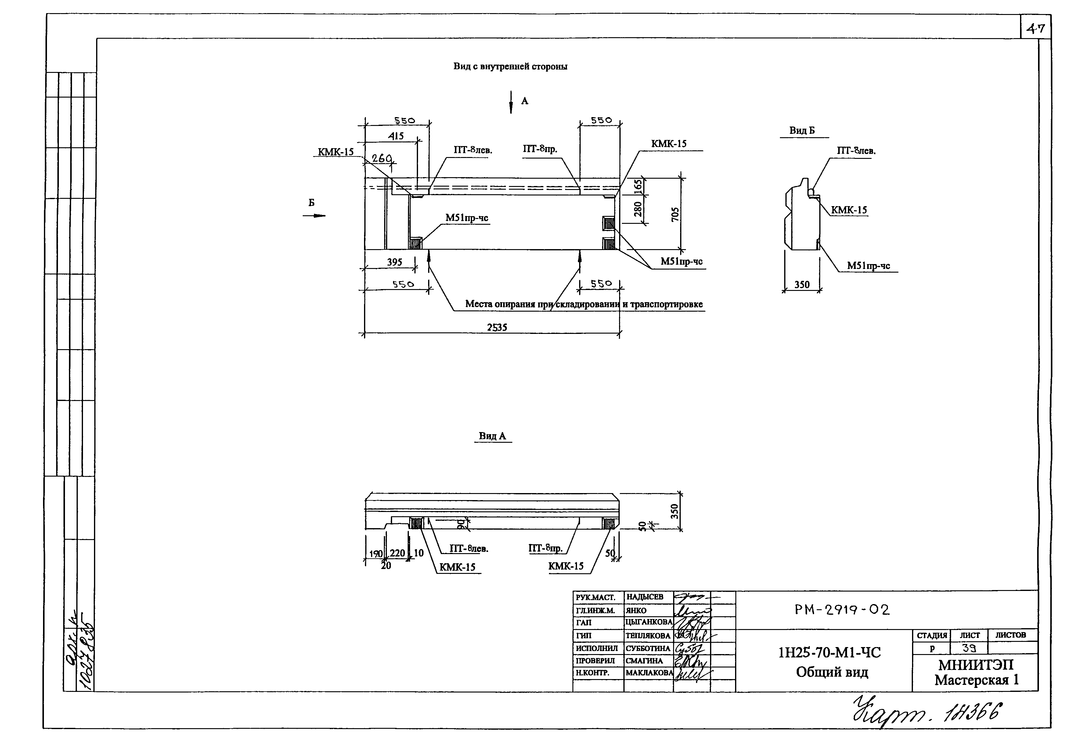
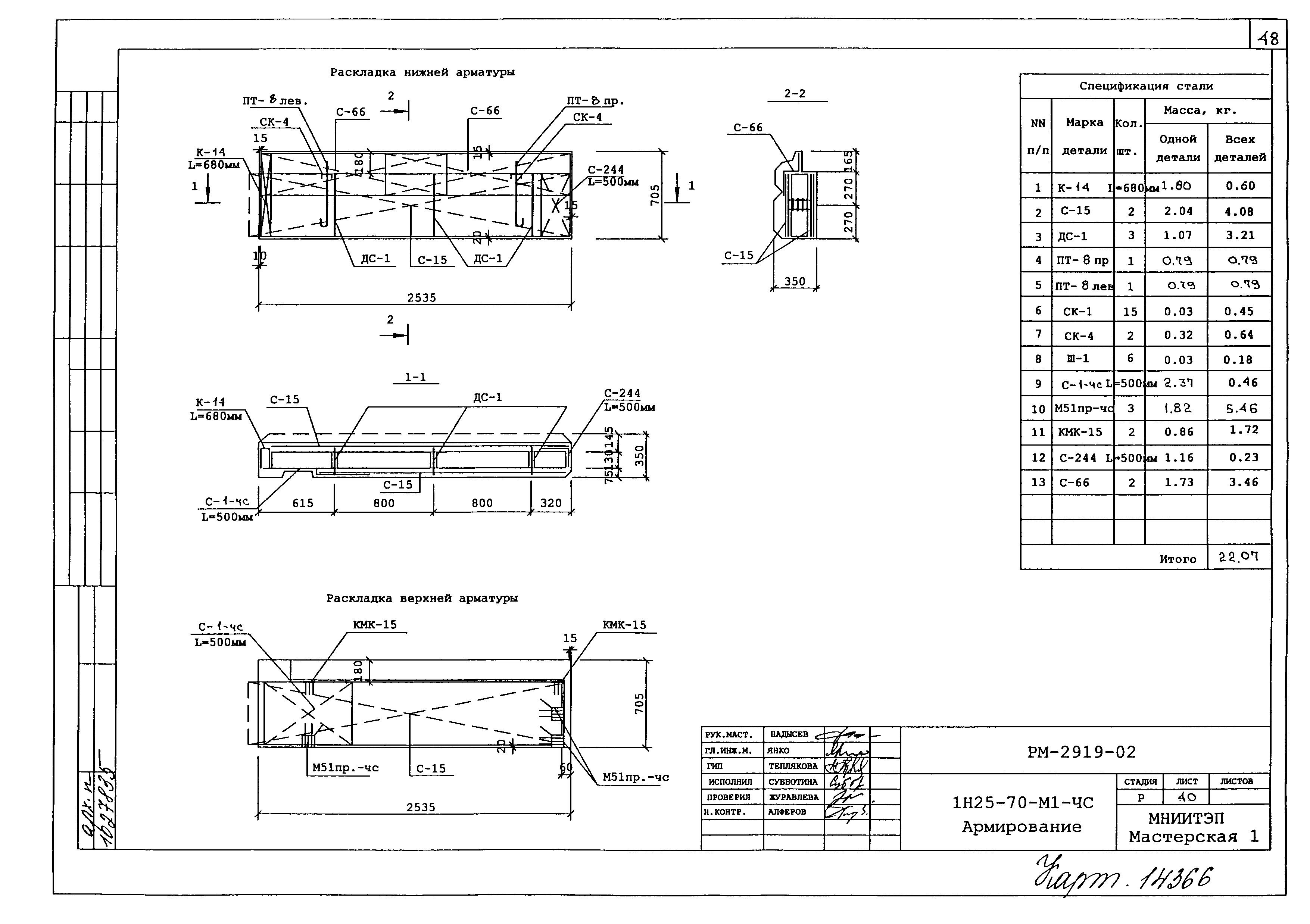
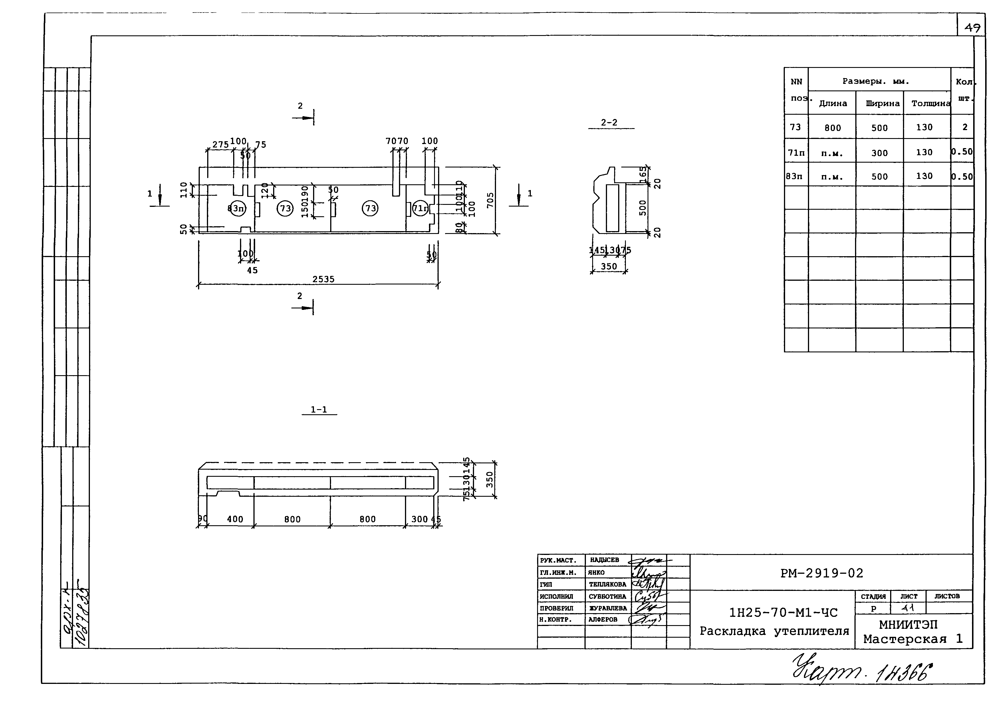
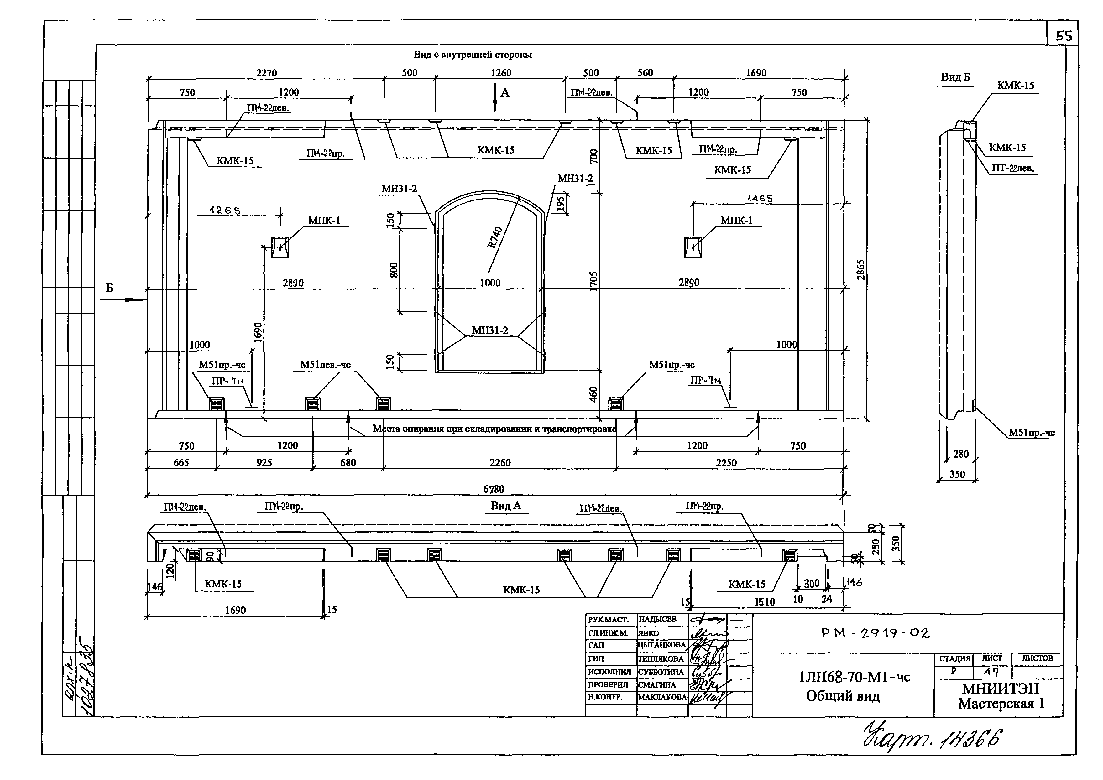
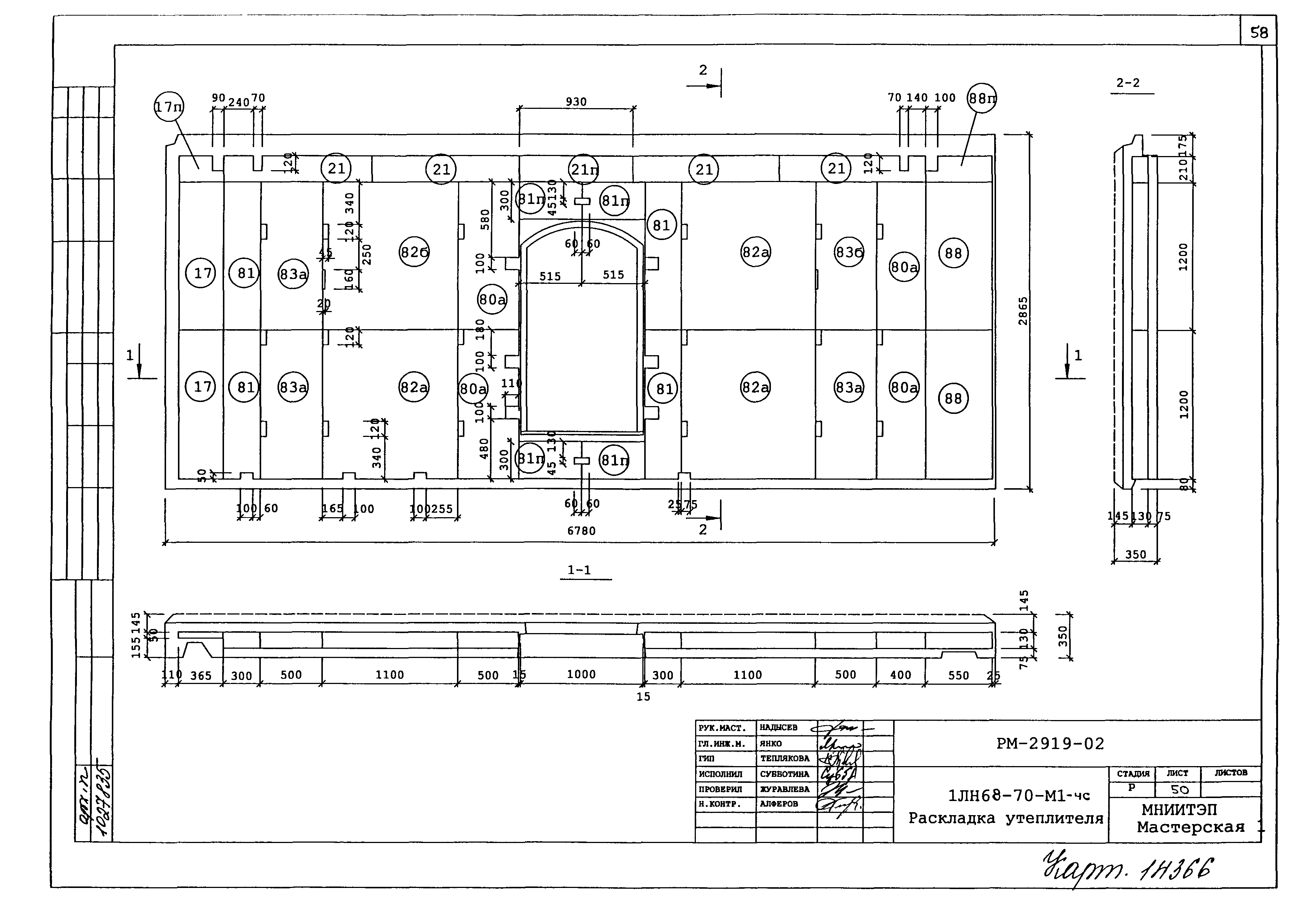
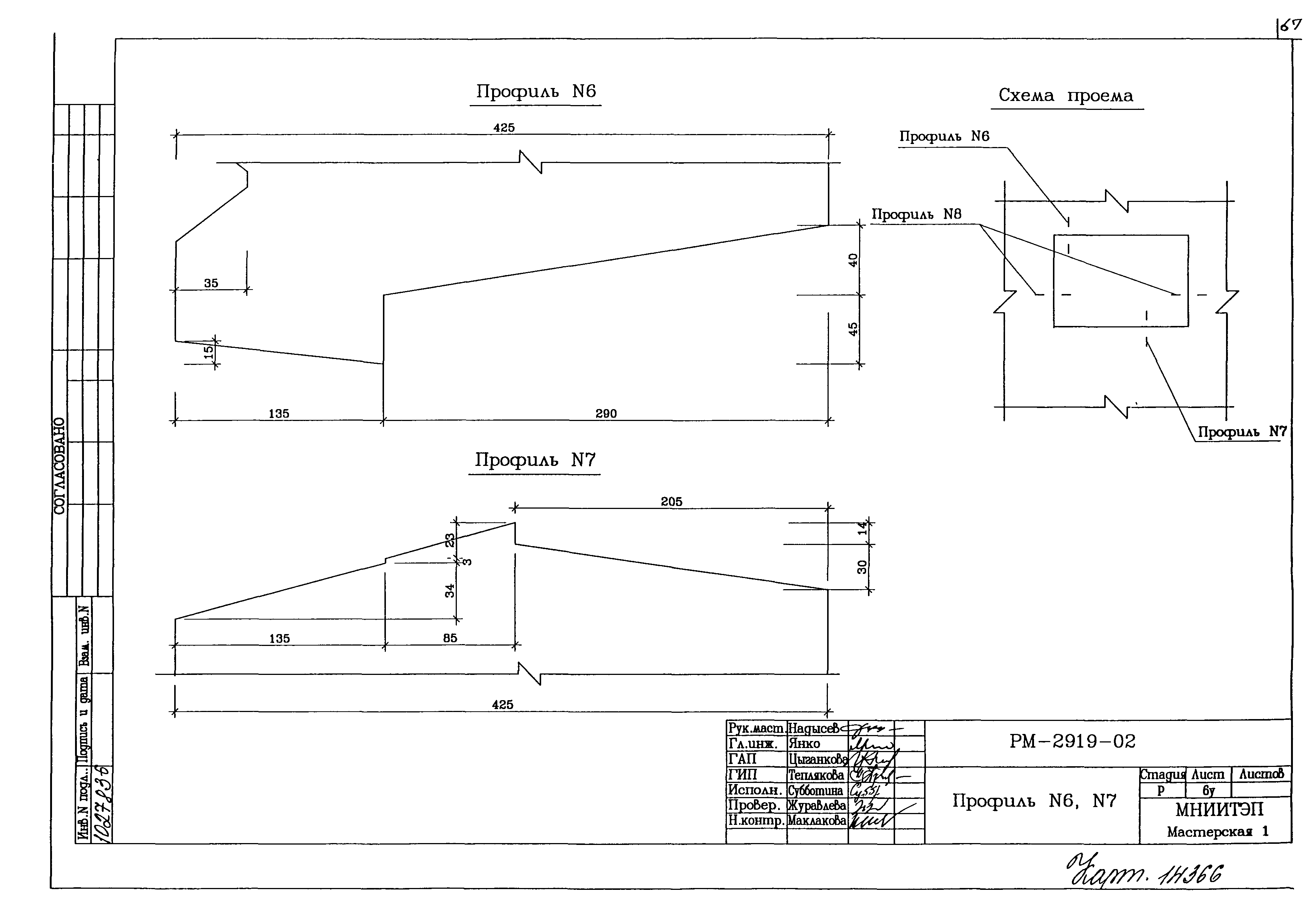
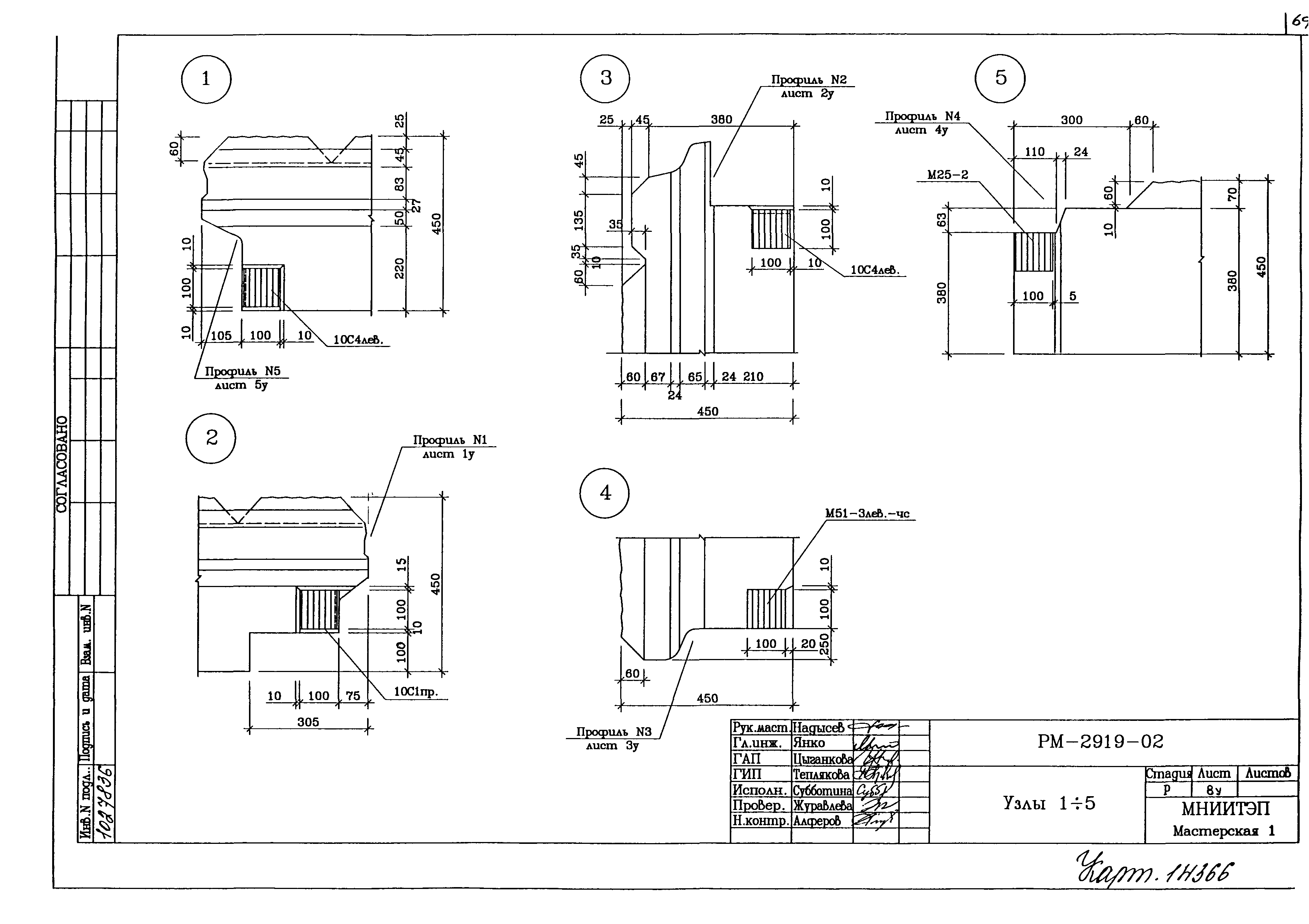
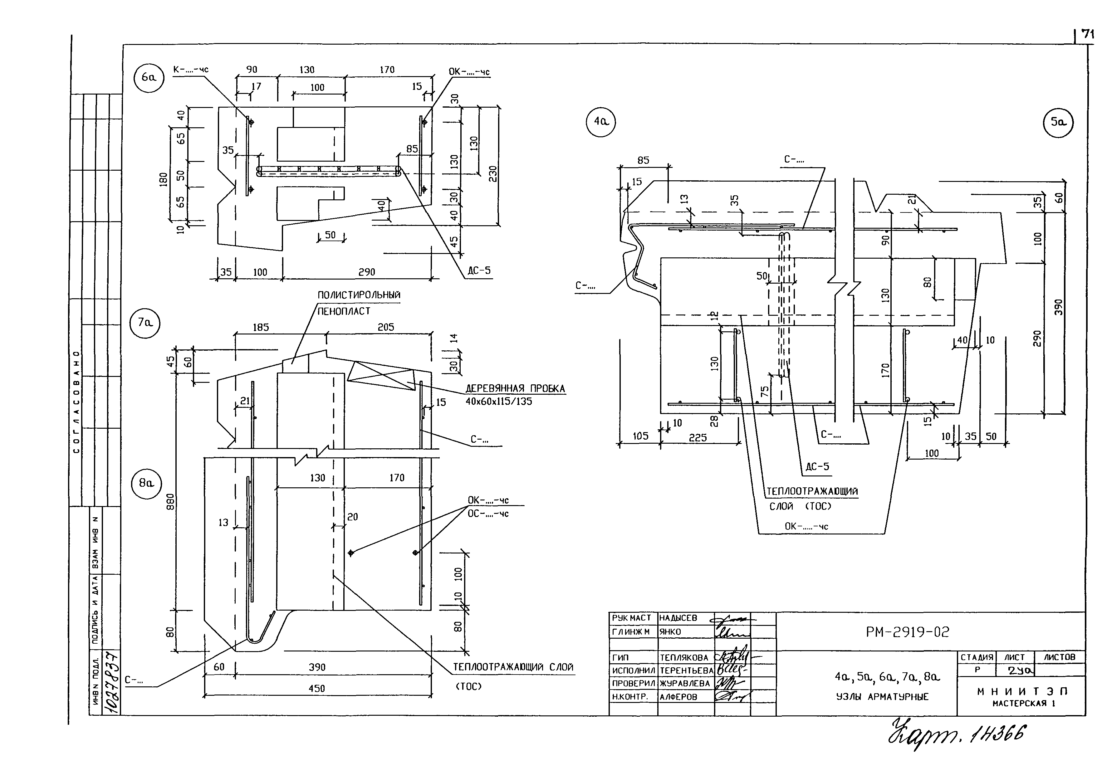
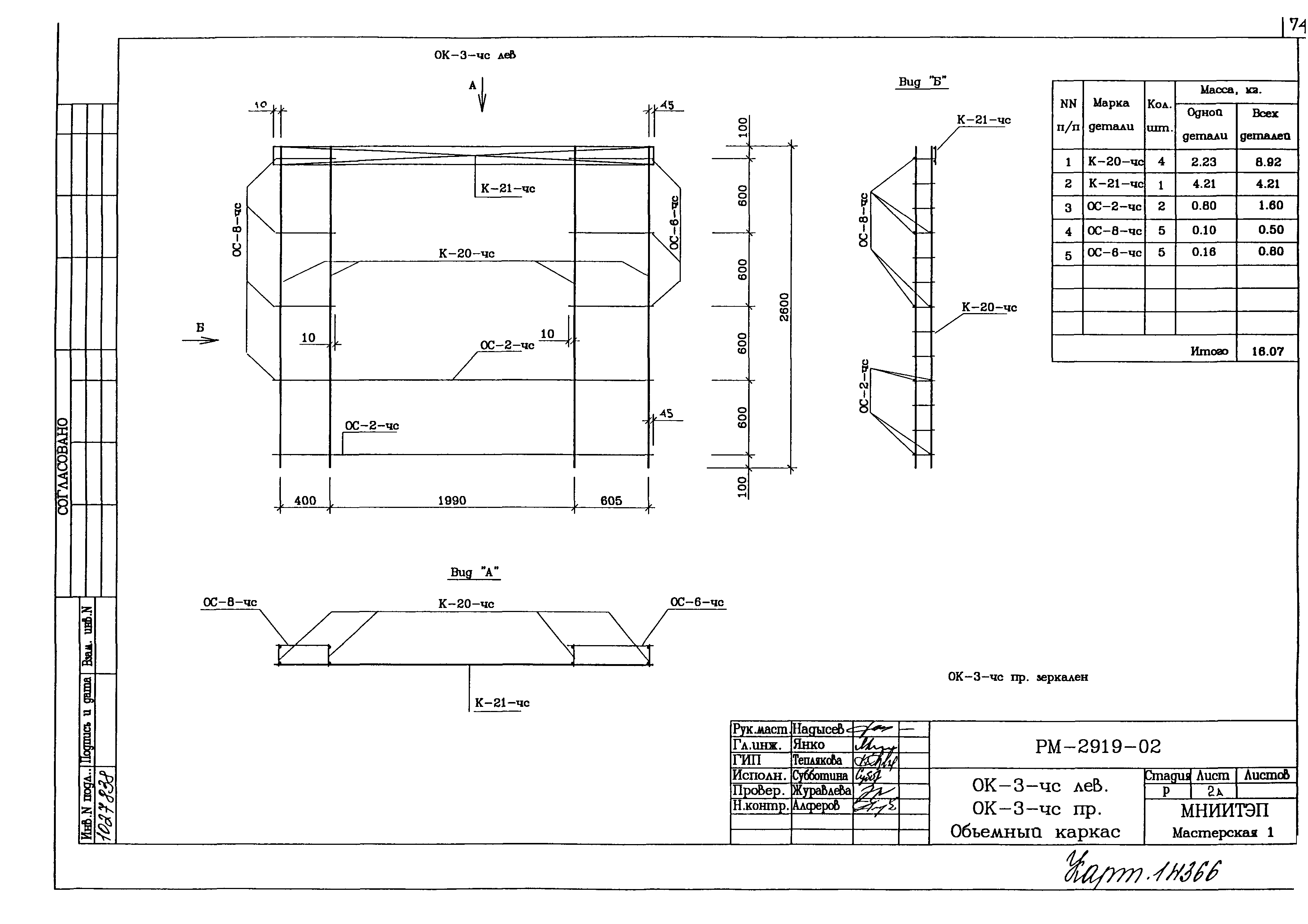
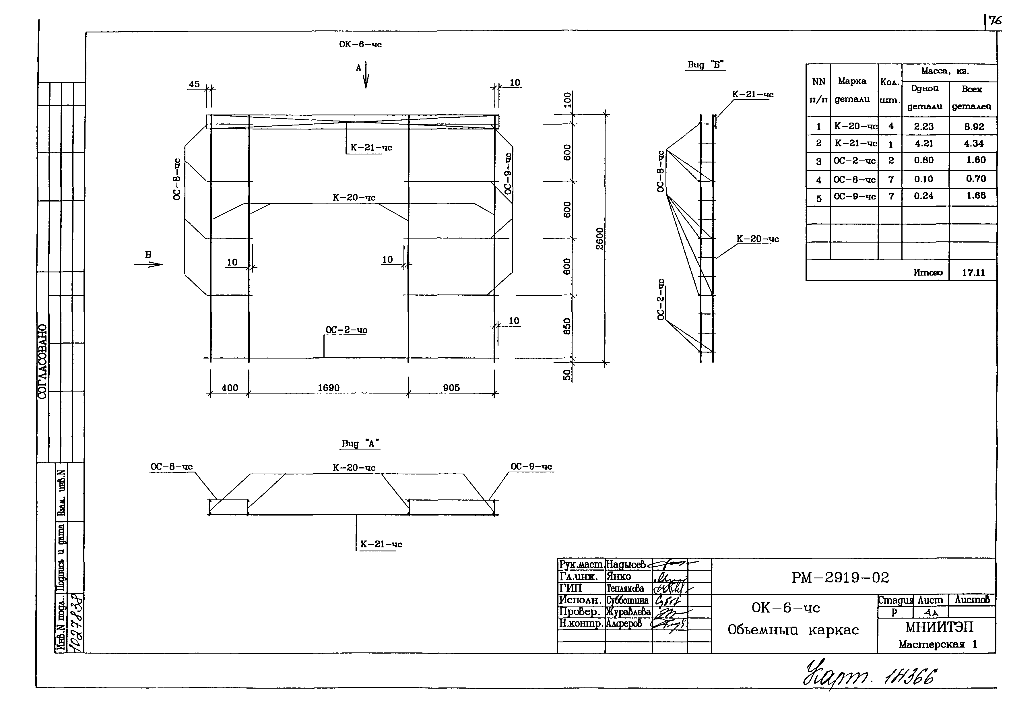
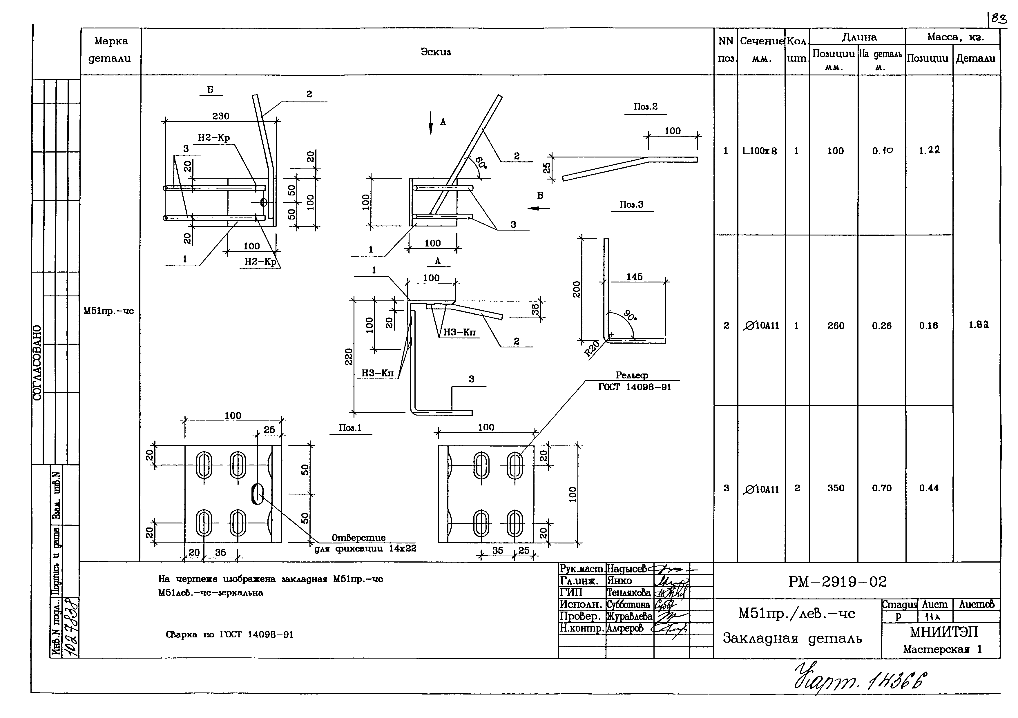
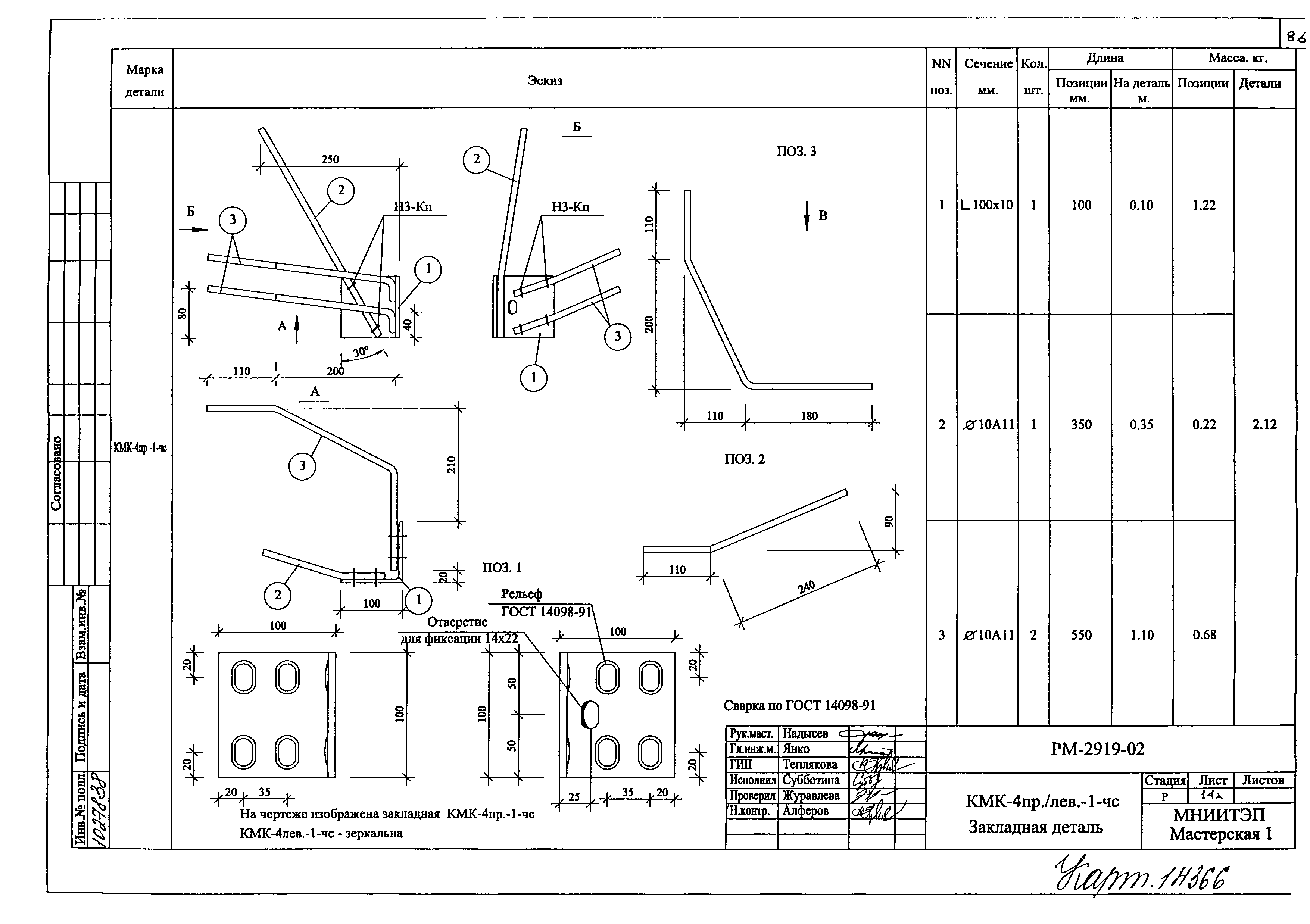
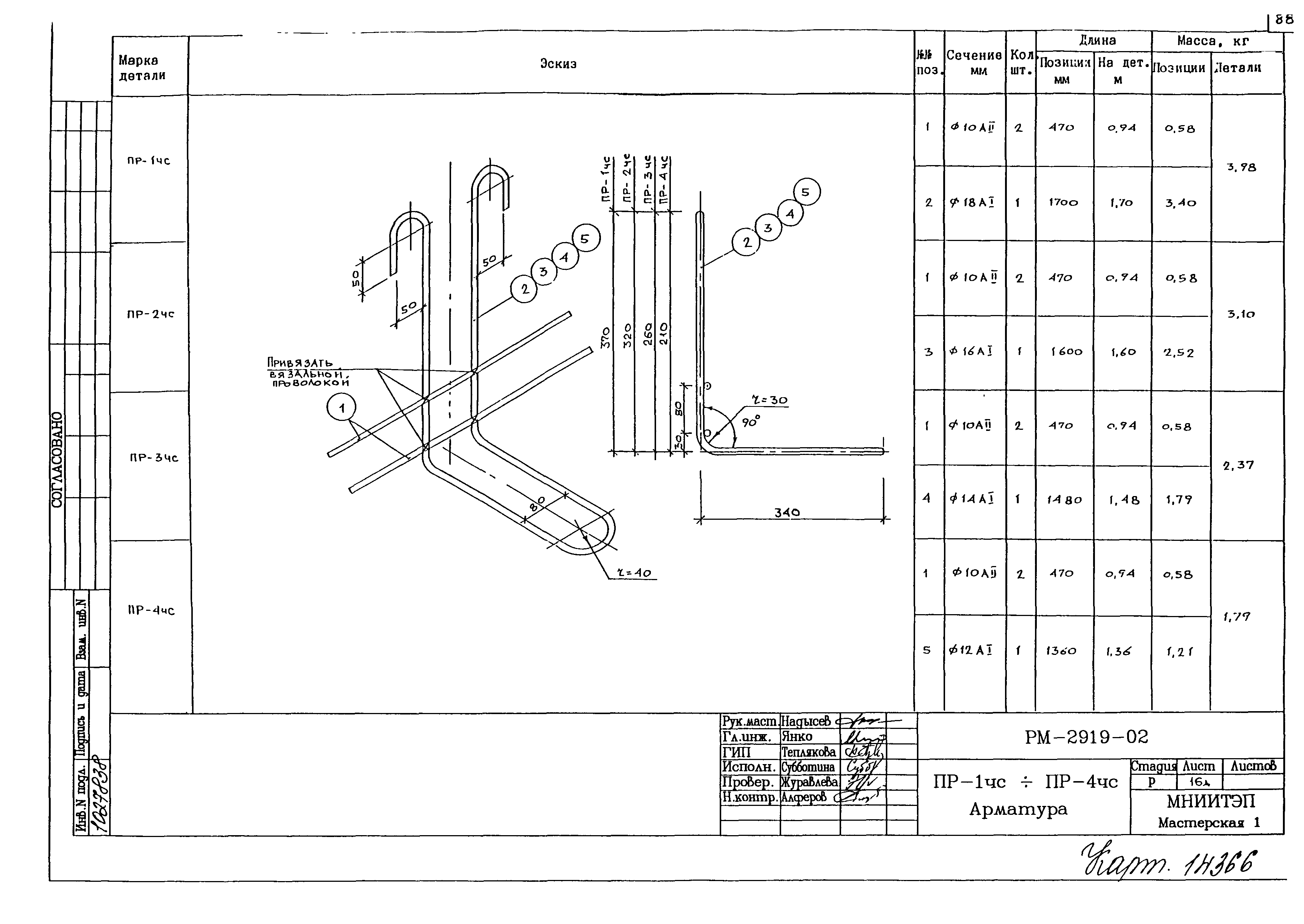
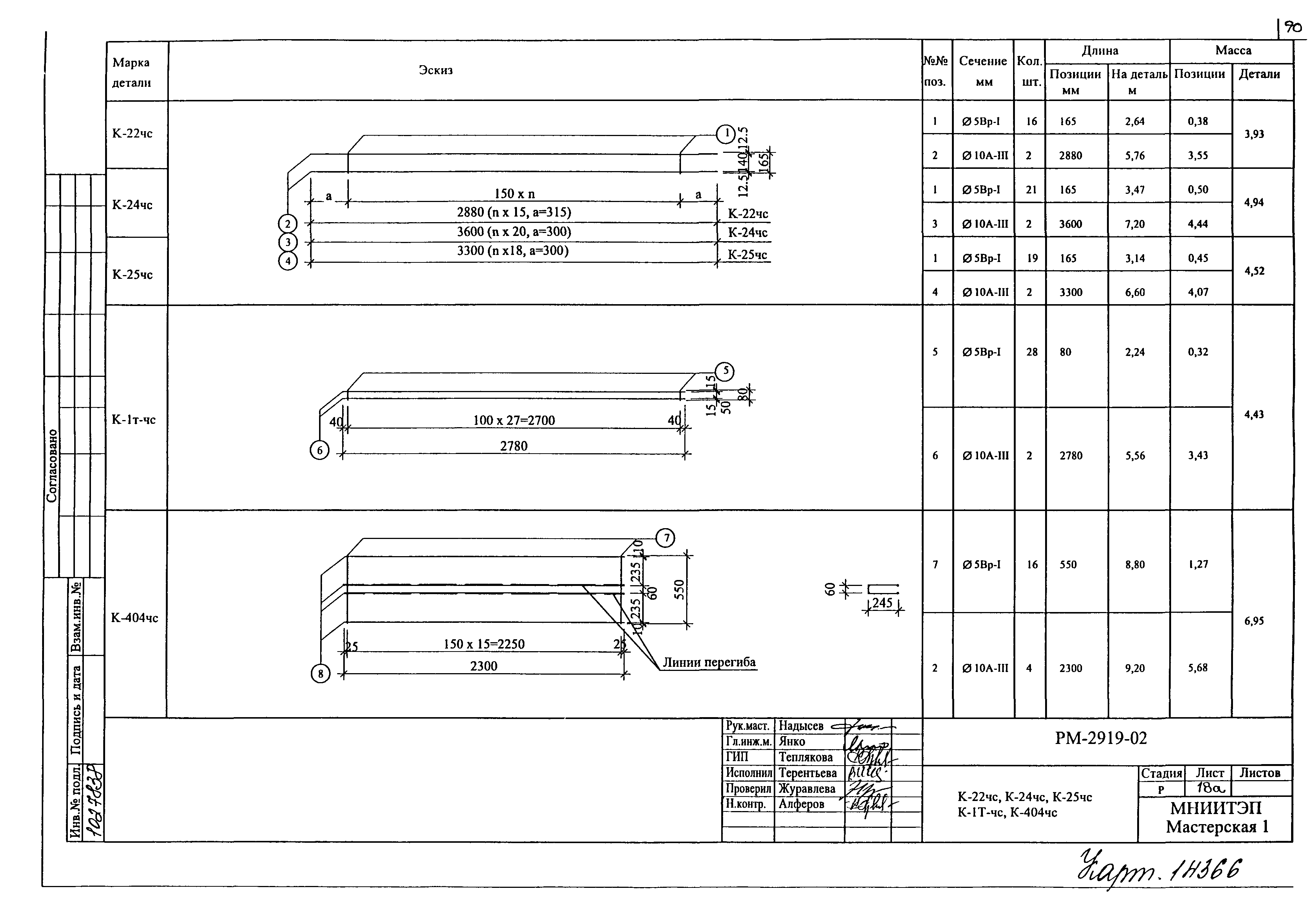
| Оглавление: | 1. Содержание 2. Пояснительная записка 3. Номенклатура изделий 4. Облицовка, общие виды, армирование, раскладка утеплителя 5. Узлы габаритные 6. Узлы арматурные 7. Арматура 8. Информационная карта |
| Разработан: | МНИИТЭП |
| Утверждён: | 20.05.2004 МНИИТЭП (MNIITEP 22-ТО) |


























































































