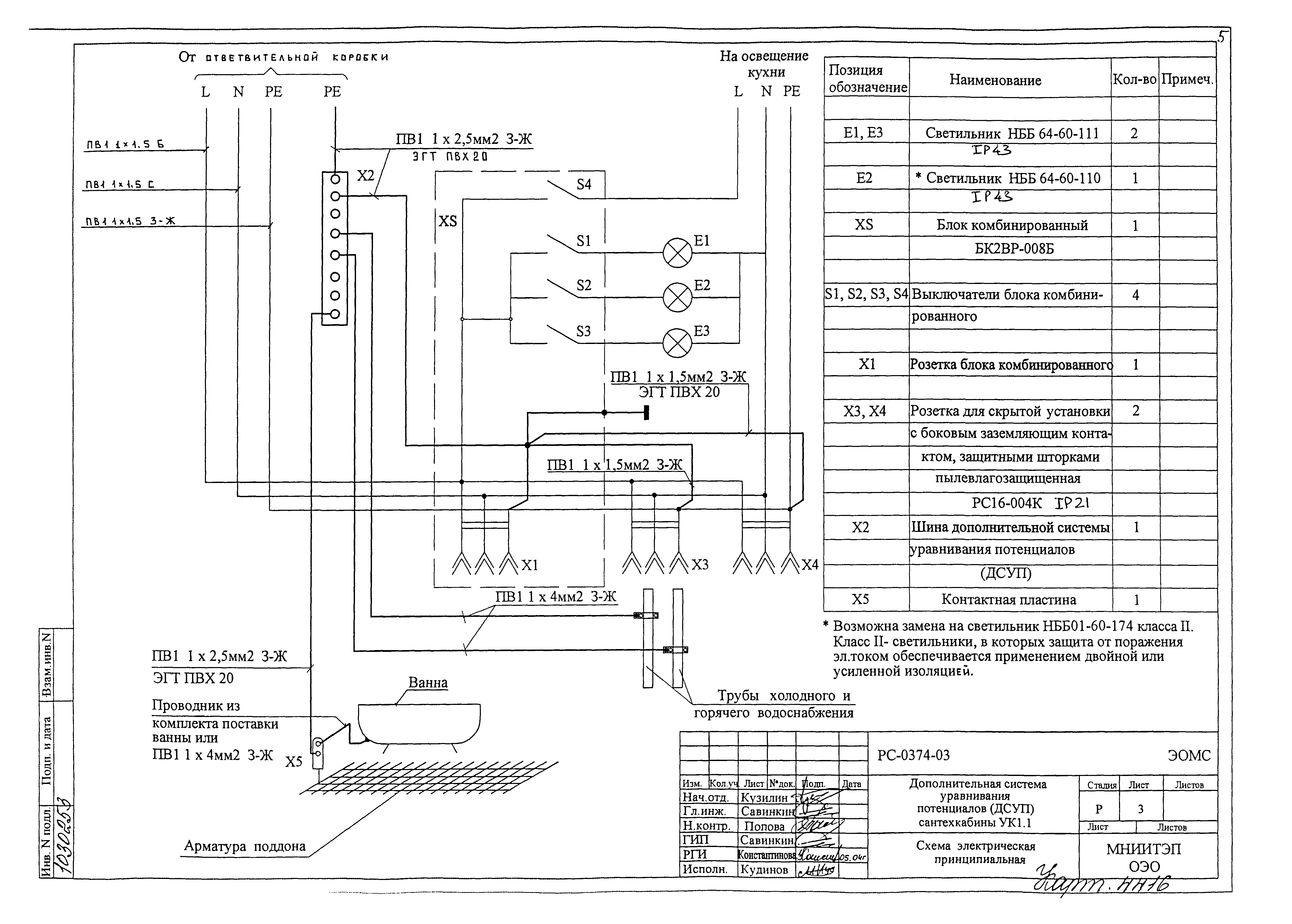
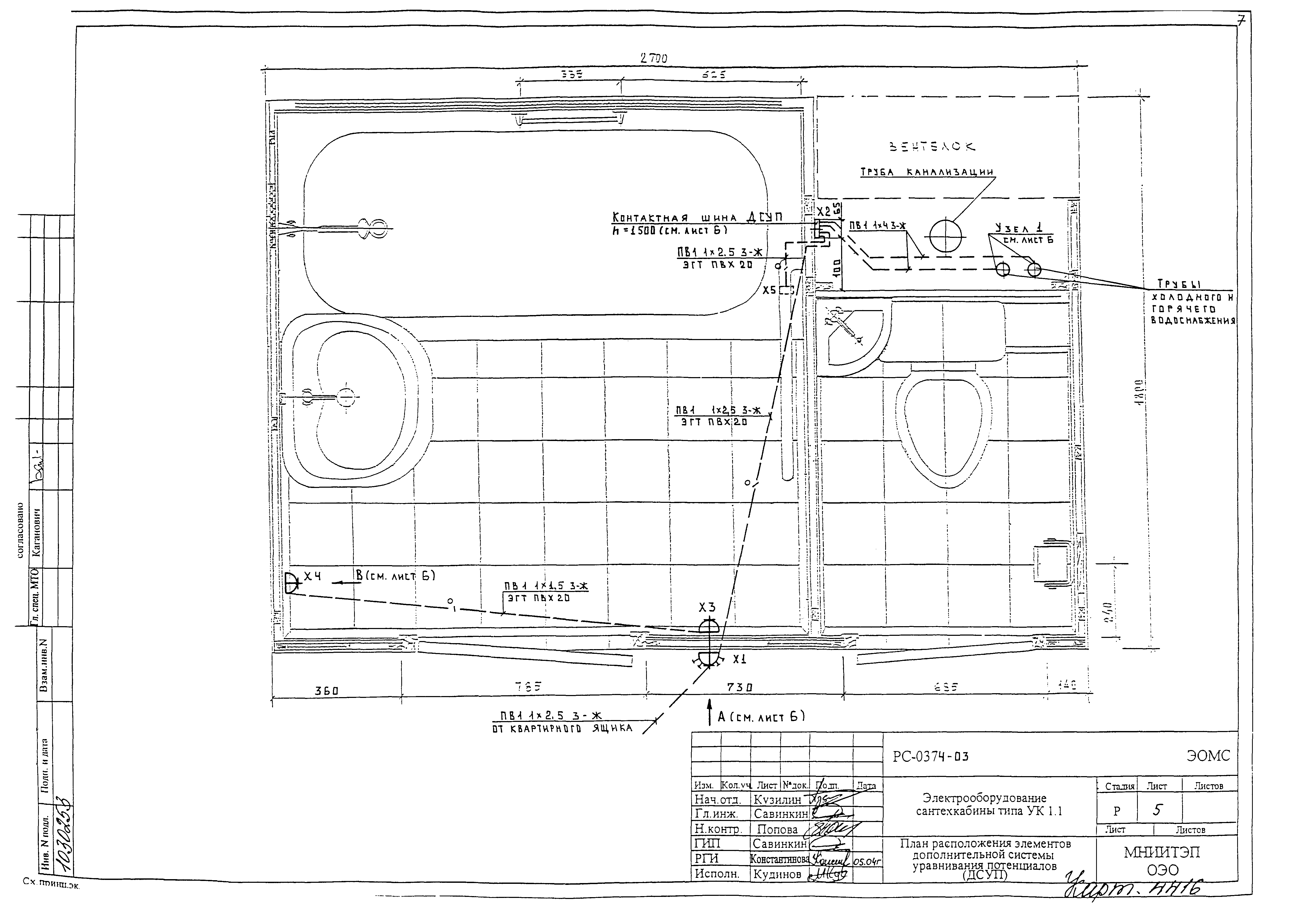
Скачать РС-0374-03 Кабина санитарно-техническая УК 1.1. Электрооборудование. Рабочие чертежиДата актуализации: 01.01.2021 РС-0374-03
Кабина санитарно-техническая УК 1.1. Электрооборудование. Рабочие чертежи| Обозначение: | РС-0374-03 | | Обозначение англ: | РС-0374-03 | | Статус: | не определен законодательством | | Название рус.: | Кабина санитарно-техническая УК 1.1. Электрооборудование. Рабочие чертежи | | Дата добавления в базу: | 01.09.2013 | | Дата актуализации: | 01.01.2021 | | Дата введения: | 24.06.2004 | | Разработан: | МНИИТЭП
| | Утверждён: | 24.06.2004 МНИИТЭП (MNIITEP 27-ТО)
| | Принят: | Даниловский завод Калибровский завод
|
        
|