Скачать Серия 1.411.1-2/91 Выпуск 2. Изделия арматурные. Рабочие чертежиДата актуализации: 01.01.2021
|
| Обозначение: | Серия 1.411.1-2/91 |
| Обозначение англ: | Series 1.411.1-2/91 |
| Статус: | не определен законодательством |
| Название рус.: | Выпуск 2. Изделия арматурные. Рабочие чертежи |
| Дата добавления в базу: | 01.09.2013 |
| Дата актуализации: | 01.01.2021 |
| Дата введения: | 01.10.1991 |
| Дата окончания срока действия: | 30.06.2003 |
| Область применения: | Выпуск 2 серии 1.411.1-2/91 содержит рабочие чертежи арматурных каркасов и сеток ростверков свайных фундаментов под железобетонные колонны многоэтажных производственных зданий, разработанных в выпуске 1 настоящей серии |
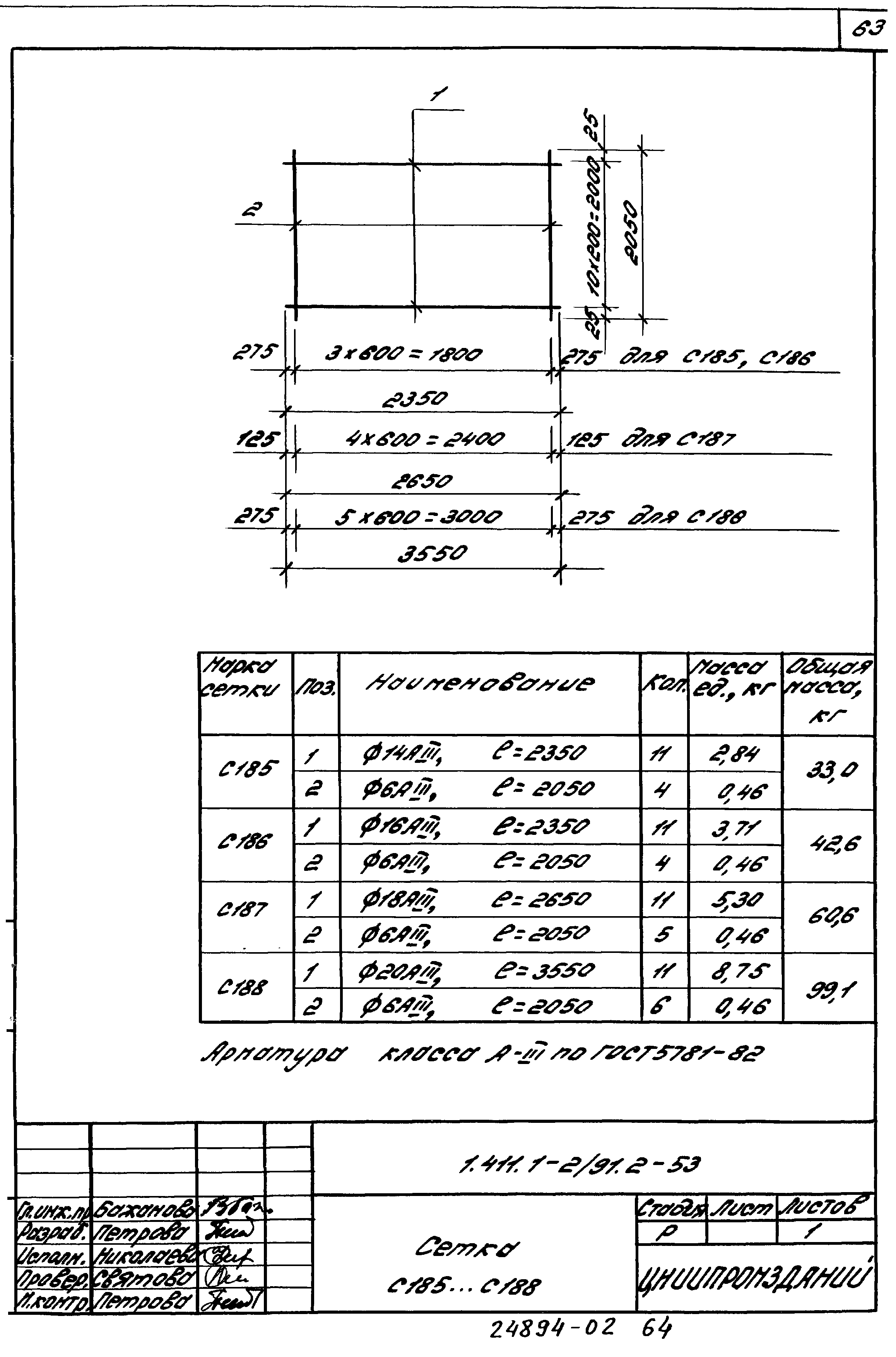
| Оглавление: | 1.411.1-2/91.2-ТТ Технические требования 1.411.1-2/91.2-1 Каркас КП1… КП6 1.411.1-2/91.2-2 Каркас КП7… КП10 1.411.1-2/91.2-3 Каркас КП11… КП14 1.411.1-2/91.2-4 Каркас КП15… КП20 1.411.1-2/91.2-5 Каркас КП21… КП26 1.411.1-2/91.2-6 Каркас КП27… КП32 1.411.1-2/91.2-7 Каркас КП33… КП38 1.411.1-2/91.2-8 Каркас КП39… КП44 1.411.1-2/91.2-9 Каркас КП45… КП50 1.411.1-2/91.2-10 Каркас КП51… КП57 1.411.1-2/91.2-11 Каркас КП58… КП63 1.411.1-2/91.2-12 Каркас КП64… КП69 1.411.1-2/91.2-13 Каркас КР1… КР7 1.411.1-2/91.2-14 Каркас КР8… КР16; КР31… КР33 1.411.1-2/91.2-15 Каркас КР17… КР22 1.411.1-2/91.2-16 Каркас КР23… КР30 1.411.1-2/91.2-17 Каркас КР34… КР40 1.411.1-2/91.2-18 Каркас КР41… КР46 1.411.1-2/91.2-19 Каркас КР47… КР52 1.411.1-2/91.2-20 Каркас С1-1, С2-1… С2-5 1.411.1-2/91.2-21 Каркас С1-1Т, С2-1Т… С2-5Т 1.411.1-2/91.2-22 Каркас СК1-1, СК2-1 1.411.1-2/91.2-23 Сетка С1... С7 1.411.1-2/91.2-24 Сетка С8... С14 1.411.1-2/91.2-25 Сетка С15... С25 1.411.1-2/91.2-26 Сетка С25... С33 1.411.1-2/91.2-27 Сетка С34... С39 1.411.1-2/91.2-28 Сетка С40... С47 1.411.1-2/91.2-29 Сетка С48... С55 1.411.1-2/91.2-30 Сетка С56... С60 1.411.1-2/91.2-31 Сетка С61… С67 1.411.1-2/91.2-32 Сетка С68… С72 1.411.1-2/91.2-33 Сетка С73… С77 1.411.1-2/91.2-34 Сетка С78… С82 1.411.1-2/91.2-35 Сетка С83… С87 1.411.1-2/91.2-36 Сетка С88; С164… С166 1.411.1-2/91.2-37 Сетка С89… С93; С167… С171 1.411.1-2/91.2-38 Сетка С94… С103 1.411.1-2/91.2-39 Сетка С104… С112 1.411.1-2/91.2-40 Сетка С113… С116 1.411.1-2/91.2-41 Сетка С117… С123; С172 1.411.1-2/91.2-42 Сетка С124… С130 1.411.1-2/91.2-43 Сетка С131… С135 1.411.1-2/91.2-44 Сетка С136… С139 1.411.1-2/91.2-45 Сетка С140… С147 1.411.1-2/91.2-46 Сетка С148… С151 1.411.1-2/91.2-47 Сетка С152… С157 1.411.1-2/91.2-48 Сетка С158… С163; С213 1.411.1-2/91.2-49 Сетка С173, С174 1.411.1-2/91.2-50 Сетка С175… С178 1.411.1-2/91.2-51 Сетка С179, С180 1.411.1-2/91.2-52 Сетка С181… С184 1.411.1-2/91.2-53 Сетка С185… С188 1.411.1-2/91.2-54 Сетка С189… С193 1.411.1-2/91.2-55 Сетка С194… С196 1.411.1-2/91.2-56 Сетка С197… С199 1.411.1-2/91.2-57 Сетка С200, С201; С210, С211; С212 1.411.1-2/91.2-58 Сетка С202… С204 1.411.1-2/91.2-59 Сетка С205… С207 1.411.1-2/91.2-60 Сетка С208, С209; С214, С215 |
| Разработан: | ЦНИИпромзданий Институт Фундаментпроект Госстроя СССР |
| Утверждён: | 15.05.1990 Главпроект Госстроя России |
| Издан: | АПП ЦИТП (1991 г. ) |
| Нормативные ссылки: |
|






































































