Скачать Серия 1.411.1-2/91 Выпуск 4. Фундаменты под связевые колонны. Изделия арматурные и закладные. Рабочие чертежиДата актуализации: 01.01.2021
|
| Обозначение: | Серия 1.411.1-2/91 |
| Обозначение англ: | Series 1.411.1-2/91 |
| Статус: | не определен законодательством |
| Название рус.: | Выпуск 4. Фундаменты под связевые колонны. Изделия арматурные и закладные. Рабочие чертежи |
| Дата добавления в базу: | 01.09.2013 |
| Дата актуализации: | 01.01.2021 |
| Дата введения: | 01.03.1992 |
| Дата окончания срока действия: | 30.06.2003 |
| Область применения: | Выпуск 4 серии 1.411.1-2/91 содержит рабочие чертежи арматурных и закладных изделий ростверков свайных фундаментов под связевые колонны (устои) многоэтажных производственных зданий, разработанных в выпуске 3 настоящей серии |
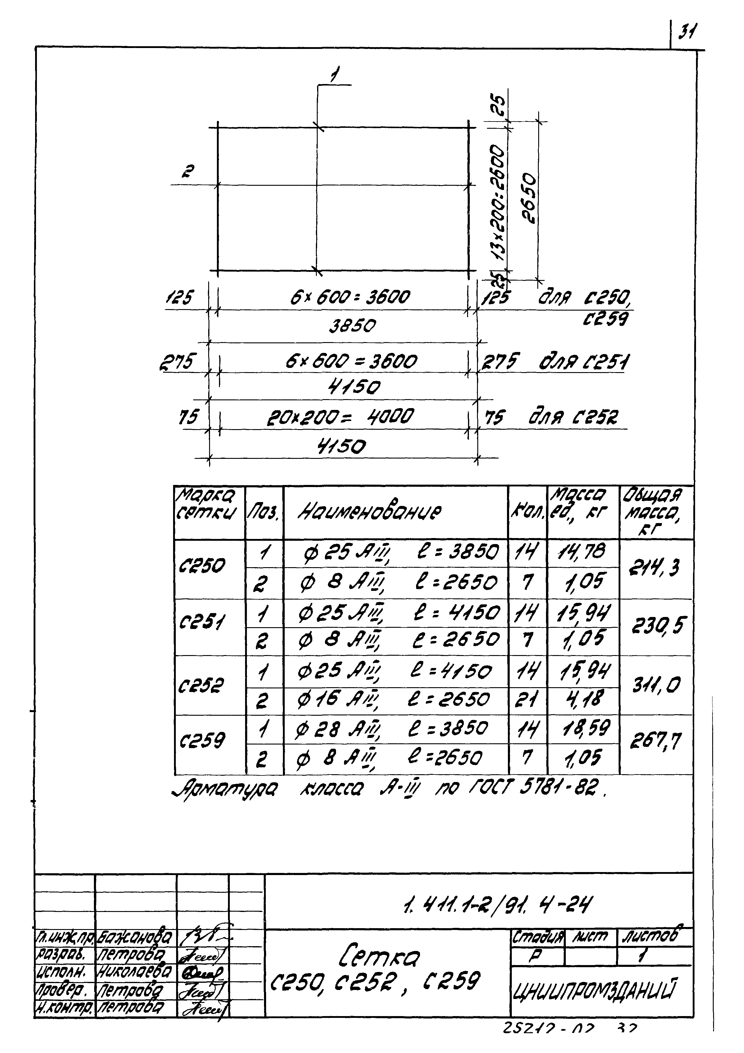
| Оглавление: | 1.411.1-2/91.4-ТТ Технические требования 1.411.1-2/91.4-1 Каркас КП7, КП10 КП11, КП14, КП15, КП18, КП21, КП24, КП27, КП30, КП33, КП36 1.411.1-2/91.4-2 Каркас КП70… КП76 1.411.1-2/91.4-3 Каркас КП77… КП88 1.411.1-2/91.4-4 Каркас КП89… КП94 1.411.1-2/91.4-5 Каркас КП95… КП100 1.411.1-2/91.4-6 Каркас КР1… КР6 1.411.1-2/91.4-7 Каркас КР8, КР9, КР11, КР12, КР14, КР15 1.411.1-2/91.4-8 Каркас КР17… КР22, КР53 1.411.1-2/91.4-9 Каркас КР23… КР30, КР54… КР57 1.411.1-2/91.4-10 Каркас КР58… КР63 1.411.1-2/91.4-11 Сетка С1-2 1.411.1-2/91.4-12 Сетка С1-3, С1-4 1.411.1-2/91.4-13 Сетка С2-6… С2-9 1.411.1-2/91.4-14 Сетка СК1-2, СК2-2 1.411.1-2/91.4-15 Сетка С220, С225, С228 1.411.1-2/91.4-16 Сетка С217, С256 1.411.1-2/91.4-17 Сетка С216, С218, С219 1.411.1-2/91.4-18 Сетка С221… С224 1.411.1-2/91.4-19 Сетка С226… С227, С229… С231 1.411.1-2/91.4-20 Сетка С232… С235 1.411.1-2/91.4-21 Сетка С236… С240, С257, С258 1.411.1-2/91.4-22 Сетка С241… С244 1.411.1-2/91.4-23 Сетка С245… С249, С260 1.411.1-2/91.4-24 Сетка С250… С252, С259 1.411.1-2/91.4-25 Сетка С253, С254 1.411.1-2/91.4-26 Сетка С255 1.411.1-2/91.4-27 Изделие закладное МН1 1.411.1-2/91.4-2 Изделие закладное МН2… МН4 |
| Разработан: | ЦНИИпромзданий |
| Утверждён: | 12.09.1991 Главпроект Госстроя СССР (5/4-16) |
| Издан: | АПП ЦИТП (1991 г. ) |
| Нормативные ссылки: |
|


































