Скачать Серия 1.412.1-7 Выпуск 1. Арматурные и закладные изделия. Рабочие чертежиДата актуализации: 01.01.2021
|
| Обозначение: | Серия 1.412.1-7 |
| Обозначение англ: | Series 1.412.1-7 |
| Статус: | не определен законодательством |
| Название рус.: | Выпуск 1. Арматурные и закладные изделия. Рабочие чертежи |
| Дата добавления в базу: | 01.09.2013 |
| Дата актуализации: | 01.01.2021 |
| Дата введения: | 01.09.1989 |
| Дата окончания срока действия: | 30.06.2003 |
| Область применения: | Настоящий выпуск 1 серии 1.412.1-7 содержит рабочие чертежи сварных сеток вертикального и горизонтального армирования подколонников, закладных изделий, предназначенных для применения в монолитных железобетонных фундаментах на естественном основании под колонны фахверка перегородок |
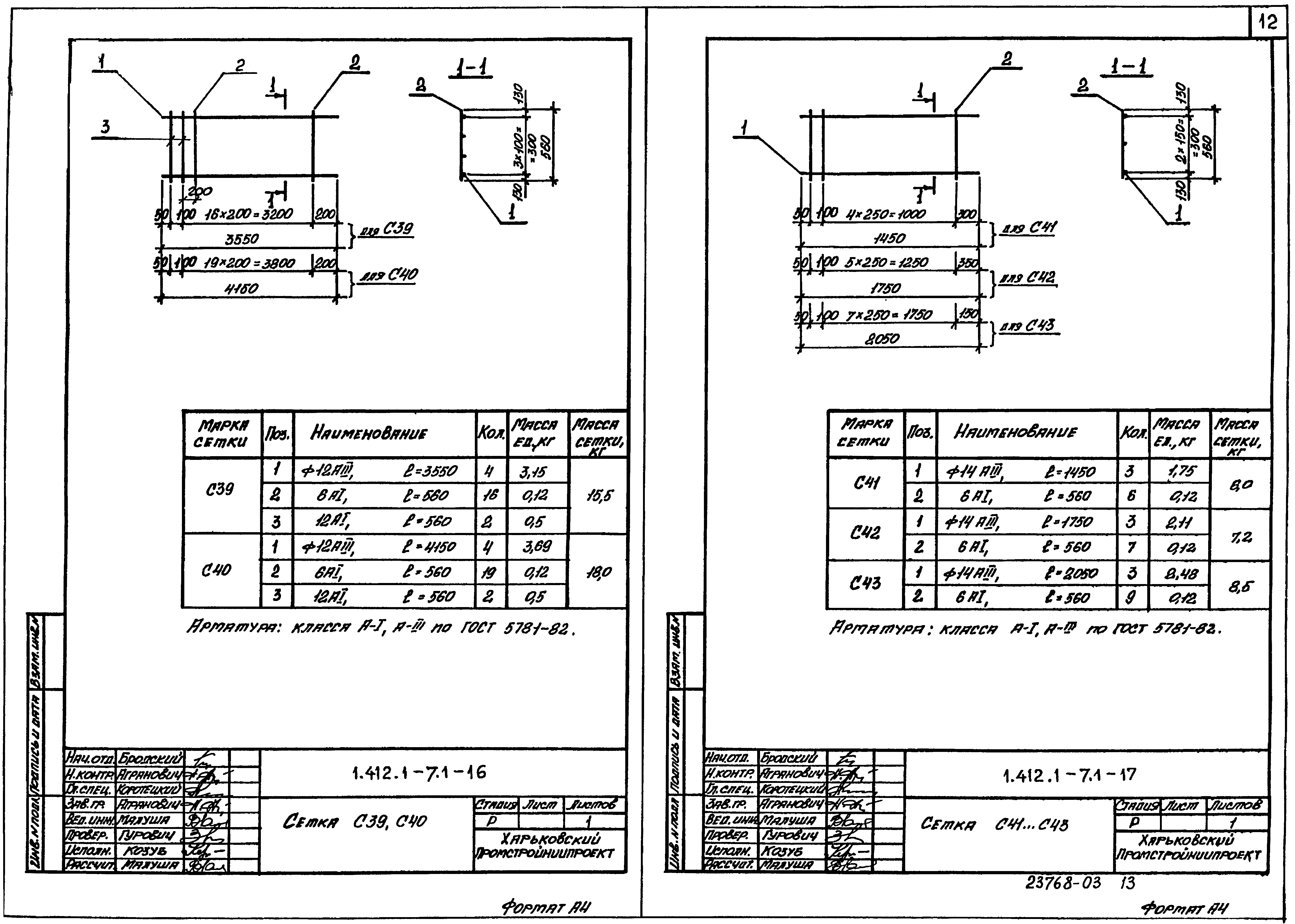
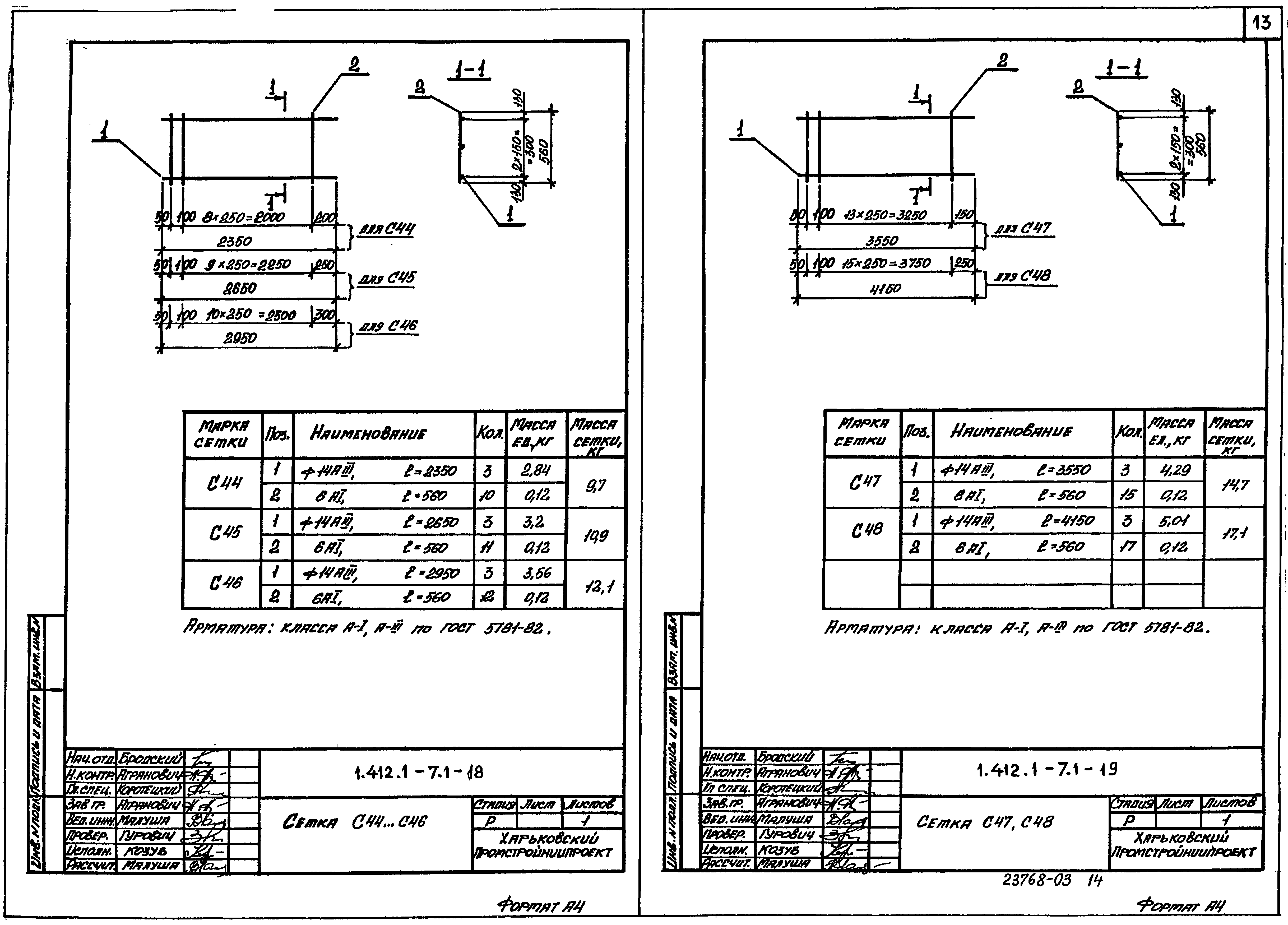
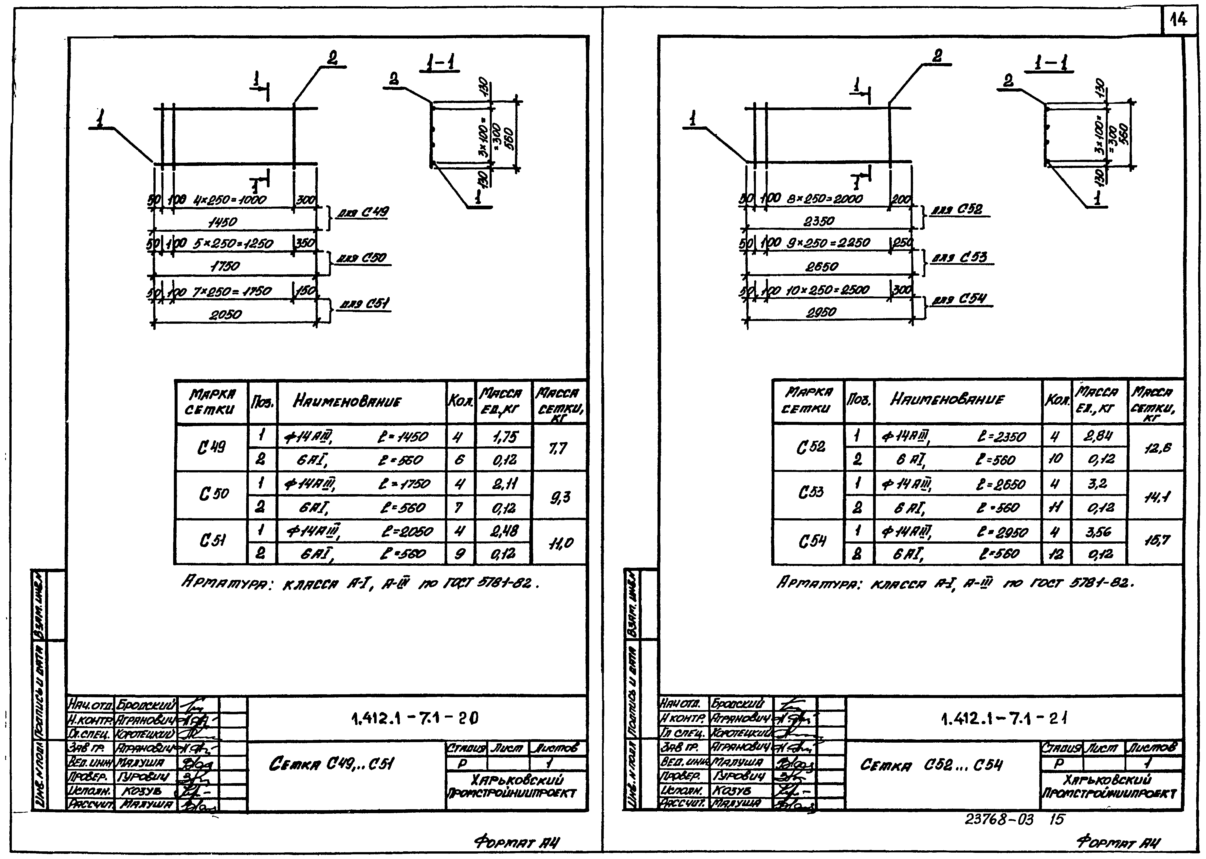
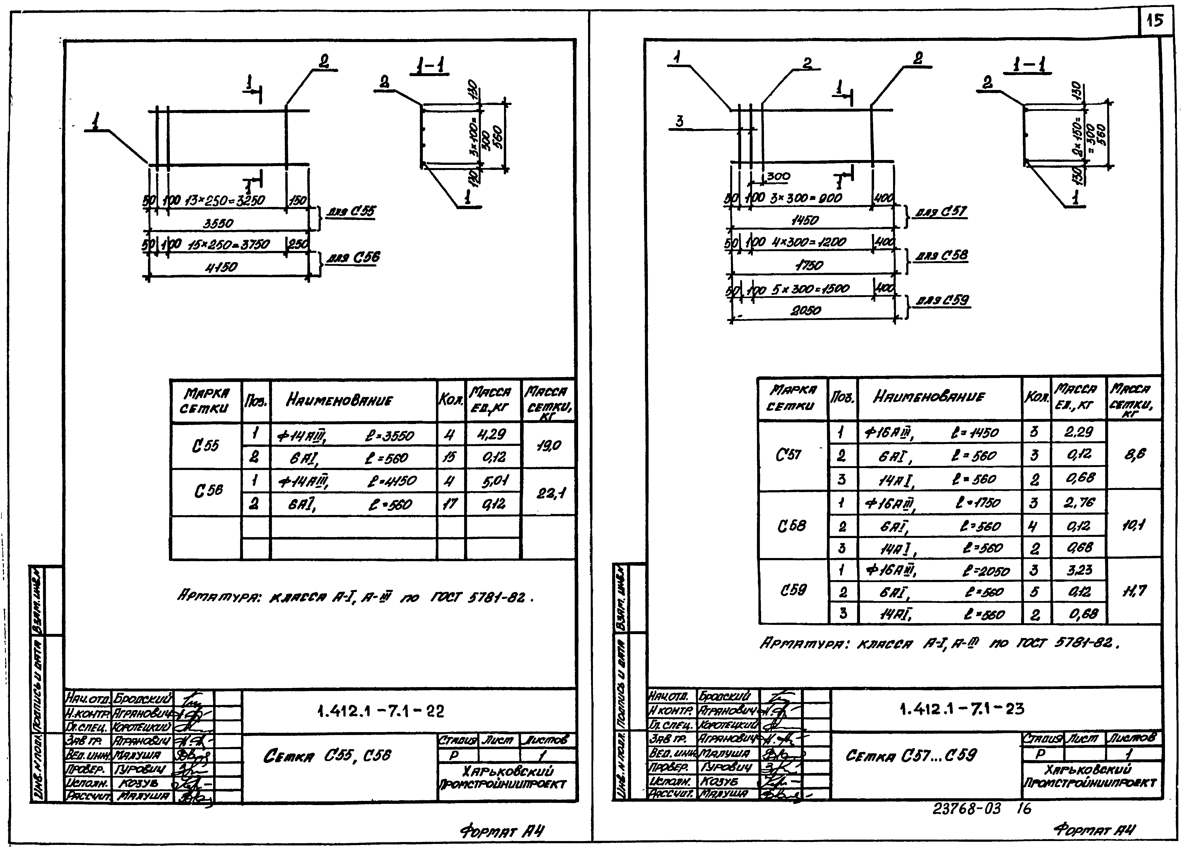
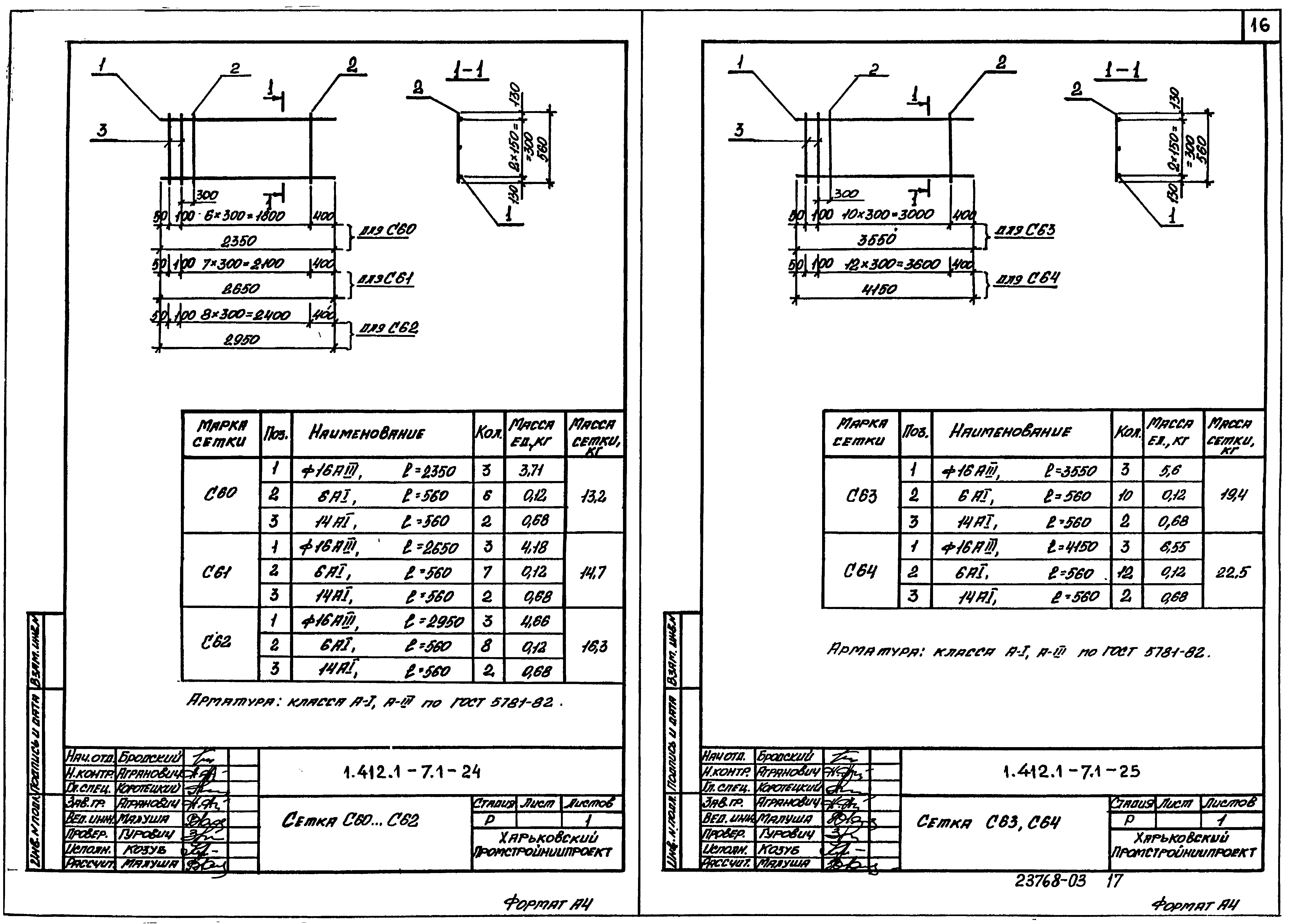
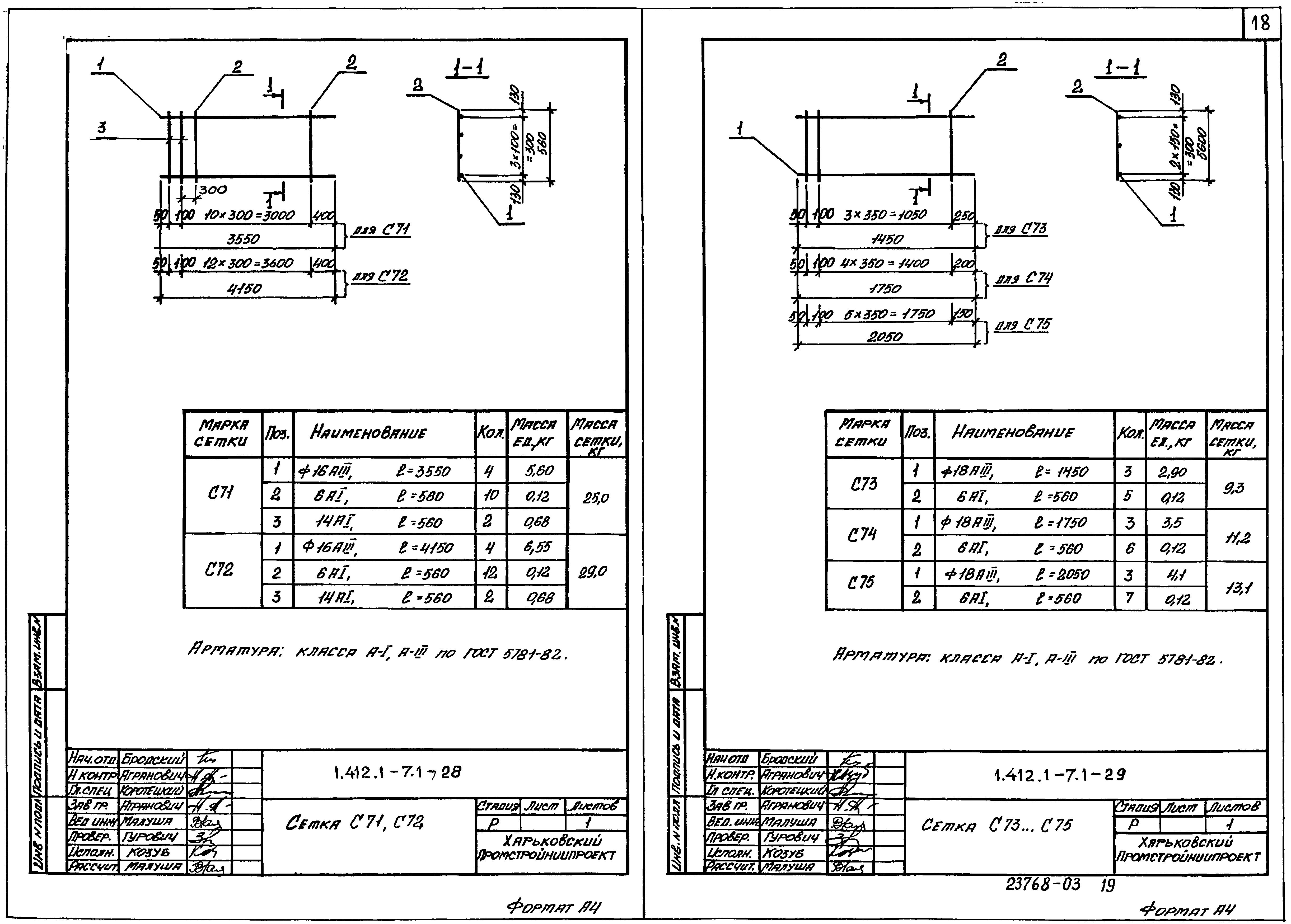
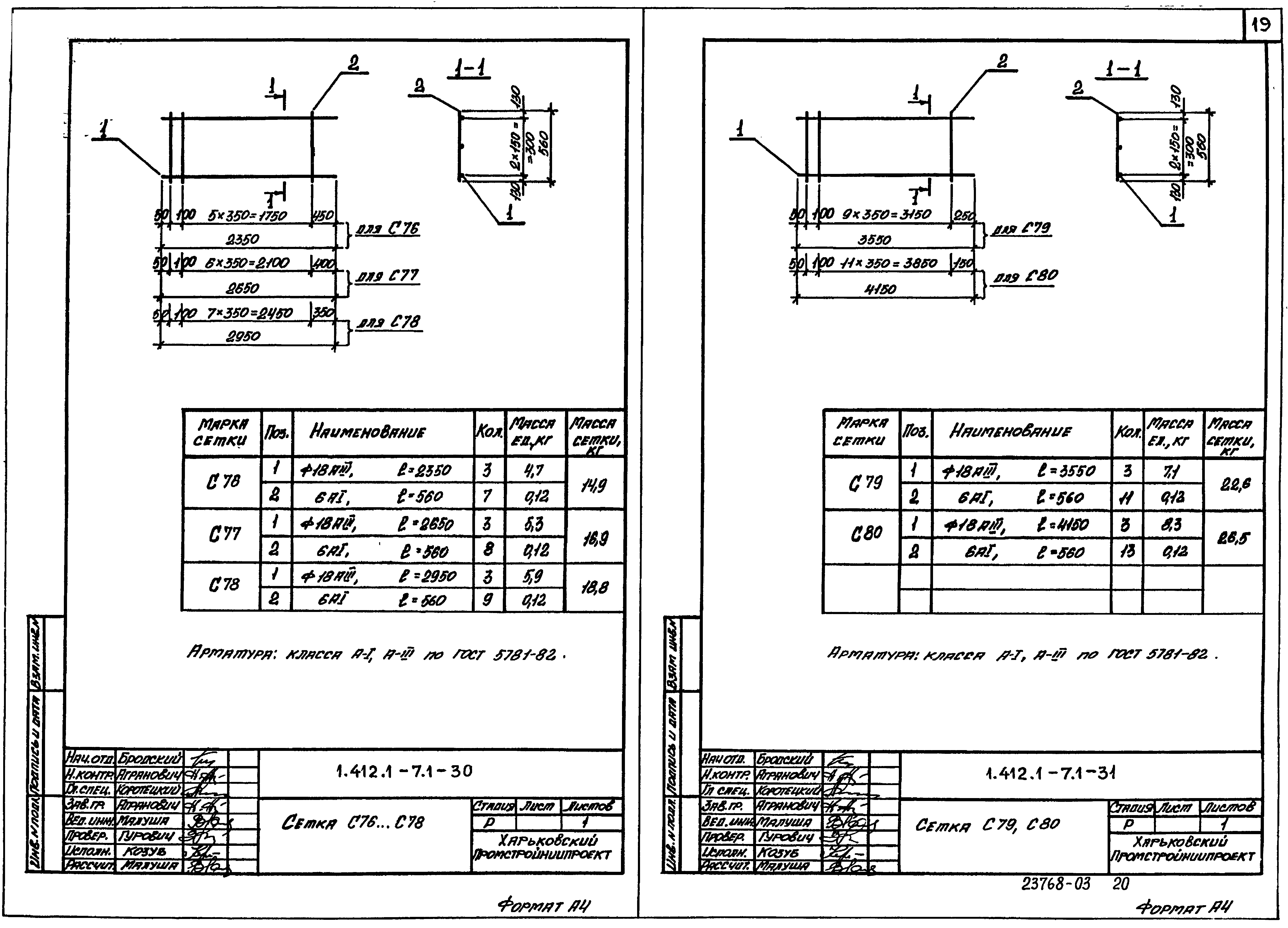
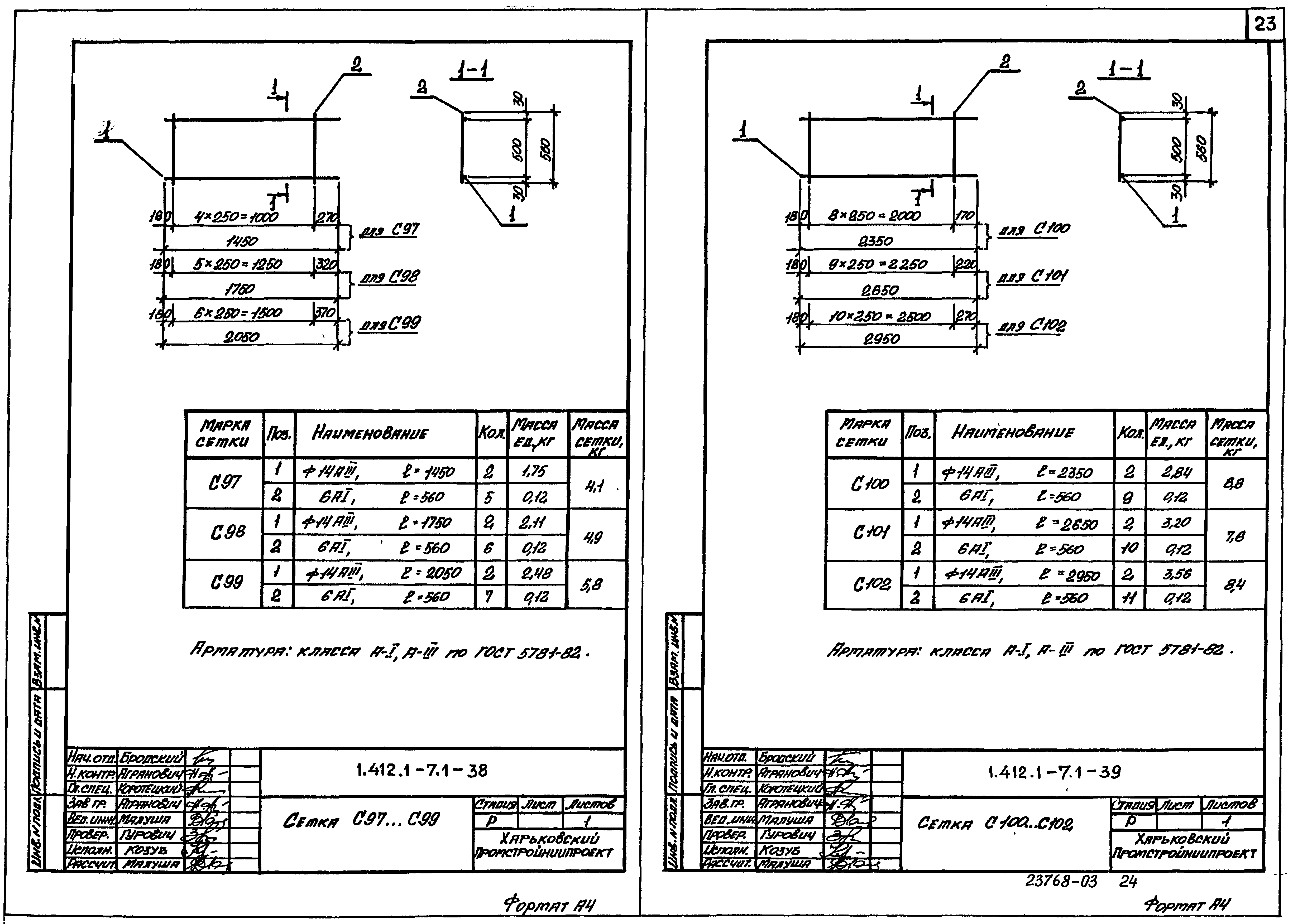
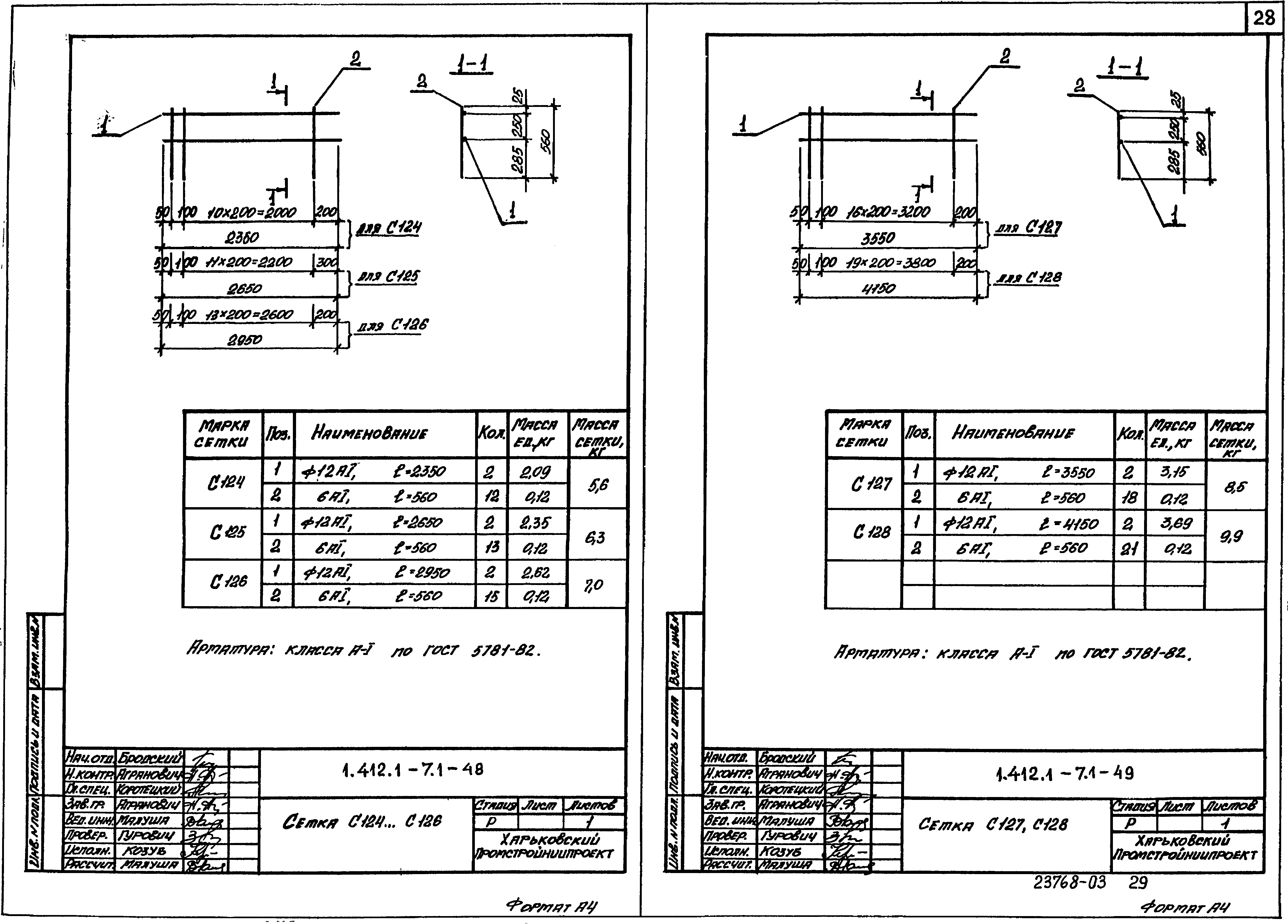
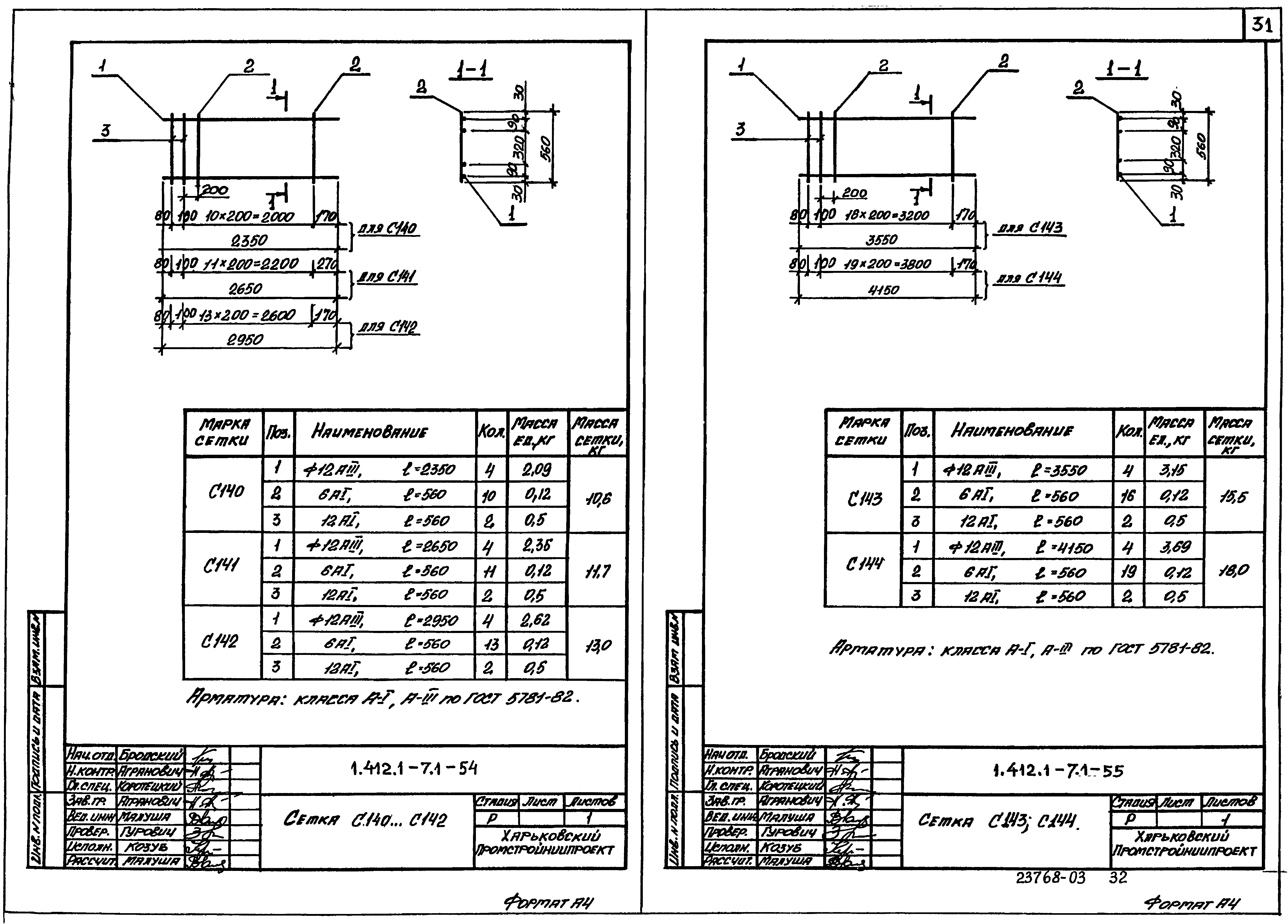
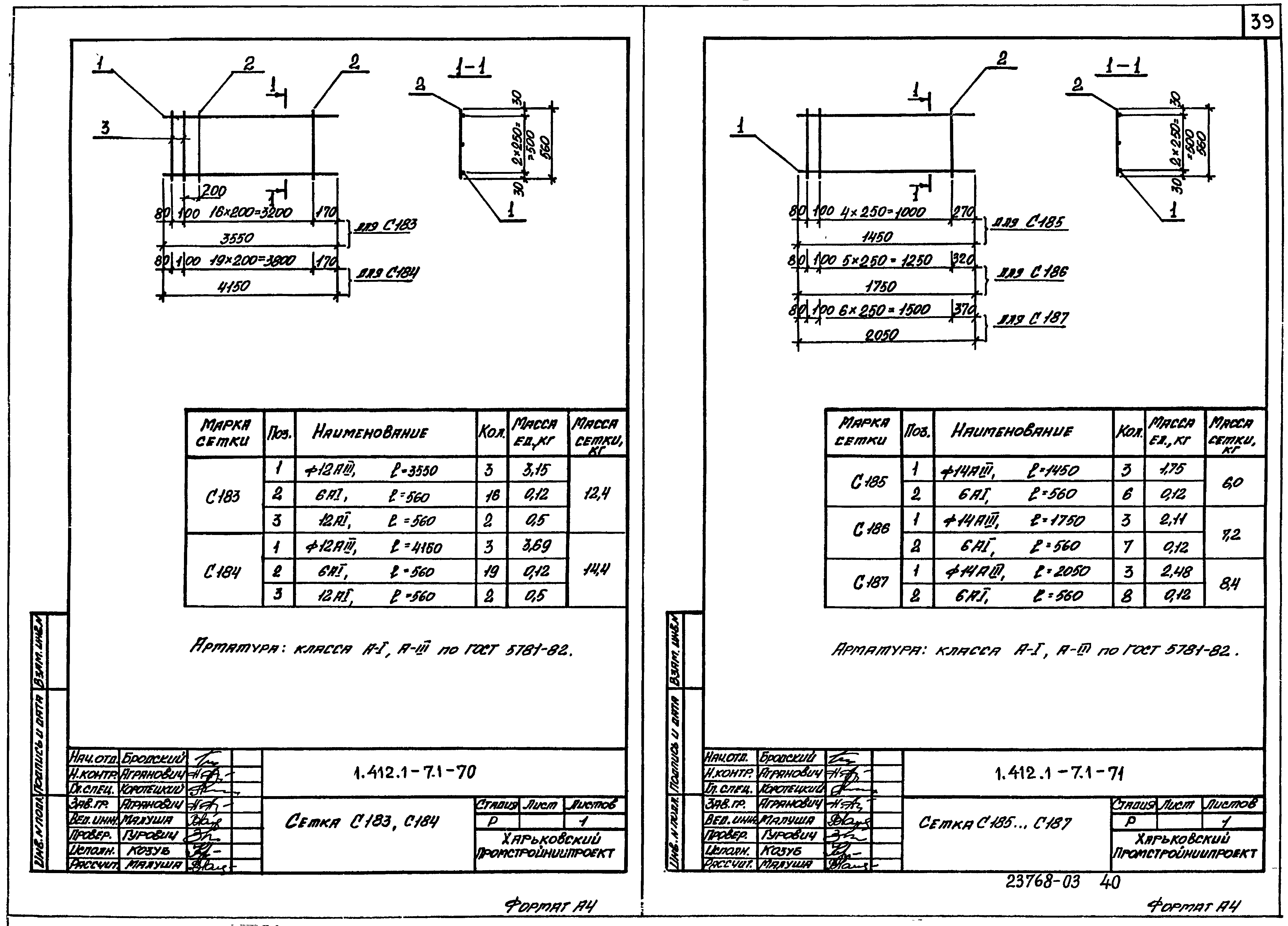
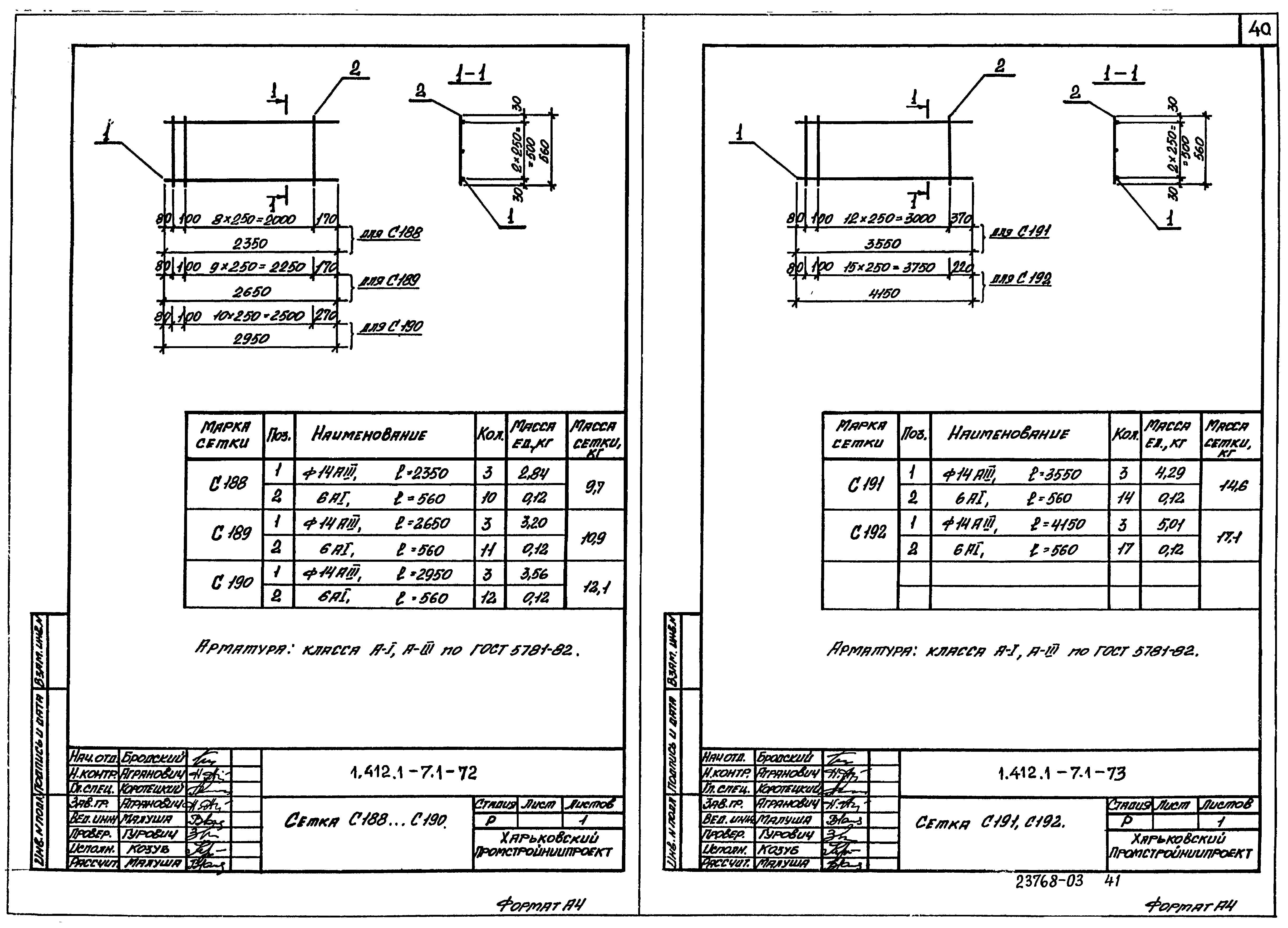
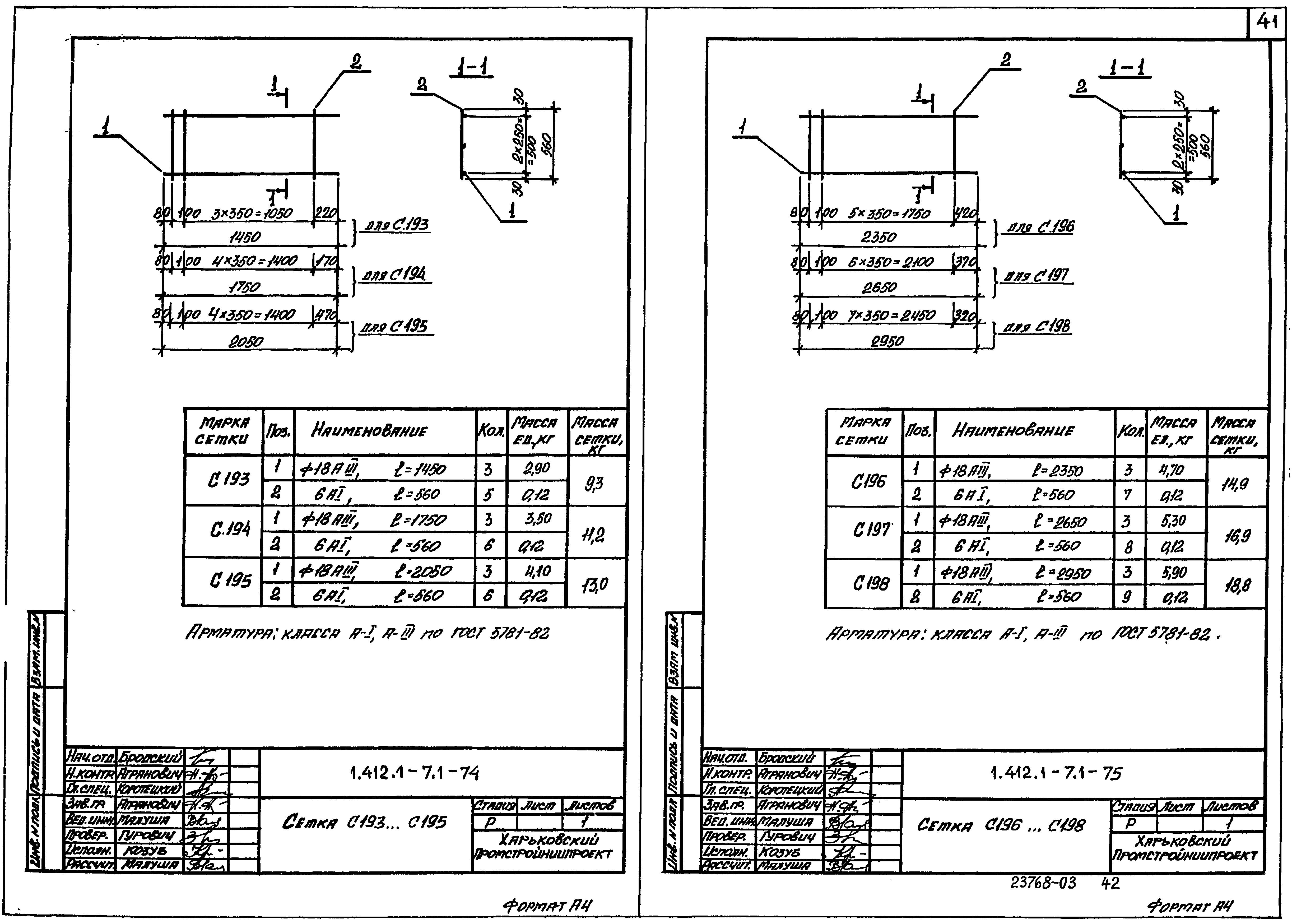
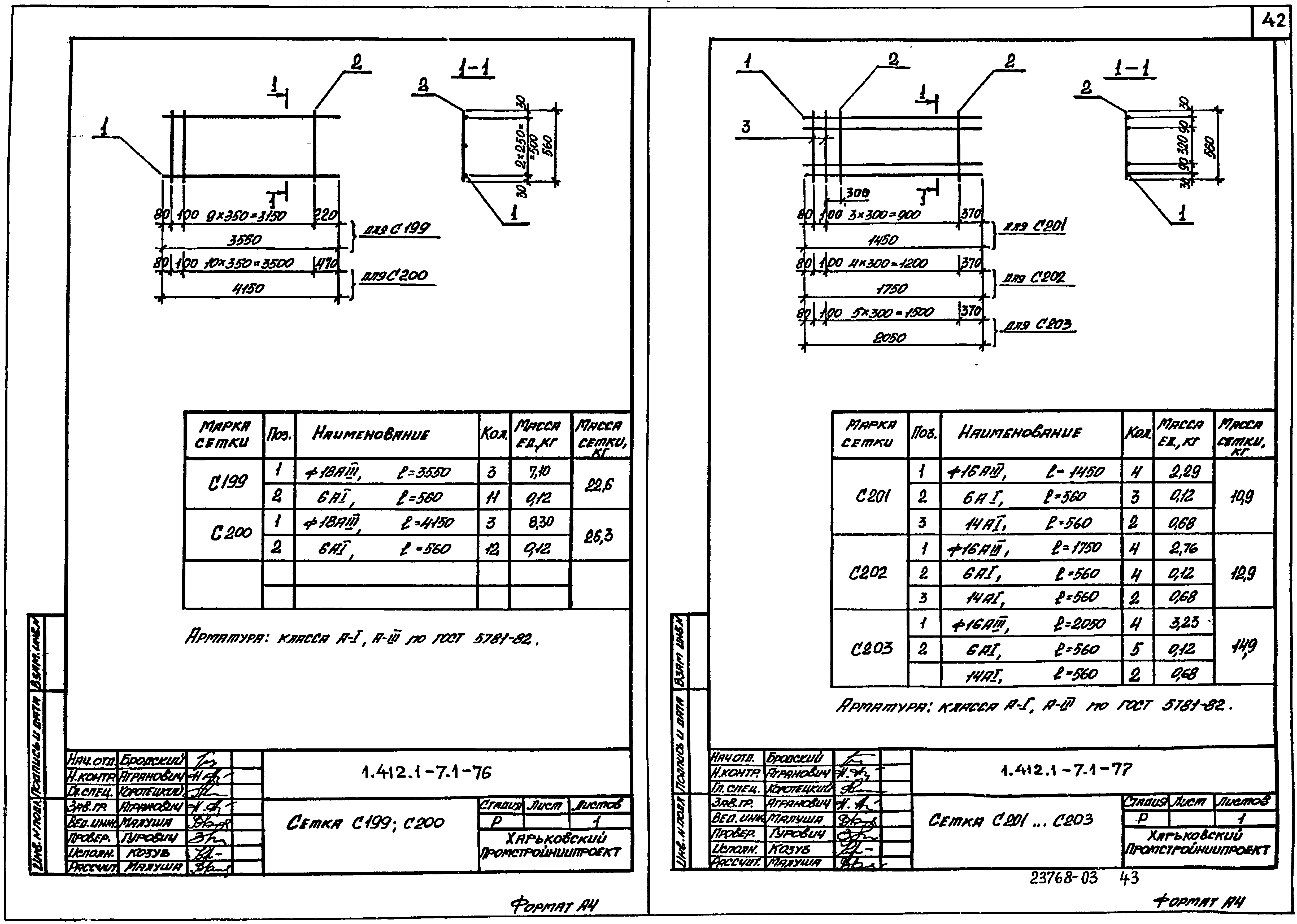
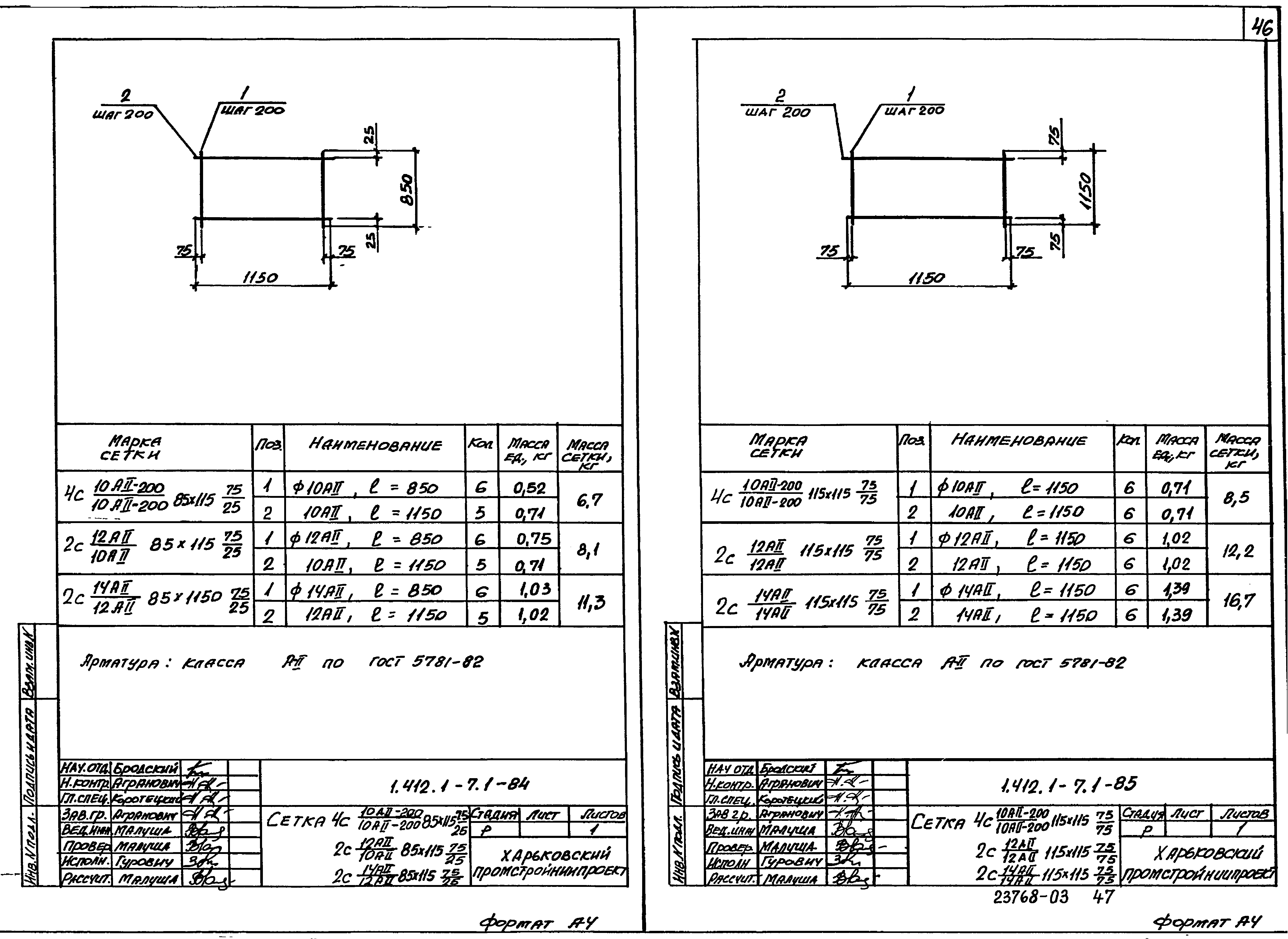
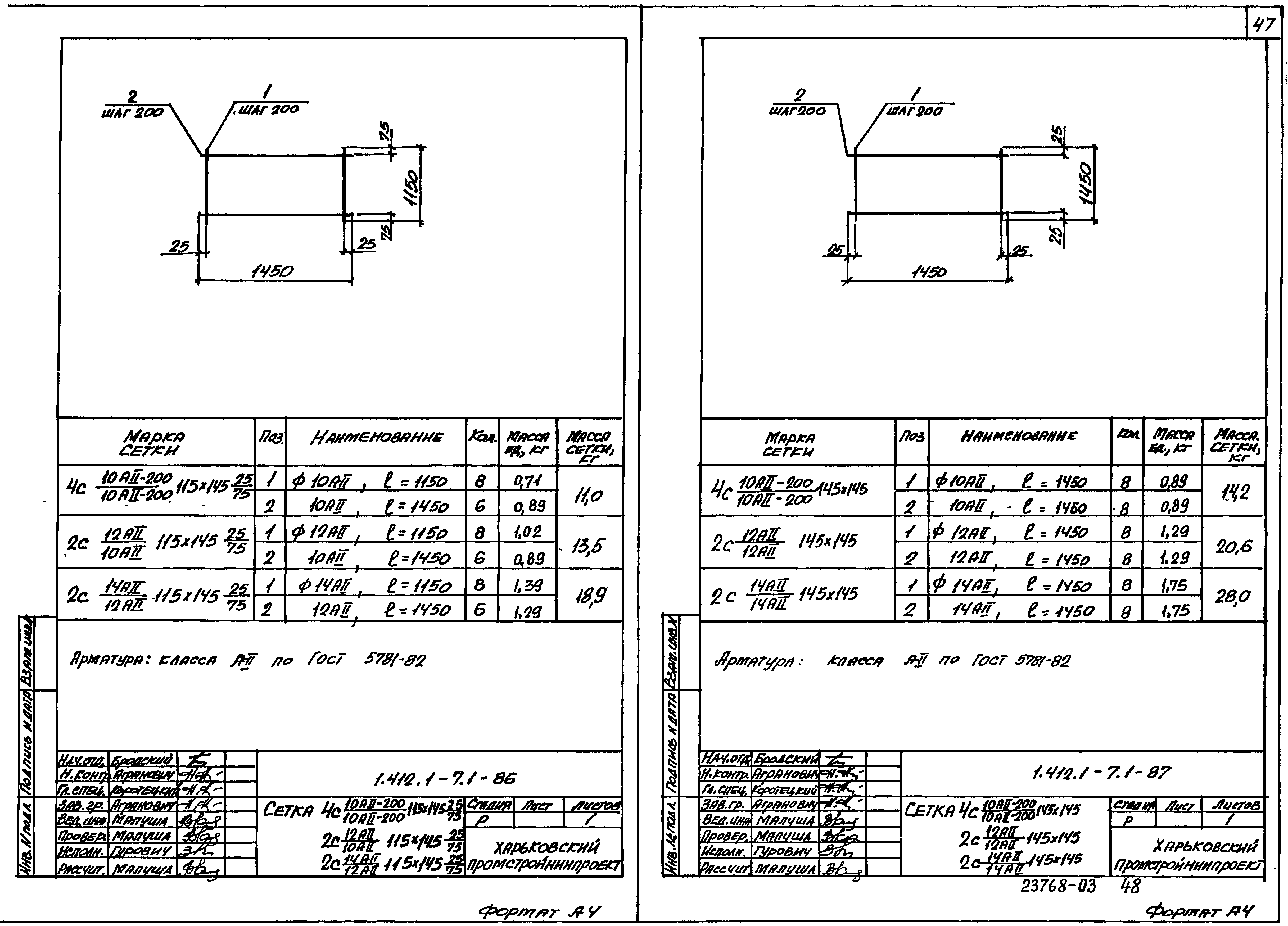
| Оглавление: | 1.412.1-7.1-43 Сетка С111, С112 1.412.1-7.1-44 Сетка С113… С115 1.412.1-7.1-45 Сетка С116… С118 1.412.1-7.1-46 Сетка С119, С120 1.412.1-7.1-47 Сетка С121… С123 1.412.1-7.1-48 Сетка С124… С126 1.412.1-7.1-49 Сетка С127, С128 1.412.1-7.1-50 Сетка С129… С131 1.412.1-7.1-51 Сетка С132… С134 1.412.1-7.1-52 Сетка С135, С136 1.412.1-7.1-53 Сетка С137… С139 1.412.1-7.1-54 Сетка С140… С142 1.412.1-7.1-55 Сетка С143, С144 1.412.1-7.1-56 Сетка С145… С147 1.412.1-7.1-57 Сетка С148… С150 1.412.1-7.1-58 Сетка С151, С152 1.412.1-7.1-59 Сетка С153… С155 1.412.1-7.1-60 Сетка С156… С158 1.412.1-7.1-61 Сетка С159, С160 1.412.1-7.1-62 Сетка С161… С163 1.412.1-7.1-63 Сетка С164… С166 1.412.1-7.1-64 Сетка С167, С168 1.412.1-7.1-65 Сетка С169… С171 1.412.1-7.1-66 Сетка С172… С173 1.412.1-7.1-67 Сетка С175, С176 1.412.1-7.1-68 Сетка С177… С179 1.412.1-7.1-69 Сетка С180… С182 1.412.1-7.1-70 Сетка С183, С184 1.412.1-7.1-71 Сетка С185… С187 1.412.1-7.1-72 Сетка С188… С190 1.412.1-7.1-73 Сетка С191, С192 1.412.1-7.1-74 Сетка С193… С195 1.412.1-7.1-75 Сетка С196… С198 1.412.1-7.1-76 Сетка С199… С200 1.412.1-7.1-77 Сетка С201… С203 1.412.1-7.1-78 Сетка С204… С206 1.412.1-7.1-79 Сетка С207, С208 1.412.1-7.1-80 Сетка С209… С211 1.412.1-7.1-81 Сетка С212… С214 1.412.1-7.1-82 Сетка С215… С216 1.412.1-7.1-83 Сетка С217 1.412.1-7.1-84 Сетка 4с (10АII-200/10АII-200)85х115(75/25); 2с (12АII/10АII)85х115(75/25); 2с (14АII/12АII)85х115(75/25) 1.412.1-7.1-85 Сетка 4с (10АII-200/10АII-200)115х115(75/25); 2с (12АII/12АII)115х115(75/75); 2с (14АII/14АII)115х115(75/75) 1.412.1-7.1-86 Сетка 4с (10АII-200/10АII-200)115х145(25/75); 2с (12АII/10АII)115х145(25/75); 2с (14АII/12АII)115х145(25/75) 1.412.1-7.1-87 Сетка 4с (10АII-200/10АII-200)145х145; 2с (12АII/12АII)145х145; 2с (14АII/14АII)145х145 1.412.1-7.1-88 Сетка 4с (10АII-200/10АII-200)145х175(75/25); 2с (12АII/10АII)145х175(75/25); 2с (12АII/12АII)145х175(75/25) 1.412.1-7.1-89 Сетка 2с (14АII/12АII)145х175(75/25); 2с (14АII/14АII)145х175(75/25); 2с (16АII/14АII)145х175(75/25) 1.412.1-7.1-90 Стержень арматурный Ст… Ст8 1.412.1-7.1-91 Изделие закладное МН1 1.412.1-7.1-92 Изделие закладное МН2 1.412.1-7.1-1 ТТ Технические требования 1.412.1-7.1-2 Сетка С1… С3 1.412.1-7.1-3 Сетка С4… С6 1.412.1-7.1-4 Сетка С7, С8 1.412.1-7.1-5 Сетка С9… С11 1.412.1-7.1-6 Сетка С12… С14 1.412.1-7.1-7 Сетка С15, С16 1.412.1-7.1-8 Сетка С17… С19 1.412.1-7.1-9 Сетка С20… С22 1.412.1-7.1-10 Сетка С23, С24 1.412.1-7.1-11 Сетка С25… С27 1.412.1-7.1-12 Сетка С28… С30 1.412.1-7.1-13 Сетка С31, С32 1.412.1-7.1-14 Сетка С33… С35 1.412.1-7.1-15 Сетка С36… С38 1.412.1-7.1-16 Сетка С39, С40 1.412.1-7.1-17 Сетка С41… С43 1.412.1-7.1-18 Сетка С44… С46 1.412.1-7.1-19 Сетка С47… С48 1.412.1-7.1-20 Сетка С49… С51 1.412.1-7.1-21 Сетка С52… С54 1.412.1-7.1-22 Сетка С55, С56 1.412.1-7.1-23 Сетка С57… С59 1.412.1-7.1-24 Сетка С60… С62 1.412.1-7.1-25 Сетка С63, С64 1.412.1-7.1-26 Сетка С65… С67 1.412.1-7.1-27 Сетка С68… С70 1.412.1-7.1-28 Сетка С71, С72 1.412.1-7.1-29 Сетка С73… С75 1.412.1-7.1-30 Сетка С76… С78 1.412.1-7.1-31 Сетка С79, С80 1.412.1-7.1-32 Сетка С81… С83 1.412.1-7.1-33 Сетка С84… С86 1.412.1-7.1-34 Сетка С87… С88 1.412.1-7.1-35 Сетка С89… С91 1.412.1-7.1-36 Сетка С92… С94 1.412.1-7.1-37 Сетка С95, С96 1.412.1-7.1-38 Сетка С97… С99 1.412.1-7.1-39 Сетка С100… С102 1.412.1-7.1-40 Сетка С103, С104 1.412.1-7.1-41 Сетка С105… С107 1.412.1-7.1-42 Сетка С108… С110 |
| Разработан: | Харьковский Промстройниипроект |
| Утверждён: | 25.05.1988 Госстрой СССР (Государственный комитет Совета Министров СССР по делам строительства) (USSR Gosstroy 6/6-1087) |
| Нормативные ссылки: |
|


















































